Главная Настройка Mobile Контакты NSFW Каталог Пожертвования Купить пасскод Pics Adult Pics API Архив Реквест доски Каталог стикеров Реклама
Доски


[Ответить в тред] Ответить в тред

Тред закрыт.


Check this out!


[Назад][Обновить тред][Вниз][Каталог] [ Автообновление ] 2031 | 285 | 412
Назад Вниз Каталог Обновить

Помощи ньюфагу тред #63 Аноним 22/03/17 Срд 02:39:12  276268   Обсуждение закрыто  
9642a485cb93bd6[...].jpg (553Кб, 824x1200)
Очередной раковник для ньюфагов стартует в этом ITT треде.
Предыдущему обожгло лицо взорвавшимся li-ion-ом там:
https://2ch.hk/ra/res/272230.html
>>272230 (OP)

ПРЕЖДЕ ЧЕМ СОЗДАТЬ ТРЕД, ПОГУГЛИ, ПРОЧТИ ЭТОТ ПОСТ (а лучше весь тред) И ВОСПОЛЬЗУЙСЯ ПОИСКОМ ПО РАЗДЕЛУ. ТАКЖЕ СМОТРИ ТЕМАТИЧЕСКИЙ УКАЗАТЕЛЬ ТРЕДОВ (>>263887 (OP)).

Решил заняться электроникой, паянием ололо-быдло девайсов? Похвально. Вот список нужной литературы и ссылок:

Книги:

Вообще, их очень много. Но тебе же лень искать, поэтому получай скромнейший минимум:

П. Хоровиц, У. Хилл "Искусство схемотехники"
http://publ.lib.ru/ARCHIVES/H/HOROVIC_Paul',_HILL_Uinfild/_Horovic_P.,_Hill_U..html

У. Титце, К. Шенк "Полупроводниковая схемотехника" (в двух томах)
http://www.tverhtk.ru/library/predmets/pc_systems/Poluprovodnikovaja_shemotehnika_Tom1_2008.pdf
http://www.tverhtk.ru/library/predmets/pc_systems/Poluprovodnikovaja_shemotehnika_Tom2_2008.pdf

Ю.В. Ревич "Занимательная электроника"
http://publ.lib.ru/ARCHIVES/R/REVICH_Yuriy_Vsevolodovich/_Revich_Yu.V..html

Если есть желание обмазаться расчётом с ног до головы, то тебе следует почитать вот это:

И.П. Степаненко "Основы теории транзисторов и транзисторных схем"
http://publ.lib.ru/ARCHIVES/S/STEPANENKO_Igor'_Pavlovich/_Stepanenko_I.P..html

Г.И. Изъюрова "Расчёт электронных схем. Примеры и задачи"
http://publ.lib.ru/ARCHIVES/_CLASSES/TEH_RAD/Raschet_elektronnyh_shem.(1987).[djv-fax].zip

Л.Н. Бочаров "Расчёт электронных устройств на транзисторах"
http://www.radiolamp.ru/library/books.php?id=mrb0963

Полезные ссылки:

Много полезный статей и сообщество:
http://easyelectronics.ru/
Схемы устройств и хороший форум:
http://cxem.net/
Также загляни сюда:
http://radiokot.ru/

Решил прикупить себе сканер «закрытых» частот или хороший приёмник? Глянь сюда:
http://www.radioscanner.ru/forum/
И сюда:
http://www.cqham.ru/ (есть годный /forum по схемотехнике)
Любительской радиосвязи также посвящён:
http://www.qrz.ru/

Я знаю, что тебе, мой начинающий друг, будет лень смотреть на сайтах, которые я тебе дал, поэтому:
Техника Безопасности: http://radiokot.ru/start/other/safety/01/
Инструментарий радиолюбителя: http://cxem.net/beginner/beginner1.php
Немного о пайке: http://easyelectronics.ru/likbez-po-pajke.html
О паяльниках: http://easyelectronics.ru/traktat-o-payalnikax.html

СНАЧАЛА ПРОСМОТРИ УКАЗАННЫЕ ВЫШЕ САЙТЫ. НА НИХ ТЫ, СКОРЕЕ ВСЕГО, НАЙДЁШЬ ИСЧЕРПЫВАЮЩИЕ ОТВЕТЫ НА БОЛЬШИНСТВО СВОИХ ВОПРОСОВ, ДАЖЕ В РЕЖИМЕ READ ONLY.

Как первую схему, гугли "мультивибратор".

Как спаять наушники, для начала спроси у гугла, он много этого дерьма повидал:
http://lmgtfy.com/?q=Как+спаять+наушники
Или обратись к старому местному гайду с выцветшими от времени фото:
http://arhivach.org/thread/7925/

Где-то здесь быд тред, но «он утонул»?
https://2ch.hk/ra/arch/

Если у тебя есть вопросы типа: "почему мои калоночки гудят/не играют?", "мультивибратор не пашет", "как определить полярность резистора?" или наушники так и не поддались, то спрашивай в этом треде.

Если у тебя действительно серьёзный вопрос, тогда так и быть, создавай тред.


ДОБРО ПОЖАЛОВАТЬ В RA.
ДАЁМ НЕ РЫБУ, НО УДОЧКУ.
Аноним 22/03/17 Срд 04:37:06  276273
Audioengine5+35[...].jpg (44Кб, 770x433)
Анон, есть один холодильник и одни активные колонки с встроенным усилителем. Казалось бы, где связь? А вот.

С сегодня ни с того ни с сего началась очень странное поведение: в момент выключения компрессора холодильника колонки перестают играть. Чтобы продолжили, надо их пару раз включить-выключить.

Холодильник и колонки висят на общем предохранителе. Кроме них еще там другие устройства: ТВ, компьютер, лампа, рутер, микроволновка но большинство из них выключены или в стендбай. До сегодняшнего дня такого не происходило.

Что проиходит и как с этим разбираться? Из инструментов есть мультиметр и осциллограф DS203 (Max input voltage 80Vpp (x1 probe) / 400Vpp (x10 probe)).

Как я понимаю, в момент выключения компрессора что-то происходит с сетью, что колонки уходят в режим защиты. Как узнать, это холодильник неисправен или блок питания колонок стал с сегодня слишком чувствительным? Почему другим устройствам это не мешает? Что вообще гуглить?

Аноним 22/03/17 Срд 07:49:30  276280
>>276273
https://en.m.wikipedia.org/wiki/Flyback_diode умир
Аноним 22/03/17 Срд 07:55:09  276281
>>276273
А вообще хуй знает что там у тебя, иожет там инвертер защищает от просадок напряжения, а при резком выключении нагрузки не успевает снизить обратно. Можешь купить пять штук стоваттных лампочек и одновременно выключить, чтобы определить.
Аноним 22/03/17 Срд 08:14:53  276283
Вопрос, если вторичную обмотку трансформатора тока нагрузить неравномерно, т.е. в одну сторону падение на нагрузке 15в, а в другую 0.4в, то на что это повлияет?
Аноним 22/03/17 Срд 08:51:32  276289
>>276283
На температуру.
Аноним 22/03/17 Срд 09:07:28  276290
>>276289
В смысле?
Аноним 22/03/17 Срд 09:08:15  276291
>>276289
Т.е. температуру чего?
Аноним 22/03/17 Срд 09:19:05  276292
>>276290
>>276291
Какой вопрос - такой ответ.
Где стоит это трансформатор? Зачем он нагружен несимметрично? С какой целью используется в нештатном режиме?

Анон способен придумать самую невообразимую хуету с абсолютно непонятной целью. А потом героически доказывать что все вокруг идиоты.
Аноним 22/03/17 Срд 09:37:00  276294
>>276292
>С какой целью используется в нештатном режиме?
Чтобы получить сигнал 1 при положительной фазе и 0 при отрицательной.
Аноним 22/03/17 Срд 09:37:50  276295
>>276292

Ну вот в случае с однополупериодным выпрямителем, например трансформатор нагружен несимметрично.
Аноним 22/03/17 Срд 09:39:29  276296
>>276295
Ты говоришь о трансформаторе напряжения, а я говорю о трансформаторе тока.
Разве ему есть разница, если ток туда-сюда абсолютно одинаковый?
Аноним 22/03/17 Срд 10:04:52  276300
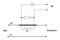
58cf8b.jpg (11Кб, 541x361)
>>276294
>>276295
Иак понимаю кто-то загорелся желанием сделать очередную "печку шизика"?
Пик () очень сильно упрощённо.
Аноним 22/03/17 Срд 10:23:34  276302
>>276300
И как появится ноль на входе МК? Чтобы там был ноль, нужно притянуть вход к нулю, а тут диод стоит.
Аноним 22/03/17 Срд 10:26:51  276303
>>276300
и это не говоря о том, что в такой схеме может произойти защелка мк и он ёбнет.
Аноним 22/03/17 Срд 10:27:50  276304
>>276303
Что такое "защелка мк".
Аноним 22/03/17 Срд 10:29:05  276305
>>276302
Я думаю ты достаточно умён чтобы додумать остальное самостоятельно.
Аноним 22/03/17 Срд 10:29:11  276306
>>276304
Это когда ты ебанул положительное напряжение на gnd-ножку мк.
Аноним 22/03/17 Срд 10:30:07  276307
>>276306
Зачем подавать положительное напряжение на gnd-ножку мк?
Аноним 22/03/17 Срд 10:31:42  276309
>>276307
Оно само там появится на отрицательной фазе во время восстановления диода.
Аноним 22/03/17 Срд 10:34:29  276310
>>276309
Нет.
Аноним 22/03/17 Срд 10:34:37  276311
>>276305
Нет, ты нарисуй.
Все что я придумал - это несимметричная нагрузка. Поэтому и спрашиваю какие подводные камни в ней.
Аноним 22/03/17 Срд 10:35:34  276312
>>276310
Аргументы?
Аноним 22/03/17 Срд 10:42:02  276314
58cf8b.jpg (21Кб, 1085x220)
Как и ожидалось.
Аноним 22/03/17 Срд 10:43:58  276315
>>276311
Я могу нарисовать цепи согласования с мк. Но не бесплатно.
Ничтожный ток АЦП не внесёт сколько-нибудь значимой ассиметрии.
Аноним 22/03/17 Срд 11:20:13  276319
>>276268 (OP)
Откуда эта пикча милейшая?
Аноним 22/03/17 Срд 11:44:28  276323
>>276319

Гугл утверждает, что из свитера какого-то япошки.
Аноним 22/03/17 Срд 11:45:54  276324
>>276319

http://pixiv.navirank.com/id/37101472/
Аноним 22/03/17 Срд 12:04:11  276325
d49b1eu-960.jpg (25Кб, 727x283)
big1382353880-6[...].jpg (29Кб, 800x300)
Поясните за светодиодную ленту. Там резистор на несколько последовательных диодов стоит, чтобы использовать вольтаж по максимуму, или же у каждого диода свой?
Нихуя не пойму, на одних картинках одно, на других другое. Как то не доводилось пока в руках держать живьем, а в витринах магазинов и холодильниках не вглядывался.

Если второй вариант, то это пиздец же расточительство. Столько энергии пропадает зря.
Аноним 22/03/17 Срд 12:55:47  276329
>>276280
>>276281

Такая штука поможет?
Аноним 22/03/17 Срд 12:56:22  276330
61elnC85t8L.SL1[...].jpg (91Кб, 1382x312)
>>276329
Пик отклеился.
Аноним 22/03/17 Срд 12:56:29  276331
поцоны, от чего зависит напряжение, выдаваемое электрогенератором?
Аноним 22/03/17 Срд 13:09:46  276333
>>276331
от оборотов, нагрузки и погоды на Марсе
Аноним 22/03/17 Срд 13:15:22  276334
>>276333
а ток?
Аноним 22/03/17 Срд 13:33:15  276335
>>276334
аналогично.
Аноним 22/03/17 Срд 13:40:34  276337
Есть ли у кого-нибудь схема этой платы?
https://ru.aliexpress.com/item/STM32F103C8T6-ARM-STM32-Minimum-System-Development-Board-Module-For-Arduino/32246273606.html
Ну и вообще какие пины я могу использовать. Там какие-то заняты всякими отладчиками, программатором и еще хз чем.
Аноним 22/03/17 Срд 14:09:41  276343
>>276330
Может и поможет. В крайнем случае просто сгорит варистор.
Аноним 22/03/17 Срд 14:26:38  276345
71-5U3QWH4L.SL1[...].jpg (103Кб, 1500x817)
>>276343
В итоге взял этот маленький ИБП на 185Вт. Решит вопрос на 100%, да и комплюктер с рутером не помешает через него подключить.

Конечно чутка обидно, что что-то в доме неисправно, но это самое простое гарантированное решение.

Может вообще такая хрень быть из-за глюков в электропроводке / розетках / разветвителях или например от того, что холодильник подыхает?

Аноним 22/03/17 Срд 14:39:05  276348
>>276337
> Есть ли у кого-нибудь схема этой платы?
У гугля есть:
http://www.stm32duino.com/viewtopic.php?t=980
http://radiokot.ru/forum/viewtopic.php?f=59&t=115275
http://www.haoyuelectronics.com/Attachment/STM32F103C8T6-DEV-BOARD/STM32F103C8T6-DEV-BOARD-SCH.pdf

>ru.aliexpress
Да когда же вас, пидоров, расстреливать начнут?!
Аноним 22/03/17 Срд 16:33:41  276356
>>276348
#rep(/ru.aliexpress/ig,aliexpress)
Аноним 22/03/17 Срд 16:36:52  276357
>>276356
>/ig
islamskoe gosudarstvo.aliexpress?
Аноним 22/03/17 Срд 16:44:59  276358
mtkh-90-photo-1.jpg (22Кб, 719x539)
Репост
Антуаны, есть один МТХ-90. Хочу использовать его для индикации, как мне его подключать? В интернете какие-то дикие схемы с резисторами между анодом и сеткой. И напряжения неизвестны.
Аноним 22/03/17 Срд 16:47:55  276360
>>276358
Резистор как на любую неонку. Подключай всяко, как характер свечения тебе понравится так и оставь.
Аноним 22/03/17 Срд 16:50:23  276361
>>276360
Анод-катод? Какую полярность, какое напряжение?
Аноним 22/03/17 Срд 17:00:36  276362
>>276361
>какое напряжение
переменное, 60-180 вольт в зависимости от яркости и стабильности зажигания.
Аноним 22/03/17 Срд 17:10:21  276363
>>276361
Говорю же что похуй. Я такие в радиокружке подключал соединяя два любых вывода и в сеть последовательно с резистором 150-300 кОм, не помню точно сколько нужно, короче как для любой распространённой неонки.
Если светится хуёво просто переподключаешь-пересоединяешь выводы иначе.
Аноним 22/03/17 Срд 18:29:53  276372
DSC1818.jpg (1025Кб, 2464x1632)
>>276363
>>276362
Ясно. Спасибо, аноны.
Алсо, может кто-нибудь подсказать заодно подключение ИН-ов? Как на пикрелейтед
Аноним 22/03/17 Срд 21:57:54  276406
бля, закрепить тред чо никак? моча алло
Аноним 22/03/17 Срд 22:28:30  276411
Кто может примерно так почувствовать.
Вот такая хуйня i2c
>while (!(TWCR & (1<<TWINT)));
требует к себе вачдога, или и так сойдет?
Если случится какая-нибудь дичь, он же повисит нахуй?
Аноним 22/03/17 Срд 22:50:46  276413
>>276411
Любая проверка флага может повиснуть.
Аноним 22/03/17 Срд 22:53:31  276414
>>276411
Да забей хуй.
Аноним 22/03/17 Срд 23:05:42  276416
>>276413
Все что угодно может повиснуть. Но вот конструкция while без брейка как бы просит о том чтоб повиснуть.
Аноним 22/03/17 Срд 23:37:13  276431
В чем разница между транзисторами КТ368АМ и КТ368БМ?
Аноним 23/03/17 Чтв 00:17:07  276439
Вопрос на гривну: unit8_t и unsigned char.
Какая вообще разница?
Аноним 23/03/17 Чтв 00:23:10  276440
>>276416
Смотря что случится при зависании. Иногда отвал шины означает неработоспособность всего устройства - тут похуй на зависания, так как пиздец всему, а может отвалиться всего лишь датчик какой - тоже плохо, но еще хуже когда из за этого повинет вся система.
Аноним 23/03/17 Чтв 00:33:55  276442
>>276439
не знаю
Аноним 23/03/17 Чтв 05:07:11  276453
>>276439
Ее нет, так как char всегда имеет размер 8 бит. Но такое обозначение унифицировано с более крупными типами интов, которые нужны для переносимости между платформами, где инт может быть по 16 бит, а может по 32. Плюс это явное обозначение размера, "явное лучше, чем неявное" (с) питонье дао
Аноним 23/03/17 Чтв 05:49:58  276454
>>276268 (OP)
Сап анон, подскажи мне какой нибудь маломощный п-канальный полевичек, что б сопротивление было маленький исток-сток. Мне нужно всего 10мА через него пустить. Можно импорт, что бы купить не проблема была :с
Аноним 23/03/17 Чтв 05:54:12  276455
>>276454
IRLML2402
Аноним 23/03/17 Чтв 07:03:49  276458
>>276455
Спасибо за отзывчивость, но это н-канальный же. Мне нужен p-channel.
Аноним 23/03/17 Чтв 07:16:38  276459
>>276458
IRLML6402
Аноним 23/03/17 Чтв 12:32:04  276477
На связи поехавший, который городит управление 6-ю корпусными вертушками кудахтера через ШИМ мамки.
На данный момент все работает, но наоборот. ЦП кулер воткнут в SYSFAN а корпусные берут сигнал с разъёма CPUFAN.
И это мне не нравится. Хотя и работает так, как надо.
>>276437
Разъем мамки держит 0.3-0.4 Ампера. Но это питание. А сколько держит цепь управления - не знаю.
Я нихуя не понел.
Если я ограничу резистором, то упадет же и напряжение?!
Я до этого поставил другой транзюк, и из-за того что полное его открывание происходит при 12В, он не заработал.
А этот я выпаял с материнки, он открывается полностью при 5В.
Если я поставлю резистор, он тоже перестанет открываться?
Как бы написано, что управление мосфетами происходит током, а не напряжением. Но тем не менее в датащите есть график зависимости от напряжения на затворе?
Я НИХУЯ НЕ ПОНЕЛ.
А ещё, проблему с разъёмом постараюсь решить так - подключу один кулер 4пин а потом возьму от него управляющий сигнал. Ибо мамка каким-то загадочным образом определяет какой кулер подключен 3 или 4 пин. Хотя я пытался ее наебать, и подключал 3 пин + мою приблуду к разъёму ЩИМ. То бишь как бэ 4пин кулер. Но мамка регулировала обороты 3пин кулера и забила хуй на четвертый пин.
Загадка, интрига.
Аноним 23/03/17 Чтв 12:38:15  276478
>>276325
Общее падение напряжение на диодах около 9в, а питание 12, резистор гасит оставшиеся 3.
Очень грубо и не точно описал. Но надеюсь, ты поймешь.
И, да. Один резистор на три диода.
Аноним 23/03/17 Чтв 12:39:30  276479
>>276453
спосибо
Аноним 23/03/17 Чтв 12:59:56  276480
>>276477
>Как бы написано, что управление мосфетами происходит током, а не напряжением. Но тем не менее в датащите есть график зависимости от напряжения на затворе?
они управляются зарядом. Заряд это ток/время. Тебе нужно успевать заряжать и разряжать емкость затвора с частотой ШИМ. Резистор ограничивает зарядный ток и соответственно затягивает время открытия. Тут как раз все просто.
А вот зачем ты занимаешься хуйней - вопрос....
Аноним 23/03/17 Чтв 14:35:08  276499
>>276480
Ну а почему тогда прошлый транзистор не работал на 5В?
На 12В он нормально открывался.
Какой именно хуйней?
Аноним 23/03/17 Чтв 14:45:58  276502
>>276477
>через ШИМ мамки
Но зачем?
я просто такую же идею вынашиваю, лол
Делюсь мыслями, короче:
1. Непосредственно контроль оборотов херачишь на ардуине, вот тут более чем приличная схема, ещё и огоспаде сразу с наименованиями компонентов: http://www.electroschematics.com/9540/arduino-fan-speed-controlled-temperature/
2. Температурные данные парсишь непосредственно с компа. LCD Smartie отлично умеет отправлять их на последовательный порт и легко конфигурируется под это.
3. До кучи можно считывать частоту оборотов каждого вентилятора - и заставлять контроллер держать конкретное их количество. Для какого-нибудь САЙЛЕНТ МОД должно быть заебись.
4. И самое главное: делаешь два контура: один на 12в, второй на 5в. Первый питает вентиляторы, второй - ардуину. Проще всего получить их из молекса: там как раз именно эти напруги и две земли.
5. Колхозинг: дисплей, отображающий текущий режим: САЙЛЕНТ/ГЕЙМИНГ/ФУЛЛ ТРОТТЛ; кнопка переключения режимов, возможность вручную установить обороты каждого крутилятора, индикация остановки, и прочее по вкусу
Аноним 23/03/17 Чтв 14:46:34  276503
>>276499
потому что напряжение на затворе, при котором сопротивление канала близкО к номинальному, у всех ключей разное. Параметр сей есть в любом даташите. Хуйней ты страдаешь потому, что в корпусе достаточно одного вентилятора на вдув и одного на выдув1,5 вместе с вентилятором БП. Ставить их стоштук и дрочить скорость есть бессмысленная хуета.
Аноним 23/03/17 Чтв 15:15:10  276508
>>276502
Зачем так пердолится, если я впаиваю один резистор и настраиваю все через speedfan?
Для каждого кулера отдельные настройки - это уже лишнее. По крайней мере для меня.
И бюджет. Всякие ардуины, экраны и прочее. Нахуя?
У меня нулевой бюджет. Выпаял из старого говна мосфет и в путь. Все регулирует сам комп. Автоматически.
Аноним 23/03/17 Чтв 15:18:50  276509
>>276503
Блять ты уже в третий раз ебешь мне мозг. Я же тебе писал. Что даже 1 на вдув и 2 на выдув не справлялись.
Тем более. Мои 6 вертушек будут тише с авторегулировкой, чем 2, но которые будут хуярить постоянно на максимум.
Ведь я капчую - они еле крутятся. Играю - крутятся средне. Если вдруг перегрев - хуярят на полную. Окда?
Аноним 23/03/17 Чтв 15:40:17  276511
>>276509
у тебя некоторые проблемы с осознанием простых физических принципов. Ты пытаешься решить их с помощью вороха вентиляторов. Но не хочешь даже поинтересоваться как устроены заводские контроллеры для этих дел. Нахуй мне что-то тебе растолковывать?
Аноним 23/03/17 Чтв 15:56:13  276512
>>276511
Это же очевидно. Если бы я хорошо разбирался в радиотехнике, я бы не пришёл в тред для ньюфагов.
Каких конкретно принципов?
Проблема уже решена. Осталась лишь одна - вентиляторы торчат не в тех разъёмах, в которых должны и в которых бы я хотел.
Я пытался искать готовые решения для своей задачи. Но их НЕТ.
Есть, конечно реобасы с кучей датчиков и разъёмов.
Но если бы у меня были на них деньги в размере 5-10к я бы тоже сюда не пришёл.
Не хочешь растолковывать - никто не заставляет.
Я попросил, ты помогать не захотел, назвав меня тупым.
Предложи что-то лучше, только не за дохуя денег и без пердолинга? Есть такое? Я не нашёл и пытаюсь сделать из того, что имеется.
Аноним 23/03/17 Чтв 16:07:19  276515
IMGP2803.JPG (3578Кб, 3648x2736)
Раданы, зацените что у меня есть. Что из этого можно сделать?
Аноним 23/03/17 Чтв 16:11:11  276516
>>276515
Если есть мультиметр - фоткай как измеряешь параметры колец мультиметром и иди в бред. Создавай тред в духе "дали ящик колец померить сквжлячность, а вы чем на работе занимаетесь?".
собери каскадный трансформатор
Аноним 23/03/17 Чтв 16:18:36  276517
14901259030800.jpg (25Кб, 400x300)
>>276516
>параметры колец
>мультиметром
Аноним 23/03/17 Чтв 16:37:48  276518
>>276517
это называется шутка
Аноним 23/03/17 Чтв 17:29:21  276523
195529.jpg (521Кб, 1600x1249)
Анон, есть дроссели пикрелетейд, сталкивался кто? Хочу облить их эпоксидкой чтобы притихли, либо спаивать и заливать изнутри. Я вот только хуй его знает, они с открытым днищем или нет.

Metal Choke R30
Аноним 23/03/17 Чтв 17:30:29  276524
11vrmmetalchoke[...].jpg (94Кб, 800x483)
>>276523
Аноним 23/03/17 Чтв 17:35:01  276526
>>276515
Намотать проводом катушки как попало, навтыкать в платы и продавать как йоба-подавитель помех.
Аноним 23/03/17 Чтв 18:11:35  276532
>>276523
Они уже залиты эпоксидкой
Аноним 23/03/17 Чтв 18:49:00  276535
Сап, нужен блокинг на кт817г, до этого много делал мощьных блокингов как драйвера для тдкс но щас нужен маломощьный, нихуя не получается, вход нужен от 1.5 вольта до 3.7, мотал много катушек нихуя не робит, помогите ананасы.
Аноним 23/03/17 Чтв 20:38:44  276543
>>276315
Двачую.
>>276314-пикрелейтед.
Аноним 23/03/17 Чтв 20:43:36  276545
>>276372
Также, только по току смотри (считай резистор).
Аноним 23/03/17 Чтв 20:50:38  276548
>>276503
Воистину! Аминь.
Аноним 23/03/17 Чтв 20:52:15  276549
>>276512
Да ты поехавший.
Аноним 23/03/17 Чтв 20:59:52  276551
>>276535
бамп.
Аноним 23/03/17 Чтв 21:15:33  276554
почему "реальные" схемы промышленных устройств такие сложные по сравнению с тем что публикуется в сети? взять какой нибудь передатчик. это прямо парад конденсаторов и каких то подстроечных катушек. тысячи их. то ли дело на вебе у пацанов - десяток деталек, и все работает не хуже. этим дизайнерам за сложность что ли платят??
Аноним 23/03/17 Чтв 21:21:37  276557
1.jpg (652Кб, 1039x740)
да, и качество печати примерно вот такое. никакой здравомыслящий человек даже не попытается в ТАКОМ разобраться. это чистый пиздец. неспросто в нашу эпоху веба порог входа в электронику почти нулевой. а во времена дидов вот такое тебе под нос сували в качестве первой схемы. немудрено, что тогда электроникой занимались только те, кто действительно шарил.
Аноним 23/03/17 Чтв 21:34:48  276558
>>276477
>Как бы написано, что управление мосфетами происходит током, а не напряжением.
это де такое написано? как раз таки напряжением, а не током. ток обычно рассматривают с тз минимизации switching losses. чем больше ток, тем быстрее в кондер затвора напихается заряд, и тоже самое при разрядке. смотри даташиты. то есть при подаче PWM на затвор происходит два коротких импульса тока - при зарядке и в обратную сторону слив при разрядке. величина этого тока задается драйвером или в обще любым устройством, которое управляет твоим мосфетником. если частота PWM низкая, этим можно вообще не париться, резистор порядка 100 ом не помешает, но можно и без него.
Аноним 23/03/17 Чтв 21:37:47  276559
Ещё раз спрошу - можно ли использоватьвместо трансформатора с 2 вторичными обмотками два трансформатора т одной вторичной? есть 50% шанс устроить КЗ?
Аноним 23/03/17 Чтв 21:41:13  276561
>>276559
что на входе и что тебе нужно на выходе получить?
Аноним 23/03/17 Чтв 21:52:42  276562
>>276561
https://cdn.instructables.com/FAZ/X53O/H8RVD01P/FAZX53OH8RVD01P.LARGE.gif
Я просто следу инструкции. По ходу нужно 50 вольт. Вобщем слева та фигня, которую мне нужно сделать
Аноним 23/03/17 Чтв 21:57:52  276563
>>276559
Можно.
Среднюю точку вытягивать резисторами. Работать будет скорее всего хуёво.
Аноним 23/03/17 Чтв 21:59:14  276564
>>276559
>>276563
Опс, неправильно тебя понял.
Да можешь спокойно ставить два транса, подводных никаких.
Аноним 23/03/17 Чтв 22:11:45  276567
>>276564
даже КЗ не устроить? Спасибо, если не тралишь!
Аноним 23/03/17 Чтв 22:20:00  276568
>>276567
Нужно обмотки в правильном направлении соединять, иначе работать не будет.
Аноним 23/03/17 Чтв 22:21:30  276569
>>276568
Направлении? Там же переменный ток? Что тыт имеешь ввиду?
Аноним 23/03/17 Чтв 22:30:41  276570
>>276569
у обмоток есть начало и конец. Так вот для суммирования напряжения нужно начало одной соединять с концом другой. Эта точка будет средней, две другие крайними. Если обмотки одинаковые и нужно больше тока - то начало соединяется с началом. конец с концом. Все как с батарейками.
Аноним 23/03/17 Чтв 22:31:36  276571
314134134.jpg (22Кб, 1000x412)
>>276569
Так понятней?
Аноним 23/03/17 Чтв 22:37:13  276574
>>276570
как понять - где конец, а где начало? И повторюсь - у меня два разных трансформатора
Аноним 23/03/17 Чтв 22:38:11  276575
chernomor-2009.jpg (61Кб, 667x500)
>>276557
Хуйню написал.
Это только для тебя кажется каким-то пиздецом.
Всегда есть профи и любители.
Все по-настоящему талантливые люди занимаются своим делом с самого раннего детства, а не пытаются вкатится после второго десятка.
Аноним 23/03/17 Чтв 22:38:27  276576
>>276574
Методом тыка.
Аноним 23/03/17 Чтв 22:40:31  276577
>>276574
Если трансформаторы отдельные - то похуй. магнитный поток у каждого свой. Непохуй будет только при высоких напряжениях, но тебе это пока не грозит.
Аноним 23/03/17 Чтв 22:42:46  276578
>>276557
не увидел на схеме ничего сложного. Выглядит не очень читаемо конечно, лучше разнести по блокам.
Кто не хочет думать головой - работает руками. У каждого своя дорожка.
Аноним 23/03/17 Чтв 22:43:36  276579
>>276577
вдогонку
если сфоткаешь нам трансформатор мы покажем тебе где начало и конец
Аноним 23/03/17 Чтв 22:45:27  276580
>>276523
Поливать нужно не эпоксидкой, а чем-то что гасит вибрации, например силиконом или каучуком.
Чему вас только в школе учат...
Сама процедура выглядит примерно так:
Вокруг дросселей делается опалубка
Внутрь опалубки наливается компаунд, например КПТД-1/1Т-5.5
Аноним 23/03/17 Чтв 22:47:08  276581
341414.jpg (36Кб, 738x225)
>>276579
И без вас знаем.
Аноним 23/03/17 Чтв 22:47:34  276582
>>276523
они не должны издавать звуков. Если пищат - либо трещина в магнитопроводе либо насыщение этого самого магнитопровода. В обоих случаях поможет только святая вода и замена дросселей.
Аноним 23/03/17 Чтв 22:48:48  276583
Иногда помогает отключение энергосбережения и включение вертикальной синхронизации.
Аноним 23/03/17 Чтв 22:49:19  276584
1488.JPG (1593Кб, 2304x1728)
>>276581
чтоб тебя гироскопомаппаратом ориентации придавило
Аноним 23/03/17 Чтв 23:05:32  276585
>>276579
Если ты о точках, то их нет. И вообще это испанский трансформатор судя по всему
успел почитать теорию
Аноним 24/03/17 Птн 00:00:59  276589
Поцоны, объясните как делать замер усилителя в rmaa? Подключаю 4омный 100 ваттный резистор вместо колонок, после него делитель на потенциометре и в линию звуковой карты. Два усилителя из Китая начинают дико пищать мне даже кажется, что пищат конденсаторы На одном сгорел предохранитель на выходе БП. Спаянные мной лм1875 и лм3886 тоже замерить не получается, на входе звуковой карты непонятная каша, трансформатор начинает гудеть и трещать. На 4 омных колонках все работает нормально. Что я делаю не так?
Аноним 24/03/17 Птн 00:28:42  276591
>>276589
>Что я делаю не так?
Не прикрепляешь картинки к посту
Ванг тут нет
Хуй знает что ты там на самом деле ворочаешь
Аноним 24/03/17 Птн 00:31:05  276592
>>276581
В чём соль?
Аноним 24/03/17 Птн 00:45:14  276594
1.png (5Кб, 400x243)
>>276591
Все делаю как написано http://www.ixbt.com/proaudio/test-amplifer-new2.shtml
Аноним 24/03/17 Птн 02:13:05  276601
Господа, в чем лучше рисовать электрические схемы? Чтобы было красиво. слышал про такую шнягу как Eplan, годнота?
Аноним 24/03/17 Птн 05:52:55  276604
>>276283
У трансформатора появится подмагничивание постоянным током, он может влететь в насыщение.
Аноним 24/03/17 Птн 05:55:40  276605
>>276325
На обоих картинках по три диода последовтальено. Просто на третьей три резистора, чтобы рассеиваемую мощность растащить.
Три белых диода = 9 вольт падения, остальные 3 - на резисторе, электрический КПД 75%.
Аноним 24/03/17 Птн 05:59:12  276606
>>276431
В справочнике посмотреть не судьба?
У А - нормированный коэффициент шума (т.е. он более малошумящий), Б - все остальные.
М - пластиковый корпус.
Аноним 24/03/17 Птн 06:00:23  276607
>>276454
bss138, 2n7002
Аноним 24/03/17 Птн 06:03:21  276608
>>276554
>и все работает не хуже
Дооооо, конечнО.
Аноним 24/03/17 Птн 08:45:03  276615
>>276601
Splan 7.0 вполне достаточен для среднего радиоломателя.
Аноним 24/03/17 Птн 08:51:18  276616
Пропаганда.jpeg (52Кб, 800x631)
Подскажите простой передатчик на 433 или 446 Мгц, нужен маяк, который ловится баофенгом на 1 км. Или может у китайцев уже готовые есть?
Аноним 24/03/17 Птн 10:30:25  276622
Аноны, дайте годный самоучитель для ньюфага.
Пытаюсь разобраться с транзисторами, вроде всё понятно. Но многие моменты упущены в описании на многих сайтах.
К примеру, рассеиваемая мощность, есть такая характеристика. Но зачем она нужна и как ее подбирать - не понятно.
Я предполагаю, что когда транзистор наполовину закрыт, то половина мощности будет рассеиваться в тепло, но об этом нигде не написано.
Аноним 24/03/17 Птн 10:38:17  276623
>>276622
транзистор это либо резистор либо диод. Соответственно рассеиваемая мощность считается или RI^2 или UпаденияI
Это паразитный параметр, чем он меньше тем лучше. В даташитах указывается рассеиваемая мощность кристалла при определенной температуре. Тепловые расчеты легко гуглятся, если они тебе нужны.
Аноним 24/03/17 Птн 12:20:22  276630
>>276517
Ну, магнитную проницаемость то можно. Правда потребуются джва мультиметра (и специально обученные трансформаторы): http://www.irls.narod.ru/rlbt/sv/trans5.htm
Аноним 24/03/17 Птн 12:23:27  276631
>>276558
Гхм...
То бишь, 100 Ом хватит, чтоб источник тока затвора не охуел.
Оке....
Тут какая-то хуйня странная... В общем, кулер 4pin и самопальный 4pin кулер с транзистором КП501А работает нормально. Но как только я подключаю ШИМ к мощному мосфету - сразу все тухнет. И включается обратно, только если снять мосфет и дотронутся пальцем до оголенного провода ШИМ.
Я тут решил сделать так с помощью КП501А раскачать какой ни будь n канальный биполярник, в режиме ключа. Вчера уже не успел это попробовать.
Ведь разъем нормально работает с маломощным кулером, но к ШИМ не подключиться. Тогда я вместо кулера вставлю еще один транзистор, по идее - прокатит. Ибо ШИМ я вообще не трогаю, а ток для базы биполярника мизерный.
Не сосну ли я? И какие подводные камни?
Аноним 24/03/17 Птн 12:28:38  276632
>>276554
Потому что реальные устройства работают в реальном мире. Где температура воздуха меняется от -40 до +40, по цепи питания может на ровном месте прилететь киловольтный импульс, искрящий контактор срёт помехами на всю округу, а обслуживают всё это такие гастырбатыры, что порашные питурды на их фоне выглядят корифеями всех наук.
Аноним 24/03/17 Птн 12:35:05  276633
>>276623
Спасибо. Просто я охуел однажды от того, как спалил свой новенький MOSFET за 10$
Пытаюсь разобраться почему он там много тепла выдал.
Я хочу сделать ШИМ для фар автомобиля. В общем, чтобы они работали на 30% от полной мощности. Это типа дневные ходовые огни.
Собрал схему и мгновенно соснул. Транзистор задымился и ЗГОРЕЛ.
Аноним 24/03/17 Птн 13:08:23  276634
>>276633
>MOSFET за 10$
Very tolsto.
Аноним 24/03/17 Птн 13:23:06  276636
blob (117Кб, 658x318)
Радач, насколько хуевая идея пользоваться малиной 24\7 в качестве веб-сервера?
Сколько часов у неё, так скажем, наработка на отказ? Нужно ли подумать о дополнительной защите от скачков питания? Нужно ли активное охлаждение?
Аноним 24/03/17 Птн 13:47:36  276637
>>276636
>Сколько часов у неё, так скажем, наработка на отказ?
как и у любой электроники, от нуля до бесконечности. Сильно жалующихся на малину не встречал
>Нужно ли подумать о дополнительной защите от скачков питания?
желательно
>Нужно ли активное охлаждение?
нет, радиатора хватит
Аноним 24/03/17 Птн 13:51:24  276638
14572941321500.jpg (244Кб, 750x982)
>>276637
Ну вообще да, роутер у меня же стоит уже несколько лет без продыху работая. Аригато.
Аноним 24/03/17 Птн 13:55:26  276641
>>276634
Што? Так и есть. В схеме был такой транзистор.
Аноним 24/03/17 Птн 13:56:20  276643
>>276641
пруф
Аноним 24/03/17 Птн 14:08:37  276644
>>276636
Я уже почти год использую banana pi в качестве прокси. Пробовал запускать I2P - не хватило памяти.

>Нужно ли подумать о дополнительной защите от скачков питания?
Ну, разве что питать не от совсем дешевой зарядки. Не защищаешь же ты зарядку для мобильного телефона?

Перед остальными подобными одноплатниками у малинки единственное преимущество - более нормальные драйвера. Но поскольку ты не собираешься использовать всякую разную периферию, то может тебе стоит посмотреть на другие одноплатники?
Аноним 24/03/17 Птн 14:10:52  276646
>>276644
>Не защищаешь же ты зарядку для мобильного телефона?
Зарядка от телефона не будет месяцами подключена к сети и от скачков не ребутается или что там еще.
А малина и так уже есть, так что ничего другого мне не нужно. Так то я на ней дрова/модули линуховские пишу, а тут вот думаю загрузить её по-полной наконец.
Аноним 24/03/17 Птн 14:57:54  276647
>>276633
Очевидно твоя схема - говною
Аноним 24/03/17 Птн 15:31:11  276649
В детстве, как наверное многие, хотел собрать Гаусс пушку чтобы как в стулкере... Даже начал собирать огромные конденсаторы, выпаивая их из старых телевизоров, которые порой подбирал на помойке. И вот годы спустя, мне интересно - насколько реально собрать ускоритель частиц из подручных материалов? Какая у него будет "мощность"? Стоит ли этим вообще заниматься?
Аноним 24/03/17 Птн 15:35:15  276650
>>276649
Реально, почему нет? Я вот собрал.
Аноним 24/03/17 Птн 15:53:28  276651
>>276649
Вован, залогинись
Аноним 24/03/17 Птн 16:53:48  276659
004.jpg (55Кб, 659x687)
Котаны, поясните за подключение многополюсного разрядника.

https://www.chipdip.ru/product/bt-r-470-20
Вот у этого напряжение пробоя 470 В и три ноги. Это между первой и второй ногой или между первой и третьей?
Что это вообще за разрядник такой, типа последовательное соединение двух разрядников? Для чего так сделано?
Аноним 24/03/17 Птн 17:07:29  276660
File 24-03-2017[...].jpeg (2239Кб, 2448x3264)
File 24-03-2017[...].jpg (3923Кб, 2448x3264)
Пожалуйста, помогите выбрать один из двух БП под будущий HTPC. Какой предпочтительней с точки зрения оснастки? Спасибо
Аноним 24/03/17 Птн 17:10:48  276661
>>276641
>ШИМ для фар автомобиля
>MOSFET за 10$
Н-а-х-у-я?
Аноним 24/03/17 Птн 17:11:52  276662
>>276660
От ноутбука возьми.
Аноним 24/03/17 Птн 17:12:24  276663
>>276661
А чем ты будешь коммутировать 10A нагрузки с такими частотами?
Аноним 24/03/17 Птн 17:31:30  276664
>>276660
Они одинаковые. Оба динозавры начала века.
Брэндовые, с надёжностью проблем не возникнет.
Аноним 24/03/17 Птн 17:42:27  276667
>>276663
С какими частотами? Вот тебе мосфет: IRFZ44N (55V 49A), стоит у нас 8 гривенпереведешь в рубли/доллары сам.
Аноним 24/03/17 Птн 17:44:11  276668
chanelonperhodn[...].jpg (23Кб, 512x386)
Аноны, я хотел сделать себе удлинитель для наушников. Купил папу-маму миниджек, распаял как на пикрелейтед, а звука нет. Прозвонил тестером, все звонится.
ЧЯДНТ?
Аноним 24/03/17 Птн 18:45:08  276671
Объясните дауну как сделать логическую схему, которая может реализовать функцию y=arccos(x)
Аноним 24/03/17 Птн 19:25:51  276676
>>276659
Такая штука на вход питания сажается для защиты от выбросов напряжения, средний контакт на землю. Если по простому, то как-то так.
Аноним 24/03/17 Птн 20:03:37  276685
>>276659
Хуйню купил.
Центральный электрод - фаза
Крайние - ноль и земля
470В - напряжение пробоя относительно центрального электрода

Ещё можно подключать
Центральный - земля
Крайние - фаза и ноль
Аноним 24/03/17 Птн 20:38:54  276687
>>276671
логические схемы работают на двоичной логике
тебе же придется считать числа отличные от нуля и единицы. Поэтому логика тут не поможет. В разумных пределах конечно. ПЛИС или микроконтроллеры твой выбор
Аноним 24/03/17 Птн 20:48:45  276688
>>276671
Разрядность какая? Если не слишком большая, то хватит ПЗУ, иначе CORDIC или еще что-то.
Аноним 24/03/17 Птн 21:09:56  276693
>>276268 (OP)
Как вы паяете? У меня жало черенеет в некоторых местах, приходится менять. Его чтоли нужно припоем обмазывать при первом использовании? И ещё у меня корпус самого паяльника в некоторых местах чернеет. А после пайки не хочется паять ещё несколько дней.
Аноним 24/03/17 Птн 21:18:48  276696
>>276693
Паяльник какой? Покажи фото.
Аноним 24/03/17 Птн 21:19:36  276697
>>276693
>Как вы паяете? У меня жало черенеет в некоторых местах, приходится менять. Его чтоли нужно припоем обмазывать при первом использовании? И ещё у меня корпус самого паяльника в некоторых местах чернеет. А после пайки не хочется паять ещё несколько дней.

Есть тут песочница?
Аноним 24/03/17 Птн 21:40:25  276699
>>276693
Перегреваешь. Вставь хотя бы в латр и регулируй температуру. Для удаления удаления шлака испрользуй мокрую тряпочку. Паять это не так просто как кажется, здесь навых нужен.
Аноним 24/03/17 Птн 21:40:26  276700
>>276615
В нем можно нарисовать siemens s7-1200 чтобы выглядело правдоподобно?
Аноним 24/03/17 Птн 21:41:19  276701
>>276650
О, расскажи подробнее. Использовал простые элементы, или ардуины какие-нибудь?
Аноним 24/03/17 Птн 21:53:38  276702
>>276697
>Есть тут песочница?
Шо?
Аноним 24/03/17 Птн 21:55:44  276703
1361812230003.jpg (73Кб, 443x600)
>>276701
Можно пердуины использовать в качестве логических элементов.
Аноним 24/03/17 Птн 21:58:31  276704
>>276651

Что? Какой Вован?
Аноним 24/03/17 Птн 22:00:18  276705
>>276704
https://youtu.be/0VQr6_ujKcA
Аноним 24/03/17 Птн 22:00:45  276706
Охуеть, посоны. Начал учить стм32, подключил его через юсб-уарт к компу, по программному проебу контроллер начал слать бесконечно мусор со скоростью 19200 и комп внезапно ушел в бсод, сука. У меня из мусора ВЕРАС самонаписался, лол? Почему так получилось?
Аноним 24/03/17 Птн 22:03:20  276707
>>276703
Просто думаю, что будет легче, найти/разработать схему из простых деталей, или купить ардуину и научиться ее кодить чтобы давать короткие импульсы на несколько соленоидов по очереди...
Аноним 24/03/17 Птн 22:04:30  276708
>>276649
Лучше рельсотрон. Или пневматический стреломёт с насосом.
Аноним 24/03/17 Птн 22:09:19  276709
>>276706
Кривые драйвера на USB-UART. У меня с PL2303 такое было, а CP2102 и MOXA работают нормально.
Аноним 24/03/17 Птн 22:13:39  276710
>>276709
>PL2303
Да, она самая.
Аноним 24/03/17 Птн 22:15:44  276711
>>276701
оптические датчики, логика, 74hc14, мощные igbt, ne555 в качестве драйверов игбтшек, питание с 2 18650 через повышалку
Аноним 24/03/17 Птн 22:17:55  276712
>>276708
хоть 1 удачную любительскую конструкцию рельсотрона покажи
Аноним 24/03/17 Птн 22:25:58  276713
>>276708
Пневматика тоже идея интересная
Аноним 24/03/17 Птн 22:40:32  276719
>>276702
Песочком натри
Питание подбери под свой паяльник, чтоб пластик и жало не горело.
И жало лудить обязательно, лол. Часть, которой паять будешь.
Аноним 25/03/17 Суб 01:16:45  276737
blob (15Кб, 468x261)
Подскажите номиналы R1, R2, RC
Если полевик - КП501А, Биполярник - КТ973Б
FAN - 0.13A
Аноним 25/03/17 Суб 04:32:46  276740
003.jpg (41Кб, 930x647)
>>276676
>>276685
>Центральный электрод - фаза
>Крайние - ноль и земля
>470В - напряжение пробоя относительно центрального электрода
Т.е. я правильно понимаю, что это тупо два разрядника по 470в склеенные вместе? И можно их заменить на два отдельных заземленных разрядника для фазы и для нуля, так?

Алсо, получается, если центральный электрод не подключён, то такая штука превращается в обычный двухвыводной разрядник на 940в?
Аноним 25/03/17 Суб 06:20:02  276746
>>276634
sd57045
Аноним 25/03/17 Суб 06:22:28  276747
>>276737
R1 - 10k, R2 - 3.3k.
Аноним 25/03/17 Суб 06:23:52  276748
>>276740
Ну типа да. Можно крайние электроды включить впараллель - получится разрядник на 470 с удвоенным ресурсом.
Аноним 25/03/17 Суб 06:25:46  276749
>>276746
>sd57045
Ну ты нашел что применять в качестве ключа для фар.
RF power transistor designed for broadband commercial and industrial applications at frequencies up to 1.0 GHz.
Аноним 25/03/17 Суб 06:27:47  276750
>>276749
Я неон, я прост тральнул.
Аноним 25/03/17 Суб 14:12:58  276768
Вообще не шарю в электротехнике, помогите разобраться. Хочу впаять резистор в вентиль, но не знаю какой. Куплю регулируемый резистор в диапазоне от 10 до 150-200 ОМ, отрегулирую обороты как надо и замеряю сопротивление. Но чтоб заменять - нужен мультиметр? Вот если закажу такой, с али https://ru.aliexpress.com/item/Brand-New-1pc-LCD-Digital-DT-830B-Electric-Voltmeter-Ammeter-Ohm-Tester-Digital-Multimeter/32281861539.html?spm=2114.03010208.3.85.L2B6i5&ws_ab_test=searchweb0_0,searchweb201602_1_10065_10068_433_434_10136_10137_10138_10060_10062_10141_10056_10055_10054_10059_201_10531_10099_10530_10103_10102_10096_120_10052_10144_10053_10050_10107_10142_10051_10106_10143_10526_10529_10528_10523_10084_10117_10083_10080_10082_10081_10110_10111_10112_10113_10114_10078_10079_10073_10070_10122_10123_10127_10124_10125-10050,searchweb201603_9,afswitch_1,ppcSwitch_5,single_sort_0_total_tranpro_desc&btsid=a006d161-ea54-4c06-888c-0a445726ccc7&algo_expid=8223304b-5e62-46f2-888f-afede4786300-9&algo_pvid=8223304b-5e62-46f2-888f-afede4786300 то смогу измерять им к примеру если сопротивление будет всего 12.56123123 ОМ ? Или он показывает только от 200 и выше?
Аноним 25/03/17 Суб 14:28:00  276769
>>276768
У потенциометров обычно линейное сопротивление, лалка. Можешь накрутить на него бумажечку гайкой и фломастером отмерять сколько там омов. Дерьмовые мультиметры суперхуево меряют низкие сопротивления.
Аноним 25/03/17 Суб 14:40:14  276770
>>276769
я днина в электронике. Ты чет сложно сказал. Тогда какой надо мультиметр который меряет низкие сопротивления? В косарь можно уложится?
Аноним 25/03/17 Суб 15:20:02  276772
>>276770
Да всё он там измеряет. От 0 до 200 это просто диапазон измерения. Если у тебя выше - нужно будет перевести ручку в другое положение.
Аноним 25/03/17 Суб 15:55:10  276773
>>276770
Не нужен тебе мультиметр, на глаз померяй в каком положении ручка резистора будет - треть оборота, половина оборота. Скажу сразу, что это будет около 25ом.
>>276772
Ну и у него чисто на щупах будет 4-5 ом.
Аноним 25/03/17 Суб 16:02:03  276774
почему сверла стоят 30 рублей за одно 0.8 ? че так дорого то, 300 рублей за десяток сверел, которые ломаются каждые 5 дырок? ипочему они постоянно ломаются?
чо делать то блять, я же разорюсь на этих ебучих сверлах.
Аноним 25/03/17 Суб 16:33:48  276776
>>276774
Потому, что ты криворукое хуйло. Вот почему.
Дави не так сильно, бля. Это раз. Второе - сверло когда сломалось, его можно заточить и будет новое сверло. Кстати их периодически надо затачивать, иначе они будут ломаться, ну как у тебя.
Аноним 25/03/17 Суб 16:48:02  276779
>>276774
Ровнее дрель держи. Ломается, потому что давишь в сторону.

В последнее время тут какая-то эпидемия мелкобуквенности.
Аноним 25/03/17 Суб 16:58:58  276780
>>276774
сверли на станке. не сломаешь ни одного. базарю.
Аноним 25/03/17 Суб 16:59:04  276781
>>276774
Купи себе машинку для маникюра низкооборотистую, она не ломает сверла.
Аноним 25/03/17 Суб 17:07:37  276782
>>276776
> его можно заточить
Ебанутый? Чем ты собираешься точить сверло 0.4-0.5мм? Да еще и твердосплавное.
Аноним 25/03/17 Суб 17:19:37  276784
>>276782
> твердосплавное
В этом твоя проблема. Бери быстрорез и не выёбывайся.
Аноним 25/03/17 Суб 17:26:13  276786
>>276776
>его можно заточить
это как блеать я буду точить 0.8 сверло?
Аноним 25/03/17 Суб 17:27:24  276787
>>276784
>быстрорез
Это чё такое?
Аноним 25/03/17 Суб 17:28:43  276788
>>276779
Так если не давить, оно вообще не сверлит. Даже если слегка давить, все равно рано или поздно ломается.
Аноним 25/03/17 Суб 17:31:55  276789
>>276784
> В этом твоя проблема
У меня с этим нет проблем. Я ломаю одно на 120-150 отверстий. Эти сверла любят обороты от 15к и твердую руку.
Аноним 25/03/17 Суб 17:32:40  276790
>>276787
> быстрорез
Скинь ссылочку на магазин. Нужно 0.3-0.4 для via
Аноним 25/03/17 Суб 17:39:31  276791
>>276774
Свёрла разные бывают.
Одни могут выдерживать сильное изгибание, ими вполне можно сверлить ручным инструментом.
Другие ломаются от любого чиха и предназначены для станков.
Наверное ты купил НЕ ТЕ что нужно. Купи в другом магазине.
Хватать сверла должно на несколько сотен отверстий. И стоить они должны 50~100р за десяток, не больше.
Аноним 25/03/17 Суб 17:41:27  276792
>>276791
У мня ручная сверлилка-дрочилка. Где под нее купить сверла?
Аноним 25/03/17 Суб 17:43:14  276793
>>276792
В магазине. Самые дешевые.
Аноним 25/03/17 Суб 17:43:22  276794
>>276790
Вкетае купил набор пару лет назад, до сих пор сломал только два, и то, один раз сверлил дырки в подошве туфли, чтобы армировать проволокой, а второй раз уронил дремель. Типа такого
https://www.aliexpress.com/item/50pcs-drill-bits-tools-Tungsten-Carbide-Micro-Drill-Bits-Set-Engraving-Tools-for-PCB-Circuit-Board/32765707004.html
Только это карбидные, ищи там micro drill hss.
Аноним 25/03/17 Суб 17:45:48  276796
>>276794
Так я такими и сверлю. Хер ты их заточишь. Я их даже рассмотреть толком не могу со своими -8.5
Аноним 25/03/17 Суб 17:46:02  276797
>>276794
Эта хуйня вставляется в какую-то сверлилку с моторчиком или что?
Аноним 25/03/17 Суб 17:46:51  276798
>>276797
Стандартная цанга 3.175
Аноним 25/03/17 Суб 17:47:46  276799
>>276794
Это свёрла для станка. В ручном инструменте будут ломаться кривыми руками.
Аноним 25/03/17 Суб 17:57:26  276801
>>276799
> будут ломаться
Пользуюсь китайским аналогом дремеля с гибким валом за 1.5к Врубаю 20к оборотов и ебашу. Эти сверла совсем не переносят изгибающие нагрузки. Только прямолинейная подача.
Аноним 25/03/17 Суб 18:01:06  276802
>>276799
Поэтому надо hss брать. Впрочем, к этим тоже быстро привыкаешь.
Аноним 25/03/17 Суб 18:05:04  276803
>>276802
> надо hss брать
под мелкие диаметры нужен охуенно точный патрон/цанга. Правда подкупают дешевизной, по 70р/десяток
Аноним 25/03/17 Суб 18:05:28  276804
IMG2282.JPG (457Кб, 1600x1200)
Ну можно и так, если совсем нищета.
Аноним 25/03/17 Суб 18:12:44  276805
>>276782
На абразивном камне, ёбана.
Если ты не хуесос криворукий.
Там без разницы, твердосплав или быстрорез.
И на фотках быстрорез. Твердосплавные бывают либо пластины либо напыление. Само сверло не делается твердосплавным, только из быстрореза. Типа Р6М5.
Аноним 25/03/17 Суб 18:14:42  276806
Безымянный.jpg (76Кб, 1000x1000)
>>276805
Сварка карбида пикрелейтед.
Аноним 25/03/17 Суб 18:14:51  276807
>>276804
>BOSCH
>Нищета
Ну охуеть.
Аноним 25/03/17 Суб 18:15:46  276808
>>276805
> Р6М5
Иди нахуй, заводобыдло. На абразивном камне ты только свои совковые сверла на 72 с конусом Морзе точить будешь. Ты в руках держал сверло 0.3мм? Ты режущие кромки без лупы не разглядишь, точило хуево.
Аноним 25/03/17 Суб 18:16:00  276809
>>276806
Пруфы. Твой красный кружочек на фото никого не ебет.
Аноним 25/03/17 Суб 18:17:54  276810
>>276808
>0.3 мм
Это для твоего пениса?)))
Аноним 25/03/17 Суб 18:19:06  276811
>>276809
> Пруфы
http://etechnology.ru/?sec=200&grupp=100&id=10165
>>276810
> Это для твоего пениса?)))
По себе не ровняй.
Аноним 25/03/17 Суб 18:21:01  276812
>>276809
А ты сам не видишь, что сверло темнее хвостовика?
Аноним 25/03/17 Суб 18:24:15  276813
Посоны, собираюсь вкатиться в фоторезистивное травление, брать пленку или аэрозоль?
Аноним 25/03/17 Суб 18:26:53  276814
>>276812
Напыление. Очевидно же.
Аноним 25/03/17 Суб 18:29:32  276815
>>276814
Напыление карбидом вольфрама?
Аноним 25/03/17 Суб 18:29:58  276816
>>276813
Для аэрозоль нужно строить центрифугу для равномерного нанесения, чистую комнату без пыли и прочее. В пленку проще вкатится, но тоже нужны всякие ламинаторы и прочая хуета
Аноним 25/03/17 Суб 18:58:33  276817
>>276268 (OP)
Как постоянный ток преобразовать в переменный?
Аноним 25/03/17 Суб 19:01:07  276818
>>276817
ИНВЕРТОР
Н
В
Е
Р
Т
О
Р
Аноним 25/03/17 Суб 19:10:28  276819
>>276817
Для чего, с какой целью?
В зависимости от потребностей это может быть тупая схемка на двух транзисторах или Full bridge инвертор с кучей обвязки.
Подумай хорошенько, если ты задаёшь такой вопрос - значит тебе это НЕ НАДО.
Аноним 25/03/17 Суб 19:15:27  276820
>>276268 (OP)
Подскажите книгу, где описывается технология производства процессоров.
Аноним 25/03/17 Суб 19:19:12  276821
>>276820
а я был в компьютерном городе
Аноним 25/03/17 Суб 19:24:27  276822
1490317817249.png (160Кб, 500x666)
Что думаете об азбуке электроники от Ю.Ревича?
Она для школяров, конечно, но учитывая то, что я знаю только что красный-плюс, а черный-минус и никогда не подключай что угодно к источнику питания напрямую, может стоит?

И где мне достать рассыпухи разных номиналов, дабы повторять приведенные схемы в книжке? Чипдип или подобное?
Скажем, столько-то резисторов номиналом от столько до столько, еще немного конденсаторов-электролитических и керамических, транзисторов и тд, всякие наборы для начинающих-дороговато выходят, учитывая что большую часть коробки там занимает макулатура.
Аноним 25/03/17 Суб 19:28:29  276823
>>276822
По-хардкору демонтируй с обломков электроники.
Аноним 25/03/17 Суб 19:29:29  276824
>>276822
Киты с али по номиналам.
Аноним 25/03/17 Суб 19:29:32  276825
>>276822
А для ленивых есть бредбоард и наборы деталей на Али.
Аноним 25/03/17 Суб 19:38:00  276827
>>276821
Мне бы что-то по подробнее.
Аноним 25/03/17 Суб 19:44:19  276828
>>276825
>>276824
>>276823
А что по поводу книжки?

Ну и таки али как вариант-долго, конечно, зато можно рассыпухой на год вперед запастись.
Аноним 25/03/17 Суб 19:49:12  276829
>>276805
> На абразивном камне
ЛООООООООООООООООЛЛЛЛ!!!!
Аноним 25/03/17 Суб 19:56:46  276830
>>276819
Эхх, а у меня тут валяется 2 ферритовых колечка диаметром 125мм. По расчетам в программе можно сделать инвертор на 100кВт. Но вот беда, я хуй знает куда это можно применить, вроде сварочник мне не нужен
Аноним 25/03/17 Суб 20:15:16  276831
003.jpg (73Кб, 800x535)
Кто-нибудь разбирается в тонкостях зарядки аккумуляторов?
Вот у меня есть, например, батарея на 7.2 вольт. У неё есть некий номинальный ток разряда и номинальный ток заряда. А ещё у меня есть некий высоковольтный источник постоянного тока. К примеру, выпрямленные 220 из розетки. Их предполагается подавать на аккум короткими импульсами, чтобы средний ток не превышал ток заряда.

Так вот, интересует ли аккумулятор максимальное напряжение источника, или же ему похуй, важен только ток?

Алсо, если дать в аккумулятор одиночный импульс (напр. из конденсатора) с сильным превышением тока заряда, он тупо нагреется или подвергнется необратимым химическим изменениям?
Аноним 25/03/17 Суб 20:32:09  276832
>>276831
Умреш, подумой
Аноним 25/03/17 Суб 20:54:57  276835
>>276830
Ты учти потери в сердечнике, мощность сразу снизится.
>>276831
У аккума есть сопротивление, которое при его заряде нелинейно. Если за этот самый импульс ничего не перегорит или достигнет критических температур то все впринципе будет нормально, где-то была статья в которой указывали что даже в случае быстрого заряда/разряда все распределяется равномерно, но из-за градиента температур срок службы может снижаться. В модельках исползуют торможение, при котором обратно в аккум загоняются большие токи и напряжение может вырастать в 2 раза, и все норм. Но насчет подключения к +310 - хуй знает, может пробить между электродами и аккум загорится от кз.
Аноним 25/03/17 Суб 21:11:29  276838
>>276835
>Ты учти потери в сердечнике, мощность сразу снизится.
прога показывает, что там 8 вт всего потери. дело в том, что у меня высокочастотный феррит, он до 3 мгц может работать.
Аноним 25/03/17 Суб 21:38:27  276839
>>276838
А что за феррит и какая толщина? Можно сделать индукционную печь, например. Но в 8 вт при 100квт прокачиваемой мощности что-то не верится, где-то ошибка.
Аноним 25/03/17 Суб 22:45:32  276847
fg.png (15Кб, 394x334)
>>276839
Не пизжу.
Аноним 25/03/17 Суб 22:47:35  276848
>>276839
>какая толщина
22 мм, проницаемость около 500
Аноним 25/03/17 Суб 22:49:02  276849
>>276848
Материал хуй знает, если честно, спиздил с работы лол
Аноним 25/03/17 Суб 22:53:23  276850
>>276815
Точно.
Аноним 25/03/17 Суб 23:36:07  276851
Scheme.PNG (32Кб, 914x723)
Аноны. На связи поехавший с регулировкой корпусных кулеров от мамки.
Я уже собрал и протестил эту схему. Она работает.
Есть какие-то замечания, дополнения?
Аноны из HW сразу же захотели себе такие же приблуды, ибо это очень удобно. Но я в этом не очень секу. Помогите оптимизировать схему, что бы народ говно не паял.
За схему сорян, первый раз составлял.
Заранее СПОСИБО,
Аноним 25/03/17 Суб 23:41:36  276852
blob (1050Кб, 960x720)
blob (1189Кб, 960x720)
blob (1175Кб, 960x720)
>>276851
Такая вот хуйня.
Но работает. И меня полностью устраивает.
Аноним 26/03/17 Вск 00:23:15  276856
как в спринт-лейауте присоединить общую шину, которая автоматически добавляется, к пину микросхемы?
Аноним 26/03/17 Вск 00:40:24  276858
Нашел где обосрался. R2 не туда воткнул.
Аноним 26/03/17 Вск 00:55:33  276860
blob (39Кб, 950x677)
>>276851
Аноним 26/03/17 Вск 01:45:15  276863
>>276835
А тупо резюком если? Ток заряда нужен 0.2А, напруга 220, мощность 44вт. Значит нужен резюк на 1100ом, который будет срать в воздух 1100*(0.2)^2 = 0.44вт тепла. Т.е. всего 1% от полезной мощности. По-моему неплохо.
Аноним 26/03/17 Вск 04:02:57  276864
Какие могут быть подводные в осциллографе с алиэкспресса за 13к? 1гигасемпл/с и 100мгц, с такими же параметрами подозрительно похожий но якобы фирменный гораздо дороже.
Кто-нибудь покупал такие?
Аноним 26/03/17 Вск 12:28:52  276875
>>276864
Я за 15к покупал, все устраивает.
Аноним 26/03/17 Вск 18:53:43  276891
Есть ардуино. Задача - считывать напряжения порядка десятков милливольт с точность в единицы милливольт. На данный момент: один провод подключен к земле, другой - к А0. Считываю с А0. Все батарейки в доме уже проверил - показания совпадают с вольтметром, но точность хуевая. Можно ли что-то сделать? Вот тут расписано, как можно это сделать http://arduino.stackexchange.com/questions/19913/precision-voltmeter-using-arduino
Но у меня нихуя не работает. Есть какие-то варианты? Есть пачка резисторов, батарейки, 220.
Так же есть странная хуйня - при разомкнутой цепи ардуино выдает либо 0, либо максимальное значение, причем переходит от одного к другому раз в несколько секунд. Почему так?
Аноним 26/03/17 Вск 19:43:40  276894
>>276794 >>276806 >>276829
Господа, обзавелся я тут 3000-м дремелем с 565й насадкой, не поясните про оснастку к нему?
Сверла стоит брать с хвостовиком 3.2 или обычные со специальным переходником?
Делают ли китайцы хорошие отрезные диски или придется резать 125мм от ушм?
Так же нужна прямая фреза камню D3мм L20мм и набор шарошек.
Аноним 26/03/17 Вск 19:59:48  276896
Посоветуйте магаз на ебее где можно запарится нормальными принадлежностями для пайки. Или может у нас есть что годное занедорого с бесплатной доставкой
Аноним 26/03/17 Вск 20:10:37  276897
>>276894
Купи такую хуиту https://www.amazon.co.uk/Dremel-2615448632-Keyless-Quick-Change/dp/B0002SMMY2 и можешь вставлять что хочешь. Держит лучше цанги, не прокручивает. Диски любые подойдут, я покупал безымянные на рынке, ну сталь режут.
Насчет шарошек хз. В китае алмазы дерьмовые, надо с завода брать с паспортом, да и так дешевле получится, если не через охуевших барыг.
Аноним 26/03/17 Вск 21:04:20  276900
есть акб и лампочка.
если к минусу и плюсу акб дать зарадку (плюс и минус соответственно) — акб станет заряжаться и лампочка продолжит гореть?
Аноним 26/03/17 Вск 21:35:47  276902
>>276851
Так действительно хуйня.
Коммутируя питание по земле, ты рискуешь получить пиздец в случае если земляной вывод какого-то из вентиляторов окажется соединен с корпусом.
Хуячить шим в 20-30кгц на длинные провода к вентиляторам гарантия наводок на аудио.
К тому же нет тахометра, нет удержания минимальной скорости, нет перезапуска.
>>276860
R2 лучше уменьшить до 2.7-4.7к.
Аноним 26/03/17 Вск 21:49:09  276903
>>276900
дубль два:
если к акб с подключенной работающей лампочеой подсоединить зарядку — он станет заряжаться?
Аноним 26/03/17 Вск 21:52:45  276904
>>276903
da
Аноним 26/03/17 Вск 21:54:14  276905
>>276904
меня просто смущает что там, где у акб минус, появится плюс зарядника, непонятно как это должно сказаться
Аноним 26/03/17 Вск 22:41:33  276912
посоны, как сделать простенький не особо мощный генератор синусоиды на 200-300кгц?
Аноним 26/03/17 Вск 22:51:08  276914
>>276912 https://www.maximintegrated.com/en/app-notes/index.mvp/id/3846
Аноним 26/03/17 Вск 22:57:40  276915
БЛДЖАД, мой второй мультивибратор тоже не заработал. Ну почему я такой косорукий?
Аноним 26/03/17 Вск 23:07:22  276916
paramst1VD.png (6Кб, 300x170)
Почему в схеме тупого стабилизатора напряжения на стабилитроне балластный резистор стоит перед узлом а не последовательно со стабилитроном?
Когда входное напряжение падает ниже пробивного напряжения стабилитрона и тот выключает резистор же отжирает напряжение от нагрузки. Хотя нужен он насколько я понимаю для ограничения тока через стабилитрон.
Аноним 26/03/17 Вск 23:08:42  276917
>>276916
>выключается
Быстрофикс
Аноним 27/03/17 Пнд 06:02:53  276931
>>276905
Ты его что, обратной полярностью заряжать собрался?
А так если ток потребления лампочки меньше тока заряда - остаток идет в аккумулятор.
Аноним 27/03/17 Пнд 06:04:52  276932
>>276916
На тебе запятых - ,,,,,,,,,,,,,,,,,,,,,,,,,,,,,,,, .
А то без них твоя писанина - мутный поток сознания, разбираться в котором нет никакого желания.
Резистор R1 в схеме стоит последовательно со стабилитроном (и нагрузкой).
Аноним 27/03/17 Пнд 09:00:55  276938
>>276268 (OP)
Какое падение напряжения обычно бывает на 3528 светодиодах в светодиодной ленте (4,8 ватт на метр)? Хочу переколхозить её на 9 вольт, но не уверен, останется ли там хоть сколько нибудь напряжения для резистора. Цвет теплый белый.
больше 2-х вольт, не?
Аноним 27/03/17 Пнд 09:12:28  276940
>>276938
Падение напряжения на всех однокристаллах всегда одинаковое, 2.2 вольта для галлий-арсенидовых (красные, желтые, тусклые зеленые) и 3.4 вольта на галлий-нитридовых (зеленые, белые, синие). Ставь 2 последовательно и 50-70 ом.
Аноним 27/03/17 Пнд 09:17:35  276941
>>276940
ясно, спасибо
Аноним 27/03/17 Пнд 09:41:17  276943
>>276931
у акб есть плюс (который он отдаёт) и минус, заряжать же надо отдавая плюс зарядника в минус акб, на сколько я знаю, получается что там где у лампочки минус — появляется плюс зарядника.
Аноним 27/03/17 Пнд 09:46:25  276944
>>276943
>заряжать же надо отдавая плюс зарядника в минус акб
Слишком толсто даже для ньюфаг треда.
Аноним 27/03/17 Пнд 09:49:37  276945
>>276944
мне так сказали тут когда-то вообще-то, не так чтоли ?
Аноним 27/03/17 Пнд 09:51:54  276946
>>276945
+ к +, - к -.
Аноним 27/03/17 Пнд 09:55:59  276947
>>276945
Рано тебе аккумуляторы заряжать, реально можешь аллах-бабах устроить.
Аноним 27/03/17 Пнд 09:56:58  276948
>>276947
повезло что пока что я их лягушкой заряжал, а там и + с − не указаны, видимо сам пускает ток куда надо.
Аноним 27/03/17 Пнд 11:43:32  276952
>>276940
На самом деле, чем длинноволновей - тем падение меньше (для ИК - около 1.2В, например). Но цифры примерно такие, да.
Аноним 27/03/17 Пнд 13:29:36  276957
>>276952
Большинство уф светодиодов тоже на 3.4в работают. Ик может быть.
Аноним 27/03/17 Пнд 15:26:15  276961
2.jpg (53Кб, 2560x1920)
1.jpg (65Кб, 2560x1920)
Помогите опознать диод, пожалуйста. Предположительно советский, сайты с маркировками не помогли.
Аноним 27/03/17 Пнд 15:40:50  276964
>>276961
Х3-9Е6У
Аноним 27/03/17 Пнд 16:44:45  276976
если зарядник издаёт какойто звук похожий на писк, которого раньше не было — его лучше выкинуть?
такой звук я когда-то слышал при замыкании.
хотя он работает.
Аноним 27/03/17 Пнд 16:48:30  276977
>>276976
Разбери, капни капельку суперклея в трансформатор и высуши. Скорее всего пищать перестанет.
Аноним 27/03/17 Пнд 16:50:12  276978
>>276976
и пищит только когда заряжает.
>>276977
>трансформатор
это самая большая катушка ?
Аноним 27/03/17 Пнд 17:06:16  276981
Как буферизовать выход с 555 без искажений? Мосфет замыливает углы чуток, как НЧ фильтр, видимо из-за своих емкостей. Не понимаю как вообще мосфеты всюду используют для PWM, если они так искажают. На десятки наносекунд фронты замедляют!
Аноним 27/03/17 Пнд 18:25:18  276990
говорят что в usb type c сигнал поступает ко всем одинаковый, т.е. и хаб это просто разветвитель чтоли ?
Аноним 27/03/17 Пнд 19:38:16  276994
>>276981
>буферизовать выход
что ето значит?
Аноним 27/03/17 Пнд 19:47:40  276995
>>276981
Это ёмкость затвора работает.
Смотря какая частота pwm, если фронты критичны, став драйвер для мосфета.

Филиал /hw/ Аноним 27/03/17 Пнд 20:44:20  277004
Пацаны, поясните пожалуйста за компоненты питания у свежих AM4. Обзоров нет, нихуя нет, вся надежда на вас. Что взять-то?
Оригинал: [нем]
https://www.hardwareluxx.de/community/f12/am4-mainboard-vrm-liste-1155146.html

Перевод на англ:
https://translate.google.ru/translate?hl=ru&sl=auto&tl=en&u=https%3A%2F%2Fwww.hardwareluxx.de%2Fcommunity%2Ff12%2Fam4-mainboard-vrm-liste-1155146.html

Аноним 27/03/17 Пнд 21:53:06  277006
>>276994
Чтобы нагрузка не сажала и всячески не портила квадратную волну которую, гонит 555. Нужен какой-то буфер с высоким вх сопротивлением и желательно низким выходным.

>>276995
Фронты не критичны, у меня сугубо анальная заморочка, хочу попыться получить неискаженные фронты хотя бы на низких частотах. Просто у 555 оказывается достаточно крутые фронты - порядка 10нс и такую красоту любой мощнный мосфетник размазывает до 50-100nнс. Вероятно потому что у них Rdson низкий, а у таких емкость затвора неебеическая, может даже нанофарад достигать в военное время. С практической тз пох, но я понял идею про драйвер. Незря они отдельно замороченные чипы, им видимо можно доверять.

Меня еще другое озадачило - я пробовал пяток ОУ в качестве буфера, и не один нормально не работает. Или вообще сигнала нет или какие то искажения неебичиские. Даже на низкой частота порядка десяток кгц. Что за херня?

Аноним 27/03/17 Пнд 22:02:03  277008
Сап радач, обращаюсь за помощью. В тюнере от спутниковой тарелки SR-55x, а конкретно в схеме БП, вспух конденсатор, как я думаю в следсвии этого взорвалась микросхема DM0265R и сгорел предохранитель. Если я все это заменю на новое, то должно заработать или причина не в этом?
Аноним 27/03/17 Пнд 22:45:47  277014
>>276961
На КД209Б похож.
Аноним 27/03/17 Пнд 22:49:32  277015
>>277004
> Пацаны,
Пошёл нахуй педик.
Аноним 27/03/17 Пнд 23:01:09  277017
LM3886 AMP.gif (57Кб, 1024x584)
Расскажите, почему где-то GND, а где-то SGND и что мне с этим делать?
Аноним 27/03/17 Пнд 23:08:13  277019
>>277015
Могу назвать тебя довочкой или пидором, как пожелаешь.
Аноним 27/03/17 Пнд 23:21:30  277020
>>277017
Вероятно, хотели сигнальную землю вести отдельно, чтобы она не имела взаимного влияния (интерференции) с основной землёй. Делается это для того, чтобы скачки тока в одной земле не имели влияния на другую землю.
Аноним 27/03/17 Пнд 23:25:18  277022
LM3886 AMP.gif (50Кб, 1024x584)
>>277020
Ок, а как мне это монтировать?
Аноним 28/03/17 Втр 00:06:22  277029
>>277022
В даташите есть разводка печатной платы. Посмотри внимательно.
Аноним 28/03/17 Втр 06:09:19  277040
>>277014
О, погуглил, действительно похож. Если и не он, то из этой серии, спасибо.
Аноним 28/03/17 Втр 07:34:45  277041
>>277008
Бамп вопросу
Аноним 28/03/17 Втр 08:45:18  277044
PqUf0tTRLzk.jpg (263Кб, 1920x1080)
САП, двач. Есть вопрос. На пике - ротор генератора, у которого стоят постоянные магниты. И катушка с 2-мя обмотками. Сопротивление одной обмотки 13 ом, второй 25. Проблема в том, что я нихуя не запомнил, на какой провод должен идти плюс, и на какой минус. Должно быть так: один провод на минусе, один провод на управляющем контакте генератора, и два на плюсе. Если провода перепутать то поле катушки будет не совпадать с полем ротора, и будет недозаряд. Как узнать полюс ротора? Как узнать, куда цеплять плюс на катушки, чтоб поле совпадало?
Генератор с теплохода
Аноним 28/03/17 Втр 08:56:09  277045
>>277008
Скорее всего больше ничего не сдохло. На всякий случай проверь диоды в горячей части.
Аноним 28/03/17 Втр 08:59:01  277046
>>277041
гадалка в отпуске
Аноним 28/03/17 Втр 09:30:30  277049
Почему заземление делают какой-то странной оплеткой?
Аноним 28/03/17 Втр 09:32:55  277050
>>277049
Чтобы обеспечить гибкость соединения
Аноним 28/03/17 Втр 09:39:47  277051
>>277050
Почему неизолированная?
Аноним 28/03/17 Втр 09:52:51  277052
>>277051
Чтоб видеть целостность соединения. Допускается.
Аноним 28/03/17 Втр 10:57:47  277060
>>277006
У 555 и так выход весьма мощный (600 мА емнип). Соответственно, если тебе нужно что-то лучшее - ищи специализированные драйверы затвора с током 2-3А от IR.
Разумеется ОУ тут не годятся.
Аноним 28/03/17 Втр 11:00:21  277063
>>277022
Сигнальная земля - отдельная связанная с предусилителем (с разъемом в твоем случае). С корпусом усилителя соединяется или та или другая. Я бы соединял сигнальную.
Аноним 28/03/17 Втр 11:01:43  277064
>>277044
Мало информации. Дай схему генератора - подскажу.
Аноним 28/03/17 Втр 11:02:35  277065
>>277052
Даже рекомендуется, а иногда и требуется.
Аноним 28/03/17 Втр 11:18:09  277069
uSJdaqKfA8w.jpg (391Кб, 1920x1080)
>>277064
Не, мужик, дело то не в схеме. Где на генераторе плюс, минус, вывод управляющего контакта известно. Проблема именно в магнитном поле катушки. Известны начала и концы этих двух катушек, но не известно, какого полюса магниты на роторе.
Я ща додумал, что найти где север и юг на катушках можно по правилу правой руки, а воть с МП роторных магнитов чёт ХЗ. Вот, фотка моста, просто так.
На других генераторах, типа некоторых камазов, всяких МТЗ-40 тоже такая же конструкция, но там можно на стенде сразу провода переставить, если не угадал с полярностью. А у этого дерьма шкив не ремень, а ёбаная муфта (как у мотака урана на кардан крестовина), и его на стенде хуй покрутишь. Да и здоровый он пиздец
Аноним 28/03/17 Втр 12:36:54  277081
Здравствуйте технач.
У меня не работает БП от стационарного компьютера. Просто при включении блока питания куллер не крутится, когда куллер подцеплял отдельно к другому адаптеру он крутится. Смотрел на предохранитель на плате блока питания вроде провод в капсуле цел, правда идет как то по диагонали он, ни чего паленого внутри нету. Выходит моторчик исправен, предохронитель исправен. Где то цепь прервалась или выгорел элемент платы ?

Хочу починить сам, что для этого потребуется ?
Знаю что придется вычислять где прерывается контакт. Каким прибором это делать ? как заменять элементы ? В какие магазины надо будет бегать ?
Аноним 28/03/17 Втр 13:04:22  277083
>>277069
>но не известно, какого полюса магниты на роторе.
Купи компас и не еби себе мозги.
Аноним 28/03/17 Втр 13:28:22  277084
>>277083
Нет возможности, есть другие варианты?
Аноним 28/03/17 Втр 14:14:20  277099
>>277084
Ведро воды, пробка, иголка...
Аноним 28/03/17 Втр 14:20:06  277100
>>277017
Нахуя такую сложную схему городить?
Аноним 28/03/17 Втр 14:22:09  277101
>>277099
Ну ёбана((
Аноним 28/03/17 Втр 15:05:20  277109
Зачем в некоторых устройствах заземление на корпус, с учетом того, что заземления в розетке нет вообще? На что это влияет?
Аноним 28/03/17 Втр 15:26:29  277116
>>277109
Потому что эти устройства рассчитываются как если бы заземление было.
Аноним 28/03/17 Втр 16:31:16  277125
>>277113
пишу
https://2ch.hk/ra/res/277078.html
Аноним 28/03/17 Втр 17:16:39  277130
>>277116
То есть без заземления это не просто бесполезно, но ещё и опасно?
Аноним 28/03/17 Втр 17:34:39  277131
Анонs на сколько ватт такой круглячек? Хули там написано 800, так мало
https://ru.aliexpress.com/item/OD-102mm-1-67-ID-65mm-1-07-T-20mm-0-79-large-watt-800W-toroidal/32246251952.html
Аноним 28/03/17 Втр 17:37:50  277132
>>277131
на 800.
Аноним 28/03/17 Втр 17:41:06  277133
>>277130
всё опасно
не видел что ли молнию на электрощитах?
>>277131
китаец ошибся, а тебе не мешало бы ознакомиться с даташитом на материал и научиться читать трансформаторы
https://product.tdk.com/info/en/catalog/datasheets/ferrite_mn-zn_material_characteristics_en.pdf
Аноним 28/03/17 Втр 17:41:31  277134
>>277133
>читать
считать
Аноним 28/03/17 Втр 17:43:00  277135
>>277134
>считать
шатать.
Аноним 28/03/17 Втр 17:44:58  277136
>>277135
дрочить
Аноним 28/03/17 Втр 17:45:07  277137
>>277135
ряяяяяяяяяяя
колоть ебучее ферритовое кольцо
Аноним 28/03/17 Втр 17:46:55  277139
>>277133
как считать трансформатор, если я не знаю материал феррита?
Аноним 28/03/17 Втр 17:55:31  277142
Поясните, у многожильного провода сопротивление, связанное со скин-эффектом, такое же как у одножильного с тем же сечением, или нет?
Аноним 28/03/17 Втр 18:00:32  277143
>>277139
тебе написали - PC40
Аноним 28/03/17 Втр 18:08:41  277147
>>277143
где написали? что ты мелешь?
у меня ферритовые колечки, на которых ничего не написано, магнитную проницаемость измерил, вышло 10000 - 12000.
Аноним 28/03/17 Втр 18:18:37  277150
LM3886 AMP.gif (50Кб, 1024x584)
>>277063
то есть вот так? Я не совсем понимаю про корпус. Мне что, обязательно в алюминиевый выбирать?
Аноним 28/03/17 Втр 18:24:08  277151
Начитался дихальта и хочу купить деталек. Чипдейл дорогой, с али долго и у разных продаванов.
Есть русге магазины с нормальными ценами? Я нагугливал всякие, но уж очень убогие сайты, выглядят как шарашкины конторы, но если анон там брал, то я ок с этим.
Аноним 28/03/17 Втр 18:30:53  277152
>>277151
Терраэлектроника, Платан, Компел
Если срочно то ЧипДэйл только через интернет, а так, наперед заказывай всякие резистор- конденсаторпаки на Али
Выключатель на длинных проводах Аноним 28/03/17 Втр 18:48:29  277156
10m.png (53Кб, 510x565)
Двач, есть одна длинная линия на конце которой есть выключатель. НУЖНО детектить включен он или нет. Ардуинкой, да. А также хочется опторазвязки. Но ЕСТЬ ПРОБЛЕМА. Кабель проложен в шлейфе других кабелей, которые дают на него наводки (привет кетайским говнодевайсам без фильтров). Стандартные 110 примерно в хорошую погоду. Так вот как красиво это реализовать.
Сам набросал три наивных варианта на пикрелейтед:
Вариант А просто тупо через резистор. Второй вариант с шунтирующим резисторим. И третий с шунтированием самой линии в придачу, типа делитель с изменяемым напряжением.

Подскажите как это делается правильно. Или хоть какие ключевые слова гуглу задавать про эту тему.
Аноним 28/03/17 Втр 18:55:51  277157
lm1036.gif (17Кб, 1030x534)
Посоны, такая вота мысля.
Есть у меня звуковуха внешняя, лексикон альфа, на ней нет регулировок тембра, а ручка громкости маленькая и ход тяжелый.
Задумался о темброблоке, нашел такую схему, которая вроде как не сильно шумит и прочее. Собрать такое, хорошую пленку туда поставить, питалово будет импульсное, но я усрусь и сделаю как можно меньше пульсаций.
Никто таким вот не занимался? Может подскажет чего
Аноним 28/03/17 Втр 20:22:58  277172
>>276902
>получить пиздец в случае если земляной вывод какого-то из вентиляторов окажется соединен с корпусом
Корпус изолирован от БП, маня. Он крашеный.
>К тому же нет тахометра
Тахометр не нужен.
>нет удержания минимальной скорости, нет перезапуска.
Кулерами управляет SpeedFan.
Аноним 28/03/17 Втр 20:23:47  277173
d5d54d3be03f4c7[...].jpg (121Кб, 500x660)
Анон, есть у кого Сворень Электроника шаг за шагом в таком качестве чтобы там был распознан текст и вообще было адекватное форматирование, чтобы можно было залить на планшет или ебук и читать комфортно?

Уже несколько вариантов скачал, все какой-то вырвиглазный пиздец.
Аноним 28/03/17 Втр 20:33:36  277176
Когда блок питания переключается из режима напряжения в режим ограничения тока, там что-то щелкает (скорее всего реле). Зачем это?
Аноним 28/03/17 Втр 20:43:02  277179
IMG201703282013[...].jpg (475Кб, 2592x1456)
Завидуйте сучечки! Я ща починю эту божественную плату и буду майнить все битки!
Аноним 28/03/17 Втр 20:47:26  277180
>>277150
земли соединяются по принципу дерева. Сигнальные и силовые сводятся в одну точку равноудаленнуюв идеале от всех "концов", потом эти точки соединяются между собой.
Алюминиевый корпус желателен, но решать один хуй тебе.
>>277152
элитан. Крайне желательно уметь гуглить partnumberЫ элементов. Анон выше прав, сперва стоит заказать стандартные ряды резисторов\конденсаторов, если конечно у тебя радиорынок не под боком.
>>277156
шунт, ОУ, оптопара. А вообще ты поехавший.
>>277157
звук после этого будет так себе
>>277176
переключаются стабилизаторы
и еще чтоб релюшка быстрее выгорала
Аноним 28/03/17 Втр 20:52:06  277182
>>277180
спасибо тебе за совет мудрый.
Просто соединю их все, я ж криворук
Аноним 28/03/17 Втр 20:57:41  277183
>>277152
Пошел таки лазить по али и охуел. Радиопары по 15 рублей. Какие-то экранчики сервы хуервы всякие примочки. Макетки по десятке.
У меня истерика щас начнется.
Аноним 28/03/17 Втр 21:08:14  277191
>>277142
бамп вопросу
Аноним 28/03/17 Втр 21:12:57  277193
>>277183
Ну и хуль что долго и от разных продаванов? Такое препятствие серьёзное?
Аноним 28/03/17 Втр 21:16:33  277195
>>277193
Уже вижу что нет. Еще бы найти способ купить у одного барыги одним пакетом и сэкономить на доставке.
Аноним 28/03/17 Втр 21:17:01  277196
>>277193
Препятствие в том, что ебливая почта теряет до 50% посылок (в моем случае, заказывал овер 200 заказов). Вот ты ждешь 3 месяца ебучий заказ, ждешь 4-й месяц и рефундишь деньги, заказываешь снова и ждешь опять 3 месяца, опять рефундишь деньги, опять 3 месяца ждешь и всё пиздец ЁБАНЫЙ ГОД ПРОШОЛ И ХУЙ ТЕБЕ, А НЕ РЕЗИСТОРЫ ГРОБ ГРОБ КЛАДБИЩЕ ПИДОР
Может к 50 годам и соберешь детали на махарайку, и то не факт.
Аноним 28/03/17 Втр 21:19:36  277197
>>277193
Так и с местных магазов тоже будет терять, или ты думаешь, что узкоглазая почта - крупнейшая в мире - не умеет работать?
Аноним 28/03/17 Втр 21:21:13  277199
>>277197
Доставка через евросеть ничего не теряет и доставляет за 2-4 дня. Но цены в чипидипе такие конские, что ты обосрешься.
Аноним 28/03/17 Втр 21:22:42  277200
>>277196
> до 50% посылок
Ну зачем ты такой пиздобол?
Ни одной посылки не потеряли.
мимобольшесотнизаказов
Аноним 28/03/17 Втр 21:23:59  277201
>>277200
Ни разу не пизжу. На полном серьезе, они потеряли 3 посылки с текстолитом. Я ёбаный год ждал текстолит этот ебучий.
Аноним 28/03/17 Втр 21:24:20  277202
>>277199
Думаю даже при 80% потерь китайцы дешевле этого ебучего чипдипа для хипстеров.
Аноним 28/03/17 Втр 21:25:21  277203
>>277202
Да с этим никто не спорит.
Аноним 28/03/17 Втр 21:26:23  277204
>>277201
> овер200заказов
> потеряли 3
> 50%
Разве гуманитарии бывают радиолюбителями?
Аноним 28/03/17 Втр 21:28:39  277205
>>277202
> китайцы дешевле
СТМовские контроллеры дешевле в Платане брать, кроме разве что stm8s003f3u6
Аноним 28/03/17 Втр 21:29:03  277206
PICT0852.JPG (315Кб, 1493x1120)
Нет ли у кого готовых схем этой штуки.
(управление газовой колонкой амина)
Аноним 28/03/17 Втр 21:31:37  277207
>>277204
Это был пример, маня ты глупая. Они дохуя посылок проебали, 70-90 точно. Вот последний месяц я не могу доделать махарайку, потому что сраная почта уже 2 раза проебывает посылки с нужно микросхемой.
Аноним 28/03/17 Втр 21:32:40  277208
>>277206
Нарисуй сам хуле. Дип элементы, односторонняя плата.
Аноним 28/03/17 Втр 21:34:29  277209
>>277208
Ониж её снизу залили, нехотелось обдирать.
Аноним 28/03/17 Втр 21:35:32  277210
>>277208
Так ещё и надпись на микросхеме содрали!
Аноним 28/03/17 Втр 21:47:49  277213
>>277207
Есть подозрения хотя бы, где именно проебывается? Трек смотрел? Может это местное отделение у тебя особо охуевшее.
Аноним 28/03/17 Втр 21:50:42  277215
>>277213
Там нет трека, дешевле 5 баксов не отслеживают вроде бы.
Аноним 28/03/17 Втр 22:05:13  277219
Суть такова - есть плата с отвалившимся 3.5 разьемом, есть (будет) новый разьем, но другой, не такой как был. Хочу припаять к нему провода, а их к плате. Из проводов есть только довольно толстый кусок медного провода, так вот вопрос, сколько жилок из него вытащить на каждый из трех проводков (правый, левый и земля)?
Аноним 28/03/17 Втр 22:08:01  277220
>>277219
Сойдет и одна жилка. Видел, какие провода в наушниках? Похуй вообще. Главное чтобы норм запаялось.
Аноним 28/03/17 Втр 22:12:39  277221
>>277220
Тогда две-три для жесткости оставлю. Алсо, кембриком получится изолировать такую хуйню, лол?
Аноним 28/03/17 Втр 22:15:47  277222
>>277215
Всегда доплачиваю 100 рублей, чтоб нормальной почтой отправляли.
Аноним 28/03/17 Втр 22:17:03  277223
>>277221
Главное чтобы не касались, очевидно же. Я обычно такой колхоз заливаю термоклеем.
Аноним 28/03/17 Втр 22:19:28  277224
>>277223
Ну там расстояние от платы до гнезда будет сантиметра три-четыре, просто чтобы удобнее паять было. Как соберу, могут закоротить, поэтому и хочу закатать в кембрик
Аноним 28/03/17 Втр 22:20:15  277225
>>277224
В смысле, вопрос был не выдержит ли кембрик, а сядет ли он (при условии что греть буду зажигалкой)
Аноним 28/03/17 Втр 22:33:21  277227
>>277222
лол, какой еще нормальной? за нормальную ты тысячи 2-4 доплатишь. А иначе в любом случае рашкопочтой будет.
Аноним 28/03/17 Втр 22:53:51  277229
>>277227
По крайней мере трекается. С треками ссут воровать. Ни одной посылки за последние 2 года не потерялось. Очень много заказываем и я и жена.
Аноним 28/03/17 Втр 22:59:29  277230
А как заставить продавана упаковать несколько лотов в один мешок, кроме как писать ему в лс?
Аноним 28/03/17 Втр 23:02:52  277232
>>277229
хм, ты заставил меня задуматься, надо тоже попробовать.
но с другой стороны и с треком тоже бывает зависает где-нибудь навсегда
Аноним 28/03/17 Втр 23:04:27  277233
>>277232
Тогда ты просто трясешь отделение, подаешь на розыск, вся хуйня.
Аноним 28/03/17 Втр 23:05:40  277234
>>277084
Вставляешь катушку в ротор, включаешь ток, берёшь гирьку на нитке, подвешиваешь рядом так чтобы не прилипла гирька а тока притянулась.И те концы что дадут большее притяжение и есть обмотка возбуждения. Ты мудила обмотки сфотай. Нахуй мне твой мост?
Аноним 28/03/17 Втр 23:06:37  277235
>>277233
думаешь они будут искать хуйню за 50 рублей?
Аноним 28/03/17 Втр 23:08:07  277236
>>277235
100 хуевин по 50 это уже 5000!
Аноним 28/03/17 Втр 23:11:33  277237
>>277195
https://www.aliexpress.com/store/1962508?spm=2114.12010610.0.0.Zmkkx3
https://www.aliexpress.com/store/1022067?spm=2114.13010608.0.0.uQRir5
https://www.aliexpress.com/store/110055?spm=2114.13010608.0.0.epbjFE
Аноним 28/03/17 Втр 23:20:25  277238
>>277230
Кучей берешь корзину и разом покупаешь, выбирай одну и ту же службу доставки, он один трек-номер даст на весь заказ.
Аноним 28/03/17 Втр 23:22:11  277239
>>277238
То есть кучей у любого одного китайца, или где-то там у них это указано?
Аноним 28/03/17 Втр 23:23:50  277240
>>277239
Перед оплатой покупки рассортируются по продавцам, под каждым будет кнопка buy from this seller.
Аноним 28/03/17 Втр 23:55:39  277243
Нужен анон у которого есть Р-168 в любом варианте.
Аноним 29/03/17 Срд 00:22:29  277246
На днях нашлась Р-147 и Р-147П
Можно ли где-то купить батарею "Акция"? Или просто заменить на эквивалентную? Тех описание сказало мне, чтоб ничего другого я туда не пихал, а то сгорит вместе с хатой.
Аноним 29/03/17 Срд 01:18:26  277252
>>277180
>звук после этого будет так себе
Чому? ЦАП у меня заебатый, микруха сама тоже вполне себе. Вообще темброблок перед усилком ставится конечно, но пока нет планов на него
Аноним 29/03/17 Срд 02:16:00  277254
Такой вопрос. Чем запаять банки никель-кадмиевого аккумулятора? Разобрал пару аккумуляторов для шуруповёрт. Глянул видос на ютубе, про то что в них можно долить дис. воды и ёмкость частично восстановится. Сделал так же. Аккуратно просверлил, залил, запаял обычным оловом. Стал заряжать. Ёмкость и правда восстановилась. Напряжение на всех банках стало одинаковым. Но где-то через несколько часов, банки потекли. В месте пайки просто разъело олово. Там электролит - обычная щёлочь, чем запаять что бы было крепко и не проело. Так как способ востановления годный, таким образом можно все дохлые банки восстанавливать. Вопрос только в повторной герметизации.
Аноним 29/03/17 Срд 02:30:20  277255
Столкнулся с почти такой же бедой как в этом видео
https://www.youtube.com/watch?v=okE4fEkEjSc
только у меня мат. плата от жк телека (не дешевого!)
Оторвал пару десятков деталей пинцетом, практически без усилий. Детали снимаются вместе с припоем, а на плате остается голая медь. Чинить не стал, т.к. надо перепаять всю плату. Следов влаги не обнаружил.
От чего такое происходит? Если плата изначально была бракованная, то как она БЕЗ ПРОБЛЕМ проработала, со слов хозяев, около 5 лет?
Аноним 29/03/17 Срд 02:37:32  277256
master1.gif (131Кб, 1280x873)
Хочу себе собрать дозиметр по типу вот такого, но все микросхемы заменить на один аттини/атмегу и дисплейчик 1602 или типо того поставить.
С микросхемами вроде все понятно, но прошу пояснить как идет сам подсчет - как я понял счетчик Гейгера генерит импульсы, К176ИЕ5 считает секунды, в начале оно считается в мкР/с и уже потом переводится в мкР/ч, а мкР/с это количество импульсов от счетчика Гейгера в секунду, так?
Аноним 29/03/17 Срд 07:41:14  277261
>>277191
вопрос поставлен аутистом
на постоянном токе сопротивление обоих проводов одинаково, если одинаково их сечение. С ростом частоты начинает проявляться скин-эффект, у одиночного проводника он проявляется сильнее. На сколько - вопрос расчетов.
>>277254
>чем
ничем, не занимайся дурью
Аноним 29/03/17 Срд 07:52:48  277262
poke700.jpg (260Кб, 700x450)
>>277255
Видать, не только в совке под конец отчетного периода торопятся план сдать. Дороги не залужены, такое ощущение, что или флюс забыли, или печку не довели до рабочей температуры.
>как она БЕЗ ПРОБЛЕМ проработала
Ну один мой знакомый в школьные годы делал радио на скрутках, и ничего, год работало, потом затухло, провода окислились и привет.
Аноним 29/03/17 Срд 08:43:54  277264
>>277255

Потому что кококо экология кококо бессвинцовый припой кококо паяет. Из-за этой же хуйни и красные огни на хуящике 360.
Аноним 29/03/17 Срд 09:00:35  277267
Поцаны как поять??????????
Аноним 29/03/17 Срд 09:04:50  277268
>>277255
Ну и лах, достаточно было прогреть феном.
Аноним 29/03/17 Срд 09:11:54  277270
>>277267
аккуратно, ёба!
Аноним 29/03/17 Срд 09:32:53  277272
>>277270
Я пояю оно не пояеца!!! У жадные пидары-петарды ниновижу!!!! НИМОЖЕТЕ ПОМОЧ
Аноним 29/03/17 Срд 09:39:02  277275
>>277151
Если не по одной штуке брать, то Элитан годный поставщик.
Аноним 29/03/17 Срд 09:47:08  277277
>>277235
Будут. Там сейчас с этим строго.
Аноним 29/03/17 Срд 10:12:57  277280
>>277277
Инсайдер в этом итт, все в трек-номер.
Аноним 29/03/17 Срд 10:55:38  277281
>>277267
Паяльником.
Аноним 29/03/17 Срд 11:22:28  277282
sheet2.png (28Кб, 640x400)
>>277180
> шунт, ОУ, оптопара. А вообще ты поехавший.
Поехавший да. Но бля заебись ответ уровня ньюфаг треда. И как теперь из этой блоксхемы построить принципиалку а? Пиздос. Давай я попробую угадать.

Итак шунт. Предположим - шутн межту проводами линии, чтоб гасить помеху. Занчит добавим ещё резистор и получим стандартный делитель. Нижний резистор которого замыкается удаллённым выключателем. Ага, вот это дерьмо мы и будем мерять операционником. Замкнуто - ноль разумкнуто - 12 с хуем. Ну логично чё.
Но может выкинуть нахуй операционик? Может тогда тупа кнопкой гасить оптрон ? как на пкрл?

Аноним 29/03/17 Срд 12:54:22  277286
>>277282

Помимо этого креатива по прежнему актуален вопрос, как нагуглить решения этой проблемы.
Аноним 29/03/17 Срд 14:12:18  277291
>>277282
Ну бля допустим у тебя будет наводиться ЭМИ как при ядерном взрыве. Тогда ставь релюху. Это надёжно.
Если ЭМИ послабее (ну там за сопкой кузькину мать ёбнули) - ставь саппрессоры-конденсаторы-резисторы с обеих краёв линии.
Эх, щас бы поебать себе мозги почитать диздоки на витуху\телефонию etc и скроить целую ёба-схему с защитой от грома и молнии.
сега сага 29/03/17 Срд 14:53:33  277296
>>276891
Ебучие ардуиношкольники, которые основ не знают. Точный мультиметр на ардуине ты не сделаешь никогда, только если не будешь разбивать напряжение на части. То, что твой говнокод не работает, вина либо твоя, либо китайца, который продал тебе хуёвую мегу. Резисторами можешь хоть обмазаться, как говном. В прочем - последнее ты итак сделал. Последний вопрос - потому-что мать твоя шлюха, сын собаки. Подтягивай высокоомным резистором к нужному потенциалу, чтобы не скакало.
Аноним 29/03/17 Срд 14:55:45  277298
>>277267
Пояльником.
Аноним 29/03/17 Срд 15:04:39  277300
>>276891
Раз уж так бомбануло у анона сверху...
Короче ардуина - вещь тупая и немощная. И без костылей не может ничего! Запомни это!
Что бы ты не захотел, что бы не удумал - всё нужно делать костылями шилдами.
Для твоего случая нужен шилд с вольтметром. Например ADS1115.
Аноним 29/03/17 Срд 15:08:40  277301
>>277234
> И те концы что дадут большее притяжение и есть обмотка возбуждения
О, вот это заебись, спасибо, сделаю импровизированную градацию.
> Нахуй мне твой мост?
Прост. написал ж.
А по обмоткам - у них разное сопротивление, и я чёт не могу догнать, какая постоянно под напряжением, а какая регулировочная. Фоткать хуй знает что ещё. На валу две катушки, одна внутренняя, другая - наружняя. У внутренней обмотки - 25 ом, у наружней - 13 ом. Канцы и начала обмоток видны.
Ну, попробую ещё раз сфоткать завтречко
Аноним 29/03/17 Срд 15:15:41  277302
>>277300
>Раз уж так бомбануло у анона сверху...
Короче ардуинщик - вещь тупая и немощная. И без костылей не может ничего! Запомни это!
Что бы ты не захотел, что бы не удумал - всё нужно делать костылями шилдами.
Для твоего случая нужно научиться пользоваться головой. Ну или подсмотреть людские решения в интернете.
Аноним 29/03/17 Срд 15:16:22  277303
>>277300
Хуй знает что там у вас с ордуиной, но насколько я помню у атмеги 10-разрядный ацп.
В чем проблема?
мимокрокодил
Аноним 29/03/17 Срд 15:20:58  277304
>>277303
Проблема в кривых БИБЛИАТЕКАХ и кривой аналоговой части. Пердуинщики же.
Аноним 29/03/17 Срд 15:24:46  277305
13706234511432.jpeg (44Кб, 604x454)
Просто предложил доступное интеллектуальному большинству решение.
Аноним 29/03/17 Срд 15:27:09  277307
>>277304
пнятненько, но в целом мне тоже интересно, как измерять напряжения в пределах 200мВ? там же помехи идут +-50мВ всегда как не подтягивай
Аноним 29/03/17 Срд 15:30:03  277308
>>277301
> У внутренней обмотки - 25 ом
А ты как думаешь?
Ещё и провуд одной толщины?
Аноним 29/03/17 Срд 15:39:49  277309
>>277261
>у одиночного проводника он проявляется сильнее.
Разумеется я подразумевал одну и ту же частоту (высокую).
То есть если я возьму одножильный провод с сечением 1кв.мм и 10 проводков с сечением 0.1кв.мм, то во втором случае сопротивление на вч будет меньше?
Аноним 29/03/17 Срд 15:46:52  277310
>>277309
Да.
Аноним 29/03/17 Срд 16:01:59  277314
Как называлась такая совковая хуита, которую надо было отмачивать в ацетоне после батиных яиц, а потом она усаживалась на кукан?
Аноним 29/03/17 Срд 16:05:09  277315
>>277314
КЕМБРИК?
Аноним 29/03/17 Срд 16:28:06  277317
>>277308
> А ты как думаешь?
Блядь, я долго думал над твоим вопросом, и и нихуя не понял его. Что за дичь?
Аноним 29/03/17 Срд 16:28:38  277318
>>277314
Может жидкая резина? Камеры клеить
Аноним 29/03/17 Срд 16:29:52  277319
>>277308
> провуд одной толщины
на фотке видно сечения проводов.
Аноним 29/03/17 Срд 16:46:42  277321
>>277317
Да он шизик ,таких много тут
Аноним 29/03/17 Срд 16:47:57  277322
в чем профит пиздить медь? разве дохуя профитно сраных 200 рублей за килограмм?
Аноним 29/03/17 Срд 16:49:24  277323
>>277322
Зависит от масштаба. Да и она дорогая по приёмке. Напиздишь кучу и заебись выйдет.
Аноним 29/03/17 Срд 16:50:30  277324
IMG2.jpg (83Кб, 832x624)
>>277282
надеюсь хоть считать резисторы в этом дерьме ты меня не заставишь?
Аноним 29/03/17 Срд 16:50:47  277325
>>277315
>>277318
Ну такая усадка жесткая, ею ещё все соединения были залеплены. Белая. Недавно утюг раскручивал, там её было многою. В ацетоне становилась мягкой и большой, натягиваешь и сушишь, она усаживается.
Аноним 29/03/17 Срд 16:51:20  277326
>>277322
не 200, а 280-350 рубчиков. Когда в голове двач, это кажется большими деньгами.
Аноним 29/03/17 Срд 16:51:49  277327
>>277325
это ПВХ трубка
Аноним 29/03/17 Срд 17:16:41  277330
>>277307
>200мВ
Ты издеваешься? Пилил как-то на меге8 и аналоговом датчике температуры lm335az, так там при изменении температуры на один градус напряжение менялось на 10мВ. И все работает как часы до сих пор, хотя на аналоговую часть я вовсе забил, поставив лишь парочку кондеров в нужных местах, правда еще запилил программное усреднение показанийтипа 64 раза меряешь напряжение, складываешь, потом делишь на 64.
Аноним 29/03/17 Срд 17:17:32  277331
>>277330
>Пилил девайс
быстрофикс
Аноним 29/03/17 Срд 17:19:52  277332
>>277330
Ну и хули? Десяти бит ардуины хватает, чтобы 5мВ различать. Мы говорили про ТОЧНОЕ измерение в этом пределе.
Аноним 29/03/17 Срд 17:23:52  277333
>>277332
Бля, жопой читаю, прочитал как измерение с погрешностью в 200мВ. Усиливай операционником свои миливольты хотя бы в десятки-сотни, хули ты как маленький?
Аноним 29/03/17 Срд 17:25:16  277334
>>277333
Хули ты мне про это говоришь? Это я знаю, про 200мВ другой ебоклак писал
Аноним 29/03/17 Срд 18:33:22  277338
am.png (9Кб, 400x256)
Почему амплитудная модуляция рисуется как на верхнем пике. Если модулировать один синус другим например на транзисторе, они же оба будут подниматься опускаться как на нижнем. Как им удается зеркальное отображение получать?
Аноним 29/03/17 Срд 19:00:43  277340
>>277338
Постоянная составляющая отрезается конденсатором.
Аноним 29/03/17 Срд 19:11:30  277344
>>277338
В первом случае идет перемножение сигналов.
Во втором - сумма сигналов.
Аноним 29/03/17 Срд 19:51:52  277345
>>277206
Зачем тебе?
Аноним 29/03/17 Срд 19:55:23  277346
>>277179
У меня в подвале таких с десяток
Думаю загнать барыгам лет так через 10
Аноним 29/03/17 Срд 19:55:30  277347
TL.png (40Кб, 400x600)
>>277324
А можно было?
Собственно это я в тексте и описал.
Ну конечно на схеме хуета у тебя с делителем на инверсном входе, но не важно.
Добра тебе анон.

Прост хочется занищебродить (оптимизировать) конструкцию так как таких кнопок 9. Вот зацени вариант с TL431, мне кажется несколько меньше деталек, нет привязки к питанию ОУ.
Аноним 29/03/17 Срд 20:00:23  277348
>>277044
Там нет не плюса, не минуса, есть только начало и конец обмоток.
Аноним 29/03/17 Срд 20:09:50  277349
>>277156
Делай вариант "B". Резисторы 1k.
Юзай digital inputs с подтяжкой к GND. Не забудь key debounce.
Аноним 29/03/17 Срд 20:13:20  277350
>>277347
Несколько поясню за эту схему.
Делитель слева подаёт на TL её заветные 2.5 и в этом случае нам похуй на помехи в линии, путь там хоть 130V наводится, они наебнутся о низкоомный резистор но нихуя не сделаю TL так как она уже открыта. Такое состояние будет означать, что ключ ОТКРЫТ. Когда мы включаем удалённый выключать, он шунтирует нижнее плечо делителя и прижимает вход TL к нулю. ТЛ закрывается, диод гаснет. Помеха в линии замыкатся жёстко на низкоомный резистор.

Какие подводные камни? Я проебался где-то анон? И алсо как нагуглить что-то похожее для образца
Аноним 29/03/17 Срд 20:17:02  277351
14838030471640.png (1724Кб, 1280x852)
Поясните за дорожки на плате, умоляю. В чем смысол? Текстолит -диэлектрик, дорожки - проводники, тут ясно. А в целом какая суть? Когда плату делаешь сам и рисуешь сам дорожки то как я понимаю паять легче визуально, но для чего лудить их? И для чего они нужны в материнкских платах?
Аноним 29/03/17 Срд 20:22:04  277352
>>277349
Вот ссыкотно мне, что он загорится от наводок в кабель. хотя хуй пойми конечно. хочется штабильности.
Аноним 29/03/17 Срд 20:25:01  277353
>>277351
Ты что вообще несёшь, блядь?! Зачем лудить? Что бы токи хорошие держали. Дорожка, это тот же провод. Зачем на материнке? Ну ты посмотри сколько их там, и представь эквивалентное количество проводов.
Аноним 29/03/17 Срд 20:30:32  277354
>>277353
> Что бы токи хорошие держали
Если элементы ножками соединять то они ток в несколько ампер не выдержут? все равно не понимаю как это работает
Аноним 29/03/17 Срд 20:33:06  277356
Если я буду держать неодимовый магнит в одном кармане с карточкой, то карточка размагнитится или что-нибудь там с ней может случиться?
Аноним 29/03/17 Срд 20:37:27  277358
>>277354
Предлагаешь мат платы навесным монтажом вручную паять?
Аноним 29/03/17 Срд 20:40:20  277359
>>277354
лудят - потому что это дешевый способ защитить медь от окисления. В заводских платах лудят только контактные площадки, тк вся оставшаяся длинна дорожки защищена маскойполимерным покрытием.
>>277356
да, размагнитится. Нехуй держать неодимовые магниты в одной куртке с карточками.
Аноним 29/03/17 Срд 20:40:33  277360
>>277358
Есть платы с дырками если ты не знал, я вот про сквозной монтаж говорю
Аноним 29/03/17 Срд 20:41:01  277361
>>277354
Ага, и почти 100% шанс получить где-нибудь КЗ.
Аноним 29/03/17 Срд 20:42:35  277362
>>277360
Ты понимаешь что тогда мат. плата будет в 2 раза больше как по размерам так и по стоимости?
Аноним 29/03/17 Срд 20:43:25  277363
>>277351
Хуйню какую-то прочитал.
На материнских платах ВЧ, волновое сопротивление, маска, автоматическая сборка, все дела. Свои махарайки можешь лудить/не лудить, хоть говном обмазывать.
Аноним 29/03/17 Срд 20:44:41  277366
6803ebe7-4adb-4[...].jpg (80Кб, 1152x864)
Screenshot7.jpg (35Кб, 447x434)
Сап. Досталась мне кофемашина с сша, помогите определить что мне нужно купить для неё, что бы она работала на ру розетках? Я в этом не особо. Я так понял нужен какой-то преобразователь или что-то в этом роде. Но где его купить?
Аноним 29/03/17 Срд 20:47:31  277367
>>277366
трансформатор с 220 на 120, sinewave converter 50-60 герц
Аноним 29/03/17 Срд 20:48:27  277368
>>277366
Понижающий трансформатор/понижающий импульсный БП.
Только глянь чтобы мощность была такая-же или выше. Иначе может хуево работать.
>Но где его купить?
Если хочешь дешево то на али, если денег много то в каком-нибудь ДНС или ему подобном магазине.
Аноним 29/03/17 Срд 20:50:20  277369
>>277368
Был в днс, посмотрели как на инопланетянина и ничего не подсказали. Я так понял, что если на ней написано 1300W, то нужен трансформатор на столько же, который размером почти как сама кофемашина, верно? Спасибо за ответы, парни.
Аноним 29/03/17 Срд 20:51:46  277371
>>277366
лучше трансформатор 220->120, но на такую мощность будет недешев.
Аноним 29/03/17 Срд 20:53:47  277373
>>277369
Смотри импульсный БП. Они маленькие и куда дешевле и легче трансформаторов.
Аноним 29/03/17 Срд 20:55:08  277374
Screenshot1.jpg (54Кб, 903x223)
>>277373
Нашел вот такое http://www.zapitatel.ru/catalog/ponizhayushchie-avtotransformatory-220-110-volt/?yclid=1546841325624363842&&PAGEN_1=2
Подходит? Но дорого конечно.
За импульсный еще не найду пока.
Аноним 29/03/17 Срд 20:57:46  277375
>>277374
Да, подходит. Если жаба душит то можешь разобрать кофемашину и переделать ее под 220, на ютубе вроде видел гайды как такое провернуть.
Аноним 29/03/17 Срд 20:58:33  277376
привет, ра! я опять к тебе с вопросом. вот смотри, есть напряжение, изменяющееся по периодическому закону (например, синусоида). как бесплатно без смс можно подмешать к нему постоянную составляющую?
Аноним 29/03/17 Срд 21:01:56  277377
>>277374
У неё внутри какой питальник стоит, может и переделывать поти ничего не придётся?
Аноним 29/03/17 Срд 21:05:23  277379
>>277376
Сместить уровень нуля батарейкой.
Аноним 29/03/17 Срд 21:08:38  277380
>>277379
это понятно, поподробнее бы. как что куда
Аноним 29/03/17 Срд 21:12:41  277381
>>277380
Ну так какой вопрос, такой и ответ. Ты первый выкладывай свои подробности.
Аноним 29/03/17 Срд 21:24:52  277383
mv0DOddsKk8.jpg (102Кб, 780x1040)
Привет, /ra/. Сосед младшекурсник попросил помочь, а я этого совсем не помню. Может, поскажешь что гуглить/что искать?
Аноним 29/03/17 Срд 21:25:41  277384
>>277383
Посоветуй этому уебану не щёлкать ебалом на лекциях и прилежно учиться.
Аноним 29/03/17 Срд 21:27:31  277385
blob (948Кб, 960x720)
Приветик всем здешним, сломался провод на наушниках, думал счас починю, но там это.
Поясните на пальцах, что это всё такое, что за нитки и как это спаять, ибо я в своей жизни только гитарные шнуры паял.
Аноним 29/03/17 Срд 21:34:23  277386
>>277384
Я ему скажу, но может что по пик может помочь/подсказать?
Аноним 29/03/17 Срд 21:35:20  277387
>>277386
Шакальный у тебя пик, не видно нихуя.
В чём суть работы, что нужно сделать?
Аноним 29/03/17 Срд 21:41:39  277389
nBaWAh58rLY.jpg (410Кб, 2560x1920)
>>277387
Так этот еблан прощелкал, показал мне пик, там очевидные графики ачх, фчх и тп, которое я смутно помню. На ачх вон точки выделены, надо рассчитать рек/не рек коэффициент передачи, наверно это реккурентый и не, еще рассчитать схема порядок. Хуита какая-то. И везде W эта написана, я помню это относится к спектрам вроде, но это не точно.
Аноним 29/03/17 Срд 21:41:57  277390
>>277385
Зеленый - левый +
Красный - правый +
Желтый - общий -
Веревка - просто для прочности

То что осталось это видимо микрофоны и кнопки всякие, попробуй прозвонить или как-нибудь логически додуматься, тут у всех по разному
Аноним 29/03/17 Срд 21:43:38  277392
>>277389
Ух, ебать, это не ко мне. Может кто из более смышлённых ответит.
Аноним 29/03/17 Срд 22:04:35  277398
>>277381
устройство подающее в сеть на одну фазу постоянную составляющую, а с другого конца линии регистрирующее эту составляющую
Аноним 29/03/17 Срд 22:05:40  277400
>>277385
паяй в таблетке аспирина, она хорошо лак разъедает
Аноним 29/03/17 Срд 22:07:31  277401
>>277400
он же щас охуеет и бросит свою затею...
Аноним 29/03/17 Срд 22:09:37  277403
>>277401
Да, ты прав. Что за лак о котором идёт речь? Блядь, да я даже не пойму как зачистить те цветные провода, они как будто тоже нитками обвязаны, просто распутать или ножом? Там в основании то хоть провод вообще?
Аноним 29/03/17 Срд 22:17:03  277404
>>277403
берешь мееееелкую наждачку
распутываешь цветные провода, отделяешь нитки от жил
нитки срезай/сжигай
жилки клади на край стола и аккуратно зачищай наждачкой. НЕ ОТОРВИ. Потренируйся для начала на куске хуйни.
Потом собирай в пучок и во флюсе их луди. Они залудятся не сразу, остатки лака будут подгарать. Не очкуй. Просто держи их в капле припоя и аккуратно гладь жалом. Поверти, чтоб залудилось равномерно. Профит.
Аноним 29/03/17 Срд 22:25:25  277408
>>277404
Не нужно никаких наждачек. Просто елозишь кончик провода(примерно 1мм) паяльником пока лак не оплавится, потом переворачиваешь провод и проделываешь вышеописанные действия опять.
Аноним 29/03/17 Срд 22:26:27  277410
>>277404
Зачем такие сложности то? Я лично просто налил на них побольше флюса и елозил по нам паяльником на 300 градусах. Очень быстро залудились.
Аноним 29/03/17 Срд 22:41:45  277418
>>277410
зависит собственно от лака. Иногда попадается такой, который и наждачка неохотно берет.
Аноним 29/03/17 Срд 23:01:08  277426
>>276860
Собрал эту схему, мосфет открывается, напряжение появляется, кулеры не крутятся, ЧЯДНТ?!
Аноним 29/03/17 Срд 23:02:55  277427
>>277403
просто берешь провод, не отделяешь нитки никакие, кладешь на таблетку аспирина и жалом с припоем сверху водишь. на ура без танцев с бубном лудится. осторожно! выделяется йад, так что не вдыхай пары.
Аноним 29/03/17 Срд 23:04:55  277429
>>277427
Ууух. Летальный, надеюсь?
Аноним 29/03/17 Срд 23:05:56  277431
>>277429
летательный.
Аноним 29/03/17 Срд 23:06:33  277432
14631498905991.jpg (2Кб, 200x200)
>>277431
Аноним 29/03/17 Срд 23:07:50  277434
>>277426
Хуево собрал значит. Проверь мосфет по даташиту.
Аноним 29/03/17 Срд 23:11:35  277436
>>277434
https://lib.chipdip.ru/300/DOC000300294.pdf
Вот этот брал, он у меня в самодельном мехмоде стоит, при 3.3 вальтах спокойно открывается
Аноним 29/03/17 Срд 23:37:11  277441
>>277340
Э, при чем тут это

>>277344
О! Похоже что так. Тогда зачем приводят примеры модулятора на транзисторе который складывает? Это где используется реально? Ведь радиосигнал что в антенне он именно уможенный?
Аноним 30/03/17 Чтв 03:16:02  277453
>>277348
Ебать, но есть разница, куда ты будешь подавать ток.
Аноним 30/03/17 Чтв 03:45:01  277455
am.png (22Кб, 644x382)
оказывается можно не умножать а все равно складывать хитровыебано, с вчетом и вычетом мод из несущей
а то я думаю как это вообще умножать в электронике. оказывается необязтельною
Аноним 30/03/17 Чтв 03:58:47  277456
>>277453
Сфотографировал катушки и якорь генератора?
А то нихуя непонятно что там за система.
Аноним 30/03/17 Чтв 04:20:04  277458
>>277389
Уу, это из какой науки вообще?
мимо цифро-дегроид
Аноним 30/03/17 Чтв 07:39:30  277461
>>277441
Модулятор на одном транзисторе как раз умножает. Точно так же работают преобразователи частоты.

>>277455
Ну и как по такой схеме сделать модуляцию низкочастотным сигналом? Переносить спектр вверх на смесителях?
Аноним 30/03/17 Чтв 08:22:07  277465
Ананасы, на али есть наборы для сборки блоков питания, но токи маловаты. Есть наборы помощнее?
Аноним 30/03/17 Чтв 09:01:33  277472
>>277069
Я вижу 6-фазный диодный мост из 12 мощных диодов и 6 дополнительных на возбуждение. Вроде все как обычно в авто, только тут 6 фаз.
Или ты изучаешь стандартные схемы включения и рисуешь свою, или оно так для тебя и останется неизвестным.

Блять, все нагуглил за тебя, ленивое ты хуйло маслопуп.
http://vicgain.sdot.ru/avel/RN101.htm
Твоя схема 3Ж, размагничивающая обмотка - более высокоомная, 1-12.
Аноним 30/03/17 Чтв 09:03:44  277473
>>277109
Если не защитное заземление - то корпус является экраном для потрохов.
Аноним 30/03/17 Чтв 09:06:22  277474
>>277465
есть до 60в 20а
Аноним 30/03/17 Чтв 10:21:30  277479
>>277465
Моча съела говно.
Развести свой БП не так уж и сложно. Заебёшься детали искать, правда.
Не еби мозг, купи преобразователь на LTC3780. Может в поднятие и уменьшение напряжения, на входе 15А максимум, на выходе 10А не перегревается на 8А, проверял.
Аноним 30/03/17 Чтв 11:00:28  277488
>>277176
Ванга знает какой у тебя БП.
Аноним 30/03/17 Чтв 11:33:21  277493
>>277256
Сначала оно считается в импульсах за 36 сек. Которые по счастливому стечению обстоятельств (применению счетчика СБМ-20) равны микрорентгенам в час.
Аноним 30/03/17 Чтв 11:43:50  277494
>>277479
Двачую 3780.
Аноним 30/03/17 Чтв 11:48:48  277495
>>277347
Ты наоборот вылупил усиление до жопы своим TL431 (это вообще-то специализированный ОУ с встроенным источником опорного напряжения). Будет ловить весь мусор.
Тебе нужно:
1. Отфильтровать высокочастотный мусор, за пределами требуемой скорости работы линии. Банально, RC цепочкой.
2. Сделать ток срабатывания в линии как можно больше, насколько это приемлемо по потреблению (до 10-100 мА).
Все.
Аноним 30/03/17 Чтв 11:50:49  277496
>>277351
Оторви их все, они не нужны. Это все инженеры хреначат, изображают полезность.
А оно все и так работает.
Аноним 30/03/17 Чтв 11:53:22  277497
>>277377
У нее внутри кроме электроники стоит насос на 110 и нагреватель на 110.
Заебёшься переделывать.
Аноним 30/03/17 Чтв 11:57:55  277499
>>277458
Теория Цепей и Ебучих Шакалов.

Даю совет: присмотреть новую форму в военторге.
Аноним 30/03/17 Чтв 12:06:51  277500
>>277366
На али есть конвертеры 220 на 110. Так и ищи 220 to 110 converter.
Аноним 30/03/17 Чтв 13:17:18  277508
>>277500
>220 to 110 converter
Если не хочется пожара - то нужно брать только на железном трансформаторе.
Аноним 30/03/17 Чтв 13:37:56  277511
.JPG (60Кб, 532x730)
>>276268 (OP)
Помогите опознать.
Аноним 30/03/17 Чтв 13:39:28  277512
>>277508
Пожар там не более вероятен, чем от зарядки телефона.
Аноним 30/03/17 Чтв 13:41:45  277513
>>277511
А в чём сложность?
http://www.bg-electronics.de/datenblaetter/Dioden/DTV1500M.pdf
Аноним 30/03/17 Чтв 13:42:48  277514
Безымянный.jpg (2437Кб, 4128x3096)
Токашо чуть не здох...
Аноним 30/03/17 Чтв 13:43:19  277515
бля промазал
Аноним 30/03/17 Чтв 13:46:52  277516
>>277514
зато поумнел, теперь наделаешь себе держателей из нормальной стали
Аноним 30/03/17 Чтв 13:53:47  277519
>>277514
Хуясе, это как так получилось? Реально ведь может кабину проломать этой хуетой.
Аноним 30/03/17 Чтв 13:55:01  277520
>>277514
>>277519
че это за хуйня такая?
Аноним 30/03/17 Чтв 14:16:29  277526
>>277493
То есть тупо суммируются все импульсы на протяжении 36 сек. А точно мкР/ч? Что-то тогда много получается, может всетаки мкР/с и последующий перевод в мкР/ч?
Аноним 30/03/17 Чтв 14:18:17  277528
>>277519
Щитком из поликарбоната ебальник прикрыть тяжело? Ясно.
Аноним 30/03/17 Чтв 14:19:04  277529
>>277513
Спасибо, я читал как OTV.
Аноним 30/03/17 Чтв 14:28:16  277533
>>277500
нужно ведь учесть еще мощность? конвертер нужен ведь на 1300+W, да?
Аноним 30/03/17 Чтв 14:32:56  277536
>>277495
ДА! это и есть план. Прост выходной сигнал будет ИНВЕРСНЫЙ. Когда удалённый выключать отключен оптрон ГОРИТ. И не важно от питания или помехи. А когда удалённый выключатель ЗАМКНУТ, помеха в нем замкнута на низкоомный резистор и вывод tl притянут в ноль. Оптрон НЕ ГОРИТ.

Или я не понял тебя анон?
Аноним 30/03/17 Чтв 14:57:46  277545
>>277512
Когда ключ в электронной ебале пробьет и 220 пойдут на выход (а это рано или поздно произойдет) - останется только молиться на предохранители и автоматы в щитке.
А поскольку там штатный ток 5-10А, то и предохранители будут соответствующие, в отличие от зарядки для телефона.
Аноним 30/03/17 Чтв 15:00:07  277546
>>277526
Какой в пень перевод, если вся схема - это просто счетчик с окном в 36 секунд?
1 импульс в секунду со счетчика СБМ-20 не равен ни 1 микроретгену в секунду, ни 1 микрорентгену в час.
Аноним 30/03/17 Чтв 15:01:01  277547
>>277533
Разумеется. Это весьма здоровый трансформатор, я тебе скажу.
Аноним 30/03/17 Чтв 15:02:25  277548
>>277536
Ты считаешь, что если линия у тебя идет не на светодиод, а на вход УСИЛИТЕЛЯ, то это увеличит помехоустойчивость? Да с хуя ли?
Аноним 30/03/17 Чтв 15:17:15  277556
>>277533
> нужен ведь на 1300+W, да?
Проще купить нагревательный элемент на 220В (а основная мощность на него хуячит), а для электроники уже использовать преобразователь или возможно, что там импульсный БП с переключателем 110 - 220
Аноним 30/03/17 Чтв 15:35:41  277563
image.png (446Кб, 750x1334)
image.png (206Кб, 750x1334)
Аноны, подскажите пожалуйста, на какие токи рассчитаны эти штуковины. Или где загуглить хотя бы
Аноним 30/03/17 Чтв 15:45:09  277567
>>277546
Хорошо, откуда тогда берется значение, не от фонаря же.
Аноним 30/03/17 Чтв 15:46:56  277568
>>277563
Если на глазок то ампер где-то 6 выдержит.
Аноним 30/03/17 Чтв 15:47:23  277569
>>277563
Пластмассовые - 20А.
http://www.mouser.com/catalog/catalogusd/645/1351.pdf
Аноним 30/03/17 Чтв 15:49:16  277570
>>277567
От чувствительности счетчика Гейгера.
В первом приближении - чем меньше габариты - тем меньше будет давать импульсов при одном и том же поле.
Поэтому для увеличенияч увствительности и скорости счета их иногда по нескольку штук параллелят.
Аноним 30/03/17 Чтв 15:52:16  277571
>>277569
>277563
>Пластмассовые - 20А.
>http://www.mouser.com/catalog/catalogusd/645/1351.pdf
Спасибо
Аноним 30/03/17 Чтв 15:52:53  277572
>>277389
зачем люди дрочат на ачх, фчх и тп, если все равно в итоге идут торговать телефонами в евросеть?
Аноним 30/03/17 Чтв 15:54:01  277573
>>277572
Компенсируют они так неправильное место роста рук.
Аноним 30/03/17 Чтв 16:00:48  277574
34 - копия.png (15Кб, 785x456)
543 - копия.PNG (3Кб, 386x247)
Посоны, почему периоды моей мигалки разные? В keil5 - 10.5us, а логический анализаторsaleae logic analyzer 24mhz 8ch показывает 15.79us, кто из них пиздит? Алсо, смотрел уарт логическим анализатором - скорость показывает правильно.
Аноним 30/03/17 Чтв 16:05:24  277575
>>277570
Ну насчет того что их параллелят это я знаю. Мне бы понять сам принцип подсчета. Вот допустим у меня на экране после замера вывесилось 3 мкР. Я правильно понимаю что за эти 36 секунд микросхема-счетчик несколько раз переполняется и обнуляется, а по окончанию замера просто выдается ее текущее значение?
Аноним 30/03/17 Чтв 16:08:10  277576
>>277573
да я просто охуеваю, вот постоянно и везде вижу эти вопросы от студентов и ни разу сука не видел таких вопросов от тех, кто применил бы это на практике.
Аноним 30/03/17 Чтв 16:19:02  277578
>>277576
Ты же прекрасно знаешь что на практике смотрят на графики в самую последнюю очередь и обычно все обходится методом тыка и логическими выводами, поскольку у многих дома осциллографа нет.
К тому же сейчас, когда любой студент может скачать себе эмулятор и даже резисторы не считать.
Аноним 30/03/17 Чтв 16:30:39  277579
>>277548
Другие аноны именно это и предлагали, я же хочу усиливать помеху когда это выгодно. Когда ключ разомкнут. Когда он замкнут, я надеюсь что помеха замкнётся на резистор 100ом (тот что в нижнем плече) и не осилит открыть TL.

Я зашёл сюда черпать знания. подскажи, как правильно, хуле ты не предлагаешь схемку.
Аноним 30/03/17 Чтв 17:09:19  277583
Screen Shot 201[...].png (65Кб, 1202x1240)
Не завалялось ли у кого схем high-side драйверов?
48в+, 100кгц+, работа с 100% заполнением, кпд повыше и еще бы защиту от кз.
inb4 Купи оптодрайвер и dc-dc модуль к нему.
Аноним 30/03/17 Чтв 17:44:51  277585
>>277583
У тебя мосфет вверх ногами.
Аноним 30/03/17 Чтв 17:46:09  277586
>>277585
Или нет. Чёт туплю.
Аноним 30/03/17 Чтв 17:49:15  277588
Я уверен, что здесь есть люди, разбирающиеся в этом. Помогите понять задачу. С меня как обычно.

"На рисунке пикрил представлена схема фрагмента электрической цепи, состоящего из трёх одинаковых резисторов и трёх одинаковых вольтметров.

К концам A и B этого фрагмента приложили постоянное напряжение, в результате чего показания первого и второго вольтметров составили U1=19 В и U2=4 соответственно. Что показал третий вольтметр? Ответ выразить в ВВ, округлив до десятых."
Аноним 30/03/17 Чтв 17:53:49  277589
>>277588
Пытался перерисовать схему, но не получается. Я просто не понимаю принцип тока. Кто-нибудь может объяснить, почему он просто не пройдет через первый резистор и первый вольтметр? Нахуя по всей цепи идти?
Аноним 30/03/17 Чтв 17:55:22  277590
>>277588
Отвечу не вставая с дивана. Что за вольтметры такие ёбнутые? Вангую что сопротивление резисторов близко к сопротивлению вольтметров.
Аноним 30/03/17 Чтв 17:56:09  277591
>>277588
>>277589
Задача некорректна. У вольтметров сверхвысокое сопротивление, через такую цепь практически не будет тока, следовательно напряжение на плюсе во всех трех точках равно напряжению источника.
Аноним 30/03/17 Чтв 17:58:17  277592
am.png (27Кб, 793x877)
>>277461
>как раз умножает.
Тут есть какая то тайна. Если подумать - на базу подается несущая, а например на эмиттер - модуляция. В симуляторе получается сложение - то есть они на выходе поднимаются/опускаются в месте. В сети дохуя ровно таких же схем, которые на выходе рисуют умножение, но если забиваю их параметры в симулятор то получается сложение. Вроде бы из обсуждений в форумах следует, что нужно просто тщательнее подбирать амплитуды обоих сигналов и остальные параметры цепи в тч ВЧ фильтр на выходе, тогда можно увидеть умножение. Иначе будет сложение
Аноним 30/03/17 Чтв 17:59:08  277593
>>277591
>>277590
Половина задач ЕГЭ и вообще школьного курса некорректна. Но это, к сожалению, не отменяет того, что их надо решать
Аноним 30/03/17 Чтв 18:15:29  277596
>>277593
На твоей пикче вообще не цепь, окей? Вольтметр в масштабах задачи не проводник.
Допустим это три последовательно включенных резистора. Это делитель на три, падение на каждом составляет 1/3 от напряжения источника.
То есть какую бы точку ты не принял за 0, будет 1/3, 2/3, 1 от напряжения или 2/3 1/3 0.
4 и 19 это не 1/3 и 2/3. Задача полностью ебанутая и у нее нет решения.
Аноним 30/03/17 Чтв 18:30:31  277597
>>277596
Но ответ-то у нее есть, как и решение
Аноним 30/03/17 Чтв 18:35:24  277598
>>277597
Ответ может и есть, решения нет.
Аноним 30/03/17 Чтв 18:37:51  277599
>>277597
Двачую этого >>277596, там же сказано:
>состоящего из трёх одинаковых резисторов
>одинаковых резисторов
Аноним 30/03/17 Чтв 18:40:42  277601
>>277598
>>277599
Это же олимпиадная задача. Они же проверяются и все такое.
Аноним 30/03/17 Чтв 18:42:03  277602
>>277598
И какой там ответ может быть? Если округлять до десятых, то у меня получилось ~0,8
Аноним 30/03/17 Чтв 18:42:34  277603
am.png (27Кб, 725x729)
Аааа сука ебенарот, вот оно умножение. Чуток RC на выходе подкрутишь - и уже будет сложение.
Как будто фазы можно крутишь верхнего и нижнего sidebanda отдельно. Как же все сложно в этом аналоговом мире. Даже такое простое АM и то сука нужно два дня думать. И все равно точно не понимаю ПОЧЕМУ оно так. Фокусы ебаные.
Аноним 30/03/17 Чтв 18:54:22  277606
Безымянный.JPG (32Кб, 1121x632)
>>277588
Задача для аутистов.

Исходя из условий задачи я сделал вывод что вольтметры имеют собственное отличное от нуля сопротивление.
Для простоты понимания схему можно представить так: (картинка).

........ ну и дальше сам решай по формулам.
Аноним 30/03/17 Чтв 18:55:13  277607
>>277593
>Но это, к сожалению, не отменяет того, что их надо решать

Ооо да. Это значит что для решения нужно быть в системе школьного зубрежа и цифродроча.

Это особая привелегия доступна лишь студентам и школьникам.
Аноним 30/03/17 Чтв 18:57:10  277608
>>277606
Вольтметры больного выблядка лол.
Аноним 30/03/17 Чтв 18:58:24  277609
>>277603
>Как же все сложно в этом аналоговом мире.
Это проблема схем "на одном транзисторе". Собери стандартный gilbert cell, он куда предсказуемее.
Аноним 30/03/17 Чтв 18:59:40  277610
>>277606
Чет еще непонятнее стало.
Аноним 30/03/17 Чтв 19:02:35  277611
>>277610
Это потому что ты не аутист.
Аноним 30/03/17 Чтв 19:03:22  277612
>>277606
И что это меняет? Пропорции 1 2/3 1/3 куда-то уходят? Да ты сам школьник.
Аноним 30/03/17 Чтв 19:04:29  277613
>>277611
Да лучше бы аутистом был, но задачи решал
Аноним 30/03/17 Чтв 19:05:16  277614
>>277613
Эти "задачи" просто насмешка над реальностью, инженера они из тебя не сделают.
Аноним 30/03/17 Чтв 19:06:44  277615
2017-03-30-23-0[...].jpg (146Кб, 912x593)
>>277588
Збс.

>>277606
Спок.
Аноним 30/03/17 Чтв 19:07:27  277616
>>277608
Шунт-полуделитель в студию!
Аноним 30/03/17 Чтв 19:10:32  277617
>>277614
Зря ты так, у реального вольтметра входное сопротивление 1Мом.
Аноним 30/03/17 Чтв 19:19:09  277619
>>277617
Ты говоришь так, будто некий "реальный вольтметр" существует в единственном экземпляре.
Аноним 30/03/17 Чтв 19:20:34  277620
>>277615
У меня получилось 0,8. Так 0.9 правильно? Или как? Странно, что на первом >19, а на втором <4.
Аноним 30/03/17 Чтв 19:29:37  277621
>>277620
Сопротивление идеальных показометров симулятора 10 ГОм.
Напряжение источника питания взято от балды с четвёртой попытки.
Аноним 30/03/17 Чтв 19:33:22  277623
Написал в diy, там молчат. Кто-нибудь знает как покрасить стекло желательно белым таким образом, чтоб сквозь краску просвечивали светодиодные индикаторы?
Аноним 30/03/17 Чтв 19:34:21  277624
>>277623
Замесить какое-нибудь говно на основе силикатного клея.
Аноним 30/03/17 Чтв 19:35:00  277625
>>277623
Виниловые наклейки для тонировки, аэрографом и акриловой краской. Бумажку можешь приклеить.
Аноним 30/03/17 Чтв 19:37:50  277626
>>277621
По идее, там получается ~0,824 В. Если округлять до десятых, то 0.8
Аноним 30/03/17 Чтв 19:42:38  277627
чё бы йобистого сделать такого? только не унылую светодиодную моргалку и не аудиохуйню
Аноним 30/03/17 Чтв 19:45:25  277628
>>277627
Электростимулятор простаты.
Аноним 30/03/17 Чтв 19:51:03  277630
>>277627
Угори по ТАУ и хуярь настоящего робота. Механическая часть не важна, главное чтобы он сам выполнял задачу.
Аноним 30/03/17 Чтв 19:53:39  277631
>>277630
Что такое тау?
Аноним 30/03/17 Чтв 19:56:36  277632
>>277631
Теория автоматического управления. прикольная штука.
Аноним 30/03/17 Чтв 20:04:11  277633
ir2110 или ir2184?
Аноним 30/03/17 Чтв 20:06:49  277634
>>277633
первая
Аноним 30/03/17 Чтв 20:08:36  277636
>>277634
чем лучше?
Аноним 30/03/17 Чтв 20:08:46  277637
>>277626
Плюс-минус лапоть симулируется. Супер-показателей точности не задумывалось так-то.

Делители с шунтом на вольтметрах - это сильно.
Аноним 30/03/17 Чтв 20:09:44  277638
>>277634
dead time у первой?
Аноним 30/03/17 Чтв 20:11:44  277640
>>277636
я с ней работал, она простая и надежная. Поэтому и лучше.
Аноним 30/03/17 Чтв 20:13:56  277641
>>276345
>>276273

Неведомая хуйня. Сегодня при включении холодильника колонки отключились, при этом они подключены через APC UPS.

Как вообще такое возможно?
Аноним 30/03/17 Чтв 20:19:43  277642
>>277641
Пизда квартире, меряй сопротивление проводов в стенах.
Аноним 30/03/17 Чтв 20:23:11  277644
>>277640
тоже попробую, у меня обе они.
кстати нашел еще в коробочке когда то купленного говна
IR2153S self oscillating half bridge driver
оказывается он еще и PWM унутри себя генерит. теоретически это не pwm контроллер но наверняка можно замутить обратную связь на RtCt ноги.
Аноним 30/03/17 Чтв 20:29:27  277645
Почему пендосы так надрачивают на NE555?
Аноним 30/03/17 Чтв 20:32:13  277647
>>277645
$2 100pcs Free Shipping.
Как 155ла3 в совке.
Аноним 30/03/17 Чтв 20:35:59  277649
>>277645
где надрачивают и почему именно NE. cmos версия более популярна. и фронты у нее на 10-15v около 10-20ns. лучше slew rate только у микроконтроллеров или ультрашустрых компараторов. или супер дорогих ОУ у которых slew rate тыща вольт / us.
Аноним 30/03/17 Чтв 20:36:33  277650
>>277624
>>277625
Я хочу чтоб цифры нормально читались. Даже днем
Аноним 30/03/17 Чтв 20:38:57  277651
>>277650
Я точно помню что в совковых журналах для самодельщиков, годах в 80х публиковали рецепт какой-то ебической дряни на основе силикатного клея с известкой, заявлялась невъебенная адгезия к стеклу.
Попробуй поискать какие-нибудь обсуждения.
Аноним 30/03/17 Чтв 20:40:49  277652
>>277649
эм, разве существует кмоп версия 555? как называется?
Аноним 30/03/17 Чтв 20:42:36  277654
>>277652
у меня TS555CN
Аноним 30/03/17 Чтв 20:48:09  277655
51454653463.JPG (39Кб, 1030x667)
Взлетит?
Аноним 30/03/17 Чтв 20:50:09  277656
Нонейм кварцы с али, у которых на шапке просто указаны мегагерцы, например 16.000 норм?
Аноним 30/03/17 Чтв 20:51:49  277658
>>277656
> норм?
Нет. Они выдают 15 999 999Гц
Аноним 30/03/17 Чтв 20:52:12  277659
>>277654
чет неочень. в 10 раз дороже и выходной ток всего 50ма
Аноним 30/03/17 Чтв 20:52:47  277660
>>277658
Ну хуй знает, может у них частота скачет, гипотетически это может повредить микрухи.
Я где-то читал.
Аноним 30/03/17 Чтв 20:53:45  277661
full.jpg (12Кб, 480x360)
>>277658
Рядовой шутник, ты?
Аноним 30/03/17 Чтв 21:02:10  277662
>>277661
> >>277660 это может повредить микрухи.
Вот шутник.
Аноним 30/03/17 Чтв 21:02:57  277663
>>277662
Шутник тот, кто написал это на каком-то форуме. Я просто ньюфак, и, как это всегда бывает, везде ищу подводные камни.
Аноним 30/03/17 Чтв 21:04:42  277664
>>277650
Если в красителе не будет люминофора - то совершенно однохуйственно чем закрашивать. Можешь взять бумажку и приложить к дисплею, посмотришь будет там видно или нет. Может быть придется или прорези делать, или менять светики на более яркие\узкоугольные.
Аноним 30/03/17 Чтв 21:05:47  277665
Но падажжыте, кварц это такая маленькая хуитка, вырезанная на микро станке. Если она резонирует неправильно, или у нее ВНЕЗАПНО ножка сломается, и частота взлетит раз в 10, МК может ебу дать. От повышенной то частоты. Че нет?
Аноним 30/03/17 Чтв 21:05:48  277666
>>277623
> как покрасить стекло желательно белым
Плавиковая кислота.
Аноним 30/03/17 Чтв 21:06:37  277667
>>277665
Может и дать, может и нет.
Аноним 30/03/17 Чтв 21:07:12  277668
>>277665
> частота взлетит раз в 10
У куска стекла? Это жы нен генератор, а просто резонатор.
Аноним 30/03/17 Чтв 21:08:38  277669
>>277668
Лол, ну значит я просто купился на что-то вроде ведра компрессии.
И не обидно совершенно.
Аноним 30/03/17 Чтв 21:18:56  277670
>>277474
Дай линк.
Аноним 30/03/17 Чтв 21:39:08  277673
>>277655
А зачем VD4-VD5?
Аноним 30/03/17 Чтв 21:53:44  277675
10429410IMG0090.jpeg (252Кб, 880x660)
>>277673
Чтобы Звук лучше на обратный ток уходил.
Аноним 30/03/17 Чтв 21:55:47  277676
>>277659
так смотря какие задачи. зато частота до 3мгц супротив 100 кгц и низкое потребление.
Аноним 30/03/17 Чтв 21:58:11  277677
>>277663
кондером подправь. бери любой кондер на 10пф или лучше варактор и последовательно включай и крути убирай 0.000000000000001.
Аноним 30/03/17 Чтв 21:59:35  277678
>>277665
да, повышенная частота там все разболтает от вибрации.
Аноним 30/03/17 Чтв 22:01:18  277679
>>277677
У меня нет объебографа.
>>277678
Ты же прикалываешься надо мной? По идее повышенная частота это повышенное кол-во импульсов, больше ток температура перегрузка гроб пидр.
Аноним 30/03/17 Чтв 22:06:37  277681
>>277677
Нахуй не нужно. В условиях среды измерительных показометров накрутится хуй пойми что.
Аноним 30/03/17 Чтв 22:07:42  277683
>>277678
Да, придётся вскрыть гермобанку кварца и намазать на него 0.000009 граммов грифеля 2H от карандаша.
Аноним 30/03/17 Чтв 22:09:43  277685
>>277681
Да ладно тебе, сейчас осцилографы йобистые.
Аноним 30/03/17 Чтв 22:10:28  277686
s-l1600[1].jpg (119Кб, 1600x1200)
>>277679
>>277685

для этого простой осцил не подойдет. нужен вон такой
http://www.ebay.com/itm/Keysight-Used-DSAV164A-Digital-Signal-Analyzer-Oscilloscope-16-GHz-80-40-GSa-s-/192106531179?hash=item2cba71096b:g:fFUAAOSwx6pYpXyk
Аноним 30/03/17 Чтв 22:10:30  277687
>>277683
> намазать на него 0.000009 граммов грифеля
Я читал в старинных журналах, что нужно кинуть в шприц кристалл йода и вдувать пары в гермобанку. Клетки йода налипают на кварц и утяжеляют его снижая частоту колебаний. Только вот меня гложет вопрос, а как повысить частоту?
Аноним 30/03/17 Чтв 22:12:19  277689
>>277686
подержанный правда. говно наверное
Аноним 30/03/17 Чтв 22:12:31  277690
>>277686
Хуясе, прям со спермой на борту.
Аноним 30/03/17 Чтв 22:13:22  277691
>>277687
Очевидно задуть пары плавиковой кислоты, чтобы они съели 0.000001 мм кварца, а потом осели на стенках банки.
Аноним 30/03/17 Чтв 22:20:26  277693
>>277687
Стирательной резинкой с абразивными хуитками пидорасить.
Аноним 30/03/17 Чтв 22:21:51  277694
А если его поместить в резервуар, в котором скорость света? Как изменится его частота?
Аноним 30/03/17 Чтв 22:22:50  277695
>>277685
Да я не спорю как бы, дело вкуса.

Недавно столкнулся с парой случаев, когда несколько показометров пиздело в разные стороны, словно лебедь рак и щука.
Аноним 30/03/17 Чтв 22:23:21  277696
>>277694
Полимеризуется и сдетонирует.
Аноним 30/03/17 Чтв 22:23:56  277697
>>277695
> лебедь рак и щука
так это хорощо. это же триангуляция. вот два это плохо.
Аноним 30/03/17 Чтв 22:27:46  277698
>>277697
Ага. Это хорошо для относительной точности, когда надо подобрать несколько деталек с близкими параметрами.

Для абсолютных точностей это нихуя не работает. Один из приборов в одном из случаев пиздел без лишней скромности в полтора раза. Какой-то советский йоба-мост для замера сопротивления с огроменной крутилкой.
Аноним 30/03/17 Чтв 22:35:10  277700
>>277698
Ну вот, советский, а швитая цифра всегда имеет какой-то шаг, больше которого не врет.
Аноним 30/03/17 Чтв 22:38:38  277701
>>277700
Швитая цифра зашкаливала при замере шумной синусоиды в розетке. Но это совсем другая история это часть второго случая.
Аноним 30/03/17 Чтв 22:41:01  277702
>>277701
И что это было конкретно?
Аноним 30/03/17 Чтв 23:08:14  277707
Вот еще что, покупаю несколько мег8А, и думаю сэкономить на кварцах. Даже если я наделаю хуйни и понадобится внешний кварц, что мешает мне хуйнуть высокочастотный сигнал с другой меги?
Или не взлетит и таки надо платить почти 300 рублей за мешок кварцев?
Аноним 30/03/17 Чтв 23:21:42  277709
>>277707
ты чё ? ебан? я за 50р на али купил 10 кварцов, и то они мне нихуя не понадобились, т.к. в стм32 и так есть квартс
Аноним 30/03/17 Чтв 23:23:05  277710
q-I7Ilt8asU.jpg (185Кб, 768x1024)
Аноны, что это за устройство? Там вроде как трансформатор сверху. Нахуя его засунули туда? Зачем нужны эти трубы?
Аноним 30/03/17 Чтв 23:25:26  277711
>>277709
прям внури stm32 есть кварц? чет я не заметил его. он круглый или какой?
Аноним 30/03/17 Чтв 23:26:29  277712
>>277709
У АТмег есть такая приколюха, при неаккуратном быдлокоде можно выключить кварц к ебучим хуям.
Аноним 30/03/17 Чтв 23:26:31  277713
>>277711
>внури stm32 есть кварц?
Нет, на отладочной плате.
Аноним 30/03/17 Чтв 23:29:44  277714
>>277710
у всех такая приколюха есть
в stm32 гораздо больше чего можно переопределить в коде. программатора ноги нахуй отключить например. но не смертельно. лечится соединением из под ресета типа того.
Аноним 30/03/17 Чтв 23:44:38  277718
14877041605080.png (3124Кб, 1100x1650)
>>277714
Ладно, придется купить кварцев 50 штук и соорудить из них алтарь пикрелейтеду.
Аноним 30/03/17 Чтв 23:53:13  277719
01191-1GknWh5Pi[...].jpg (327Кб, 755x1024)
01192-jehwWhD3FY.jpg (98Кб, 775x960)
01193-wOcBOHnIs[...].jpg (249Кб, 759x1024)
01194-8pcaXY2RF[...].jpg (238Кб, 785x1014)
Извините пожалуйста, помогите пожалуйста.
https://goo.gl/HyjCVB вот такая вот подставка есть для ноутбука.
1. Как замерить вентиляторы? Где купить можно такого размера, что-бы питались от сети, и прямо УУУХ воздух шел?
2. Хочу из питания усб перейти на питание от сети. К примеру, у кулеров питание 12в. Если кулеров 4, то блок питания на 12в потянет их на полную мощность?
Подключать все напрямую параллельно? Ну, там связать все плюсы и все минусы, и подключить одновременно к проводам блока питания?
Аноним 31/03/17 Птн 00:13:24  277721
>>277719
1. линейкой, дохуя где - найдешь
2. смотришь, что написано на вентиляторах, например 12V 0.1A, умножаешь их ток на 4, смотришь, что написано на БП, потянет ли. Меньше - будут проседать обороты, больше - похуй, останется прозапас.
Да, параллельно, если тебе не нужна регулировка. Бери под это дело вентиляторы с двумя проводками.
Аноним 31/03/17 Птн 00:15:40  277722
>>277719
> замерить
Линейкой.
> питались от сети
Нигде. Купи импульсный блок питания на 12в и больше ампер, чем суммарно у всех вертушек. На 4 должно хватить 2А. Подключать параллельно, без регулятора эта ебала будет гудеть как самолет. Гугли регулятор оборотов на али или паяй сам на 555 таймере, если руки студова, скудова нужно.
Аноним 31/03/17 Птн 00:17:42  277723
>>277722
Да ну, 555ый он себе только в жопу затолкать сможет. Там же RC цепочка и хитровыебанное подключение.
Аноним 31/03/17 Птн 00:24:32  277724
>>277710
Это генератор Колпитца. Вот эта труба - индуктивность которая вместе с еба кондерами (наверху) задает обратную связь. Так на автономных подстанциях генерится электричество высокой частоты (100Кгц обычно или выше) но сравнительно низких вольт (5-10 kV).
Аноним 31/03/17 Птн 00:26:23  277726
>>277724
Лол, я хотел сказать, что это невъебенная индуктивность, но побоялся обосраться.
Аноним 31/03/17 Птн 00:28:13  277727
>>277726
Тут все свои, невозможно обосраться, так что если что подумал - сразу говори, наверняка будет верно.
Аноним 31/03/17 Птн 02:19:54  277736
>>277722
Регулятор на 555 это шим через рц цепочку на потенциометре?
Аноним 31/03/17 Птн 04:22:32  277738
HTB14quvHVXXXXc[...].jpg (32Кб, 750x200)
HTB1DeKHLpXXXXb[...].jpg (47Кб, 775x600)
Как работают сегментные дисплеи на несколько цифр? Схема рис.1 показывает, что можно гасить и зажигать одинаковые цифры, отобразить разные цифры нельзя. Но я видел такие в работе с разными цифрами.
В чем мой затуп?
Аноним 31/03/17 Птн 05:51:32  277740
>>277712
> при неаккуратном быдлокоде можно выключить кварц к ебучим хуям.
Ну вот нахуя ты нюфаням пиздишь? Можно выключить при прошивке фьюзов, а не быдлокодом.
Аноним 31/03/17 Птн 05:57:56  277741
1474548270-b8b7[...].jpeg (147Кб, 700x701)
>>277738
> В чем мой затуп?
В том, что ты туп. Катоды по очереди переключаются с частотой 10-50ГГц а на сегменты, соответственно, подаются разные цыфры.
Аноним 31/03/17 Птн 06:02:58  277742
>>277741
Как тогда ими управлять? Вот я посадил на ноль все катоды, подаю напряжение к одному аноду, они переключаются, и хуле? На схеме ясно показано, что все аноды одного сегмента тупо соединены.
Аноним 31/03/17 Птн 06:04:38  277743
>>277741
А, бля, понял. Понял. Будет интересно это реализовать.
Аноним 31/03/17 Птн 06:05:42  277744
>>277743
Вот почему на магазинных весах эти цифорки все время противно мерцали.
Аноним 31/03/17 Птн 09:40:00  277764
>>277743
> Будет интересно это реализовать.
MAX7219, MAX7221.
Аноним 31/03/17 Птн 10:48:02  277773
1394298320122.jpg (78Кб, 575x575)
>>277741
>10-50ГГц
Аноним 31/03/17 Птн 10:51:42  277774
>>277773
Хуле тебе не нравится? Суровые советские микроволновые сегменты. Чтобы выжигать глаза врагам народа при захвате оборудования.
Аноним 31/03/17 Птн 10:56:08  277777
>>277742
1.Подал нужную маску на сегменты, подключил нужный индикатор.
2.Подал следующею маску, подключил следующий индикатор.
Повторить нужное количество раз.
Аноним 31/03/17 Птн 11:58:18  277790
>>277777
Это люди еще с e-Ink напрямую не работали.
Особенно когда памяти для полного буфера не хватает
Аноним 31/03/17 Птн 12:24:19  277795
>>277673
Подогрев, он же катод лампы.

Ещё ДГС на всю эту ебалу втулить надо.
Аноним 31/03/17 Птн 12:29:49  277797
>>277656
Обычные дешевые кварцы.
Ты погугли точность ppm и термостабилизацию кварцев. А то тут всякие умники уже заебали тупыми вопросами типа "собрал часы, а они наёбывают на 5 минут в день".
Аноним 31/03/17 Птн 12:54:47  277800
>>277797
Рубидиевые генераторы на eBay подешевели.
Аноним 31/03/17 Птн 13:01:09  277802
>>277800
Да мне пока модульных RTC по $0.5 хватает.
Аноним 31/03/17 Птн 13:16:31  277805
>>277802
В dual oven заворачиваешь?
Аноним 31/03/17 Птн 13:25:53  277809
>>277702
БП, питающий светодиоды срал в сеть. Осциллограф показал 245 вольт.
Аноним 31/03/17 Птн 13:26:05  277810
>>277805
Не понял. Скажи другими словами.
Аноним 31/03/17 Птн 14:14:41  277821
US20060192626A1[...].png (23Кб, 1544x1555)
>>277810
Аноним 31/03/17 Птн 14:48:40  277829
917924349.jpg (35Кб, 412x405)
>>277821
Лучше 1ppm мне пока не требовалось.
Аноним 31/03/17 Птн 15:22:30  277831
>>277809
И при этом мультиметр показывал охуительные цифры от четырёхсот до полуторатысяч вольт.
Аноним 31/03/17 Птн 16:23:27  277840
>>277829
На китайском RTC за пол-бакса ты получал 1ppm?

Я вот думаю вместо двойной печки наоборот попробовать сделать - охлаждать резонатор. Элементом Пельтье, например. Проиграть в габаритах, но сэкономить на сложной (во всяком случае, такая сложная) системе авторегулирования как в этих double oven - сделать ее совсем простой, с одним термодатчиком. Плюс-минус несколько градусов наверное при низкой температуре будет лучше для резонатора чем очень точное ее поддержание при температуре высокой.
А долговременная стабильность мне не очень важна.
Аноним 31/03/17 Птн 16:34:04  277843
>>277840
DS3231 в идеале 1ppm точность. Ну пускай даже 5ppm - это уже на порядок лучше дешевых кварцев. Отклонение всего несколько минут в год.

1ppm кварцевые генераторы вполне доступны в продаже\на разборе. Но за них не поясню, не шарю в этом вопросе.
Тут где-то есть тред маньяков точности, они больше в теме.
Аноним 31/03/17 Птн 16:42:02  277846
Kokoro Connect [...].png (964Кб, 1280x720)
>>277843
>DS3231 в идеале 1ppm точность. Ну пускай даже 5ppm
Так это по даташиту, с идеальной сферической обвязкой в вакууме. Измерения-то что говорят?

>Тут где-то есть тред маньяков точности
Спасибо, посмотрю.
Хотя они все больше маньяки долговременной стабильности обычно, с GPS наперевес.
А меня кратковременная интересует. Причем даже не столько сама стабильность (всему есть пределы, природу совсем-то не обманешь), сколько линейность кратковременной нестабильности (точнее будет сказать нестабильностей) и минимизация фазовых шумов и другой гадости.
Аноним 31/03/17 Птн 16:56:22  277849
>>277846
Ну какие измерения.. так на глаз две копии разошлись на несколько секунд за пару месяцев.
Это при том что питание от хуй пойми чего, разводка говно, модули от узкоглазых и разработчик уровня /b/.
Сразу и напрочь отпало желание использовать что-то неинтегральное и говнокодить по алгоритму Брезенхема.

Вообще моё мнение - лучше чем китайцы я не сделаю. И если приспичит - проще найти готовую железяку\модуль\чип под свои задачи.
Аноним 31/03/17 Птн 17:15:39  277852
>>277846
>минимизация фазовых шумов и другой гадости.

Звукоёбские девайсы поди пилишь?
Аноним 31/03/17 Птн 18:38:26  277868
blob (46Кб, 1412x1278)
Помогите, Люди добрые. С меня как обычно. Нужно помочь разобраться в задаче.

"Из 12 одинаковых резисторов сопротивлением R=14 Ом изготовили конструкцию, схема которой приведена на рисунке пикрил.

К двум указанным на рисунке точкам подсоединили омметр. Какое сопротивление покажет прибор? Ответ выразить в Ом, округлив до целых."
Аноним 31/03/17 Птн 18:40:33  277870
>>277868
Тут в принципе нижняя и верхняя часть ветки симметрична. Может ток не пойдет по ним? И пойдет только по двум резисторам, значит сопротивление 28 Ом? Просто если от центра смотреть, то движение вверх и вниз будет идентично и значит эти части цепи можно просто убрать и останется два резистора. Я прав или нет?
Аноним 31/03/17 Птн 18:47:55  277872
>>277575
Просто за эти 36 секунд произошло 3 пробоя в счетчике. Все.
Аноним 31/03/17 Птн 18:48:31  277873
>>277575
Счетчик обнуляется один раз, в начале периода счета.
Аноним 31/03/17 Птн 18:50:41  277875
>>277579
Твой вариант БЭ был наиболее помехоустойчив. К нему только конденсатор от иголок добавить и все, больше не надо ничего.
Аноним 31/03/17 Птн 18:53:01  277876
>>277592
Именно так, нужно работать на существенно нелинейном участке характеристики транзистора, где его усилиние зависит от базового или эмиттерного смещения.
Аноним 31/03/17 Птн 19:01:30  277877
>>277868
Убираешь углы (последовательное соединение резисторов). Потом вертикали в центре (правило Кирхгофа). И остатки (параллельное соединение). Итого выходит... 14?
Поправьте если не так.
Аноним 31/03/17 Птн 19:14:20  277879
Не могу нагуглить простую вещь про колебательный контур для АM. Индуктивность феррита делать как можно больше а емкость кондера меньше? Допустим 5mH и 1nf. Или допустим 1mH и 7nf? Из какий соображений соотношение LC подбирать? Чтобы Q контура как можно больше? Частота фиксированная порядка 60KHz.
Аноним 31/03/17 Птн 19:48:35  277880
>>277868
Как решать это дерьмо, шок.
Аноним 31/03/17 Птн 20:10:49  277882
>>277880
Почему тебя волнуют проблемы студентов? Пихаешь схему в симулятор и получаешь результат.

Культ поклонения арифмометру избыточен.
Аноним 31/03/17 Птн 20:16:18  277885
14909747070050.png (30Кб, 1412x1278)
>>277880
ну например так.
общее сопротивление=(1/(3/(4R)))/2 + (1/(3/(4R)))/2 = 1.33R = 18.62 ома
Аноним 31/03/17 Птн 20:20:22  277888
Почему в конденсаторах используют диэлектрики с такой низкой диэл.проницаемостью? Например полиэстер всего лишь 3. Хуле тут так мало? Почему не использовать материалы с 100 и больше?
Аноним 31/03/17 Птн 20:35:34  277890
>>277885
Это точно правильный ответ? Просто решение странное
Аноним 31/03/17 Птн 21:32:30  277897
Достался тут инвертёр сварочный с "низапускаится". Сдох в нем стабилитрон 16в с резистором,в цепи обратной связи вайпера 22-го.Ну и сам випер следом.Поменял,вместо стаба воткнул 2 наших Д815 на 8 вольт каждый последом,ну и резюк какой надо.Запустилось.Теперь вот думаю - менять ли эту гирлянду на стекляшку 16в,или уж нашу "мощноту" так и оставить,заизолировав от корпуса и платы (там СМДой насрано) - ?
Аноним 31/03/17 Птн 21:43:35  277899
>>277879
Вот что я подумал - у параллельного контура Q пропорционально R так что если параллельно LC впихнуть невъебенный R то вроде как LC будет пофиг. Один из этих пидоров или L или C будет шунтировать R на нерезонансной частоте. Тогда после этого R логично поставить полевик у которого тоже невъебенное входное R и будет согласование и кайф.
Аноним 31/03/17 Птн 21:48:08  277900
решение.png (119Кб, 2000x656)
>>277890
>>277885
Это неправильный ответ.
Аноним 31/03/17 Птн 21:50:41  277901
посмотрите сколько конденсаторов! Да их просто дохуя! какие подводные камни? хотя цена конеш опасная
https://ru.aliexpress.com/item/100-PCS-lot-CBB-capacitance-v225j-250-v-225-k-250-to-250-j-2-2/32548525843.html
Аноним 31/03/17 Птн 22:08:37  277902
>>277900
Адекват в треде, я спокоен. Алсо спасибо, все никак не дойдет как решать подобные задачи
Аноним 31/03/17 Птн 22:13:29  277903
Умоляю, помогите пожалуйста.
https://www.avito.ru/samara/vakansii/pomoschnik_mastera_po_remontu_mobilnoy_elektroniki_822557257
>умение читать простые схемы, знание электроники

Это на каком уровне? Сложно выучить за пару дней? С чего начать? Знаю только http://radiokot.ru/ вот этот сайт, мне его хватит?
Что вообще читать?
Аноним 31/03/17 Птн 22:21:43  277904
14907255263310.png (6Кб, 212x238)
>>277903
>20 000
Аноним 31/03/17 Птн 22:35:55  277905
>>277876
А как же схемы на OУ. Там вообще "крутить" нечего кроме резюков обратной связи - на один вход несущая, на другой модуляция и все. И все же работает без мучительных подборов параметров как с транзисторами.
Аноним 31/03/17 Птн 22:36:17  277906
>>277904
Мне главное опыт, я согласен за МРОТ работать.
Аноним 31/03/17 Птн 23:37:26  277907
>>277888
Так используют. Воздух и вакуум.
Но вам же не нравится, вы же хотите поменьше габаритами и подешевле ценой.
Аноним 31/03/17 Птн 23:45:40  277908
>>277907
>Воздух и вакуум.
Щито? У них наоборот самая маленькая проницаемость, еденица.
Аноним 31/03/17 Птн 23:59:24  277909
>>277849
Сделаешь, конечно. Только оно не будет таким дешевым и миниатюрным.

Я вот недавно захотел смарт-браслет. Посмотрел на все эти Band 2, почитал форумы - кривота на кривоте. Ладно, берем тот же SoC от Nordic что в них что в нормальных смарт-хреновинах, делаем нормальную прошивку (и коннектор к https://github.com/Freeyourgadget/Gadgetbridge).
Прикинул и сам девайс как и чем сделать, стало очевидно что лучший способ - купить китайский и перепрошить.

И так со всем. Если надо какое-нибудь, можно просто взять китайское (и допаять защиту, конденсатор, или что там в конкретном случае важно. если ничего не важно, то ничего не допаивать, как с RTC). Или вот хороший пример DC-DC платки на фейковом LM2596HV, которое дохнет если на него больше 35 Вольт подать. Все равно получается взять этот фейк, купить отдельно настоящий LM2576HV (если нужно действительно 60 Вольт - то еще нормальный конденсатор) и перепаять - быстрее и дешевле чем делать такую платку.
Аноним 01/04/17 Суб 00:01:11  277910
>>277908
Так тебе побольше нужна? Я думал ты опечатался просто.
Зачем? Изучаешь особенности нелинейных искажений или примочку к гитаре делаешь?
Аноним 01/04/17 Суб 00:04:00  277912
>>277852
Да, но не только - генератор сигналов, например, еще хочется хороший.
Аноним 01/04/17 Суб 00:06:18  277913
>>277910
>Диэлектрическая проницаемость изоляционных материалов является одним из основных параметров при разработке электрических конденсаторов. Применение материала с высокой диэлектрической проницаемостью позволяют существенно сократить габаритные размеры конденсатора.
Аноним 01/04/17 Суб 00:12:53  277914
>>277913
Там дальше написано (должно быть) за счет ухудшения чего (спойлер - всего) это уменьшение достигается. Ты дочитай.
Аноним 01/04/17 Суб 00:29:36  277919
>>277914
>Таким образом, требуемая площадь S обкладок обратно пропорциональна ε r.

>Значение диэлектрической проницаемости материала основания учитывается при разработке печатных плат, поскольку оно влияет на значение статической ёмкости проводящего рисунка слоев питания и волновое сопротивление проводников (линий передачи сигналов) на плате.
Больше ниче нет
Аноним 01/04/17 Суб 00:43:58  277922
cap.png (124Кб, 785x637)
>>277919
Аноним 01/04/17 Суб 02:20:17  277930
>>277903
Ночной бамп.
Аноним 01/04/17 Суб 04:04:15  277931
00294-tdnNbtoTe[...].jpg (367Кб, 2560x1440)
00293sqUjJ406KQ.jpg (608Кб, 2560x1440)
00257-JDt4FJDNT[...].jpg (144Кб, 1200x649)
00256-0ScprpikI[...].jpg (39Кб, 800x432)
>>277719
Бамп вопроса про вентиляторы.
Замерил - вентилятор 100x100x15. И что-то я даже на али не найду их.
Где такие можно купить?
Аноним 01/04/17 Суб 05:31:01  277932
>>277456
Смысл фоткать? Анон даже про правило правой руки нихуя не знает. Да и походу принцип работы тоже.
Генератор я уже собрал и отдал
Аноним 01/04/17 Суб 05:58:26  277934
>>277472
> 6-фазный
Мимо, там семь фаз с изолированным нулём, завтра новый статор сфоткаю, покажу. А по части вопроса - я уткнулся в те же документы, что и ты.
Аноним 01/04/17 Суб 06:08:27  277935
>>277905
ОУ - линейный сумматор, на нем не может быть сделан АМ модулятор.
Коллекторный однофазный электродвигатель Аноним 01/04/17 Суб 06:09:52  277936
InkedWhatsApp I[...].jpg (1252Кб, 1040x780)
Сап, раданы, нюфаня выходит на связь
Есть один коллекторный однофазный электродвигатель kn-4a1 от швейной машинки.
Хочу сделать с него небольшой станочек, по оборотам должен вывозить в самый раз, но необходимо добавить реверс.
Почитал немного про сабж, вроде как в них ставят конденсатор, когда разбирал - думал, что цилиндр на пикрелейтед - это конденсатор, но меня смущает то, что у него три вывода - два на контакты и один на обмотку.
Что это может быть?
Выяснил, что если поменять контакты на обмотках, то получится реализовать реверс.
Это действительно так? Не полыхнет? Не намотаюсь на него?
Аноним 01/04/17 Суб 06:10:38  277937
>>277880
Выкидываешь среднюю вертикаль (потенциалы узлов одинаковы, значит через вертикальные резисторы ток не течет) - получаешь 3 параллельные цепочки, всё.
Аноним 01/04/17 Суб 06:22:20  277938
InkedInkedWhats[...].jpg (1265Кб, 1040x780)
>>277936
>то, что у него три вывода - два на контакты и один на обмотку
Fix. Хуйню пизданул, он на статор третим контактом, а не обмотку.
Почитал вот это:
http://rembt888.ru/sh-m/remont-sh-m/17-elektroprivod-tur2
Написано:
>Кстати, если поменять концы обмоток местами двигатель будет крутиться в обратную сторону.
Концы обмоток - имеется в виду 1 или 2 (пикрил)?
Аноним 01/04/17 Суб 06:24:15  277939
>>277938
Если так, то это конденсатор фильтра.
Чтобы реверсировать такой двигатель - нужно поменять местами контакты ротора или статора.
Аноним 01/04/17 Суб 06:37:59  277940
>>277939
Спасибо!
Аноним 01/04/17 Суб 13:01:01  277964
123213123.jpg (125Кб, 720x1280)
кароч, случился ужас, уебали мне в универе сделать барометр в теме на курсач. собственно говоря я особо в таких штуках не силен, так что придется гуглить хуеву тучу всякого говна (уже попробовал), но суть такова, что нужен цифровой барометр. делать я его хочу не на 220в, а на 12в, чтоб он был мобильным.

может уже кто-то сталкивался у него есть годная схема? или с чего мне стоит начать, че купить?
за онову посоветовали взять эту поеботу http://www.jewelfox.ru/lot.php?id=8552

было бы годно, если б еще и сами сказали что лучше взять на этом сайте

PS: знаю, что совсем ахуел, но стараюсь найти легкий путь
Аноним 01/04/17 Суб 13:17:06  277965
>>277964
Ты движешься в правильном направлении!
Добавь ещё ардуину и дисплей, почитай туториалы и сделай.
Аноним 01/04/17 Суб 13:18:34  277966
>>277964
Возьми "механический барометр, который ещё принято называть анероидом", совмести его с самой простой фото-матрицей, и с помощью OpenCV парси картинку.
Получится намного точнее чем любой "цифровой барометр".
Аноним 01/04/17 Суб 13:41:04  277970
>>277965
https://krsk.au.ru/7311402/
сойдет?
Аноним 01/04/17 Суб 14:02:51  277973
IMG2333.JPG (578Кб, 1600x1200)
>>277970
Хули жыдовский стор, цены в три раза выше чем у китайцев? На али купи.

BMP180
Arduino mini
LCD1602
Bredboard
ds3231
STLink
Аноним 01/04/17 Суб 14:06:40  277974
>>277964
Друг мой, есть такая вещь, как Ардуино.
Тебе нужен цифровой. Берешь датчик давления. Хоть BMP280, но обычно к Ардуино цепляют BMP085. Различия, честно, не знаю. Но глянь даташиты.
Далее, бери жидкокристаллический экран от того же Ардуино. Надеюсь твои руки растут из правильного места и выводы для макетной платы ты припаять сумеешь.
Далее, берешь Ардуино Уно(это контроллер) и цепляешь на него экран, барометр.
Скетч на это дело ищешь в интернете, я б кинула свой, но я его грохнула.
С питанием. На барометр 3.3 вольта, на экран - 5вольт. Ардуино и без блока питания потянет.

Что тебе брать... Ну, как совет, еслии у тебя вообще ничерта нет:

Arduino UNO (планарная ATMega328), интерфейс на CH340G 550 рублей http://www.jewelfox.ru/lot.php?id=3771

Далее http://www.jewelfox.ru/lot.php?id=893 BMP085 или твой 280. Плюс 270 рублей.

Беспаечная макетная плата 14x64 отверстий MB-102 250 рублей. http://www.jewelfox.ru/lot.php?id=4506 (Можешь и без нее обойтись, я просто на деревяшке это дело крепила и паяла)

Провода

http://www.jewelfox.ru/lot.php?id=207 LCD дисплей 1602 символьный на HD44780 с подсветкой, синий (тебе еще нужно туда всунуть щетку, чтобы подключать к макетной плате) 220 рублей.

Схемы подключения этой гадости:

Экран: http://wiki.amperka.ru/_media/%D1%81%D1%85%D0%B5%D0%BC%D1%8B-%D0%BF%D0%BE%D0%B4%D0%BA%D0%BB%D1%8E%D1%87%D0%B5%D0%BD%D0%B8%D1%8F:lcd-connect.jpg

Барометр: http://arduino-project.net/wp-content/uploads/2014/04/Arduino_BMP085.png

Вместе подключишь тоже, только совместишь коды. Внимание. Есть выводы с полосочкой - это ШИМ. Если в схеме сказано к ШИМ, то ищешь вывод тоже с ШИМ, если обычный то ищешь обычный. Короче почитаешь даташит на контроллер.

Извини, что я объясняю, как для чайника. Пыталась вместить в сообщение все ошибки допущенные мной.



Аноним 01/04/17 Суб 14:37:53  277977
>>277964
А я как раз тоже делаюна стм 32, атятя!
>я б кинула свой, но я его грохнула
Сиськи в студию.
Аноним 01/04/17 Суб 14:38:22  277978
>>277974
>я б кинула свой, но я его грохнула
>>277977
Аноним 01/04/17 Суб 14:41:04  277980
>>277977
Интересно, как выглядит тян-арудинщик.
Аноним 01/04/17 Суб 14:43:55  277982
00364-iD7cv19zS[...].jpg (225Кб, 1200x800)
00363-LmfHVcSxgY.jpg (202Кб, 1280x560)
00362-jcKAGjW3U[...].jpg (132Кб, 1280x656)
00361-Tc2L2tVbv[...].jpg (169Кб, 1280x1280)
>>277931
Актуально
Аноним 01/04/17 Суб 14:45:34  277983
>>277979
>>277981
Зарепортил за шок-контент.
Аноним 01/04/17 Суб 14:46:14  277984
>>277982
Чувак найди их сам на компухтер универс или ещё где,по маркировке какнить.
Аноним 01/04/17 Суб 14:58:36  277986
>>277977
Молодец.
Аноним 01/04/17 Суб 15:00:33  277987
>>277984
По маркировки на моих вентиляторах?
Да блин.
http://www.nix.ru/autocatalog/deepcool/DEEPCOOL-DP-VCAL-V95-VGA-Coooler-V95-3pin-252dB-2000ob-min-Al_215324.html

Вот такой только нашел, но там с бандурой - радиатором. Нафиг мне переплачивать?
Аноним 01/04/17 Суб 15:11:42  277989
Тут дело такое... Есть стандартные типоразмеры вентиляторов. Ну 80х80х25, 120х120х25 там, всего с десяток.
А эти пидарасы спецом ставят такие вентиляторы чтобы ты не мог их поменять. И качеством похуже.
И вот начинает эта пиздюлька трещать, а замену можно найти только на другом конце планеты за дикий ценник.
Но ты у нас умный и обязательно найдёшь простое и дешевое решение этой проблемы. Мы верим.
Аноним 01/04/17 Суб 15:49:53  277993
14082867515269.png (10Кб, 700x472)
1481405806145.png (12Кб, 700x472)
Кароч, нужно высоковольтное постоянное напряжение. Обычный диодный мост от розетки 220в 50гц.

1. Если конденсатор не вешать, получаем пиковую напругу в 311 вольт, правильно?
2. Как определить параметры конденсатора? То, что он должен быть выше 311в это понятно, а ёмкость? Из школьной физики получаю формулу, что I/t = sqrt(2CU), где t = полупериод напряжения. А як быть, если I у меня сильно скачет?
3. Нахуя стабилитроны включают параллельно, когда по идее логичней последовательно?
Аноним 01/04/17 Суб 15:51:57  277994
>>277987
Бери любой трехпиновый 80мм вентилятор. Померяй точное расстояние между посадочными местами, может 92 подойдет. В крайнем случае их можно тупо приклеить пистолетом, сэкономишь на силиконовых болтах, шуметь будет меньше. Главное чтобы влезли. И бери чтобы столько же контактов было - три или четыре.
Аноним 01/04/17 Суб 16:05:54  277995
Безымянный.jpg (37Кб, 1174x399)
>>277993
314. С конденсатором тоже будет 314.
Хз что ты пытаешься сделать, конденсатор ставь последовательно до моста, шунтируй 1мОм, мощный резистор последовательно и стабилитрон с напряжением стабилизации параллельно. Стабилитрон будет пробиваться и коротить лишнее напряжение на резисторе.
Конденсатор бери минимум на 400 вольт, лучше на 600, или желтый Х2 на 275. Сопротивление считай по формуле 1/(23.1450гцёмкость). Мощность резистора считай по току нагрузкиотсекаемое напряжение, после стабилитрона поставь электролит и если нехуй делать - дроссель.
Вообще на 220 ставят варисторы вольт так на 300 щемта, можешь и то и другое поставить.
Аноним 01/04/17 Суб 16:08:54  277997
>>277995
А не, бля, 311, действительно.
> 1/(23.1450гц*ёмкость)
Аноним 01/04/17 Суб 16:10:23  277998
>>277997
блядь сука ты шутишь меня что ли
> > 1/(2×3.14×50гц×ёмкость)
Аноним 01/04/17 Суб 16:22:33  277999
Анон, у меня перебился провод наушников прямо возле штекера. Это уже не лечится, придется покупать запасные штекеры на али и припаиваться к ним?
Аноним 01/04/17 Суб 16:35:36  278000
.jpg (7Кб, 432x432)
Есть паяльная станция с тонким жалом, как на оппике. И я этим жалом никак не могу расплавить припой на китайских платах, иногда помогает приложить жало боком, но не везде это можно сделать. Так вот, может есть секреты какие, как правильно им пользоваться?
Аноним 01/04/17 Суб 16:40:50  278001
>>278000
Поднять температуру,взять жало потолще или лопаточку,поддувать феном на место пайки.Это я с дивана вещаю.
Аноним 01/04/17 Суб 16:41:57  278002
>>278000
Есть. Сменить жало, ибо это не предназначено для той деятельности, что ты описал.
Аноним 01/04/17 Суб 16:51:00  278005
>>277995
Мне надо по сути зарядить толстый конденсатор от розетки, но вместе с тем питать несколько упрвляющих высоковольтных хуиток на малый ток. (Что-то типа самопальной радиолампы.)

1. Ёмкость таки какую брать? Под максимальный предполагаемый ток?
2. Разве стабилитрон не надо ставить до резистора? Там ведь и так падение напряжения получается.
Аноним 01/04/17 Суб 17:20:06  278007
>>278000
Смени жало на микроволну
Аноним 01/04/17 Суб 17:21:48  278008
>>278000
Капай немного флюса — площадь контакта увеличится и припой будет быстрее плавиться.
Аноним 01/04/17 Суб 17:26:47  278009
>>278000
Возьми припой на кончик. Это жало для отпайки смд хуйни. Алсо оно у тебя недогревается.
Аноним 01/04/17 Суб 17:27:39  278010
На чипдипе атмелки всего на 20-50р. дороже, чем у блохастых китаез. Это значит, что и там и там паленые, или и там и там оригинал?
Не хочу купить багованную подделку, у которой разъебется флеш после десяти прошивок.
Аноним 01/04/17 Суб 17:34:56  278011
>>278010
В китае паленое говно чаще, чем в чипдипе.
Аноним 01/04/17 Суб 17:40:18  278012
>>278011
Это да, но не удивлюсь, если настоящих вообще нигде нет.
Аноним 01/04/17 Суб 17:43:05  278013
>>278005
Посчитай эквивалентное сопротивление для сети 220 и подставь его в формулу, я хз какой у тебя там ток.
Резистор до стабилитрона нужен чтобы не было кз, когда стаб пробьет. Сопротивление складывай вместе с реактивным. Номинал рассчитывай так, чтобы при делении резистор/нагрузка оставшееся напряжение было выше стабилизации. Ну и в коробку закрой, там развязки нет. Пробку поставь еще, если кондер пробьет - пизда будет.
Аноним 01/04/17 Суб 17:45:59  278014
>>278013
Ах да, если ток меняется - или ставь дохуя электролитов, или не болтай ерундой и сделай/купи нормальный бп с трансформатором.
Аноним 01/04/17 Суб 18:00:36  278017
>>278010
А по третьей колонке они даже дешевле чем у китайцев. А ещё случаются "распродажи" по околонулевому ценнику.
В партиях от 100шт даже на маузере дешевле чем у китайцев.
Аноним 01/04/17 Суб 18:02:54  278018
>>278017
Но при этом они дерут три шкуры за всякие говнорезисторы.
Аноним 01/04/17 Суб 18:03:55  278019
Что делать, анон? Я начал читать Хоровица, но когда началась ёбля с дифурами и комплексными числами, я перестал понимать математические выкладки, а уже к 50-й странице и вообще весь текст. Меня ещё можно спасти, или я слишком тупой?
Аноним 01/04/17 Суб 18:06:22  278020
>>278010
Чип и Дип уже довольно давно не стесняется торговать левотой, вовсю.
Пример с транзисторами - https://mysku.ru/blog/ebay/50078.html
Аноним 01/04/17 Суб 18:09:34  278022
>>278010
Флеш у нее не разъебется.
А вот разные сложноуловимые глитчи словить - это можно.
Аноним 01/04/17 Суб 18:11:26  278023
>>278022
Я уже даже и не знаю. Вероятность купить оригинал стремится к нулю.
Аноним 01/04/17 Суб 18:12:30  278024
>>278022
что это за хуйня?
Аноним 01/04/17 Суб 18:16:16  278026
>>278023
Да покупай, хуле ты? Подумаешь. где-то в каком-то регистре может бит от фонаря ебаться, будет очень весело искать такую хуйнюесли это вообще возможно.
Аноним 01/04/17 Суб 18:16:30  278027
>>278019
Вот тут понятно объясняют - https://www.youtube.com/watch?v=egoCdz9r5xs
Аноним 01/04/17 Суб 18:19:21  278028
>>278026
Тогда придется купить китайский же JTAG usb blaster, в котором, однако, тоже может что-то ебаться от фонаря.
Аноним 01/04/17 Суб 18:20:21  278029
LinearPSUi7.jpg (233Кб, 600x427)
>>278023
Digikey, Mouser, Farnell.

>>278024
Вот неплохой пример с http://easyelectronics.ru/mikrosxemy-iz-kitaya.html
>Тут мне стало интересно. Я достал злосчастную микросхему и решил упороться, но найти глюк. По счастью программа была написана на ассемблере и потому была полностью статичной, все адреса стояли жестко прибитые моей могучей рукой и довольно быстро я нашел где у меня валится программа. В одном из ветвлений адресный переход по таблице происходил в неведомые ебеня. Прижучив этот глючный адрес, я начал в каждой итерации главного цикла выплевывать эту переменную с адреса в USART. Третий бит адреса 0x0127 самопроизвольно менялся. Судя по тому, что изменения носили не хаотический характер, а некую неведомую систему можно предположить, что у контроллера что то внутри замкнуто не туда, от чего влияние других потрохов колышет этот злосчастный бит. Я обошел этот бит, сдвинув таблицы в памяти и все заработало. Впрочем я не уверен, что у этого контроллера нет других глюков.
Аноним 01/04/17 Суб 18:21:55  278030
>>278026
А вообще это возможно и даже легко сделать, я легко напишу на ассемблере проверялку, которая грузит все регистры в разных диапазонах значений и прогоняет арифметические операции, сравнивая результат с зашитым во флеш правильным ответом. Если что-то не так можно зажечь лампочку.
Или через жтах вообще изи. Сколько там регистров, 30? И 2кб RAM? Ерунда.
Аноним 01/04/17 Суб 18:23:00  278031
>>278028
Да забей ты. Неужели ты клепаешь ёба-девайсы, от которых зависит жизнь людей? На нескольких контроллерах позапускал программу и выявил бракованныйно ты же знаешь, что дело на самом деле в твоей кривой программе:3.
Аноним 01/04/17 Суб 18:23:13  278032
>>278030
И этот бит будет плавать раз в 1000 раз, и в зависимости от фаз Луны.
>изменения носили не хаотический характер, а некую неведомую систему можно предположить, что у контроллера что то внутри замкнуто не туда, от чего влияние других потрохов колышет этот злосчастный бит.
Аноним 01/04/17 Суб 18:29:03  278034
>>278031
>>278032
Вы видели, как работает тестер RAM на пека? Много проходов, все варианты значений, все варианты операций.
Аноним 01/04/17 Суб 18:30:15  278035
>>278032
Уууу, аж страшно представить. На асме хоть и понятней в разы программа, но тоже нет стопроцентной гарантии обнаружения таких вот плавающих глюков, а на си то и вовсе лучше забить на поиск глюка.
Аноним 01/04/17 Суб 18:32:14  278036
>>278035
Можно дублировать критические вычисления, например.
Аноним 01/04/17 Суб 18:39:36  278040
>>278036
Можно и два МК поставить, и сравнивать каждое значение, перезапуская те что не совпали результатами. Так когда-то делал Tandem.
Ради экономии 20 рублей это очень эротично будет выглядеть.
Аноним 01/04/17 Суб 18:40:33  278041
>>278040
Зато познавательно, синхронизация на кварце, все такое.
Аноним 01/04/17 Суб 18:44:50  278043
>>278041
Ну если для познавательности, то http://yarchive.net/comp/fault_tolerant.html
Аноним 01/04/17 Суб 18:47:30  278044
>>278029
>Digikey, Mouser, Farnell.
Эти вообще не торгуют леваком? У них цены на мегу32 как в чипдипе.
Аноним 01/04/17 Суб 18:50:12  278045
>>278044
Не были замечены в таком, по крайне мере.
На многое и ниже чем в ЧипиДипе. Выше чем в нем цены вообще не бывают.
Аноним 01/04/17 Суб 18:52:59  278046
>>278045
При этом китай у самого топового барыги всего на 0.5-1$ дешевле получается, чем в этом digikey'е хотя у них по определению не может быть оригиналов.
Аноним 01/04/17 Суб 18:53:36  278047
>>278045
Зато у них доставка нормальная. Когда тебя доебет ждать по 7 месяцев доставку, то пойдешь в чд затариваться
Аноним 01/04/17 Суб 18:59:11  278049
Я не пойму, экранчик 1602а может работать от 3.3 вольт или обязательно 5 надо?
Аноним 01/04/17 Суб 19:10:10  278052
>>278047
У одних пидаров доставка стоит 120 долларов, у других 20 евро, совсем ебанулись там.
Аноним 01/04/17 Суб 19:14:15  278053
gcx.jpg (66Кб, 634x476)
>>278047
EMS

>>278041
Кстати, такие подходы можно применять не только с МК
> Now, what if we measure not just with one ADC, but with two, of the same kind, and hopefully, with the same non-linearity, but, with the polarity reversed. I.e., because of the fully differential nature, we can measure, simultaneously, the same voltage, both in the positive and negative direction. Doing this adequately should cancel out most of the (integral) nonlinearity. Furthermore, if use two independent references, for the two ADC we will also gain noise margin – because some of the noise in non-correlated and will cancel out – also, we will acquire the same signal independently, and do the averaging digitally! For non-correlated noise, this means about 3 dB gain, about half a bit!
> It only means that finally, we will need to put in 8 ADCs to measure two voltages, but, well, who cares
> http://www.simonsdialogs.com/2014/09/the-best-solution-most-likely-let-the-nonlinearities-inl-cancel-out/

>>278049
Дисплейчик может и от 3.3, а контроллеру может и не хватить.

>>278052
Ну ты же не собрался одну Мегу заказывать?
Аноним 01/04/17 Суб 19:15:17  278054
>>278053
Не одну конечно, но такая цена доставки может удвоить цену покупок.
Аноним 01/04/17 Суб 19:18:11  278055
>>278049
От 3,3 будет ничего не видно, хотя контроллер будет работать. Будет работать при подаче на вывод регулировки контрастности отрицательного напряжения. На плате дисплея вроде даже места для деталей генератора отрицательного напряжения есть.
Аноним 01/04/17 Суб 19:20:17  278056
>>278055
Да, я все перепутал http://we.easyelectronics.ru/lcd_gfx/33v-zhk-indikator-iz-obychnogo-5v.html
Аноним 01/04/17 Суб 19:22:29  278057
>>278027
Спасибо, друг.
Аноним 01/04/17 Суб 19:25:18  278058
>>278055
А если отдельно запитать подсветку экрана 5-ю вольтами? Прокатит?
Аноним 01/04/17 Суб 20:01:19  278063
>>278058
При чем тут подсветка, жк-элементы будут блеклыми.
Аноним 01/04/17 Суб 20:04:10  278064
Аноны, подскажите.
Проверяю тиристор т122-25-10-6 мультиметром. Красный щуп (+) присоединяю к аноду, чёрный к катоду (-), замкнул отвёрткой управляющий электрод и анод, ток идёт.
Красный щуп (+) присоединил к катоду, чёрный (-) к аноду, замкнул отвёрткой управляющий электрод и анод, ток опять идёт.
вроде бы правильно расписал
Он пробит? Или так и надо?
Аноним 01/04/17 Суб 20:13:34  278065
Сап радач
Поясни за покупку сканера
Если он сканирует больше чем обычные частоты, его обязательно регистрировать?
А мне идти получать позывной и лицензию, вроде
Я не могу просто заказать его по интернету/притопать и купить ногами в магазине?;)
Аноним 01/04/17 Суб 20:15:37  278067
>>278065
Поедешь на сгуху, щас за лайки сажают.
Аноним 01/04/17 Суб 20:32:56  278070
>>278063
Можно зайти с другой стороны. у микроконтроллера есть 5volt tolerant pins, если использовать их и запитывать экранчик 5 вольтами?
Аноним 01/04/17 Суб 20:45:39  278071
>>278070
У тебя нет источника 5в? Не можешь прокинуть отдельно от МК?
Аноним 01/04/17 Суб 20:59:27  278072
>>278071
Могу
Аноним 01/04/17 Суб 21:00:23  278073
>>278072
А в чем проблема? Из твоих вопросов нихуя не понятно. Хочешь ногой управлять питанием экрана? Юзай транзистор.
Аноним 01/04/17 Суб 21:06:02  278074
>>278073
Не питанием, а экраном, логикой.
Аноним 01/04/17 Суб 21:11:53  278075
>>278074
В даташите написано, что питалово логики и чего-то там еще 5V, а инпут hi 2.2 - Vdd, low -0.3 - 0.6. Кажется проблем вообще нет.
Аноним 01/04/17 Суб 21:19:22  278077
>>278072
А что с экзаменом?
Действительно сидеть учить или пришёл и галочку поставили "за так"/почти;)
Аноним 01/04/17 Суб 21:30:29  278078
>>278075
В даташите на что? У меня китайский дисплей при питании 5 В начинал работать при уровне управляющих сигналов 3,4 В.
Аноним 01/04/17 Суб 21:32:02  278079
>>278078
На экранчик 1602а, шизик.
Аноним 01/04/17 Суб 21:34:42  278080
mix.jpg (61Кб, 600x457)
>>276268 (OP)
Ребза, как малой кровью подать два сигнала на усилитель с разных источников? Одновременно играть они не будут. Можно сделать как пикрилейтед? Заебался уже перетыкать тюльпаны.
Аноним 01/04/17 Суб 21:36:50  278081
А как насчет http://www.taydaelectronics.com?
Аноним 01/04/17 Суб 21:37:36  278082
>>278080
микшерный пульт раздобудь и всё
Аноним 01/04/17 Суб 21:48:29  278085
>>278075
>а инпут hi 2.2
Он может не только читать данные, но и отправлять.
Аноним 01/04/17 Суб 21:50:05  278086
>>278085
Отправляет на 2.4 hi 0.4 low. Блядь я опять читаю за кого-то даташиты, я нормален?
Аноним 01/04/17 Суб 21:51:22  278087
>>278079
Сам такой.
Даташит на GDM1602A или WH1602A, BC1602A, ITM-1602A, WP1602A и т.д.? В них разные контроллеры, совместимые по командам с HD44780.
А если ты про https://www.openhacks.com/uploadsproductos/eone-1602a1.pdf , то ты читаешь не там. Эти числа указаны для Vdd=3.0V±10%
Аноним 01/04/17 Суб 21:54:05  278089
>>278087
Лол и правда, но в той же таблице vdd 5.
Аноним 01/04/17 Суб 21:58:04  278091
>>278089
Это Vdd-Vo, тот самый вывод для управления контрастностью. И этот "даташит" не обязательно от твоего дисплея.
Аноним 01/04/17 Суб 22:01:07  278093
>>278091
а как узнать какой у меня дисплей? на нем только QAPASS написано и всё.
Аноним 01/04/17 Суб 22:04:02  278094
>>278093
А как ты его купил вообще?
Аноним 01/04/17 Суб 22:04:08  278095
>>278093
на али, где покупал, вообще какое-то пиздаство написано.
LCD 20X4 5V yellow-green
на нем нихуя не 4 строчки, а 2, пиздеж какой-то
Аноним 01/04/17 Суб 22:06:21  278096
>>278093
Не от нокиа?
Аноним 01/04/17 Суб 22:08:01  278097
>>278096
говорю же, не написано нихуя
Аноним 01/04/17 Суб 22:08:31  278098
>>278097
https://ru.aliexpress.com/item/LCD-1602-yellow-green-screen-5V-1602-LCD-display-with-backlight/32413056677.html
вот в точности такой.
Аноним 01/04/17 Суб 22:09:25  278099
>>278098
Это 1602, клон ардуино-помойки или что-то типа того. Тот даташит что кидали выше в треде как раз от него.
Аноним 01/04/17 Суб 22:10:27  278100
>>278099
так он будет читать 3.3в сигналы при питании от 5в или нет?
Аноним 01/04/17 Суб 22:12:03  278102
>>278100
Мнения разделились. Читай тред.
Аноним 01/04/17 Суб 22:13:21  278103
intredasting.jpg (43Кб, 604x499)
>>278102
ладно, я проверю и отпишусь
Аноним 01/04/17 Суб 22:14:22  278105
>>278103
Там значения хай-лоу даны для 3v vcc, хотя он жрет 5, хуйня какая-то.
Аноним 01/04/17 Суб 22:16:18  278106
>>278105
да, я уже понял
Аноним 01/04/17 Суб 22:27:37  278107
>>277590
> Что за вольтметры такие ёбнутые?
Школьные лабораторные, должно быть. У них как-раз сопротивление меньше килоома.
Аноним 01/04/17 Суб 22:36:21  278111
>>278107
Тогда у них шкала 0-12в получается?
Аноним 01/04/17 Суб 23:27:49  278114
>>278103
проверил, нихуя не работает.
но скорее всего дело в том, что я даун и сжег контролер экрана, случайно подав 5в на землю. Бля, сделали бы хоть какую-нибудь защиту от дурака, пиздец
Аноним 01/04/17 Суб 23:30:07  278115
>>278114
Ты на али его покупал? А мк какие-нибудь? Глюки есть? а если найду?
Аноним 01/04/17 Суб 23:33:50  278117
>>278115
да я всё на али покупаю. стм32 купил 2шт, обе работают, глюков не выявил. еще стм8 купил, но до них руки не дошли пока
Аноним 01/04/17 Суб 23:34:03  278118
.jpg (237Кб, 1267x871)
Хочу из говна пикрелейтед сделать зарядник для какумуляторов на LTC3780. Сколько честных ватт из него теоретически можно выжать?
Аноним 01/04/17 Суб 23:35:34  278119
>>278114
при подаче питания контроллер черная блямба справа платы за секунду раскаляется и я сразу выключаю питание. значит пизда ему?
Аноним 01/04/17 Суб 23:52:36  278120
10pcs-lot-STM32[...].jpg (138Кб, 800x600)
>>278117
Типа таких модули брал? Может конкретного продавана дашь, раз без глюков?
Аноним 02/04/17 Вск 00:05:50  278121
>>278120
Я брал, всем доволен. Продавец, полагаю, любой - я брал тупо где дешевле.
Единственный момент: чтоб юсб работало как юсб (а не только питалово) я перепаивал резистор (или можнл допаять параллельно имеющкмуся). Подпобносьти не помню, см. спецификпцию на юсб.
Аноним 02/04/17 Вск 00:06:25  278122
>>278120
тут
https://ru.aliexpress.com/item/STM32F103C8T6-ARM-32-Cortex-M3-STM32-SWD-Minimum-System-Development-Board-Module-Mini-USB-Interface-For/32246273606.html
,а вторую тут
https://ru.aliexpress.com/item/Free-Shipping-STM32F103C8T6-ARM-STM32-Minimum-System-Development-Board-Module-For-arduino/32555258029.html
вторая гораздо качественнее.
Аноним 02/04/17 Вск 00:37:13  278128
>>278121
>>278122
Разрываюсь между ними и мегами. Тут кресты, там прикольный ассемблер и проще подключение.
С этими готовыми схемами я могу скатиться до ардуиноребенка, а собирался вкурить основы схемотехники.
У этих модулей есть аналог JTAGа? Внутрисхемный отладчик.
Аноним 02/04/17 Вск 00:55:58  278129
>>277989
>Тут дело такое... Есть стандартные типоразмеры вентиляторов. Ну 80х80х25, 120х120х25 там, всего с десяток.
>А эти пидарасы спецом ставят такие вентиляторы чтобы ты не мог их поменять. И качеством похуже.
>И вот начинает эта пиздюлька трещать, а замену можно найти только на другом конце планеты за дикий ценник.
>Но ты у нас умный и обязательно найдёшь простое и дешевое решение этой проблемы. Мы верим.
Купить обычный кулер, достать начинку и распечатать на 3д-принтере корпус нужных размеров.
Аноним 02/04/17 Вск 01:00:06  278130
>>278129
И получить несбалансированную хуйню?
Аноним 02/04/17 Вск 01:00:49  278131
>>278128
есть, но я хуй знает как им пользоваться
Аноним 02/04/17 Вск 01:15:29  278132
>>278131
А внешняя RAM? На такой стмке можно запилить невъебенный калькулятор, да даже лисп-интерпретатор полноценный. ебаный насос.
Но круче будет сделать это на батарее аврок. Все тянки потекут. Блядь. Только на древовидных рекурсиях можно обосраться. Памяти тонет. Надо реализовать концевую рекурсию.
Это охуенно. Еще бы олдфажный экранчик какой-нибудь надыбать, не такой попсовый, как тот. который анон в треде сжег.
Алсо ревестирую внешнюю RAM, которая подойдет к авр.
Аноним 02/04/17 Вск 01:28:40  278133
>>278132
Этот кодер порвался. Несите нового.
Аноним 02/04/17 Вск 03:00:19  278136
>>278132
Не нужна тебе внешнаяя RAM.
А масочную ПЗУ на конденсаторах соберешь.
Аноним 02/04/17 Вск 03:08:27  278137
>>278055
http://easyelectronics.ru/generator-otricatelnogo-potenciala.html
https://electronics.stackexchange.com/questions/214538/power-hd44780-based-lcd-with-3-3v-by-using-a-negative-contrast-voltage
Аноним 02/04/17 Вск 03:22:26  278138
>>278136
Даже с однобайтной кодировкой полноценная лисп-машина требует дохуя озу из-за рекурсий. В лиспе циклов тонет. Концевая рекурсия опять же, но используется и обычная.

Если же делать просто олдфажный компьютер, то один хуй нужно дохуя озу. Наверное даже два чипа или больше.
Как деды делали - один компьютер попроще формирует поток данных и команд, загружает это в озу, большой компьютер выполняет команды, загружает выходной поток в озу, компьютер попроще или третий компьютер формирует выходные данные (печатает перфокарты).
Одна память используется как поток, вторая стек, еще наверняка что-то понадобится.
Потоковая озу больше адресного пространства меги в разы, поэтому у нее какой-то свой контроллер, который просто срет следующими пакетами.
Внутренняя SRAM может быть стеком, скорее всего. Однако его некуда скинуть при переполнении, поэтому придется лепить еще одну озу.
Очевидно при большой памяти можно захуярить серьезную машину, пусть и медленную.
Аноним 02/04/17 Вск 03:25:35  278139
>>278138
И вообще я сделаю перфокарту на лентах от чеков. Буду сервомторчиком ее катать и дырки ебашить. Читать фотоэлементом. Изи вообще.
Аноним 02/04/17 Вск 03:29:46  278140
>>278139
Нет, блядь, это тупо. Лучше магнитный накопитель. Механика от магнитофона у меня есть, головка есть, уверен работать ею с мк проще простого.
Аноним 02/04/17 Вск 04:05:52  278142
>>278019
если ты веришь что без этой мат хуйни тебе никак не обойтись, то тебя не спасти
Аноним 02/04/17 Вск 04:36:20  278143
yGyDl6x.jpg (190Кб, 665x706)
>>278142
Не сбивай его, он мыслит в правильном направлении. Хотя и начал с плохого - Хоровиц и Хилл это типичный радиоинженерский учебник типа "а вот всеми этими 100500 тонкостями мы пренебрежем, потому что на логарифмической линейке хуево считается" - но все-таки пытается разобраться.
Все эти выкладки на доске повторять в 2017 году совершенно необязательно, разумеется - но понимать в целом что и как, например, моделируют SPICE-тулзы (еще важнее понимать чего они не моделируют, но это потом) намного лучше чем рассуждать на уровне ПТУ в терминах "идеальных фильтров с нелинейностями только первого порядка".


Аноним 02/04/17 Вск 04:45:41  278144
>>278143
Предлагаешь Сворня?
Аноним 02/04/17 Вск 04:48:00  278145
>>278144
>>278027
Аноним 02/04/17 Вск 04:50:45  278146
>>278138
>один компьютер попроще формирует поток данных и команд, загружает это в озу, большой компьютер выполняет команды, загружает выходной поток в озу, компьютер попроще или третий компьютер формирует выходные данные (печатает перфокарты)
И сейчас так делают. Только с кластерами, FPGA fabrics и RDMA.
Аноним 02/04/17 Вск 04:57:58  278149
blob (25Кб, 373x604)
>>277935
Ну вот что-то типа такого получается. Но конечно без еще одного активного элемента не обойтись, хотя опять же как именно jfet тут помогает умножать я не ебу. Он тут выступает в роли vcr вроде бы. Но при этом еботни меньше, ничего подбирать не надо, никаких выходных ВЧ фильтров и проч. Умножает как из ружья падла.

>>278143
Так а зачем, зачем, какие задачи?
Это как все равно что заниматься чистой математикой с пруфами и тп вместо прикладной. Какие у чайника могут быть задачи, если вчера он не знал закона ома, а сейчас peer pressure заставляет его читать хоровца и ломать голову над преобразованиями лапласа. Для его реальных задач вряд ли это когда-то понадобится.
Аноним 02/04/17 Вск 05:03:02  278150
>>278149
>не знал закона ома
https://www.youtube.com/watch?v=G3H5lKoWPpY
Аноним 02/04/17 Вск 05:10:17  278151
1415708431587[1].jpg (47Кб, 411x486)
>>278150
Во-во, и на таком уровне я тоже заморачивался. Сперва я про кондер думал очень просто на уровне васяна - он пропускает переменный ток и не пропускает постоянный. А потом я блять задумался а как именно? и заморочился зарядами, диффурами, вот такими видео, и вроде разобрался. Но потом постепенно все забыл ибо нахуй не надо, а понимание выше на уровне васяна оно самое практичное. При помощи него можно свои схемы лепить. Поэтому самое главное знание - это пикрил.
Аноним 02/04/17 Вск 05:26:08  278152
>>278151
Я сначала даже осциллограф хотел купить, а потом понял, что обойдусь логическим анализатором.
Рвение ньюфага разрушительная сила.
Аноним 02/04/17 Вск 05:40:12  278153
Сап, ra, мучаюсь второй день с esp12e, ловлю fatal exception(0), прогаю и вгружаю в arduino ide (да простит меня анон). После того как делаю flash в nodemcu flasher ошибка пропадает, но как только что-то вгружаю, начинаю ловить exception. До этого все работало нормально.
Аноним 02/04/17 Вск 08:07:56  278157
правда, что положительный заряд — это не "заряженный электронами", а наоборот способный забрать их?
Аноним 02/04/17 Вск 08:15:39  278158
>>278157
судя по гуглу так :
Носителем отрицательного заряда является электрон, положительного - протон.
Аноним 02/04/17 Вск 08:16:26  278159
>>278158
ой это не то
Аноним 02/04/17 Вск 08:16:56  278160
вернее, это то
>Носителем отрицательного заряда является электрон
Аноним 02/04/17 Вск 08:35:34  278161
>>276268 (OP)
а
Аноним 02/04/17 Вск 09:08:49  278162
Появился полевой транзистор и необходимость сосчитать зависимость скорости полного открытия истока от размеров деталей транзистора и напряжения на 2ух других входах.
Есть советы формулы?
Аноним 02/04/17 Вск 09:54:12  278164
>>278151
Петрович даже этого не знает, и нормально - с пацанами на автоподставах поднимает зашибись.
Так что ты забудь уж и про закон Ома тогда, зачем оно?

>>278157
Все равно это условности, на таком уровне рассуждений разницы нет никакой. Вон американцы считают что между "плюсом" и "минусом" ток в одну сторону течет, а на постсоветском пространстве традиционно считается что в другую - кроме как для условных обозначений "каким боком подключать батарейку" это все равно не имеет смысла. Как договоритесь так и будет.
Аноним 02/04/17 Вск 09:56:49  278166
>>278164
>Вон американцы считают что между "плюсом" и "минусом" ток в одну сторону течет
но научно закреплённые названия зарядов вроде есть.
например я привёл ссылку с сайта по физике.
есть ж объективная разница между тем может ли что-то забрать электрон или отдать.
Аноним 02/04/17 Вск 09:59:26  278167
>>278166
Это все настолько упрощенные аналогии уровня "электроны движутся из розетки в лампочку", что разницы нет, говорю же.

>есть ж объективная разница между тем может ли что-то забрать электрон или отдать
И что же электрон забирает и отдает?
Аноним 02/04/17 Вск 10:01:25  278168

>>278167
а аналогии при чём?
>И что же электрон забирает и отдает?
как в приведённой цитате, отрицательно заряженное отдаёт электрон.
Аноним 02/04/17 Вск 10:19:53  278170
>правильно не дырка, а отверстие!
сморите чё нашёл https://ru.wikipedia.org/wiki/Дырка
Аноним 02/04/17 Вск 12:28:04  278183
Посоны, вопрос не совсем совсем не по теме раздела, но ответ вряд ли найду где-то ещё. Поясните за цены, скажем, на ебэе. Почему некоторые микросхемы (типа, скажем, стм32ф103) идут по цене грязи и из Китая, а некоторые только из европки/сшашки и на порядок дороже? Китайцы реверс-инжинирят популярные микрухи? Или пиздят? Или покупают? Понятно, когда речь идёт о какой-нибудь йобе типа последнего виртекса. Но зачастую и что-то простое типа тех же старых стмов в определённом корпусе не найти по дешевке.
Аноним 02/04/17 Вск 12:37:25  278185
У меня сломался старый советский холодильник.
На вилке сопротивление больше 2мОм. Должно быть меньше или это нормально?
Аноним 02/04/17 Вск 12:43:44  278186
>>278185
Съеби.
Аноним 02/04/17 Вск 12:45:40  278187
>>278183
Спрос-предложение, рыночек порешал.

У некоторых чипов есть чисто китайские аналоги, их можно перемаркировать или даже пустить как есть.
Другие чипы пользуются бешеным спросом, их закупают миллионами, ещё скроить на качестве - и ценник будет совсем низким.
На фоне этого тупая мега в дип корпусе будет золотой.

И вроде у STM32F103 как раз есть чисто китайский клон.
Аноним 02/04/17 Вск 12:57:53  278188
>>278186
Очень помог. Нет сказать "не нормально, ищи сгоревший предохранитель" или "это нормально, проблема сложнее". Просто - пошёл нахуй, плати 100$ мастеру, который скажет, что заменил компрессор, хотя просто заменил предохранитель.
Аноним 02/04/17 Вск 13:00:44  278189
>>278188
Для начала проверь кабель, потом предохранитель.
Аноним 02/04/17 Вск 13:07:38  278190
раз.jpg (336Кб, 1080x1920)
два.jpg (243Кб, 1080x1920)
>>277472
Во, статор
Аноним 02/04/17 Вск 13:07:54  278191
>>278188
Да ради бога. Обращайся ещё.
Аноним 02/04/17 Вск 13:09:03  278192
>>278185
стесняюсь спросить, как ты замерил 2мОм?
Аноним 02/04/17 Вск 13:45:54  278201
>>278185
"Это много".
Аноним 02/04/17 Вск 13:47:38  278203
U1119CH1.jpg (84Кб, 1500x1000)
Сап, ра. Я совсем ньюфаг, но есть задача, которую я хочу давно решить. Некоторое время пользуюсь индукционной плитой вроде пикрилейтед, но у нее есть огромный недостаток - она ОЧЕНЬ ГРОМКО пищит каждый раз, когда я нажимаю любую кнопку, и это будит всех в доме, когда я прихожу с работы и хочу приготовить еду.

Так вот, планирую разобрать и найти динамик/пьезо пищалку и что-то с ней сделать. Вопрос только в том, что именно я могу с ней сделать? Могу просто отрезать нахуй? Или надо заменить чем-то?
Аноним 02/04/17 Вск 13:50:10  278206
>>278201
схуя ли много? при 5 амперах потребляемого тока это всего 0.05вт мощности
Аноним 02/04/17 Вск 14:11:12  278218
>>278203
Можешь просто обрезать. Я на бесперебойнике себе так сделал.
Аноним 02/04/17 Вск 14:11:37  278219
>>278206
Ну и нахуя тогда спрашиваешь, если сам всё знаешь?
Аноним 02/04/17 Вск 14:32:34  278224
192855841w200h2[...].jpg (12Кб, 200x150)
90582352w0h430c[...].jpg (27Кб, 600x400)
>>278189
>>278192
>>278201
Нука подскажите.
Подключил сейчас через ваттметр, потребление 0.000A, для сравнения у док станции телефона - 0.005A.
Проверил компрессор как тут https://www.youtube.com/watch?v=chReSt1wCxo
Всё нормально.
Теперь разбираюсь с "пускозащитным реле" - ПЗР-03.
Но можете подсказать, если потребление 0A, то это проблема в реле или его должна запускать другая электроника? Там у одного контакта реле провод идёт вверх, где стоит температурный датчик, как я понял.
Пока ещё не разобрался в принципе работы этого реле, может подскажете так.
Аноним 02/04/17 Вск 14:37:37  278226
>>278224
Релюху разбери чё там как. Они любят обгорать до трухи.
Аноним 02/04/17 Вск 14:38:11  278227
>>278224
И фотку компрессора, куда релюха цепляется дай ещё.
Аноним 02/04/17 Вск 14:38:21  278228
>>278188
>Очень помог.
Пиздец ты долбоёб
Тут по твоему бабки Ванги сидят?
Хоть бы модель холодильника написал для приличия, или схемку прикрепил, рак ебаный.
Аноним 02/04/17 Вск 14:42:21  278229
>>278219
Я вообще другой анон. Просто не пойму что за вакханалию вы тут устроили.
Аноним 02/04/17 Вск 14:43:05  278230
DOC000132048.jpg (12Кб, 300x300)
>>278203
Заклей отверстие бипера скотчем, или замаж силиконовым герметиком
Аноним 02/04/17 Вск 14:44:27  278231
Примитивный лазер (например, из указки и дисковода, или из других доступных материалов), присоединить его к датчику слежения (инфракрасный, ультразвуковой, свч), привод для поворота лазера в двух плоскостях, и миникомпьютер (ардуина какая-нибудь или что помельче и попроще, может к пк по usb подключить, или телефону). Датчик будет сканировать пространство, компьютер определять среди движущихся объектов комаров и давать команду приводу направлять лазер, потом пшик — и комара нет.
Такое можно сделать своими руками без сверхспособностей и огромных затрат? Были примеры?
Аноним 02/04/17 Вск 14:46:48  278233
>>278231
Не реально.
Аноним 02/04/17 Вск 14:50:04  278234
>>278231
Уже делал кто-то. Линк за давностью лет искать впадлу, но суть та же. Лазером мух отстреливали.
Аноним 02/04/17 Вск 14:57:34  278235
>>278231
нужен датчик с огромной точностью, он будет стоить наверно пару сотен тысяч рублей. иначе хуета получится
Аноним 02/04/17 Вск 14:58:14  278236
>>278231
алсо каким образом идентифицировать именно комара?
Аноним 02/04/17 Вск 14:59:05  278238
>>278236
По размеру объекта и скорости?
Аноним 02/04/17 Вск 14:59:50  278239
DSC00885.JPG (820Кб, 2048x1536)
>>278114
Блядь, чудеса.
мне все таки удалось раскочегарить экранчик. но у него справа вверху четыре необъяснимых квадратика, которые пропадают через полминуты работы экрана. Что это за хуйня?
Аноним 02/04/17 Вск 15:40:08  278242
>>278239
>четыре необъяснимых квадратика
В общем никакие мои манипуляции не смогли их убрать, более того в эти места ничего не пишется, видимо это какой-то косяк либо в экране либо в контроллере экрана.
Аноним 02/04/17 Вск 15:42:10  278243
1491136955073.jpg (1333Кб, 2448x3264)
>>278230
Вот это он в центре с отверстием? Очень похоже на твою картинку.
Аноним 02/04/17 Вск 15:42:19  278244
>>278224
Ну холодильник заработал. Но точную проблему я не нашел.
Я пока разбирал, я же дёргал провода все. Ещё реле потряс, продул, протёр, наждачкой контакты зачистил и он заработал. Вот чёрт знает теперь.
Наверное скоро вернусь снова с поломанным холодильником. Не мог же он вот так взять и исцелиться.
Аноним 02/04/17 Вск 15:45:09  278245
>>278243
Да, это он.
Аноним 02/04/17 Вск 15:46:16  278246
>>278244
Ещё я так и не понял что за провода идут в реле. Три провода звонятся на три выхода компрессора. Но в гугле пишут, что там два провода должно быть. Сначала фаза подаётся на рабочую обмотку и на секунду на пусковую. А у меня какой-то третий входящий провод...
Аноним 02/04/17 Вск 15:53:02  278247
Как называются копролоновые ножки, на которые платы можно лепить друг на друга этажеркой? С винтиками такие. Вставляются в угловые дырки.
Аноним 02/04/17 Вск 15:57:36  278249
>>278247
Стойки вроде.
Аноним 02/04/17 Вск 15:58:53  278250
>>278247
Standoff
Аноним 02/04/17 Вск 15:58:56  278251
>>278247
https://www.chipdip.ru/catalog-show/pcb-metal-supports
Аноним 02/04/17 Вск 16:00:08  278252
>>278250
>>278251
О, пасибки. мог бы и догадаться
Аноним 02/04/17 Вск 16:03:51  278253
>>278252
Алсо покупай латунь онли, M3. Ещё глянь в чипе, иногда бывают нестандартной длины по цене металлолома.
Аноним 02/04/17 Вск 16:16:21  278255
>>278245
Натолкал внутрь ваты, а сверху заклеил несколькими слоями изоленты. Сработало, благодарю.
Аноним 02/04/17 Вск 16:22:26  278259
>>278203
Поставь резистор на одну ногу динамика, будет пищать в несколько раз тише. Подбери 1к-5к-10к-30к.
Аноним 02/04/17 Вск 16:22:54  278260
>>278255
Ебать варвар... фошист...
Аноним 02/04/17 Вск 16:23:44  278261
>>278259
>>278260
У меня даже паяльника тут нет, так что..
Аноним 02/04/17 Вск 16:48:38  278264
maxresdefault[3].jpg (63Кб, 1920x1080)
>>278261
Аноним 02/04/17 Вск 16:56:39  278267
>>278255
Ахахахха
Аноним 02/04/17 Вск 16:59:22  278268
>>278267
Решение уровня /ra
Аноним 02/04/17 Вск 17:02:00  278269
аудио2213плата.jpg (747Кб, 2074x1383)
Это аудио блютуз плата с клона сигвея Smart Balance, и я хочу заменить китайско-английское приветствие на что нибудь другое.

Я так понимаю, прошивка и звуковой фаил сидит на микроконтроллере(или флешке???) которую я подписал AS 1635DA1518-03A.

Проблема в том, что я не могу ее опознать\пробить в интернете, что мне делать?
Аноним 02/04/17 Вск 17:03:45  278270
>>278268
Скорее уровня /га
Аноним 02/04/17 Вск 17:06:04  278271
>>278269
Это очередная проприетарная хуитка, в корпусе может быть что угодно, плюс 100% стоит защита. Ничгео ты не сделаешь.
Аноним 02/04/17 Вск 17:11:19  278272
>>278271
Так или иначе, на чем то же оно все таки основано? ТОгда возникает вопрос- как узнать, на чем? Насчет защиты- это же просто китайский клон, кому это нужно?
Аноним 02/04/17 Вск 17:12:41  278273
Собственно есть 2 3s lipo батареи соединенные последовательно (то есть получается 6s) вопрос могу ли я заряжать их вместе спаяв их разъёмы для зарядки? То есть буду заряжать как 3s два аккума сразу(насколько я понимаю просто заряжаться будут в 2 раза дольше),и не навредит ли им это?
Аноним 02/04/17 Вск 17:13:19  278274
>>278272
В одном корпусе бывают разные микроконтроллеры и не только. Если это не стандартная маркировка какой-то серийной детали то все хуй.
Защита обычно ставится одним битом, просто вкл/выкл, и запрещает контроллеру отдавать свою флеш-память.
Аноним 02/04/17 Вск 17:23:36  278276
>>278269
Учить китайский, общаться на китайских форумах.
В любом случае полезно, кстати - у них там весьма движуха. Да и мозги изучение иероглифической письменности развивает.
Аноним 02/04/17 Вск 17:26:06  278277
>>278253
> латунь онли
Если хочется немного виброразвязки и побольше изоляции, тогда наоборот, пластиковые болтики, гаечки и стоечки решают.
А то фторопласта на вашу латунь не напасешься.
Аноним 02/04/17 Вск 17:30:27  278279
я не пойму, чо пидоры из почты не несут мне извещение? судя по трекингу посылка уже неделю лежит в отделении
Аноним 02/04/17 Вск 17:47:44  278281
>>278274
>>278276
Хорошо, но вот допустим видно на микрике логотип некой JL, что то как то можно раскопать имея эти вводные данные?
Аноним 02/04/17 Вск 17:49:29  278282
>>278281
Ну у меня никогда не получалось. Это может быть завод-изготовитель и серия, заказанная заводом по производству твоих девайсов. Непубличная информация.
911983
Аноним 02/04/17 Вск 17:51:13  278283
>>278279
Иди и забери, нахуй тебе извещение? Трек записал на бумажку и в путь!
Аноним 02/04/17 Вск 17:51:36  278284
>>278283
> записал на бумажку
> 2017
Аноним 02/04/17 Вск 17:51:58  278285
PrintSCR.JPG (251Кб, 1920x1200)
Убейте меня кто-нибудь.
Аноним 02/04/17 Вск 17:54:21  278287
Текстолит пиздец дорогой. Есть что дешевле?
Аноним 02/04/17 Вск 17:55:20  278288
>>278285
>Sprint Layout
Скажи честно, ты долбоёб?
Аноним 02/04/17 Вск 17:56:02  278289
>>278287
Картон
Аноним 02/04/17 Вск 17:56:12  278290
>>278287
Медная фольга-самоклейка и фанера. Текстолит на самом деле самый дешевый и удобный.
Аноним 02/04/17 Вск 17:56:25  278291
Сап. Я хочу сделать из ардуино генератор с настройкой частоты (где-то до 1МГц) и скважности. Как это можно сделать?
Я так понял, нужно копать в сторону таймера в даташите атмеги, но что-то я тупой.
Аноним 02/04/17 Вск 17:56:37  278292
>>278288
А ты зачем интересуешься, с какой целью?
Аноним 02/04/17 Вск 17:57:05  278293
>>278290
Хуясе дешевый, 7х10см 30 рублей штука. Разве что smd освоить.
Аноним 02/04/17 Вск 17:58:14  278294
>>278292
Ясно.
Аноним 02/04/17 Вск 17:58:30  278295
>>278293
У барыг можно найти 10х10 по 20р. Или даже по 15р если повезёт. Дешевле уже врядли.
Аноним 02/04/17 Вск 17:58:37  278296
>>278293
Если хорошо поискать, то двусторонний 50х62см найти за 600.
Аноним 02/04/17 Вск 18:00:38  278297
>>278295
>>278296
Но это все равно цены конские. Алсо еще есть пластик какой-то цвета говна, из него всегда были сделаны платы тетрисов всяких и китайских проводных телефонов.
Теоретически эта дрянь должна быть по цене бумаги, но макетки из нее все равно дорогие.
Аноним 02/04/17 Вск 18:01:28  278298
>>278297
Это называется гетинакс. А гетинакс - пидор.
Аноним 02/04/17 Вск 18:01:39  278299
>>278297
Юзай картон, заебал.
Аноним 02/04/17 Вск 18:02:28  278300
>>278297
Да хули мозги ебать, купи пачку текстолита на десятку и забудь об этой проблеме на всю жизнь.
Аноним 02/04/17 Вск 18:03:00  278302
>>278297
Нет, можешь сам, конечно, купить стекловолокна и полиэфирки, мазать и прессовать, потом клеить фольгу, но получится хуёво и дорого, потому что меньше оптом тысячи тонн.
Аноним 02/04/17 Вск 18:04:59  278303
>>278298
>>278299
>>278300
>>278302
Бля, ладно. Я что-нибудь придумаю. Не гипсокартон конечно, но надо решать эту хуйню.
Аноним 02/04/17 Вск 18:17:51  278306
>>278303
Ну купи такой хуйни и клей дорожки сам
https://www.aliexpress.com/item/5pcs-lot-3MM-30M-Single-Adhesive-Conductive-Copper-Foil-Tape-EMI-Shielding-Copper-Foil-Strip-for/32344697000.html
Дешевле выйдет только при условии, что подложку где-нибудь спиздишь или отберешь на помойке у бомжей и/или других паял. Алсо китайцы наёбывают с длиной 30м, надо сфотографировать рулон в макро и посчитать витки, и можно возвращать деньги мне китаес прислал три рулона по 15м вместо 30, открыл диспут с пруфами ивернул деньги лол, на помойку не пришлось идти.
Аноним 02/04/17 Вск 18:29:27  278309
>>278306
Блин, а это идея. Особенно если совместить с лазер-утюгом. Хотя не уверен, что фольга выдержит.
Аноним 02/04/17 Вск 18:31:33  278310
>>278309
Короче, купить это и ленту термоизоляции, я такую уже брал для термофена - охуенная штука. И в годную подложку превращается любая пластина.
Аноним 02/04/17 Вск 18:33:02  278311
>>278310
А можно не делать подложку вовсе и получится шлейф.
Аноним 02/04/17 Вск 18:36:39  278312
>>278287
Ты там ещё на припое не разорился?
Аноним 02/04/17 Вск 18:37:11  278313
Анон, анон!
Я тут только что придумал охуенную вещь!
Если взять сусальное золото.
Золото, анон, сечешь?
И покрыть им например ШАР.
А потом на нём дороги вытравить.
И запаять йобу какую-нить.
Ты прикинь, анон!
Будет плата НА ШАРЕ!
На НАРЕ, анон!
Аноним 02/04/17 Вск 18:37:54  278314
>>278312
Мне дохуя нужно текстолита. Просто дохуя. Где-то с две клавиатуры площадью.
Аноним 02/04/17 Вск 18:43:02  278315
>>278314
И похоже не один раз по две клавиатуры.
Аноним 02/04/17 Вск 18:55:10  278318
>>278283
дык я чо уебок совсем чтобы каждый день отслеживать каждую свою посылку? я заебусь этой хуйней страдать. тем более есть неотслеживаемые посылки, наверняка эти пидары мне нихуя не несли извещения и откуда мне знать
Аноним 02/04/17 Вск 19:04:32  278319
57f96dba9fe60.jpg (51Кб, 600x450)
>>278318
Мелкобуква.
Ленивый.
Невоспитанный.
Верит в нормальную работу людей-почтальонов.
Заказывает посылки без трека и страховки.
Не умеет пользоваться сервисами отслеживания посылок.
Аноним 02/04/17 Вск 19:06:31  278320
>>278284
я не помню когда я вообще писал на бумажке
не говоря уже о терпении вручную записать и глазами проверить десяток цифр. это пиздец.
Аноним 02/04/17 Вск 19:19:14  278321
>>278273
Бамп вопросу
Аноним 02/04/17 Вск 19:21:12  278322
>>278321
Тебе придётся каждый раз перед зарядкой менять схему соединения последовательно\параллельно. Не заебёт?
Аноним 02/04/17 Вск 19:26:14  278323
>>278319
ты чо, пёс?
даже блять с трекингом посылка виснет на каком-нибудь acceptance и всё хуй тебе, а не трекинг.
>Не умеет пользоваться сервисами отслеживания посылок.
это ты почему так решил, интересно?
>Верит в нормальную работу людей-почтальонов.
ну ахуеть теперь, мне что за почтальоном бегать теперь?
Аноним 02/04/17 Вск 19:27:15  278324
>>278321
Да, так можно делать.
Аноним 02/04/17 Вск 19:32:28  278325
blob (483Кб, 604x453)
>>278291
Бамп вопросу.
Аноним 02/04/17 Вск 19:32:55  278326
>>278323
Что такое, мальчик? Тебя волки воспитали?
Треки бывают локальные и международные, не знал? А вот оно как!
Почтальоны НЕ НУЖНЫ.
В общем хватит демонстрировать тут свою некомпетентность в элементарных вопросах, МЫ УЖЕ ВСЁ ПОНЯЛИ.
Аноним 02/04/17 Вск 19:38:08  278328
>>278326
>Треки бывают локальные и международные, не знал?
Когда я выбирал способ доставки, там было написано "отслеживание - доступно", а про международный трек там ничего не было написано.
Аноним 02/04/17 Вск 20:04:15  278332
>>278291
>>278325
До 64 кгц реализуется легко с 8битным разрешением одним таймером, еще "аппаратный" шим большой частоты но малого разрешения организуется нестандартным использованием UARTа - частоты большие, шаг по частоте неточный, разрешение скважности низкое. Остальное софтовое, но если весь контроллер используется под генератор то похуй. Просто загугли "генератор на atmega/arduino", множество готовых примерах
Аноним 02/04/17 Вск 20:16:41  278333
>>278291
Генератор чего тебе нужен? меандра или что?
Аноним 02/04/17 Вск 20:38:15  278335
Genius.png (121Кб, 811x624)
Вот комплюктерный процессор работает на частотах в несколько Ггц, значит ли это что он излучает в микроволновом диапазоне? Значит мамки правы когда говорят что пекарня их облучает?
Аноним 02/04/17 Вск 20:40:06  278336
>>278335
Вафай роутер и дебильный телефон намного сильнее облучает. Смерть кладбище гроб айти индустрия.
Аноним 02/04/17 Вск 20:44:45  278337
>>278336
Ну хз, у телефона мощность излучения не больше 1Вт, а мощность процессора около 80 Вт.
Аноним 02/04/17 Вск 20:45:53  278339
Вопрос по АЦП двухтактного преобразования. Анон знает выражение, связывающее его разрядность, частоту дискретизации и тактовую частоту?
Аноним 02/04/17 Вск 20:50:08  278342
>>278337
На радиацию дай б-г пара процентов приходится, он в железной коробке с клетками фарадея на вертушках. А телефон ты к голове прикладываешь.
Аноним 02/04/17 Вск 20:53:13  278343
>>278336
>>278342
плотность солнечной радиации гораздо выше ваших раутеров и телефонов. кроме того почитайте что такое радиация в тч ионизирующая
Аноним 02/04/17 Вск 20:57:53  278344
>>278343
А почему телевизор на подоконнике ловит ОРТ и показывает Путина, а возле компа нихуя не работает и сплошные помехи?
Кажись ты запизделся.
Аноним 02/04/17 Вск 21:09:29  278346
14904755940130.jpg (96Кб, 720x400)
>>277903
Бимп
Аноним 02/04/17 Вск 21:12:38  278348
>>278346
Надо хорошо знать школьную физику и четверочку с минусом в ПТУ. А вообще можешь позвонить и спросить какие обязанности. Можешь попросить мамку позвонить со своего номера телефона, хека.
Аноним 02/04/17 Вск 21:14:24  278349
>>278348
Про школу это с козырей ты начал.
Вот, к примеру - я дал ссылку на какой-то сайт, нашел в гугле - вот с него стоит начать?
Я вот прочитал чем отличается резистор от трангенератора коротких волн, вот на этом и продолжать нужно?

К примеру, еще как-то починил свой sgs3, это тоже плюсик?
Аноним 02/04/17 Вск 21:19:47  278350
>>278349
Начать можешь с видосиков на ютубе. Основы электроники, лучше на английском языке - больше материала и картавых индусов понятнее объясняют.
Аноним 02/04/17 Вск 21:20:25  278351
Анон, поясни за RIOT-OS. Есть у проекта будущее или мертворожденное поделие? есть смысл вкатываться? если кто пробовал, делитесь впечатлениями.
задач нет, я просто интересующийся мамкин любитель
Аноним 02/04/17 Вск 21:22:02  278352
>>278342
>с клетками фарадея на вертушках
шо
Аноним 02/04/17 Вск 21:22:39  278353
Подскажите.
Хочу болгарку, но мне не нужны 15000 оборотов, нужно что-то медленное, чтоб подтачивать всякое разное.
Болгарки с регулировкой либо всё ещё слишком быстрые, либо слишком дорогие.
А что если самая дешевая болгарка+ЛАТР?
Взлетит?
Аноним 02/04/17 Вск 21:23:05  278354
>>278333
Зачем? Обычный импульсный генератор.
Аноним 02/04/17 Вск 21:25:37  278355
>>278354
Блядь, ШИМ?
Аноним 02/04/17 Вск 21:26:00  278356
>>278353
Взлетит, но гораздо проще использовать симисторный регулятор.
Аноним 02/04/17 Вск 21:28:40  278357
>>278352
Клетка в которую мамка сажала Фарадея с учебником, чтобы физику ебашил вместо двачевания.
Аноним 02/04/17 Вск 21:29:01  278358
>>278355
Хочу собрать импульсный бп. Для начала мне нужно выяснить резонансную частоту трансформатора. Собственно для этого я хочу перебрать все частоты, которые получится, и через делитель снять выходное напряжение.
А уже потом с помощью ШИМ и той же обратной связи я буду стабилизировать напряжение.
Аноним 02/04/17 Вск 21:29:35  278360
>>278291
Беги. ШИМ в атмегах, это самое сложное, что я видел. Я смог помигать диодами на атмеге, я смог прочитать состояния портов, я смог ДАЖЕ ПРОЧИТАТЬ ADC (правда пришлось 3 раза плату переделывать, чтоб понять, что на одном из пинов нужно питание).
Но таймеры... Таймеры это какой-то пиздец непонятный. Я нихуя не понял. А на этих таймерах ШИМ и работает.

Хотя стой, у тебя ардуино. Я почему-то прочитал как атмега. Ну там библиотеки есть, одной функцией, наверное, делается. Гугли "arduino PWM how to".
Но если писать на C, это пиздец.
Аноним 02/04/17 Вск 21:33:11  278361
>>278360
Вот в том и дело, что мне, похоже, надо писать напрямую в регистры, ибо разрядность библиотечного ШИМа не регулируется. А там что-то совсем жуткое и непонятное.
Аноним 02/04/17 Вск 21:37:30  278365
>>278361
Ну пиздец тебе. Иди учи таймеры. Там всё на таймерах.
Аноним 02/04/17 Вск 21:39:54  278366
mi24v.jpg (33Кб, 650x488)
>>278357
а почему на вертушках?
Аноним 02/04/17 Вск 21:41:52  278367
>>278360
>>278361
вы чё? необучаемые?
Аноним 02/04/17 Вск 21:45:32  278368
>>278366
Пиздила его с вертушки в щи, если отказывался.
Аноним 02/04/17 Вск 21:54:11  278372
>>278064
Пробит, друг мой, увы.
Чтобы сто проц удостовериться сбацай схемку с лампочкой. Но у тебя тип Т так что не симистр и пробит.
Аноним 02/04/17 Вск 21:57:05  278374
>>278361
Погляди даташит на свой контроллер. Там будет какой у тебя ШИМ, если аналоговый то жизнь - боль, если цифровой, то читай.
Аноним 02/04/17 Вск 23:47:23  278377
>>278291
Нашел библиотеку, которая делает как раз то, что мне нужно.
http://playground.arduino.cc/Code/Timer1
Аноним 02/04/17 Вск 23:54:56  278379
1. Аноны, откуда брать 5 вольт? Официально вот так, что бы нихуя не сгорело, для проведения всевозможных опытов и т.д. ?
2. Что значит для резистора "рассеиваемая мощность", т.е. то что один будет греться к хуям,а второй опа-опа все и рассеит?
Аноним 03/04/17 Пнд 00:02:33  278380
>>278379
1. из юсб порта печки
2. это максимальная мощность, которую резистор способен рассеивать длительное время без вреда для себя.
Аноним 03/04/17 Пнд 01:32:10  278385
>>278379
>Что значит для резистора "рассеиваемая мощность", т.е. то что один будет греться к хуям,а второй опа-опа все и рассеит?
http://www.ohmite.com/techdata/res_select.pdf
Аноним 03/04/17 Пнд 01:58:51  278386
>>278379
1. Из телефонной зарядки или пеканского бп.
2. Да.
Аноним 03/04/17 Пнд 03:14:32  278390
>>278339
В общем случае такого выражения нет. В зависимости от устройства АЦП они могут быть разными.
Аноним 03/04/17 Пнд 03:20:47  278391
>>278353
Тебе гораздо лучше подойдет осциляторная пила.
Именно что бы подтачивать всякое разное на низких оборотах.
Энкор МФЭ-260, сразу после покупки меняешь в нем смазку и полируешь коллектор. Для экономии на пилках покупаешь ножовку с калёными мелкими зубьями, нарезаешь на полоски, просверливаешь отверстия и на винтиках приворачиваешь (и меняешь по мере износа) к родному основанию (предварительно убрав старую пилку).
Аноним 03/04/17 Пнд 03:28:05  278393
>>278380
>мощность, которую резистор способен рассеивать длительное время без вреда для себя
Олсо не забывай что полное и точное описание поведения резистора в твоей схеме включает в себя уравнения теплообмена в нестационарной среде, а зависимость шумов резистора от температура обладает сразу несколькими нелинейностями, причем разными, и курса университетской математики для их описания недостаточно.
Аноним 03/04/17 Пнд 06:01:14  278400
Подскажите популярные чипы FM радио приёмника, плез.
Хочу мамке радио на кухню собрать.

Может там какие-нибудь простенькие FM\AM или ещё какие типы модуляций есть.
Аноним 03/04/17 Пнд 06:04:49  278401
batya3.jpg (41Кб, 512x317)
>>278400
Аноним 03/04/17 Пнд 06:13:09  278402
>>278400
RDA5807M
Аноним 03/04/17 Пнд 06:29:01  278403
Есть ли в природе ЦАПы со встроенным усилителем? Ну т.е. чтобы выход тянул хотя бы 0.1вт мощи без огромных искажений. Лучше больше 0.1в, в идеале 0.5-1вт.
Нужно дешевое и простое решение, дабы с атмеги проигрывать музыку, прокачивать 0.5-1вт динамик. Т.е. МОНО, канал всего один нужен. Хочется один корпус и искажений не более 2-3%.
Аноним 03/04/17 Пнд 06:47:55  278404
>>278351
бумп или я адресом ошибся? но у вас ведь тут интеллектуальный заповедник
Аноним 03/04/17 Пнд 07:56:56  278410
1342556987028.jpg (9Кб, 200x272)
>>278335
А ты думаешь корпуса просто так из металла делают
Аноним 03/04/17 Пнд 08:01:02  278412
>>278410
Корпуса делают из металла чтоб подключить к корпусу землю, которой нет на постсоветском пространстве, и получать на нем половину входного напряжения. Не устаю удивляться гениальности этой задумки.
Аноним 03/04/17 Пнд 08:02:35  278413
>>278403
MAX9850
Аноним 03/04/17 Пнд 08:51:40  278419
>>278401
>2075
>дискретка
Аноним 03/04/17 Пнд 10:00:15  278424
>>278419
На дискретке конечно лучше, особенно прямого преобразования, но все равно на FM-станциях гоняют mp3, так что какая разница.
Хотя может он в Бостоне живет, там прямые трансляции БЕЗ ЦИФРЫ (нет, частотная модуляция звук так уж сильно не портит) классических концертов есть.
Аноним 03/04/17 Пнд 12:26:52  278437
>>278412
>и получать на нем половину входного напряжения.
Неплохо так дергает, можно член к корпусу прислонить и словить пару оргазмов.
Аноним 03/04/17 Пнд 13:26:45  278451
Хотелось бы угореть по BGA. Двач, есть один чип... и он 17х17 падов диаметра 0.8мм. Хочу частично развести в два слоя, шоб дешевле (лал). У кого были успехи с китай-PCB на заказ? Правда можно уложиться в 10-15 далларов? Без СЛОЯ ЗЕМЛИ мне пизда? (Ходят слухи что будет стоять ДДР2-3)
Аноним 03/04/17 Пнд 13:27:23  278452
>>278437
Ты наверное Тесла, если оргазмы от электричества получаешь.
Аноним 03/04/17 Пнд 13:28:46  278453
>>278451
С китайскими PCB все в порядке, делают качественно.
Ты другое скажи - печку-то собрал уже с программируемым профилем нагрева?
Аноним 03/04/17 Пнд 13:30:57  278456
>>278453
ПРЯМЫЕ РУКИ И МАМКИН ФЕН
Аноним 03/04/17 Пнд 13:31:41  278457
>>278453
>>278456
Или не обойтись? Аааааа
Аноним 03/04/17 Пнд 13:32:20  278458
>>278451
>ДДР2-3
Технологией разводки обмазался уже?
Аноним 03/04/17 Пнд 13:35:05  278459
>>278458
Пробую просто же, придрачиваюсь в CADе. А так нубас вообще, стыдно аж.
Аноним 03/04/17 Пнд 13:39:17  278461
reflow.png (65Кб, 613x439)
>>278457
https://events.ccc.de/camp/2015/Fahrplan/system/attachments/2666/original/diy_electronics_update.pdf
Аноним 03/04/17 Пнд 13:42:33  278462
z0.png (82Кб, 667x502)
>>278458
Да он с шестислойки начнет, до гигагерца все легко же же.
Аноним 03/04/17 Пнд 13:44:20  278463
>>278461
Ну да видал на Ютубах как тостеры переделывают. Пойду скорешусь с местной бомже-диаспорой. Пороемся, поищем.
Аноним 03/04/17 Пнд 13:47:32  278465
AndreGeim2010-1.jpg (1760Кб, 1455x2042)
>>278463
Лучше по гаражным кооперативам пройдись, поспрашивай. Некоторые в гараже и микронапыление в аргоне освоили.
Аноним 03/04/17 Пнд 13:52:05  278467
industrialreflow.jpg (22Кб, 397x201)
oven.jpg (73Кб, 460x360)
>>278463
http://andybrown.me.uk/2014/05/11/awreflow/
Аноним 03/04/17 Пнд 13:55:34  278468
.png (134Кб, 1240x1754)
.png (104Кб, 1240x1754)
>>278459
Ну так и сделай что-нибудь попроще. Какой смысл тратить время и деньги на то, что изначально работать сможет только чудом.

>>278462
А то!
Аноним 03/04/17 Пнд 14:33:38  278478
>>278244
Я так успел новый купить.
Аноним 03/04/17 Пнд 14:40:34  278479
китай.png (70Кб, 791x570)
Пасантре, запутался в трех деталях. Китайский 10" телевизор, изображение сужено по вертикали, подстроечным резистором V-HOLD изображение растягивается, но срывается вертикальная синхронизация и изображение "скачет". Вот кусок схемы с этим участком. Смотреть узкую полоску изображения на этом и без того мелком экране нывыносимо.
Аноним 03/04/17 Пнд 14:43:37  278481
>>278479
Конденсаторы ESR-тестером прошел?
Аноним 03/04/17 Пнд 15:26:39  278485
>>278372
Спасибо, другой поставлю.
Аноним 03/04/17 Пнд 15:32:33  278487
>>278481
какие?
Аноним 03/04/17 Пнд 16:31:30  278493
Посоветуйте какой провод не твердый и не горбится лежа на столе. Хочу из такого кабель для зарядки мобильника сделать. Все эти покупные со временем пачкаются и главное они твердые и мешаются на столе.

Лучшие кабеля видел у монтажной станции Weller. Совсем форму не держат. Шикарно. Но никакой маркировки на них нет.

Никакие данные по этому кабелю передавать не надо! Только +5 В и земля для зарядки телефона.

Разъемы уже есть от старого переломившегося кабеля.
Аноним 03/04/17 Пнд 16:46:52  278494
>>278493
божественная косичка из МГТФ 0,07
Аноним 03/04/17 Пнд 17:02:27  278496
>>278479
Смотри строчник и обвязку на предмет плохой пайки.
Аноним 03/04/17 Пнд 17:28:55  278498
>>278493
С хорошей силиконовой изоляцией. От старых, но качественных щупов или пробников можно взять, Tektronix например.
Хорошие паяльники их используют (как и щупы) потому что не плавятся если паяльником задеть.
Аноним 03/04/17 Пнд 17:29:38  278499
>>278494
Только серебро в тефлоне!
Аноним 03/04/17 Пнд 17:54:45  278503
1491231276110.jpg (399Кб, 1920x1080)
>>278494 >>278499
Я бы мог из мс 16-13 посеребеного сделать, но чет не захотел.
Вот этот из мгтф 0,12 просто шикарен! Лучший кабель что я видел! И разъемы маленькие, из телефона не торчит елдак.
>>278498
Спасибо, я это запишу.
Аноним 03/04/17 Пнд 18:03:53  278505
>>278503
Коннекторы
https://www.aliexpress.com/item/10PCS-DIY-Micro-USB-Male-Plug-Connectors-Kit-w-Covers-Black/32730996278.html
https://www.aliexpress.com/item/10pcs-Black-Male-5P-Micro-USB-Connector-Adapter-Kit-USB-Plug-Welding-Type-DIY-5PIN-5/32799687716.html
Аноним 03/04/17 Пнд 18:05:17  278506
>>278413
>MAX9850
>30mW
Ну это несерьезно же.
Аноним 03/04/17 Пнд 18:13:18  278508
>>278505
Fullsize USB (в общем главное чтоб неразборные были - вдоль)
https://www.aliexpress.com/item/10pcs-White-Male-USB-Connector-Adapter-Kit-Welding-Type-A-5P-Charger-USB-Plug-DIY-Right/32798298989.html
https://www.aliexpress.com/item/10pcs-Black-Arc-shape-Male-USB-Connector-Adapter-Kit-Welding-Type-A-5P-Charger-Socket-USB/32798498211.html

>>278506
WM8956
Аноним 03/04/17 Пнд 18:15:00  278510
>>278465
гаражи это наверное охуенно. съебался в свой совкой полный хлама гаражик с утречка и никто тебе мозги не ебет. осваивай аргон под пивко. а дома жана дети малые орут. но папа то занят он креативщик. а баба евонная пусть детям сопли вытерает. это не жизнь а мечта. так же можно всю жизнь прожить не приходя в сознание. ковыряйся с детальками и похую тебе путен.
Аноним 03/04/17 Пнд 18:49:20  278513
>>278508
>WM8956
Охуенное порно, спасибо!
Аноним 03/04/17 Пнд 20:15:51  278526
кншщ.png (23Кб, 609x334)
>>278053
>EMS
Аноним 03/04/17 Пнд 20:17:17  278527
>>278526
Сука, меня так доебало ждать это сраное 20-рублевое дерьмо, из-за которого я уже месяц не могу доделать махарайку и которое уже 2 раза проебала почта рашки, что я раскошелился на епакет за 150р.
Аноним 03/04/17 Пнд 20:19:45  278529
>>278527
заказывать 20рублевое дерьмо с другого конца планеты и месяц ждать. Ну.... Видать сильно тебе нужна махарайка
Аноним 03/04/17 Пнд 20:30:22  278530
>>278529
Я готов выслушать твои альтернативные варианты.
Аноним 03/04/17 Пнд 20:35:13  278531
>>278527
Живёт в рашке, где радиорынки, чипидипы, тонны магазинов электроники и недоволен.
При пожил бы в Молдове, где радиодетали только на золото покупают/продают, а на радиорынках одни материнки 00 годов и шлейфы с переходниками.
Аноним 03/04/17 Пнд 20:41:16  278532
>>278530
ближайший радиорынок, запас деталей из которого рассчитываются возможности конструирования хуйни
>>278531
в рнд примерно так же как в молдове
Аноним 03/04/17 Пнд 20:50:19  278533
>>278531
>>278532
Я в 50к мухосрани живу, ближайший крупный город в 100 км, ехать ради 20 рублевой хуйни зашквар
Аноним 03/04/17 Пнд 20:51:27  278534
>>278533
А жить в 50к мухосрани не зашквар?
Аноним 03/04/17 Пнд 20:58:53  278535
>>278534
Ну я не выбирал как бы.
Аноним 03/04/17 Пнд 21:38:07  278541
DSC1788.jpg (1027Кб, 1632x2464)
>>276268 (OP)
Нерешительно спрашиваю о способах повышения напряжения с DC12V до DC170V, ток будет мизерный. Гугл полон нерелейтед-хуйни про повышение напряжение в доме. Только трансформаторы не предлагайте, умоляю.
Аноним 03/04/17 Пнд 21:40:30  278542
60741605p0.jpg (251Кб, 800x786)
Капец. Сижу у пеки, и тут у переноски короткое замыкание - тупо пробило между жилами в проводе. Ну я вытянул переноску, вставил новую и начал оценку повреждений путем повторного запуска. Ну в колонках перегорать особо нечему, блок питания в системнике отличный и выдержал. Но к монитору были претензии: я заметил нехилое мерцание в нижнем правом углу. Посидел, и это мерцание за 4-6 минут постепенно пропало. Что же это было с монитором? Не смертельно, ничего не выгорело?
Аноним 03/04/17 Пнд 21:52:05  278546
Иди уже обратно в свой загончик. Тут тебе не рады.
Аноним 03/04/17 Пнд 21:52:39  278547
>>278541
окей гугол, boost-converter\flyback\push-pull
Аноним 03/04/17 Пнд 21:53:47  278549
>>278531
ну да, типа в молдове интернета нет чтобы на али заказать.
Аноним 03/04/17 Пнд 21:55:37  278551
У тебя же свой тред есть. Или еще один создай. Хули ты тут срешь, ущербный.
Аноним 03/04/17 Пнд 21:59:05  278554
14901259030800.jpg (25Кб, 400x300)
>>278552
>>278550
>>278544
Аноним 03/04/17 Пнд 22:01:03  278557
>>278547
boost-converter похоже на искомое, благодарю.
Аноним 03/04/17 Пнд 22:01:53  278558
>>278541
DC-DC Switching Regulators, Step-Up (Boost) Converter.
Тут есть тред любителей часов с неоновыми индикаторами, они как раз таким занимаются. Что-нибудь вроде MC34063 + высоковольтный транзистор.
Аноним 03/04/17 Пнд 22:04:27  278559
>>278558
Не додумался к часовщикам зайти, пойду лучше их подостаю. Спасибо.
Аноним 03/04/17 Пнд 22:06:12  278561
555 boost.gif (24Кб, 800x473)
>>278541
Аноним 03/04/17 Пнд 22:08:13  278562
>>278561
Эта схема оче хуево регулируется
Аноним 03/04/17 Пнд 22:10:11  278564
>>278562
А что там регулируется 5-й ногой? Не скважность ведь?
Аноним 03/04/17 Пнд 22:12:27  278566
>>278564
Скважность, но дело в том, что регулируется это дерьмо в районе открывания транзистора, т.е. надо совсем чуть-чуть приоткрывать транзистор чтобы не обосраться, т.е. крутить ручку потенциометра долями миллиметра.
Аноним 03/04/17 Пнд 22:17:37  278567
>>278566
То есть это фактически делитель вместе с R1? И нижнее плечо bjt в роли vcr? Тогда уж jfet лучше было бы.
Аноним 03/04/17 Пнд 22:17:43  278568
Works fine.jpg (15Кб, 607x175)
>>278562
>>278564
>>278566
Нинада там нихуя крутить. Подобрал детали на макетке чтобы работало заебись и в продакшен.
Аноним 04/04/17 Втр 05:20:05  278585
>>278560
>8051
Если от Silabs, то вполне достойные до сих пор чипы.
Потому что главное в микроконтроллере - периферия, скорость, жручесть и фичи, а не набор команд.
Аноним 04/04/17 Втр 06:22:41  278590
>>278149
Здесь модулятором работает в первую очередь именно jfet, а не ОУ.
Транзистор регулирует усиление ОУ. Мог бы ибез ОУ просто на проход работать с резистивной нагрузкой, была бы точно такая же картинка на скопе.
Телек с hdmi пустить в интернет Аноним 04/04/17 Втр 09:13:35  278599
трабл.png (12Кб, 982x521)
Антуаны, есть трабл, гугл не очень ясно помогает, нужно пояснение по хардкору.
Короче есть телек https://market.yandex.ru/product/2406340/spec?hid=90639&track=tabs
У него нет вай фая, нет усб, нет сетевого эрджи45, но ВНЕЗАПНО есть хдми и конечно рсашки.
Есть дешевый роутер, нормально работает, подклчюен по лану к компу.
Короче надо соединить телек с тырнетом, чтобы я смог порнушку смотреть на диване.

Так вот, насколько я понимаю, так как телек не имеет по умолчанию ни вай файя, ни усб, то просто подключение антенны не даст мне нихуя, ведь нужно какой то интерфейс, чтобы шляться по ютубу. Сам я подключал ноутбук через видео и использовал телек как второй монитор, но ноутбук уже ушел.

Гугление дало мне надежду, что мне нужна вот такая хуйня http://velasat.ru/portativnaya-elektronika/android-tv-box/wi-fi-adapter-mirascreen-detail где я смогу через комп настроить роутер на раздачу, но особой уверенности нет. Как я понимаю мне нужен миникомпьютер, который как бы сам будет иметь свою ОС, браузер, выходить в интернет, а телек использовать для визуализации. Или таки надо как то пытаться с телевизором решить трабм, типо подключить дополнительные опции, впаять микросхему? Я честно говоря хз с чего начать, поэтому пришел сюда посоветоваться.
Аноним 04/04/17 Втр 09:23:55  278601
>>278599
google chromecast
google chromecast 2
Китаееплеееры кипятильники без задачь
/трхред
Аноним 04/04/17 Втр 10:46:25  278606
>>278361
>писать напрямую в регистры
>там что-то совсем жуткое и непонятное
Проиграл, ассемблер авр — это самое понятное что вообще можно придумать. Короче даже с асмом ты не получишь задуманного.
Аноним 04/04/17 Втр 11:06:12  278607
>>278335
>Вот комплюктерный процессор работает на частотах в несколько Ггц, значит ли это что он излучает в микроволновом диапазоне? Значит мамки правы когда говорят что пекарня их облучает?
Ну короче еба, там есть конвееры-хуёвееры, множители и частота шины. Вот частота шины - это и есть то, что ты думаешь. Она обычно несколько сотен мгц. А коэффициент множителя ты указываешь в биосе когда свою пеку разгоняешь. Только выходная частота нихуя не частота сигнала, а тактовая частота. Типа сколько тактов процессор сделает в секунду. А у него же там много разных конвееров, распараллеливание и всё такое. А ещё всякие хитрые триггеры, которые срабатывают на фронт и срез сигнала, короче мамке скажи, что от микроволновки облучения больше, пользуйтесь мультиваркой.
Аноним 04/04/17 Втр 12:21:56  278610
>>278607
>от микроволновки облучения больше
Это конечно.
Только вот сколько минут в неделю включена микроволновка, и сколько - все ВЧ-устройства в доме, в которые входят в том числе все импульсные БП?
Аноним 04/04/17 Втр 12:23:05  278611
>>278610
>импульсные БП
И сколько среди них китайских, которые не соответствуют никаким FCC
Аноним 04/04/17 Втр 13:05:38  278618
>>278611
мы все умрёёёёём
Аноним 04/04/17 Втр 15:10:25  278630
20170404150731.jpg (183Кб, 640x640)
>>278322
Не,ты не понял там есть отдельно кабель зарядки и выходные провода пикрил,питание соединяется последовательно давая большее напряжение,а 2 кабеля зарядки соединяются вместе параллельно
Аноним 04/04/17 Втр 16:02:29  278631
>>278599
тоже кстати хочу такой хуйней обмазаца, ток идея несколько другая - в качестве пульта использовать гейфон - тое чтобы изображение прям с телефона хуярило на телек
Аноним 04/04/17 Втр 16:53:04  278640
Достал из старого видика блок питания, на нем написано P.c.b-regulator. От него можно запитать светодиодную ленту?
Аноним 04/04/17 Втр 16:56:20  278642
Да
Аноним 04/04/17 Втр 17:03:36  278644
>>278631
Алсо, как замерить выходное напряжение, если я буду по очереди замерять напряжение с контактов, там ничего не коротнет?
Аноним 04/04/17 Втр 17:18:25  278645
>>278630
Маленький коннектор - балансировочный.
Аноним 04/04/17 Втр 17:47:55  278650
нрл.png (7Кб, 629x571)
Как правильно соединять одинаковые конденсаторы, учитывая отклонение емкостей +-10%?
Аноним 04/04/17 Втр 17:50:13  278652
>>278650
верхний вариант, добавить балансировочные резисторы.
Аноним 04/04/17 Втр 17:54:28  278653
>>278652
А нижний чем плох?
Аноним 04/04/17 Втр 18:04:30  278654
>>278653
в самом поганом случае у тебя буду последовательно соединяться конденсаторы с разбросом по емкости в 40%
Аноним 04/04/17 Втр 18:16:12  278655
>>278652
Лучше дроссели.

А еще лучше если б он нам сказал частью чего это соединение является.
Аноним 04/04/17 Втр 18:18:43  278656
Чем отличается AliExpress Saver Shipping от смолл пакет плюс? Чем лучше/хуже/одинаково?
Аноним 04/04/17 Втр 18:51:37  278658
kFKWEM4.jpg (23Кб, 489x359)
>>278656
AliExpress Saver Shipping - в точку назначения идёт мешок посылок с Али и у всех один трек.
Small Packet - обычная посылка с локальным (редко) или международным (часто) треком.
Аноним 04/04/17 Втр 19:24:36  278662
DSC00886.JPG (805Кб, 2048x1536)
>>278652
Можно без резисторов? у меня прост нету столько)
Аноним 04/04/17 Втр 19:34:58  278663
>>278662
Один маленький дефект в одном из конденсаторов и вся эта батарея начнёт рваться как новогодний салют.
Аноним 04/04/17 Втр 19:37:03  278664
>>278663
Чому? Я с запасом взял.
Аноним 04/04/17 Втр 19:40:27  278665
>>278664
Подай небольшое напряжение на эту батарею. И измерь напряжение на каждом конденсаторе.
Аноним 04/04/17 Втр 19:48:01  278666
>>278665
Подал 15 вольт, на каждом 1 вольт +- 0.05в
Аноним 04/04/17 Втр 19:52:28  278667
>>278644
Отвечайте, пидоры.
Аноним 04/04/17 Втр 20:10:59  278669
вопрос на засыпку, как мне намотать плоскую катушку в 30 витков проводом 0.2 мм?
Аноним 04/04/17 Втр 22:06:51  278676
>>278669
Начни с прикрепления картинки
Аноним 04/04/17 Втр 22:07:56  278677
>>278662
Нахуя?
Аноним 04/04/17 Втр 22:20:30  278679
Не могу нагуглить простой вопрос. Почему для JFET Vgs cutoff дается безумно широкий диапазон типа от -0.5V до -6V?? Что это значит?? От чего это зависит?
Аноним 04/04/17 Втр 22:28:23  278681
Пишут что мерять нужно, так как разброс лютый бешеный у каждого отдельного экземпляра. Вот это пиздец зашкварная технология jfet.
Аноним 04/04/17 Втр 22:29:30  278682
Поцоны, объясните мне почему когда я задаю вопрос здесь на анонимной блядь борде, то мне отвечают на него, а когда задаю вопрос​ на каком-нибудь вегалабе, то сразу набегают так называемые "старожилы" и начинают нести всякую хуйню? И не лень людям на это свое время тратить?
Аноним 04/04/17 Втр 22:31:28  278683
14816005897510.png (42Кб, 279x167)
>>278682
Проиграно.
Аноним 04/04/17 Втр 22:37:57  278684
>>278682
сорта говна. так где нет анонимности - там неймфажство и группировки. но зато если кому-то доверяешь можешь к их мнению прислушиваться. а на анонимных бордах тебе кто угодно может спизднуть любую хуйню и точно так же почморить. короч никто тебе не поможет кроме stackexchange.
Аноним 04/04/17 Втр 22:43:17  278686
>>278684
Разница здесь в том, что на радаче я изначально готов к этому. Но блядь от чуваков на чьих статьях я учился паялить и собирать махарайки, как не ожиданно, чтоли.
Аноним 04/04/17 Втр 22:49:31  278688
>>278686
Поэтому я радиолюбительством не хотел долго заниматься. Был интерес, но не хотелось ассоциироваться с "типичным" радиолюбителем. Они же пидоры все. Лысые стариканы с педофильскими глазками копающиеся в коробках с радиоговном. У них одышка, жена жируха и они ходят в трениках с подтяжками. Поэтому они такие злобные и на форумах всех чморят и завидуют таким же васянам. Ну так я думал в 18 лет. Но время то идет и скоро сам такой же сука станешь.
Аноним 04/04/17 Втр 23:06:34  278692
jfet.png (71Кб, 467x356)
>>278681
И не только этим.
Аноним 04/04/17 Втр 23:09:04  278693
jfet2.png (53Кб, 461x246)
>>278692
А для входных безумно чувствительных цепей есть нувисторы.
Аноним 04/04/17 Втр 23:09:40  278694
aM5s5kX6dLiVKnM[...].jpg (52Кб, 600x600)
>>278677
Чтобы все охуели.
Аноним 04/04/17 Втр 23:13:20  278697
>>278694
Разве это конденсатор?
AVX, например, делает до 10000 мкФ, на более чем 1000 Вольт, и (та-дам!) ПЛЕНКУ а не электролит.
Аноним 04/04/17 Втр 23:25:29  278699
digital.jpg (152Кб, 1920x1080)
>>278686
Ну а что ж они, не люди? Люди. В большинстве своем талантливые.
А реализоваться по-настоящему у 99% не получилось. Причем по не сильно зависящим от них обстоятельствам. А это, между прочим, трагедия. Причем не получилось и у тех кто уехал тоже - иначе б не носился Торрес по всем ламповым темам десятилетиями с криками "кенотроны нинужны!111"
Заметь, что счастливые из этого правила исключения - Алексей "Creek Audio" Никитин, например - ведут себя совсем обратным образом.

Ну и стадные все эти штуки, конечно. За столько-то времени на одном-то форуме (пусть и не на одном, но тусовка-то все одна и та же). А кто и новый появляется, то максимум - мало что понимающие Назары, лихо ведущие за собой массы тинейджеров с LM3886 и "искажениями 0.000001 процент в симуляторе". И никого не слушающие, хотя стоило бы. Дополнительное расстройство.

А учиться лучше на материалах Видлара, Jim Williams, или того же Bob Pease.
Аноним 04/04/17 Втр 23:32:14  278701
>>278692
Кекс, интересно. Ну это он загнул про полную бесполезность. Буфер - норм. Я как раз подумал про современные jfet input opamps, там то хоть может ничего вымерять не надо, хотя теперь уже хз. Идея как я понял, по крайней мере в случае Vgsoff, это не завязывать свой дизайн на этот параметр. Я то в их сторону смотрю ибо есть мечта идиота сделать reasonably linear vcr. И в случае достаточно глыбокого Vgsoff есть достаточно headroom их линеаризовать. Но все равно получается еботня. Правда лучше чем с варикапами. Еще у меня есть в коробчке пара ОТА типа CA3080 LM13700 но там сука сложна, такой огород городить из навесных деталек неохота.
Накрайняк придется лампочками мигать, как изготовители педалек делают, они почему-то даже оптопарами не заморачиваюся а натурально мигают светодиодами через PWM.

Аноним 04/04/17 Втр 23:37:04  278702
Что означает high sink в пинах stm? В даташите написано, что для ВСЕХ пинов максимальный ток 20мА, а иного я не нашел
Аноним 04/04/17 Втр 23:43:14  278704
>>278701
>про современные jfet input opamps, там то хоть может ничего вымерять не надо
Не надо, не надо. Выкинуть, и нувисторами заменить. На родных просторах их еще хватает, запасла советска власть.
С нувисторами только про виброразвязку не забыть. И желательно не "а мы его на силикон", а наоборот - утяжелить чем-нибудь, дабы сместить шумовой спектр подальше вниз.
Аноним 04/04/17 Втр 23:53:53  278708
>>278702
точно high sink? там есть 5v tolerant pins если я правильно помню.
Аноним 05/04/17 Срд 01:05:06  278713
йцуе.png (50Кб, 521x439)
Помогите, не могу никак прошить СТМ8, поиск решения в гугле результата не дал. ROP если что стоит OFF
Аноним 05/04/17 Срд 01:14:36  278714
>>278713
Сука, блять, это пиздец. Решение самое ебанутое что я видел. Нужно выбрать ROP - on, а потом вернуть обратно. Уебанство блять
Аноним 05/04/17 Срд 03:07:31  278718
>>278402
А есть варианты с управлением без i2c?

Алсо, что такое "марахайка"?
Аноним 05/04/17 Срд 04:06:52  278719
>>278718
Это ты зря от i2c отказываешься. Крайне простая и очень удобная вещь.
Аноним 05/04/17 Срд 06:29:04  278720
>>278719
Покупать мк, покупать программатор, учить С/ассемблер, шить vs присобачить кнопочку
Аноним 05/04/17 Срд 06:39:12  278722
>>278190
Отличный статор, сынок!
Ты превзошел своего деда в намотке статоров.
Аноним 05/04/17 Срд 06:44:36  278723
>>278231
Уже было в "Симпсонах":
http://www.popmech.ru/technologies/10036-iz-pushki-po-komaram-iz-lazernoy/
Аноним 05/04/17 Срд 06:45:51  278724
>>278720
Если вопрос стоит таким боком, то наверное лучше выдрать откуда-нибудь готовый приёмник. Помойка и обломки электроники к вашим услугам.

Алсо настоятельно рекомендую НЕ ИГНОРИРОВАТЬ микроконтроллеры. Порог вхождения низок как никогда и доступен даже нищим малолетним дегенератам. Оно того стоит.
Аноним 05/04/17 Срд 07:02:21  278725
>>278320
Тогда страдай.
Ты омерзителен.
Аноним 05/04/17 Срд 07:06:28  278726
>>278273
Нет нельзя. Зарядка 3S батареи производится с контролем отдельных банок (балансером).
Подключение впараллель другой батареи силовыми концами приведет к тому, что на 3 из 6 банках не будет контролироваться напряжение - перезаряд, вспухание, гроб, кладбище.

Хотя можно подключить и балансировочные выходы параллельно, там будет сверхток кратковременно, но сдохнуть ничего не сдохнет.
Аноним 05/04/17 Срд 07:07:58  278727
5b67f329f8cd717[...].jpg (176Кб, 800x590)
>>278231
> ардуина какая-нибудь или что помельче и попроще
Кек-кек-кек-кек
https://habrahabr.ru/post/133911/
Аноним 05/04/17 Срд 07:12:05  278728
>>278479
Поменяй электролиты в кадровой.

>>278496
У него не горизонтальная развертка дурит, а вертикальная.
Аноним 05/04/17 Срд 07:14:55  278729
>>278542
Лампы прогреваются. Раньше ты на него просто не обращал внимания.
Пробой в удлинителе не может повредить нагрузку.
Аноним 05/04/17 Срд 07:18:06  278730
>>278630
Так как ты говоришь - у тебя точно фейерверк будет.
"Зарядка" - это отводы от соединенных банок, балансировочный коннектор.
Аноним 05/04/17 Срд 07:20:34  278731
>>278669
Мотай между 2 щечек с зазором 0.2 мм. Потом пропитываешь клеем, щечки снимаешь.
Клей не должен липнуть к щечкам, они должны быть из какого-нибудь фторопласта, полиэтилена, оргстекла.
Аноним 05/04/17 Срд 07:34:11  278732
>>278699
А Торрес все такое же мразь и хамло в общении?
Помню еще в Фидо в SU.Hardware и SU.Hardware.other они с Димой Орловым вели себя так, что хотелось опиздюлить этих мразей после второй прочитанной мессаги. Даже если не сам общался, а читал их переписку с кем-то другим.
Аноним 05/04/17 Срд 08:13:00  278735
>>278732
Угомонился немного.
Аноним 05/04/17 Срд 10:56:02  278749
Думаю такой вопрос лучше задавать тут.
Имеется компьютер в доме без заземления с достаточно говенным БП. Из-за этого на аудиоустройства идут жуткие наводки как на встроенную и PCI аудиокарту, так и на USB.
Возможно ли и имеет смысл подключить USB аудиокарту через самодельный кабель, который Data посылает на компьютер, а питание берет с внешнего источника? Заработает ли такое?
Аноним 05/04/17 Срд 11:33:24  278751
>>278749
думаю стоит озаботиться измерениями. Корпус компа - ноль сети, и корпус компа - фаза сети. Какие помехи идут? НЧ\ВЧ?
Аноним 05/04/17 Срд 11:48:58  278753
>>278751
Помехи идут НЧ, пик на 50Гц, дальше по ниспадающей до 1000Гц примерно.
Измерить возможности нету, инструментов нету кроме старого советского паяльника. Есть старый USB хаб, который можно раскурочить.
Кстати, что делать с проводами питания, которые я обрежу их хаба (которые идут к компу). Изолировать или замкнуть?
Аноним 05/04/17 Срд 12:38:08  278757
>>278749
> питание берет с внешнего источника
Лучше всего от аккумуляторов.
Аноним 05/04/17 Срд 12:46:00  278760
>>278757
Ну тут ясное дело.
Думаю раскурочить хаб на внешнее питание. Брать буду от зарядки для телефона. Если не получиться - на +5в припаять пленочный кондесатор (хуй знает, что оно даст, но в гугле говорят, что выпрямляет помехи).
В правильном направлении думаю?
Если не поможет - буду переезжать в дом с заземлением, лол.
Аноним 05/04/17 Срд 12:50:18  278761
14899587537683-[...].jpg (48Кб, 604x401)
Котаны, мосфет в линейном режиме это хуевая идея, да?

Хочу получить электронную нагрузку на контроллере, т.е с программной обратной связью. Посоветуйте схему для дауна с минимумом компонентов.

С шимки при помощи RC фильтра получаю напряжение и им дрочу мосфет в узком диапазоне "линейного" режима.
От датчика тока получаю обратную связь и меняю скважность для достижения нужного тока.
Где обосрался?
Аноним 05/04/17 Срд 12:55:25  278762
>>278749
Бери звуковуху которая подключается через spdif точно никакие наводки от компа не дойдут. У плантроникса даже наушники есть с spdif.
Аноним 05/04/17 Срд 13:01:26  278764
>>278762
У меня на маме нет spdif. Да и по звуку в мониторах все хорошо, у меня не такой замечательный слух, проблема именно в микрофоне.
Аноним 05/04/17 Срд 13:13:36  278766
>>278761
Нет, идея неплохая. Только далеко не всякий MOSFET подойдет.
>What is a Linear MOSFET?
>A MOSFET specifically designed to be more robust than a standard MOSFET when operated with both high voltage and high current near DC conditions (>100msecs).
https://www.microsemi.com/product-directory/mosfet/732-linear
Аноним 05/04/17 Срд 13:20:58  278767
>>278764
Не пробовал комп заземлить для теста?
Аноним 05/04/17 Срд 13:28:56  278768
>>278766
У меня ток не больше 2А при 5В. Проблема в том что у мосфета, очень маленький линейный участок шириной в ~400мВ на затворе. Протестировал пару рандомных попавшихся под руку.
Аноним 05/04/17 Срд 13:33:11  278769
>>278767
Нет возможности его заземлить. Стояки пластиковые, этаж высокий.
Но когда касаюсь корпуса компа меня несильно хуярит током, а помехи чуть уменьшаются.
Аноним 05/04/17 Срд 13:34:47  278773
doc000151473.jpg (173Кб, 1000x677)
Привет, анон. У меня вопрос есть. Раньше никогда не паял, ничего такого вообще не делал, так что далёк от всего этого прям совсем. Так вот. Нужно спаять определенную хуйню. Нужен самый обычный светодиод, который будет зажигаться тогда, когда цепь разомкнута. Ну или хз, в общем, что мне нужно: есть закрытая дверь. Нужно сделать так, чтобы когда она открывалась, диод зажигался. Всё, лол. Как это осуществить проще всего? Сам диод нужно будет протянуть метров на 5. Есть такая хуйня(пик), думаю можно всё оттуда взять. Проводки найду. Как это сделать? Ссаными тряпками не гоните только. Паяльник, припой, вся эта хуерга тоже есть.
Аноним 05/04/17 Срд 13:40:45  278774
>>278768
Ну я тебе и говорю об этом. Возьми линейный мосфет.
Аноним 05/04/17 Срд 13:40:53  278775
>>278769
Так поставь нормальный бп хуле ты. Норм USB звуковуха для захвата звука стоит дороже.
Высокочастотные наводки могут придти и по даталиниям и общей земле.
Еще можешь напердолить сетевой/юсб микрофон из андройда.
Аноним 05/04/17 Срд 13:43:55  278776
>>278774
У меня мало выбора в мухосране 800к. А ждать не хочется.
Аноним 05/04/17 Срд 13:50:32  278778
14082867515269.png (4Кб, 672x404)
>>276268 (OP)
Анон, посоветуй простейших варварских схем силовых размыкающих ключей для принудительного закрывания тиристора. Замыкающих-то ключей существует овердохуя, а вот из размыкающих мне известны только механические реле, но у них быстродействие говёное. Ну и триоды ещё, но это экзотика.

Вот есть такая схемка, например. Тиристор запирается сам, когда C1 заряжается до максимума. После чего C1 разряжается через R1, и схема приходит в изначальное состояние.
Недостатки: слишком долгое время "перезарядки", ибо уменьшать сопротивление ниже некоторого уровня нельзя - через резистор пойдёт ток удержания.
Можно вместо резистора поставить транзистор. Тогда можно настроить схему на любое время, но понадобится относительно громоздкий таймер для управления транзистором.

Кароч, ищу всякие полупроводниковые штуки для принудительного размыкания, силовые и не очень.
Аноним 05/04/17 Срд 13:51:54  278779
>>278775
Какой посоветуешь? По выбору знаю, что должна быть одна жирная линия 12V вместо кучи виртуальных, 5 и 3,3 должны понижатьсяс 12, а не идти от вторичной обмотки, и должен быть голдовый серт.
А вообще у меня наводки не высокочастотные. 50Гц трудно высокой частотой назвать.
Высокочастотные, конечно, есть, но на таком низком уровне, что в рот я ебал пытаться с ними что-то делать, проще софтом убрать.
Низкочастотные же бывают до 45Дб, при голосе в 70Дб
Аноним 05/04/17 Срд 14:07:41  278781
>>278779
Зависит от твоего бюджета. Но что-то дешевле этого брать смысла нет. https://www.computeruniverse.ru/products/90551742/seasonic-g-series.asp
Аноним 05/04/17 Срд 14:11:29  278783
>>278781
Есть!
https://www.aliexpress.com/item/AC-DC-12V-2-5A-Switching-Power-Supply-Board-Module-2500MA-for-Replace-Repair/32686054767.html
Аноним 05/04/17 Срд 14:14:01  278784
>>278783
Благодарю, попробую такую штуку вставить в свой древний термалтейк. Может мониторы перестанут стрекотать от движений мыши.
Аноним 05/04/17 Срд 14:16:23  278785
>>278784
Тьфу, бля, это 12В, а не 5. А есть такой модуль для БП, чтобы 5В и 3,3В линии от 12 понижать? Ибо у меня они получаются вторичной обмоткой трансформатора.
В ближайшее время БП новый взять не получится.
Аноним 05/04/17 Срд 14:23:29  278786
>>278778
Тиристор нельзя закрыть пока через него течет ток.
Аноним 05/04/17 Срд 14:27:06  278787
>>278773
Хуяришь на дверь ик-излучатель, через 5м фотодиод какой-нибудь. При повороте двери оптическая связь прерывается и тиристор включает светодиод. Для устранения логической инверсии можешь использовать, внезапно, инвертор или триггер какой-нибудь.
Аноним 05/04/17 Срд 14:27:14  278789
>>278786
Я в курсе. Поэтому мне и нужен последовательно включенный с ним управляемый (или условно-управляемый) размыкатель.
Аноним 05/04/17 Срд 14:35:41  278791
>>278783
2 Ампера на весь кудахтер? Где брать весь остальной набор ATX напряжений? Где гарантия отсутствия помех?
С сисоником хотябы нет лотереи.
Аноним 05/04/17 Срд 14:36:28  278792
>>278787
>
>Хуяришь на дверь ик-излучатель, через 5м фотодиод какой-нибудь. При повороте двери оптическая связь прерывается и тиристор включает светодиод. Для устранения логической инверсии можешь использовать, внезапно, инвертор или три
Бля, и где мне всё это достать? Как паять? Есть схема? Я же вообще в этом не разбираюсь, ничего не понял из того, что ты сказал.
Аноним 05/04/17 Срд 14:39:21  278793
>>278773
Берёшь два расбери пи, соединяешь их двумя LTE модемами. Открытие двери определяешь обработкой изображения с вебкамеры.
Аноним 05/04/17 Срд 14:40:05  278794
>>278792
>где мне всё это достать?
На али.
>Как паять?
Флюс и припой.
>Есть схема?
Нет, да и не будет скорее всего работать на таком расстоянии.
Аноним 05/04/17 Срд 14:45:02  278795
>>278793
>>278787
Да вы обалдели чтоль? Может мне ещё квантовое поле тут сделать? А попроще никак нельзя? Проводочки там, батарейки, резисторы...
Аноним 05/04/17 Срд 14:46:51  278796
>>278795
Кнопка от мыши. Проводки. Батарейка. Светодиод.
Аноним 05/04/17 Срд 14:49:10  278797
>>278796
И как это всё объединить?
Аноним 05/04/17 Срд 14:51:04  278798
>>278795
На дверь клеишь магнит, на косяк нормально-замкнутый геркон. Всё.
Аноним 05/04/17 Срд 14:54:54  278799
>>278798
Тоже об этом думал, проще всего. Но косяк неустойчивый, лол.
Аноним 05/04/17 Срд 14:58:27  278800
>>278797
Для тебя - никак.
Аноним 05/04/17 Срд 14:59:27  278802
>>278799
> косяк неустойчивый
Ты в юрте штоле живешь?
Аноним 05/04/17 Срд 15:07:56  278803
>>278798
Всё, сделал, лол. Заебись. Даже резистор прихуячил, хуй знает зачем. На всякий случай.
Аноним 05/04/17 Срд 15:23:57  278807
Ребятушки, хочу я КВ диапазон послушать на природе, но без участия в этом ПК с интернетом (sdr и websdr) и без аналогового радио (покупать на бу рынке переменные конденсаторы вырванные из старых приемников не хочется, а заказывать с ебея или али , ну смысл?, проще рассыпухи купить в ближайшем магазе) Так вот, знаю что на всяких пердуинах и прочих МК строят КВ радио, мне как новичку хочется собрать подобную штукенцию попроще и запитать ее от батарейки/аккумулятора типа AA, на природе послушать. Как бы мне это все сделать?
Аноним 05/04/17 Срд 15:25:29  278809
>>278807
> на всяких пердуинах и прочих МК строят КВ радио
Наркоман? Током ёбнуть?
Аноним 05/04/17 Срд 15:27:22  278810
>>278809
>Наркоман? Током ёбнуть?
Ну если взбодрит, то давай. Я имел ввиду с их помощью КВ слушают же. Короче, как мне во всех этих схемах аналогового радио переменный кондер заменить? Он сцуко не продается нигде фактически в прямой доступности, а его во всех схемах предлагают использовать.
Аноним 05/04/17 Срд 15:28:51  278811
u631247f8e35ec5[...].png (120Кб, 736x736)
>>278802
В хрущевке
Аноним 05/04/17 Срд 15:29:21  278812
>>276268 (OP)
Идиотский быстровопрос. На дому надо иногда замерять температуру твердых плотных, твердых-сыпучих и жидких предметов, а совсем редко силу тока. Мне хватит любого DT-838 вроде ресанты за 300 рублей или надо что-то более крутое, если да, то что? Мерять с точностью до 10ых градуса, а не до целых (мне такая точность сама по себе не нужна, но иногда хочется знать динамику изменения) будет стоить на порядок дороже, верно?
Аноним 05/04/17 Срд 15:31:29  278814
>>278810
> переменный кондер заменить?
Синтез частоты. Уже давно.
Аноним 05/04/17 Срд 15:32:58  278815
>>278814
https://www.chipdip.ru/product/ad5932yruz-waveform-generator-smd-tssop16 Эта штукенция? И как ее регулировать?
Аноним 05/04/17 Срд 15:33:07  278816
>>278812
Купи самый простой тестер с термопарой или ик-термометр. Всё остальное будет много дороже только потому что пользуется намного меньшим спросом.
Аноним 05/04/17 Срд 15:37:29  278818
>>278815
http://www.cqham.ru/hfdds.htm
Аноним 05/04/17 Срд 15:41:32  278819
>>278818
Короче говоря, к этому синтезатору по схемам паяем дисплей/катушки/транзисторы/резисторы/конденсаторы и проч и все, я могу КВ слушать?
Аноним 05/04/17 Срд 15:43:58  278820
>>278819
DA
Аноним 05/04/17 Срд 15:45:15  278821
>>278816
> самый простой тестер с термопарой или ик-термометр
Так это выйдет дороже, чем мультиметр взять, как раз из-за
>пользуется намного меньшим спросом
видимо. Дешевы только ртутные.
Нашел только пикрелейтед1, но он стоит столько же, сколько и пик2 (не умея при этом в измерение силы тока и прозвонку проводов, лол). Точность измерения температуры у них, подозреваю, сопоставимая.
Аноним 05/04/17 Срд 15:47:55  278822
14002385113218.jpg (27Кб, 500x333)
>>278820
Благодарю анон, ты мне серьезно помог. Добра тебе няш :З
Аноним 05/04/17 Срд 15:59:05  278826
>>278821
Хватит тебе мультиметра с термопарой.
Если откалибруешь его по нулю и 100 градусам вообще норм будет.
Аноним 05/04/17 Срд 16:30:30  278830
>>278826
Спасибо, анон я бы не задавал таких глупых вопросов, если бы это хоть немного "моя" тема была, мне-то всего температурку лампочки, трубы отопления или проца раз в полгода померять, да еще реже параметры блока питания, а тут йоба какая, мультиметр, крутилка, куча циферок нарисована, страшно, лол
Аноним 05/04/17 Срд 17:07:20  278836
>>278830
Под тестером подразумевался как раз мультиметр, например.
Аноним 05/04/17 Срд 17:57:03  278846
>>278836
Да, теперь я пони.
Аноним 05/04/17 Срд 18:04:17  278850
8948.JPG (50Кб, 1157x264)
Сап, ананасы. Прошу помощи, так как нихуя не понимаю в этой теме. Есть пикрелейтед кто не видит задания - оценить показания вольтметров 1,2,3. Собственно, курил интернеты, нихуя не понял как посчитать, есть дохуища способов 3, а по какому работать так и не понял. Так вот, щито делать.. направьте меня только не на хуй, пожалуйста!
Аноним 05/04/17 Срд 18:17:13  278851
>>278722
Лол блять
Аноним 05/04/17 Срд 18:21:07  278852
>>278850
Закон ома, последовательное и параллельное соединение резисторов. Учат в школе.
3v, 1.5v, 0.75v
Аноним 05/04/17 Срд 18:22:52  278853
DSC0558.JPG (2826Кб, 3920x2204)
DSC0556.JPG (2542Кб, 3920x2204)
DSC0555.JPG (2723Кб, 3920x2204)
DSC0553.JPG (2251Кб, 3920x2204)
Помогите я хз как расставить эти микросхемы на плате
Аноним 05/04/17 Срд 18:27:52  278855
>>278853
Ты не с той стороны их ставишь.
Аноним 05/04/17 Срд 18:28:50  278856
>>278852
>Учат в школе.
Я и так в школе, поэтому особо от слова совсем не разбираюсь в физике. Можешь расписать кратко, как получил значения? Спасибо
Аноним 05/04/17 Срд 18:33:51  278858
Аноны, помогите. Пытаюсь прошить stm8s103f3, но нихуя не получается.
Программка примитивнейшая чтобы тупо зажечь светодиод.

#include "stm8s.h"

int main() {
GPIOB->DDR |= 1<<5;
GPIOB->CR1 |= 1<<5;
GPIOB->CR2 |= 1<<5;
GPIOB->ODR |= 1<<5;
while (1) {
asm("nop");
}
}
Прошиваю ST visual programmer, пишет

< File successfully loaded. File Checksum 0x731B
> Programming PROGRAM MEMORY area...
Cut Version and Revision of device: 1.2
< PROGRAM MEMORY programming completed.
> Verifying PROGRAM MEMORY area...
Cut Version and Revision of device: 1.2
< PROGRAM MEMORY successfully verified.

Но нихуя в итоге не работает, светодиод не зажигается. В чем проблема?
Аноним 05/04/17 Срд 18:56:52  278862
>>278855
Микросхемы не с той стороны?
Аноним 05/04/17 Срд 18:57:04  278863
аудио2213плата.jpg (747Кб, 2074x1383)
IMG84resize86.jpg (2273Кб, 3629x2420)
Ребяты, мне нужна помощь, ибо бось спалить все к хуям.
Вот эта вот платка отвечает за голосовое приветствие при включении моего гироскутера и еще она типа по блютузу может играть музяку с телефона.
При включении эта тварина преветствует меня на ломанном англ языке добро пожаловать, заебало, хочу впилить туда свой звук, написал на пердуине скетч, и теперь не знаю, куда врезаться контактами пердуины в аудиотракт этой платы, может кто помочь?
Посмотрел на даташит NS4158- уселок, подумал збс, припаялся я своей ардуиной на землю и на вход сигнала уселка включил и соснул, нипашит. Что делать, ребяты? куда копать? А лучше бы просто показали мне, где дороги от родного мк перерезать и свой тракт впаять. Лучей добра.
Аноним 05/04/17 Срд 19:00:02  278865
>>278855
Аааа ты насчёт элементов, та я вкурсе. я просто посмотреть все ли элементы на месте. Это я знаю что с обратной стороны ставить надо. Я только не знаю как микросхемы ставить и все
Аноним 05/04/17 Срд 19:03:21  278866
>>278865
На плате подписано. Цифры "1".
Аноним 05/04/17 Срд 19:04:10  278867
>>278714
Прогер нормальный купи
Аноним 05/04/17 Срд 19:12:44  278870
>>278778
Для чего?
Аноним 05/04/17 Срд 19:23:59  278873
>>278866
А какая последовательность (там 2 разных вида микросхем)
Аноним 05/04/17 Срд 19:27:26  278874
>>278873
На третьем и четвёртом пике написано. Чё тупишь?
Аноним 05/04/17 Срд 19:49:52  278877
>>278856
>>278850
бамп
Аноним 05/04/17 Срд 20:18:18  278884
>>278863
бампецкий, очень мне уж надо, хоть носом тыкните, как самому понять что да как
Аноним 05/04/17 Срд 20:26:26  278885
>>278874
Я первый раз имею дело с микросхемами. Что такое пики?
Аноним 05/04/17 Срд 20:27:19  278886
>>278885
Пики это выводы (точеные)
Аноним 05/04/17 Срд 20:28:03  278888
>>278886
Я оценил.
Аноним 05/04/17 Срд 20:36:57  278891
14914057728560.jpg (92Кб, 980x551)
14914057729221.jpg (104Кб, 980x551)
Хули толку на самом деле.
Аноним 05/04/17 Срд 20:41:54  278893
>>278891
Ты олень какой то, есть же на чипах ключи, на схеме эти ключи тоже должны быть.

мимо>>278863 хуй
Аноним 05/04/17 Срд 20:46:02  278894
Вот так помогаешь кому-нибудь, а ответ только оскорбления. Как и ожидалось.
Аноним 05/04/17 Срд 21:00:58  278895
>>278778
Ты бы сказал для чего тебе это надо.
А то может тебе и нужен термопредохранитель, например.
Аноним 05/04/17 Срд 21:00:59  278896
Аноны, как проще всего разделить меандр 5 МГц до 100 либо 10 Гц?
Аноним 05/04/17 Срд 21:01:58  278897
>>278791
ТЫ НА ЦЕНУ ПОСМОТРИ!!!11
Аноним 05/04/17 Срд 21:02:42  278898
>>278896
МК
Аноним 05/04/17 Срд 21:03:18  278899
>>278795
А то идея. Замени два LTE-модема на два спутанных очарованных кварка.
Аноним 05/04/17 Срд 21:05:17  278900
>>278814
>> переменный кондер заменить?
>Синтез частоты. Уже давно.
Кстати, где подешевле купить - можно оптом - все эти, теперь оставшиеся ненужными, переменные конденсаторы с воздушным диэлектриком и пластинами?
Аноним 05/04/17 Срд 21:08:47  278903
>>278898
Не будет импульсы пропускать? Точность деления критична.
Аноним 05/04/17 Срд 21:14:14  278906
>>278903
Ну я бы завёл меанд на тактовый вход мк и генерировал прерывание с частотой 10Гц. Алсо для точного сведения может понадобиться бубен с костылями, но это так, мелочи.
Аноним 05/04/17 Срд 21:18:42  278908
>>278906
Вот ты явно шаришь, не поможешь мне с этим?
>>278863
Аноним 05/04/17 Срд 21:36:46  278912
Перекачу сюда еще:
>>278861
Странная фигня происходит, подключил в разрыв плюсового провода аккума амперметр — так планшет при включении шипит динамиком примерно треть секунды и отключается, амперметр успевает замерять 5 мА. А при отсутствии амперметра он сам не выключается. Что за дела?
Аноним 05/04/17 Срд 21:41:06  278914
>>278908
Антон, успокойтесь.
Аноним 05/04/17 Срд 21:41:52  278915
>>278912
Мультиметр в режим "А" поставь.
Аноним 05/04/17 Срд 21:43:33  278920
1361812230003.jpg (73Кб, 443x600)
>>278915
Аноним 05/04/17 Срд 21:46:00  278922
Безымянный.jpg (36Кб, 897x226)
Нашел на улице обрывок светодиодной ленты, блоками по два диода и двумя параллельными шинами по бокам. То есть без еболы с перемычками я могу зажигать только по 2 диода, а назначение двух ни с чем не контактирующих шин по краям мне вообще не понятно. Что это за лента такая? В интернете не нашел похожего.

>мимопробегал ни разу не электрик не бросайтесь камнями
Аноним 05/04/17 Срд 21:49:47  278925
>>278914
ну дак нужно мне. как успокоицца?
Аноним 05/04/17 Срд 21:50:11  278926
Черные линии это не дорожки, так на всякий.
Аноним 05/04/17 Срд 21:55:09  278929
>>278925
Первая нога - включить чип.
Четвёртая нога - вход аудио.
По мне ты хуйнёй страдаешь.
Аноним 05/04/17 Срд 22:12:09  278932
>>278929
Ты мой пост читал? Я сделал это с самого начала. Не взлетело, даже родной мк не воспроизвел свою речь.
Как мне сказали, у этого усела высокоомный вход, а значит, мне нужно подцепится к схеме еше ДО чипа усилителя, однако куда именно, я не могу понять.
Аноним 05/04/17 Срд 22:15:01  278933
>>278932
В даташите на странице 2 схема подключения. Очевидно что не нужно подключать ардуину напрямую.
Аноним 05/04/17 Срд 22:21:26  278934
Снимок2.JPG (21Кб, 488x325)
Сним2ок.JPG (8Кб, 92x79)
>>278933
Вот я осел, спасибо!
Правда, не все мне понятно. Правильно ли, что к самой 4 ноге мне нужен резюк 30 ом? у меня есть на 22000 и 10000, я могу изобрести из них велосипед? И что такое на второй пикче? проще говоря, вот вывод звука на ардуине у меня допусти на 9 ноге, я ее подаю через резистор на 30 ом и через непонятное что то со второй пикчи? А землю с пердуины на общую землю чипа, все так?
Аноним 05/04/17 Срд 22:26:32  278935
IMG84resize86.jpg (2276Кб, 3629x2420)
>>278934
Я так допер, что Сi на 47nF это конденсатор, так ли это? И если так, прав ли я, что цепанутся мне нужно на отмеченным красной точкой месте кондера на плате?
Аноним 05/04/17 Срд 22:31:33  278937
14914200863030.jpg (35Кб, 976x650)
14914203927640.jpg (124Кб, 908x605)
Аноним 05/04/17 Срд 22:35:41  278938
>>278937
для чего ты указал на первый пин стрелочкой? Туда подключать "минус" с ардуины?
Аноним 05/04/17 Срд 22:36:18  278939
>>278938
А вообще спасибо, что разбираешь это для меня, без тебя бы не справился.
Аноним 05/04/17 Срд 22:42:04  278940
>>278938
Первый пин - "выключатель чипа".
Аноним 05/04/17 Срд 22:44:16  278941
>>278940
Это я понимаю, не понимаю, для чего ты\он его выделил, ибо чип сам по себе я не собираюсь выпаивать с платы и он вроде как по стандарту на плате работает, мне просто нужно к нему сигнал с пердуины подать, на ужевключенный усел.
Аноним 05/04/17 Срд 22:50:24  278943
>>278941
Нужно проверить напряжение на этом пине. Возможно чип отключается контроллером.
Аноним 05/04/17 Срд 22:56:53  278944
>>278943
В момент пока эта дрянь опять преветствует меня, на чипе 1.75 вольта, когда перкращает и замолкает- 5 вольт с копейками. Как поступать?
Аноним 05/04/17 Срд 22:57:24  278945
рфне.png (34Кб, 720x629)
Почему всего 2.5 вольта? куда еще 2.5 просрались?
Аноним 05/04/17 Срд 23:08:26  278946
>>278944
Как и ожидалось.
Даташит, страница 4. Короче нужно пин 1 отпаять и соединить напрямую с GND (пин 7). Вроде бы.
Посмотри куда он там идёт к контроллеру.
Аноним 05/04/17 Срд 23:15:58  278949
>>278946
А что мне даст, если я найду этот пин на микроконтроллере? Он Какой то хитровыебанный, вроде как и не имеет даташита.

Посмотрел на 4 странице и ничего не понял, можешь тыкнуть в сностку того, откуда ты сделал такой вывод насчет закорочивания на землю?
Аноним 05/04/17 Срд 23:23:40  278953
>>278949
CTRL voltage
Аноним 05/04/17 Срд 23:26:15  278954
>>278953
только что включил, дождался когда воспроизведется приветствие, Услышал, что после приветствия еще примерно секунду из динамика производится шум\помехи. После этого закоротил проводком CTRL и GND- услышал одиновный непонятный звук, раскоротил- файл проигрался еще раз.
Аноним 05/04/17 Срд 23:34:10  278959
>>278953
Хей хо! А ведь если подумать- можно же эту ногу не припаивать к земле, а так же по идее пердуиной рулить. Вопрос вот в чем- я не могу понять логику сего процесса, что бы написать скетч. что конкретно должна делать программа?
Аноним 05/04/17 Срд 23:35:39  278960
>>278959
Прижать ногу 1 к земле. Высрать мелодию. Выключиться.
Аноним 05/04/17 Срд 23:59:45  278962
Поцоны, надо зарядить 2 никель кадмиевых аккумулятора, есть регулируемый БП и блистер на 4 батарейки. Что на бп выставить, чтоб ночью не пиздануло?
Аноним 06/04/17 Чтв 00:10:02  278964
>>278960
последний вопрос- "+" вывода звука с пердуины мы кидаем на 4 пин, а "-" куда цеплять?
Аноним 06/04/17 Чтв 00:11:47  278965
>>278964
"-" чего? Не понял. GND?
Аноним 06/04/17 Чтв 00:15:49  278967
>>278965
Да. Если представить сигнальный пин с пердуины, он у меня 9 пин как плюс. а минус у меня подлючается в GND на ардуино, то другой конец на усел куда его подавать?
Аноним 06/04/17 Чтв 00:16:40  278968
Безымянный.JPG (44Кб, 1568x614)
Как-то так должно получиться.
И я понятия не имею как ардуиной генерировать звук. Честно не умею.
Аноним 06/04/17 Чтв 00:27:28  278972
>>278968
Ты охуенный анон, спасибо большое!
Аноним 06/04/17 Чтв 00:54:51  278976
>>278870
>>278895
С пушками гаусса играюсь.
Аноним 06/04/17 Чтв 01:05:39  278977
IMG84827.jpg (1806Кб, 3629x2420)
Это снова глупый анон. В процессе подключения пердуины по схеме анона >>278968

напаял проводки на GND и VDD, по привычке решил прозвонить выводы проводов на замыкание, и таки эта ебань запищала.
Я аж удивился, видно же что запаял все охуенно, проверил под лупой, пошкрябал между ножками по плате иголкой- оно один хуй замкнуто!
Что это за ебань может быть? Жаль, что не удоумился прозвонить ноги меж собой до пайки, теперь сижу кусаю локти и не понимаю, что делать. Аноны, так должно быть или нет?
Аноним 06/04/17 Чтв 07:58:20  278989
Радач, помоги, пожалуйста. Есть один шестигранный винтик с разъебанной шляпкой. Как его вытащить?
Аноним 06/04/17 Чтв 08:00:02  278990
fft-connect-sou[...].png (12Кб, 477x406)
Анон, как называется такой вид подключения? В статье было сказано, что так надо подключить аудиосигнал, но я смутно представляю принцип его работы. Чем выше уровень сигнала, тем сильнее заряжен конденсатор, но его же можно напрямую подключить без этой кучи компонентов аж трех. Может, это способ повышения его диапазона до максимально доступного ЦАП, не зря же там входное напряжение присобачили. А может, так получится записывать гитары, слышал, у них звукосниматели дают не напряжение, а ток, но до конца эту идею все равно не понял.

>>278977
Отпаять никак? Возможно, убил чип статикой, но это маловероятно.
Аноним 06/04/17 Чтв 08:09:00  278991
>>278990 Совсем глупый? Аудио сигнал это примерно от -1в до 1в. Твой ацп работает в диапазоне от 0 до 3.3в. Соостветственно половину сигнала он измерить не сможет.
Схемой с твоего пика сигнал сдвигают вверх на половину напряжения питания (1.75в), получается от 0.75в до 2.75в, что вполне пригодно для ацп.
Аноним 06/04/17 Чтв 08:15:26  278992
>Аудио сигнал это примерно от -1в до 1в.
Точно, минус. Не знал его границы, единственное, что получилось протестировать пока — айфон, у него около 800мВ максимум. Спасибо.
Аноним 06/04/17 Чтв 08:16:03  278993
>>278991
Ссылку забыл.
Аноним 06/04/17 Чтв 09:16:46  278998
>>278891
А это точно правильно?
Аноним 06/04/17 Чтв 09:18:29  278999
>>278761
Посмотри схему IMAX B6 - там так и сделано.
Аноним 06/04/17 Чтв 09:20:28  279000
>>278773
Делаешь ключ на одном NPN транзисторе.
В коллекторе - твой светодиод, база подтянута к + резистором, база-эмиттер - замыкаются твоим выключателем-датчиком.
Аноним 06/04/17 Чтв 10:38:17  279002
>>278999
"Так сделано в IMAX B6" - это аргумент в пользу "да, это плохая идея". Тот еще эталон инженерного искусства.

Аноним 06/04/17 Чтв 12:06:37  279028
>>278821
Точность у них НЕсопоставимая: мультиметр меряет температуры в целых градусах, при этом может врать на пару градусов запросто.
Специализированный термометр по определению более точен.
Аноним 06/04/17 Чтв 12:15:34  279030
>>278945
В порог открытия транзистора. Vgs.th.
Аноним 06/04/17 Чтв 12:18:08  279031
>>279002
Работает нормально, если не фейк голимый от китаясев.
А узел разряда аккумулятора там на мосфете в линейном режиме и сделан, работает в достаточно широком диапазоне токов.
Аноним 06/04/17 Чтв 12:22:38  279032
>>279030
То есть когда напряжение на базе второго транзистора доходит до 3.7 вольта, на базе первого будет 5-3.7 = 1.3 и он закрывается? Как фиксить это дело? какой-нибудь бутстреп конденсатор запилить?
Аноним 06/04/17 Чтв 12:29:33  279035
>>279031
Если б он нормально работал, никто бы не покупал гораздо более дорогие Turnigy, Accucell и прочие. Сходи на Фонаревку почитай как он нормально работает.
Кроме дешевизны и массовости (допилинга и колхозинга) у IMAX B6 никаких плюсов никогда и не было. DT830 такой, среди зарядников.
Аноним 06/04/17 Чтв 12:34:40  279036
>>279035
Само собой, если ты на али покупаешь фейк в 2 раза дешевле оригинала - надо думать, что там на чем-то сэкономлено. Вон у меня лежит такой палёный (друг отдал, купил за 18 баксов, молодец) - схема с оригиналом совпадает только частично, контроллер вообще непойми какой без маркировки, пока был жив - работал через пень-колоду.
Потом купил нормальный за сороковку, пользуется, претензий не имеет.
У меня старый EOS 5i dp - схемотехника там ровно та же самая, работает отлично.
Аноним 06/04/17 Чтв 12:35:31  279037
>>279032
Что ты хочешь получить? У тебя выходные транзисторы включены повторителем, соответственно пороговое напряжение затвора будет отъедаться всегда.
Аноним 06/04/17 Чтв 12:57:50  279041
>>279037
>Что ты хочешь получить?
Чтобы было 5 вольт на выходе.
Аноним 06/04/17 Чтв 13:13:46  279043
>>278891
Теперь я понял для кого нужна шелкография. И очень хуёво что производитель поскупился на неё.
Аноним 06/04/17 Чтв 13:22:28  279048
>>279041
Тогда на выходе нужен каскад с общим истоком. Либо бутстрап (но он на постоянном токе не работает).
Аноним 06/04/17 Чтв 13:28:32  279049
last.jpg (28Кб, 640x480)
Алферовы, подскажите, можно ли заменить в тиристорном регуляторе мощности тиристор на транзистор?

Пока нашел только такое, но тут мультивибратор: http://cxem.net/house/1-277.php

Можно ли как-то уменьшить кол-во транзюков? Максимально упростить схему. А то я тупая макака, только поять могу но не понимаю нихера.
Аноним 06/04/17 Чтв 13:36:23  279052
>>279048
Как подключить бутстрап? Можешь нарисовать?
Аноним 06/04/17 Чтв 13:42:55  279053
Привет всем, я никогда не понимал электротехнику от слова совсем. Не мог посчитать ни одну схему. Ничего не понимал и не понимаю. Сейчас как хобби занялся моделированием аналоговых девайсов для обработки звука в софте. Посоветуйте что почитать с нуля для того чтобы понимать как работают простейшие ламповые усилители. Может есть краткая брошюра для таких как я.
Аноним 06/04/17 Чтв 13:46:16  279054
>>279053
http://musicangel.ru/data.htm
http://www.tubecad.com/
Аноним 06/04/17 Чтв 13:54:09  279055
лш.png (23Кб, 613x627)
>>279048
Такое включение правильное?
Аноним 06/04/17 Чтв 13:56:07  279056
>>279054
ахуенно, спасибо тебе, да еще и на русском
Аноним 06/04/17 Чтв 14:11:57  279059
>>279052
Бутстрап нужен для драйвера затвора верхнего транзистора N-типа.
>>279055
Хрень какая-то.

Что ты хочешь получить, для чего тебе эти каскады?
Аноним 06/04/17 Чтв 14:18:00  279063
>>279059
>>279041

Аноним 06/04/17 Чтв 14:39:07  279068
rhy.png (32Кб, 899x528)
>>279059
Мне надо чтобы ток шел слева направо, когда я подаю еденицу на левый каскад и ноль на правый, а когда подаю еденицу на правый и ноль на левый, ток шел справа налево и чтобы на нагрузке падало не меньше 4.5 вольт.
Как сделать?
Аноним 06/04/17 Чтв 14:54:08  279072
Безымянный.png (27Кб, 729x547)
>>279068
А, я понял, нужно только n-канальные использовать. Осталось понять как подключить бутстреп.
Аноним 06/04/17 Чтв 15:04:34  279074
Насколько сложно в домашних условиях, имея только паяльник и мультиметр, поменять кинескоп в 3УСЦТ?
Говорят, просто так выдернуть плату и присоску из старого и засунуть новый не пойдёт, надо будет по приборам что-то там подгонять. Это правда?
Просто есть новенький импортный кинескоп, подходящий по формфактору и диагонали и есть 3УСЦТ с весьма подсевшим кином. Стрелять его нет смысла, они же после этого месяц-два и всё, хочу поменять.
Телемастер в ателье чёт не взялся.
Аноним 06/04/17 Чтв 15:09:29  279079
Анон, кончился припой, а их (внезапно) очень много видов, какой брать? ПОС 61 пойдет для типичных задач?
Аноним 06/04/17 Чтв 15:14:23  279080
>>279079
Да.
Аноним 06/04/17 Чтв 16:36:23  279086
39301640.jpg (34Кб, 640x521)
>>279068
Не надо делать это на дискретных транзисторах.
Ну или если уж хочется аж зубы сводит то делай так как на мэдскиллзе.
Второй транзистор N - типа - драйвер для верхнего.
В этой схеме нельзя подавать управление на оба канала одновременно иначе будет сквозной ток.
Аноним 06/04/17 Чтв 16:38:05  279087
>>279074
Там нужно будет переставить ОС и настраивать всякое сведение, с понятием вращая всякие магниты на кинескопе, что есть весьма и весьма нетривиально.
Аноним 06/04/17 Чтв 16:43:10  279088
>>279086
>Не надо делать это на дискретных транзисторах.
Не понял, а на чём еще делать.
Аноним 06/04/17 Чтв 16:45:57  279090
IMG0316 — копия.JPG (397Кб, 1583x947)
Купил модельные липоли. Боюсь что провода вывалятся из балансировочного разъема, слишком хрупким все это выглядит. Как можно усилить все это?

Аноним 06/04/17 Чтв 16:46:56  279091
Если провод вывалится и заденет другой это пиздец. КЗ. Может залить суперклеем все нахуй?
Аноним 06/04/17 Чтв 17:00:25  279093
>>279090
>усилить
анус себе усиль, псина
нихуя не вывалится, там контакты с крючком
Аноним 06/04/17 Чтв 17:01:51  279094
>>279088
Берешь готовую мелкосхемку драйвера под свою задачку, с нужными параметрами.
Что тебе нужно драйвить? Динамик, моторчик, светодиод двухцветный?
Аноним 06/04/17 Чтв 17:02:14  279095
>>279093
>>с крючком
Фаллоимитатор твоей мамаши с крючком
Аноним 06/04/17 Чтв 17:03:29  279096
>>279091
>залить суперклеем
Отрежь их нахуй сразу тогда, чоуж. Портить так портить.
Аноним 06/04/17 Чтв 17:05:58  279097
Уже отрезал, заряжать буду от 14вольтового трансформатора через дроссель и диод
Аноним 06/04/17 Чтв 17:06:49  279098
Нафиг эта балансировка китайцы тупые придумали бред.
Аноним 06/04/17 Чтв 17:08:43  279099
>>279097
>>279098
Правильно, можно даже без дросселей и диодов, прямо от розетки.
Аноним 06/04/17 Чтв 17:10:29  279100
>>279099
Попробую. Они зарядтся даже чуть выше на 10% лайфак такой слышал
Аноним 06/04/17 Чтв 17:13:34  279101
Лол развели тут хуйню. Они точно не отвалятся?
Аноним 06/04/17 Чтв 17:40:16  279104
>>279101
Попробуй выдери, подергай.
Аноним 06/04/17 Чтв 19:11:38  279111
>>279104
Анус себе подёргай!
Аноним 06/04/17 Чтв 19:13:52  279113
>>279049
Для чего тебе?
Гугли ne555 шим
спирт Аноним 06/04/17 Чтв 19:40:07  279114
посоны!!! я хочу сделать спирто-канифольный раствор, но у меня в аптеках нет чистого, только со всякими вкусовыми добавками, там борный, муравьиный, еще там со всякой хуйней. Меня пары этого говна не убьют? Какой можно взять?
Аноним 06/04/17 Чтв 19:43:30  279115
14581818663830.jpg (55Кб, 1024x581)
>>279114
> я хочу сделать спирто-канифольный раствор
ЛТИ-120 и не еби себе мозг
Аноним 06/04/17 Чтв 19:54:30  279117
>>279115
НЕТУ БЛЯТЬ в наших ебучих магазинах, это раз. Плюс он бывает хуевый что хуй атмоешь. Пока я закажу пока он блядь приедет я поседею. Я не в столицаъ этив ваших живу
Аноним 06/04/17 Чтв 19:59:54  279118
>>279117
> Я не в столицаъ этив ваших живу
Я ваще-то тоже в Залуподрищенске с 45к населения, но даже у нас есть три места где его можно спокойно купить + всякие паяльные жыры и кислоты.
Аноним 06/04/17 Чтв 20:03:11  279120
>>27911
выезжаю, буду жить у вас
Аноним 06/04/17 Чтв 20:41:37  279127
поясните плиз за электро магниты
допустим есть гвоздь на нем обмотка
мне понятно что обмотку надо по току подберать
но сердечник?
у негоже палюбому должны быть пределы?
я правильно понимаю если в сердечник запихнуть поле то в какойто момент оно начнет из него неуправля\емо вытекать?
про кристалическаи решотки щизик знает и прекрастно понимает что начинают вибрирувать кристалические решотки при насыщении...
соли неодима?
карочи необходимо расчитать всю эту хуйню и желательно чтобы глаз шизика на нее взгля\нул
есть таблички по намагничиванию канкретных материалов?

из законов помню только киргоффа и буравчика

Аноним 06/04/17 Чтв 21:20:59  279131
>>279117
Пиздабол блять
Аноним 06/04/17 Чтв 23:11:30  279147
>>279127
DC или АС электромагнит? А вообще чтобы не насыщался делают зазор в сердечникe, например.
Аноним 07/04/17 Птн 00:02:12  279150
>>279127
Я вот сижу намагничиваю очередной гвоздь двумя магнитами от HDD.
Получается намного лучше, чем с помощью проволоки и аккума.
А поясните, теряют ли при этом магниты свою силу? Если теряют, то почему?
Аноним 07/04/17 Птн 05:12:43  279154
>>279113
Регулировать мощность нагревателя. При этом хочу собрать из подручного хлама, а не бежать в магазин.

>>279114
Бери боярышник. Будет приятно пахнуть.
Аноним 07/04/17 Птн 05:40:45  279155
fe9de4[1].jpg (35Кб, 432x282)
Есть на али драйверы для BLDC моторов от HDD? Желательно в виде недорогих готовых модулей. И желательно универсальных для 3 и 4 контактных движков (треугольник / звезда).
А то движков куча, есть идеи куда применить, но драйверов готовых хуй найдешь. Родные платы не катят по известным для всех кто пробовал причинам.
Аноним 07/04/17 Птн 06:51:31  279157
>>279154
Это очень плохая идея.
Аноним 07/04/17 Птн 07:05:44  279158
14479196821870.jpg (40Кб, 600x600)
>>279155
> по известным для всех кто пробовал причинам
Не найдешь datashit-ов??
Аноним 07/04/17 Птн 07:20:44  279159
>>279049
Нет нельзя. У регуляторов на тиристоре и на транзисторе существенно разное управление. Транзистор выключается внешним сигналом, а тиристор - сам, при снижении тока до 0.
Аноним 07/04/17 Птн 08:07:59  279164
DS-brain-traini[...].jpg (38Кб, 557x500)
>>279113
>>Для чего тебе?
>не бежать в магазин.

Это такая новая перспективная область схемотехники - схемотехника эквивалентных преобразований в условиях натурального хозяйства на постсоветском пространстве.

Напиздил много элементов Х, а в схеме нужен элемент Y, как сделать Х из Y?
Принесли в починку телефон, сгорела микросхема RAM, но у меня есть только сдвиговые регистры и конденсаторы

И все в таком духе. Можно книгу писать, "Искусство схемотехники натурального хозяйства", Хоровицко и Хилый, 2017.
Будет в топе - но не по продажам, по скачиванию. покупать книги этот контингент заставить себя не сможет, он тиристор-то купить не может, продав свои транзисторы. Причем в основном по идеологическим причинам - сами идеи рынка, разделения труда, добровольного обмена, денег как эквивалента - ему не близки, непонятны и относится он к ним с большой осторожностью и недоверием.
Аноним 07/04/17 Птн 08:51:41  279172
Киньте схему формирователя импульса на D-триггере
В наличии только интегральные схемы
Аноним 07/04/17 Птн 10:21:52  279176
>>279164
>Это такая новая перспективная область схемотехники
Не сказать что новая.
https://www.youtube.com/watch?v=v-XS4aueDUg
А впрочем товарищ молодец, готовится к преодолению всех предстоящих тягот и лишений на блого родины.
Аноним 07/04/17 Птн 10:30:28  279177
maxresdefault.jpg (134Кб, 1366x780)
>>279164
Аноним 07/04/17 Птн 14:01:21  279195
002.jpg (108Кб, 1216x472)
>>279127
>>279150
Кароч сердечник намагничивается в over 9000 раз сильнее вакуума, и за счёт этого как бы продлевает и усиливает поле. Но до бесконечности это делать нельзя, ибо в особо лютом магнитном поле наступает т.н. магнитное насыщение, и дальше свойства ферромагнетика проёбываются.
По поводу табличек гугли петлю гистерезиса для разных веществ. Там ещё и хитровыебанный сдвиг остаточной намагниченности.
Аноним 07/04/17 Птн 14:33:31  279198
>>279195
Вот не понимаю я одной хуйни. На графике намагничивания сердечника определенная напряженность соответствует определенной индукции. Насколько я помню напряженность поля=сила тока умноженная на количество витков и деленная на длину средней магнитной линии. Но сечение сердечника нигде не упоминается. Очевидно, что толстый сердечник не будет намагничиваться так же как тонкий, но график говорит об обратном.
Аноним 07/04/17 Птн 14:36:38  279199
Безымянный.jpg (234Кб, 1005x378)
МСхема.png (52Кб, 1283x816)
анон, все ли правильно на монтажной схеме ? какова емкость конденсатора ?
Аноним 07/04/17 Птн 15:03:35  279200
>>279199
> какова емкость конденсатора ?
Какого? 2200пф или 0.15мкф?
Аноним 07/04/17 Птн 15:54:50  279202
2017-04-07123833.jpg (1224Кб, 3508x2479)
Поцоны. По схеме С4 и С8емкостью 0.01 миллифарад? Или все-таки это должны быть микрофарады?
Аноним 07/04/17 Птн 15:58:06  279203
>>279202
> 0.01 миллифарад?
МЕГАфарад, жы!!!
Аноним 07/04/17 Птн 16:22:53  279204
blob (18Кб, 1012x533)
Ньюфагу требуется помощь.
Как энергию, запасённую в первой катушке перенаправить на вторую катушку? Хотел сделать так, но наверное не сработает.
Аноним 07/04/17 Птн 16:29:11  279206
>>279204
Трансформатор.
Аноним 07/04/17 Птн 16:30:13  279207
>>279206
Хорошо. Если вариантов не будет, то попробую им.
Аноним 07/04/17 Птн 16:45:33  279209
>>279204
мааам я гаусс собрал
Аноним 07/04/17 Птн 16:53:25  279210
>>279198
На каком графике
Аноним 07/04/17 Птн 19:04:01  279217
>>279204
Хули, гугли схемы гауссов с рекуперацией. Вообще говоря, с этим ты заебёшься, потому что всё упирается в прецизионные микросекундные ключи на килоамперы. И всё равно существует вероятность, что запертый ток в катушке на какое-то мгновение не получит выхода, эдс скакнёт и пожжёт всё к ебеням. Народ на пердуинах многоступенчатых монстров собирает, а вместо кпд получается всё равно хуйня на уровне воздушки при затраченной энергии на уровне пули АК.
Аноним 07/04/17 Птн 19:33:07  279222
>>279217
А что насчет кпд рельсотронов? еще ниже чем у койлгана?
Аноним 07/04/17 Птн 19:42:13  279223
>>279217
Понял. Спасибо.
Аноним 07/04/17 Птн 20:54:37  279231
Платина радача, посоны. Приехал тор из чипидипа, как определить начало и конец вторичных обмоток?
Аноним 07/04/17 Птн 21:08:40  279233
>>279231
Включить, соединять проводки и измерять напряжение (можно просто лизнуть).
Аноним 07/04/17 Птн 21:56:21  279237
>>279233
Анус себе лизни, пес
Аноним 07/04/17 Птн 21:58:54  279238
>>279155
Я не понял чё ты хочешь, но наверное это
https://www.youtube.com/watch?v=nufQf7oFBvg
Аноним 07/04/17 Птн 22:05:39  279239
>>279238
Пойти и себе заказать что ли. У меня из харда наждак, который постоянно вырубается родной платой.
Аноним 07/04/17 Птн 22:30:23  279241
74hc08 примет 3.3в как еденицу при питании 5в? В даташите написано только для 4.5 и для 6 в. Причем для 4.5 это 3.15в, а для 6 это 4.2В
Аноним 07/04/17 Птн 22:40:50  279242
>>279241
Достаточно сложно ответить на неправильный вопрос. Есть даже поговорка такая: один дурак спросит так что сто мудрецов не ответят.
Аноним 07/04/17 Птн 22:41:43  279243
>>279242
Что тебе непонятно?
Аноним 07/04/17 Птн 22:47:53  279244
>>279243
Для начала зачем использовать два питающих напряжения?
Аноним 07/04/17 Птн 22:52:18  279245
>>279244
1. Микроконтроллер работает от 3.3в, от 5 он сгорит.
2. У 74hc08 на низком напряжении гораздо меньше скорость работы, а мне нужно максимальное быстродействие.
Аноним 08/04/17 Суб 00:41:23  279251
>>279210
Намагничивания ферромагнетика.
Аноним 08/04/17 Суб 00:42:34  279252
>>279222
>А что насчет кпд рельсотронов? еще ниже чем у койлгана?
Да та же хуйня по большому счёту, только вместо геморроя с микросекундными ключами и гистерезисом получаешь геморрой с трением и сотнями килоампер, пидорасящих рельсы. Внятный кпд у подобных систем появляется только если снаряд предварительно разогнать до 1-2км/с, так как импульсное ускорение они дают постоянное, а прирост энергии на 1м/с получается больше.

Отдельно по индукционникам. У них кпд хорош, нажорист, но они, увы, принципиально несовместимы с длинными стреловидными снарядами, ибо умеют нормально стрелять только тонкими широкими пластинами в сторону плоскости. Поэтому оружие из них не сделать, ступенчатость к ним не прикрутить, а в форм-факторе гауссгана они работают в разы хуже гауссгана. Да вдобавок и требуют ебанистических киловольт. Поэтому успешных реализаций индукционников ирл практически нет.

Такие дела. Если хочешь что-то с высоким кпд, пока наиболее близкое - термоэлектрика. Дуговой рейлган, ETC gun, лазердрайв и прочие импульсные кипятильники, только собирать подобные вещи дома ты заебёшься. Классические же рейлганы и коилганы пока безнадёжно сасают.
Аноним 08/04/17 Суб 07:21:08  279256
20c1d18791a2460[...].jpg (98Кб, 800x585)
Хочу подключить светодиодную ленту на 12 в к аккумулятору от ибп (10 - 14 в). Лента не сгорит от этого?
Аноним 08/04/17 Суб 07:23:14  279257
>>279256
резюки все сгорят
Аноним 08/04/17 Суб 07:39:18  279258
>>279256
Например сопротивление ленты 10 Ом/м, тогда номинальная мощность 12^2/10 = 14.4 Вт. Для верхней границы 14^2/10 = 19.6 Вт разница с номинальным значением 5.2 Вт – это на 36% больше номинального значения. При хорошем охлаждении не сгорит, но светодиоды будут деградировать быстрее.
Аноним 08/04/17 Суб 08:12:19  279260
NxL1bEmZUE0.jpg (84Кб, 1032x760)
В ХВ треде я буду ждать ответа 2 дня поэтому спрошу здесь - возможно ли эту схему переделать в ионофон и если да то какие именно нужно внести модификации?
Аноним 08/04/17 Суб 10:21:09  279270
Удалили раздел Recovery на ноутбуке Asus s46cm. На ноутбуке установлен SSD-диск на 24 Гб и HDD на 500 Гб. Как правильно установить систему, чтобы обеспечить максимальное быстродействие или добиться взаимодействия дисков друг с другом? Пытался подсовывать другое recovery- все ставится нормально, но либо только на SSD, либо на оба диска и, в итоге все дрова ставятся на SSD, и он забивается к хуям. Хелп ми,плиз.
Аноним 08/04/17 Суб 12:47:21  279278
>>279252
>Дуговой рейлган
Дык по сути только такие рейлганы и собирают. У них сколько кпд?
>лазердрайв
Це шо?
Аноним 08/04/17 Суб 13:39:51  279287
кто может помочь по САПРу, там пизда. готов заплатить за работу деньгами стим писать на мыло knyazz228@mail.ru
Аноним 08/04/17 Суб 14:51:22  279296
поясните пожалуйста как работает rc-снаббер, на пальцах. Я что-то гуглил гуглил, читал читал, но нихуя не могу понять.
Аноним 08/04/17 Суб 16:19:05  279300
>>279270
Ты ебанутый? Радач это последнее место куда тебе стоит идти с твоей проблемой. Школьники вообще ебанулись, походу они скоро будут здесь спрашивать как им с тянкой познакомится.
Аноним 08/04/17 Суб 16:54:20  279304
>>279241
бамп вопросу
Аноним 08/04/17 Суб 18:38:27  279308
>>276268 (OP)
Парни как быть. Развел платку на ЦАП PCM2705 с контроллером и незнаю как быть землей. У одного чела увидел что он под аналоговой частью землю отделил от цифровой вырезом и соеденил их полоской в одном месте. Взлетиит варик? на макетке все было как на макетке-на отъебись все разведено.
Аноним 08/04/17 Суб 18:58:06  279310
>>279300
куда тогда идти по этому вопросу ? ты блять адекватно ответить можешь ?
Аноним 08/04/17 Суб 19:03:04  279313
>>279278
>Дык по сути только такие рейлганы и собирают. У них сколько кпд?
В душе не ебу. Но поскольку у нас получается фактически твердотопливная ракета с испарением вместо горения, то 30-70%.
>Це шо?
То же самое, только греют не дугой, а лазером.
Аноним 08/04/17 Суб 19:15:26  279317
>>279308
Бля хуйню спорол. Соль в том, что кто разделяет аналог и цифру на этих ЦАПах, то начинает сильно шуметь. Макетировать времент нет, а словить шум на выходе не охота. Что посоветуете? Отделять земли или залить всю плату полигонамт с двух сторон. Выручай анон
Аноним 08/04/17 Суб 19:53:19  279321
>>279310
Эй, ладно, успокойся.
>>279300
Я на полном серьезе, до того как писать в радач, хотел создать вопрос на мэйлру, лол.
Аноним 08/04/17 Суб 19:55:22  279322
>>279260
Там кароч параллельно затворам нужно звук через диод подмешивать, лень объяснять даже
Аноним 08/04/17 Суб 19:56:39  279324
>>279256
Нет конечно
Аноним 09/04/17 Вск 11:08:57  279350
14479196821870.jpg (40Кб, 600x600)
>>279324
Аноним 09/04/17 Вск 13:17:36  279355
1491317561-66969.png (38Кб, 400x300)
Есть 5 штук вайфай модулей esp 8266 wemos d1 mini, надо проверить, всё ли доходит, как зависит от расстояния и всё такое, а с программированием на ардуино я пока не очень.
Как это вообще делается? Как подавать сигналы на роутер и смотреть с компьютера результаты? Создавать сервер?
Или подавать с четырёх модулей на один, подключенный к COM порту? Какими командами это делается?
Аноним 09/04/17 Вск 14:12:49  279361
>>279355
Ну для ньюфагов есть NodeMCU
https://nodemcu.readthedocs.io/en/master/
https://nodemcu-build.com/
Оно либо сырое, либо говно. Я за неделю его пользования 2 багрепорта создал. Всё в говне. Всё кривое.
Но если ты не умеешь писать на C (как и я) или тебе не надо создавать по 60 подключений в минуту (как мне), то нормально будет. Там апи простой. Сделал щёлкалку реле с вебсервером.
Но будь готов к тому, что если что-то не работает или выдаёт какую-то рандомную хуету, то возможно это не ты в коде накосячил, а баг в NodeMCU.
Не подключайся к TCP порту чаще 60 раз в минуту. Упадёт и перезагрузится. Там подключения остаются в half-open на две минуты в памяти. На C можно это убрать, а в NodeMCU нет доступа к этим параметрам
Аноним 09/04/17 Вск 15:20:34  279364
Как успешные радиотехники измеряют максимальный ток в цепи? Есть предположение, что берется какое-то большое сопротивление и измеряется падение напряжения на нем, но где посмотреть таблицы соответствия​ сопротивления току и напряжению?
Аноним 09/04/17 Вск 15:35:15  279367
14916283400100.jpg (222Кб, 1032x760)
>>279322
Ну объясни плиз. В голову приходит только вот такое.
поможите люди добрыя Аноним 09/04/17 Вск 16:06:56  279370
IMG2876.JPG (2055Кб, 3264x1832)
Опознать микруху. Кто така, зачем нужна. Качество шакальная но лучше нету. С меня сотни нихуя.
Аноним 09/04/17 Вск 16:07:05  279371
>>279361
> не надо создавать по 60 подключений в минуту
Эх, мне-то как раз спамить надо, чтобы посмотреть, сколько из отправленных доходит.
Аноним 09/04/17 Вск 16:17:08  279372
>>279370
STM8S003F3
> Кто така, зачем нужна.
Если ты не смог три букво-цифры на корпусе прочитать, то тебе она и даром не нужна. Контроллер.
Аноним 09/04/17 Вск 16:45:49  279373
>>279372
И то сказать, я у мамки програмизд, не ляктронщик, но нужда заставит.
Собственно я уже насоздавал тем и здесь https://2ch.hk/ra/res/255973.html#279214 и вот здесь https://2ch.hk/ra/res/252764.html#279346 и там и сям и все молчат как рыбы об лед.
Суть китайский переходник TTL-RFID. Приколхозил к нубуку через USB-TTL fадаптер, а дальше хуй знает что с ним делать. Доков нет, СДК нет, как с ним работать нихуя не понятно. Китайский продован на просьбу хоть какую то инфо по переходнику скинуть сказал: "Аха, щас, май диар фрэнд" и с ним была лисица такова.
Пробовал дата-щиты читать по t7555 то же мимо. "СФормируйте вот таку волну", "сформируйте вот сяку". Как я её сформирую когда у меня только виртуальный комп-порт?
Сегодня уже сколхозил программу которая тупо шлет в порт цифры от одного 65536 и слушает ответ, но пока глухо.
Так что я уже хуй знает в каку сторону копать. Думал на эту микруху читануть чего, ну типа там "отправьте 3333AAFFFF что бы...", но судя по тому что >контроллер его реакция зависит от того чего китайцы в него залили. А они молчат.
Шах и мат, короче.
Аноним 09/04/17 Вск 16:51:22  279374
1491745870673.jpg (292Кб, 960x1280)
Анон, ткни меня в сводную таблицу по усилителям tda. Количество каналов, диапазон напряжения, мощность на канал. Я заебался каждый отдельно смотреть.
Няшу тебе, анон.
Аноним 09/04/17 Вск 17:03:15  279375
>>279373
> При поднесении RFID метки в Putty приходит такой поток байт как на пикче.
> Дальше я так понимаю надо на RFID переходник слать какие то комманды, на чтение ли на запись, но какие?
Кого и куда слать? Ты поднес метку, твоя приблуда считала ее и выдала в порт набор байтов = идентификатор метки. Дальше ты ты уже ваяй свою базу и сопоставляй идентификатор метки с тем, что тебе нужно. Посмотри сериал ТБВ, там есть момент когда Шелдон лепит метки на всё, небо и Аллаха, считывает ручным сканером и в ноуте вбивает - носки синие, узор ромбиком, одна пара.
Аноним 09/04/17 Вск 17:11:59  279376
>>279375
Она не только РФИД читатель, она еще и писатель, как её позиционируют. Значит как можно послать комманду на запись+поток собственного того чего записать. Моя так думает!
Аноним 09/04/17 Вск 17:18:32  279377
>>279364
Бамп
Аноним 09/04/17 Вск 17:19:08  279378
>>279374
Параметрический поиск на http://digikey.com/ или http://mouser.com/

>>279376
Купил какую-то ерунду и жалуешься. Для начала разобрался бы что там за микросхемы стоят. Но сразу могу сказать, что если тот анон прав >>279372 то в этот микроконтроллер может быть зашито что угодно, следовательно оно может выдавать что угодно.
Аноним 09/04/17 Вск 17:24:02  279379
>>279376
Значит, погроммизд, идешь в гугол и читаешь про протоколы общения с различными RFID-приблудами. И общаешься с ними посредством этого выпердыша китайского гения http://www.priority1design.com.au/rfidread-rw.pdf
Аноним 09/04/17 Вск 17:31:12  279380
>>279371
Ну там UDP есть.
https://nodemcu.readthedocs.io/en/dev/en/modules/net/#netudpsocket-module
Аноним 09/04/17 Вск 17:56:55  279383
>>279378
>жалуешься
Да я не жалуюсь, я интересуюсь. А не ерунда уж больно кусача как для поиграться. >>279378
> может быть зашито что угодно,
Ага. Я это понял еще вот здесь
> его реакция зависит от того чего китайцы в него залили. А они молчат.
>>279379
Вот это было оче близко, но нет, не отвечает сучка така ни на один код. А ты я смотрю в теме. Какой не дорогой читатель-писатель, гарантированно рабочий, на поиграться можешь порекомендовать?
Аноним 09/04/17 Вск 18:01:15  279385
>>279383
> А ты я смотрю в теме.
Даже близко не в теме. Полез гуглить только после твоих вопросов. А метка у тебя по какому протоколу общается? Хотя может и китайца про обычный считыватель написал читателя-писателя, хуй их разберешь, пиздоглазых.
Аноним 09/04/17 Вск 18:12:06  279387
>>279383
> оче близко
Вот даташит http://www.atmel.com/images/Atmel-9187-RFID-ATA5577C_Datasheet.pdf на Атмеловский чип 5557, читай команды для записи-чтения с него и пробуй.
Поищи какие еще протоколы используются для частоты 125кГц, ищи мануалы*даташиты, кури.
Аноним 09/04/17 Вск 18:17:34  279390
>>279371
>>279380
В твоём случае UDP даже лучше. Нет лишних пакетов установления соединения.
Ещё круче - слать сырые вайфайные пакеты, там на километры пробить можно. Правда бесполезно, если ты собираешься пользовать вайфайные точки доступа, а не просто сырые пакеты.
Аноним 09/04/17 Вск 18:18:45  279391
>>279385
Не про онли реад ор реад-врайт я у него перед покупкой отдельно спрашивал. Божился всем китайским пантеоном что и врайт тоже умеет.
Аноним 09/04/17 Вск 18:21:59  279393
>>279391
> Божился
Значит требуй с него примеры, SDK или хоть что нибудь. Я так выписал LCD неопознаваемый и таки вытряс с продавана немного документации и потом нагуглил более нормальной.
Аноним 09/04/17 Вск 18:35:19  279397
/РА/, тут кто-нибудь обмазывался электролюминесценцией? Можно дома из соды и стирального порошка замутить электролюминофор? Хочу замутить дисплей 32х32 с пикселями 20х20мм
Аноним 09/04/17 Вск 18:46:10  279401
>>279387
Будем курить, да. Но, боюсь это мало чем поможет. Как переходник общается с меткой никак не связано с тем как переходник общается с компом. Вон австралийцы http://www.priority1design.com.au/rfidread-rw.pdf вообще замутили тупо буквы в порт слать типа RBX, WBX читать-писать блок X, а прошивка на контролере сама антенной дрыгает по Манчестеру ли, по Виганду ли. У китайцев тоже может быть что-нибудь на мандарине в юникод-16 пойди_туда_и_положи_эти_байты_сюда_скотина_бездуховная:aabbccdd. Тут хуй угадаешь.
Впрочем есть тема тупо слать в порт цифры, теперь от 65365 до 4 с чем то миллиардов, тупо перебором перебрать все 32 бита и смотреть что будет. Первые результаты уже есть: Винда психанула и ушла в БСОД. Ну, хоть что-то.
Хорошо б еще вот такую няшу купить http://www.priority1design.com.au/shopfront/index.php?main_page=product_info&cPath=1&products_id=4 но пилять 21 бакс. Да еще и в Австралии. Пересылка, значит, 2 раза по столько же. Тоска печаль, короче. Придется отложить нанотехнологии до момента окончательного вставания с колен. Ну и китайца подаёбываю.
Ладно, всем спасибо, пойду домой уже.
Аноним 09/04/17 Вск 18:53:02  279404
>>279401
> тупо перебором перебрать все 32 бита
Но зачем? http://www.priority1design.com.au/t5557_rfid_transponder.html тут смотри как читать/писать Т5557, по протоколу бла-бла4100 я понял, что только читают метки.
Аноним 09/04/17 Вск 19:12:19  279405
>>279404
Кажеться мы совсем друг-друга поняли. Я не могу непосредственно дрыгать битами. Т.е. битами могу, а вот колыхать ЭМ-полем умеет только переходник. Вот у тех же австралийцев прекрасный SDK: буквально пошлите команду (WriteBlock) WBaabbccdd в порт и переходник начнет колыхать ЭМ-поле и он о чем то договорятся с меткой. У китайцев эта команда может быть совершенно любая.
Или ты думаешь что адаптер тупо каждый бит преобразовывает в волну/полуволну? Над этим надо подумать, но опять же с записью не понятно. На сколько понял запись осуществляется 100% модуляцией несущей (тупо вкл-выкл), тогда опять е как то адаптеру надо дать понять что вот сейчас он должен именно на 100% модулировать сигнал. А для этого надо знать какие он, а не метка команды разумеет. Собственно протокол общения с меткой и с переходником это два разных протокола. И последний знают только китайцы сие чудо собравшие.
Если я хоть что-то в чем то понимаю.А такой уверенности уже нет
Аноним 09/04/17 Вск 19:31:03  279406
>>279405
Короче, тебя наебали. Это простая читалка https://ru.aliexpress.com/item/Free-shipping-rfid-card-reading-module-125k-khz-Uart-serial-port-wiggins-output-rf-module-id/32698592696.html
Аноним 09/04/17 Вск 20:25:24  279411
>>279406
Чет даже полегчало. Я уж начал боятся что совсем отупел, а наеб дело то привычное. Есть смысл поднимать скандал если в переписке твердо обещан "писатель"?
Аноним 09/04/17 Вск 20:51:54  279413
>>279411
Попробуй, может хоть часть денег вернешь. По цене вроде похожи, или даже в моем примере - дороже.
Аноним 09/04/17 Вск 21:28:22  279415
Если взять сердечник от ТС-180 ( 2 U-образные половинки) и намотать на нем трясьформатор тороидально - чем он будет отличаться от "круглых" ТОРов ( на кольцах ) ? По параметрам всмысле.
Аноним 09/04/17 Вск 23:03:30  279420
>>279374
Чип и Дип же
Аноним 09/04/17 Вск 23:06:47  279421
>>279415
Да
Аноним 10/04/17 Пнд 05:57:08  279424
Приобрёл радиоллу Ригонда моно. Хочу конвертер в FM воткнуть туда. Подскажите где заказать такой и смогу ли я сам его установить? С паяльником особо не дружу.
Аноним 10/04/17 Пнд 08:46:42  279429
>>279424
Талбоёп суко!!! Продай её и купи себе 100500 махараек.
Аноним 10/04/17 Пнд 08:47:36  279430
>>279424
Тем более, кусок ты недочеловека, что там и ловить то нечего теперь.
Аноним 10/04/17 Пнд 09:22:22  279435
Аноны, а объясните как эта хуерга работает. Много раз попадалось, и каждый раз подразумевалось, что я это уже должен знать. Объясните буквально на пальцах, если не трудно.
Аноним 10/04/17 Пнд 09:25:02  279436
>>279435
Внутри есть волшебный дым. На нём всё работает. Как только дым выходит - всё работать перестаёт.
А вообще, ты ленивая скотина https://ru.wikipedia.org/wiki/%D0%9E%D0%BF%D0%B5%D1%80%D0%B0%D1%86%D0%B8%D0%BE%D0%BD%D0%BD%D1%8B%D0%B9_%D1%83%D1%81%D0%B8%D0%BB%D0%B8%D1%82%D0%B5%D0%BB%D1%8C
Аноним 10/04/17 Пнд 10:21:07  279441
>>279436
Я оттуда мало что понял. Давайте сделаем наоборот : я расскажу как мне кажется он работает, а вы скажете, правильно или нет.
Запитываем через вцц и землю. Относительно земли подаём на ногу со знаком "-" какое-нибудь напряжение. Относительно земли подаём на ногу "+" другое напряжение. Если оно будет больше, чем напряжение на ноге со знаком "-", то на выходе появится напряжение питания ака логическая единица. Если наоборот - выходная нога будет притянута к земле. Правильно?
Аноним 10/04/17 Пнд 10:32:26  279442
>>279415
Ничем. Только на углах будет мотать неудобно.
Аноним 10/04/17 Пнд 10:33:59  279443
>>279424
С конвертером она не перекроет весь FM диапазон, он шире советского.
Возьми какой-нибудь готовый приемник, подай от него сигнал вместо звукоснимателя (вряд ли ты будешь на ней винил слушать).
Аноним 10/04/17 Пнд 10:41:43  279444
>>279435
Разница уровней между входами + и - умножается на дичайший коэффициент усиления (порядка 50000 и больше в реальных ОУ) и выдается на выход.
Аноним 10/04/17 Пнд 10:49:42  279445
>>279444
То есть там не всегда чёткая единица или ноль? Если разница будеь в пару микровольт, на выходе может возникнуть например один миливольт?
Аноним 10/04/17 Пнд 10:53:07  279447
>>279441
Ты описываешь работу компаратора (обычно это тот же ОУ, но часто на выходе у него выход типа "открытый коллектор", он не тянет выход вверх, только вниз).
>>279445
Может. Чтобы компаратор перекидывался четко, без шума и средних положений - его охватывают небольшой положительной обратной связью (обычно высокоомный резистор с выхода на вход +)
Аноним 10/04/17 Пнд 11:12:09  279448
>>279447
Так, примерно понял. А если я захочу заменить LM386 в схеме электронного смычка (ebow в гугле, не могу с телефона запостить) на что-нибудь сходное по функционалу?
Аноним 10/04/17 Пнд 12:18:14  279453
>>279296
R нагружает ЭДС самоиндукции нагрузки, в результате вместо выброса до ёбаной бесконечности остается вполне предсказуемое напряжение. Конденсатор играет меньшую роль, ограничивает ток цепи при разомкнутых контактах (так как резистор там обычно довольно низкоомный).
Аноним 10/04/17 Пнд 12:19:40  279456
>>279453
>остается вполне предсказуемое напряжение
Плюс то, до которого был заряжен конденсатор.
Аноним 10/04/17 Пнд 12:22:20  279458
>>279448
Там нужен не просто ОУ, а интегральный усилитель мощности (кем и является LM386). А так любой подобный усилитель подойдет, главное чтоб был предназначен для работы от низковольтного источника.
Аноним 10/04/17 Пнд 12:26:34  279459
>>279456
Это пофигу. Просто какой-нибудь сраный клапан может выброс в киловольты дать, а так останется вольт 600 в худшем случае, например.
Симисторы сейчас 600-800 вольтовые используются в большинстве сетевых железяк.
Аноним 10/04/17 Пнд 12:29:10  279460
>>279453
Не ясно, допустим резистор 100 ом, ток намагничивания 0.2А, ток нагрузки 5А, суммарный ток 5.2А. Транзистор закрывается и на резисторе какое напряжение появится? 0.2х100 или 5.2х100?
Аноним 10/04/17 Пнд 15:05:49  279471
Быдло выпускник радиоэлектронщик вкатывается итт. Поясните за МЕТРОЛОГИЮ, ВНИИФТРИ и подобное, какое направление наиболее перспективное или эту сферу не стоит рассматривать как будущее место работы?
Аноним 10/04/17 Пнд 16:06:29  279480
14898285850300.jpg (75Кб, 1080x810)
Радиач, если я соединю выводы двух трехвольтовых двухамперных БП, плюс к плюсу, минус к минусу, то я получу 4 ампера или бум?
Аноним 10/04/17 Пнд 16:10:37  279482
>>279480
И вопрос вдогонку. Собственно, есть девайс, которому нужно 4 ампера, а я подключил БП на 2 ампера. Все работает, но БП сильно греется. Перегрузка, да? Он рано или поздно сгорит?
Аноним 10/04/17 Пнд 16:26:49  279485
>>279482
бума не будет, если бп идентичные.
Если сильно греется - перегрузка по току, когда-нибудь въебет.
Аноним 10/04/17 Пнд 16:31:12  279486
>>279485
Да, идентичные.
Спасибо за ответ.
Аноним 10/04/17 Пнд 19:06:05  279502
>>279444>>279447
>Разница уровней между входами + и - умножается на дичайший коэффициент усиления (порядка 50000 и больше в реальных ОУ) и выдается на выход.
А бывают обратные операционные усилители? Ну, чтобы на вход подавались киловольты (не потребляя при этом ток), а на выходе получался бы простой логический сигнал на 1 вольт.
Аноним 10/04/17 Пнд 20:42:15  279506
956230.JPG (88Кб, 690x538)
>>279480
Аноним 10/04/17 Пнд 20:58:17  279507
14808065388560.jpg (25Кб, 400x400)
>>279506
О, спасибо за схему. Я бы не подумал поставить диоды (спасибо, что подписал их название). Добра!
Аноним 10/04/17 Пнд 21:18:35  279509
Радиоанон, потребовалось, чтобы питание включалось с некоторой задержкой в несколько секунд. Спаял такое. А на выходе-то не 5В, а 3В оказалось. Понятно почему. Как сделать так, чтобы на выходе было 5В?
Аноним 10/04/17 Пнд 21:49:54  279511
.JPG (614Кб, 1497x500)
Вот, взял у бабушки фонарик починить, копеечный.
Нужно просто заменить батарею.
Думаю, может что-то в нём переделать?
Только у меня не хватает фантазии.
Аноним 10/04/17 Пнд 21:55:47  279513
>>279511
аккум - свинцово-кислотный
4V, 0.4Ah
зарядка - 0.12A
Думаю, может как-то переделать под менее редкий акум?
Аноним 10/04/17 Пнд 23:45:17  279519
>>279509
Зачем-то еще все так хитро перевернул на 90, чтобы труднее было читать. 3В потому что у тябе транзистор не открылся полностью. Поставь нагрузку побольше и будет почти 4.4в. А вообще правильнее эмиттер на землю, а нагрузку в коллектор тогда будет все 5. Хули он у тебя висит просто так как сопля, на нервы действует охуенно.
Аноним 10/04/17 Пнд 23:47:59  279520
>>279509
MOSFET.
Аноним 11/04/17 Втр 00:28:34  279523
n4jhq-d94Mw.jpg (776Кб, 2560x1707)
i7kYC0GALt0.jpg (142Кб, 1333x750)
Кто то может помнит, я ябуся с локализацией китайского сигвея.
В общем, я таки изъебнулся со знакомым, и мы таки заставили воспроизводить сигнал с напаянной поверх платой 1820, банально убрав дорожку сигнала с мк. Но мы не решили проблему включения конкретно самого усела- ему на 1 ctrl пин нужно подавать больно уж хитровыебанный сигнал, решили не морочится, пущай рулицца с оригинального мк, благо у меня есть 8 секунд окно, что бы выдать свою запись.
Теперь у меня две проблемы:
1) Я не знаю, как запитать 1820, подключая его на саму блютуз плату ему не хватает тока\напруги, звук не четкий, тихий, с помехами. Подскажите простой способ выхода из ситуации? Потому что подключая все это дело и запитывая 1820 отдельно через 5 вольтовый зарядник от сотового- звук идет громкий и чистый.
2) Я таки хочу не утрачивать основную функцию платы-ПРОКАЧИВАТЬ СИГВЕЙ МУЗЯКОЙ ПО БЛЮТУЗИКУ.

Вот что я знаю и думаю чо да как:
система включилась- после pwnon микроконтроллер посылает сигнал на 1 ctrl усела, тем самым включая его, в это же время, или спустя некоторое количество тактов (условимся считать что после 0.5-1 сек) МИКРОКОНТРОЛЛЕР ПОДАЕТ аудиосигнал на 4 пин усела, после пройгрыша своего месседжа, а именно после 8 секунд после включения, он прерывает оба сигнала. Т.е. У нас есть одно окно, что бы врубить сигнал 1820.
Задача- после pwnon зделодь автомат, который прерывает аудио сигнал с микроконтроллера на 4 пин, и включить проигрыш записи с 1820. А в произвольное время (оно произвольное, потому что неизвестно, когда я захочу подключиться к блютузу с телефона, тем самым опять инициализировав микроконтроллер, который в этот момент должен опять подать сигнал на включение на 1ctrl на уселе, и дать МИКРОКОНТРОЛЛЕРУ передавать аудиосигнал на 4 пин уселка
т.е. это даже не автомат скорее, а что то типа системы раз два
1 раз автомат включился- железно дал аудиосигнал 1820
2 раз включился- железно дал сигнал микроконтроллеру

Есть идеи, анончики?
Аноним 11/04/17 Втр 04:55:17  279532
>>279460
Я не вполне понимаю, что такое ток намагничивания и ток нагрузки по отдельности.
Если мы берем худший вариант, когда все твои 5А - это индуктивный ток - то на резисторе будет выброс в 500В (5А х 100 Ом).
Аноним 11/04/17 Втр 04:56:44  279533
>>279502
Да, называется "делитель напряжения".
Делается из резисторов.
Аноним 11/04/17 Втр 04:57:16  279534
>>279507
Диоды не нужны, они и так внутри БП уже есть.
Аноним 11/04/17 Втр 05:03:23  279535
>>279509
Поставь еще один транзистор. Верхний ключ типа PNP, чтобы он работал с общим эмиттером и открывался до насыщения.
А сейчас у тебя просто эмиттерный повторитель.
Аноним 11/04/17 Втр 05:06:46  279536
>>279523
Используй CD4066 в качесве коммутатора.
Аноним 11/04/17 Втр 06:54:50  279541
>>279443
Винил буду, в том-то и дело. Хотя звук там весьма и весьма отвратный. Мне из FM одну станцию надо всего на 105.0 прикрутить.
Аноним 11/04/17 Втр 07:53:18  279546
Есть старый бесперебойник. Он перестал работать лет 5 назад и был закинут в кладовку.
Сейчас достал его, там перегорел предохранитель, снял аккумулятор, на нём 3 вольта и 13-14 нужных.
При подаче 14 вольт на него ток заряда ниже 10мА (меньше зарядник не показывает).
Есть смысл пытаться залить в него дистилированную воду или при таком напряжении он труп?
Аноним 11/04/17 Втр 08:22:51  279549
>>279546
> Есть смысл
купить новый за 900р и не ебать нам мозг
Аноним 11/04/17 Втр 09:11:24  279553
>>279532
А если через первичку перед закрытием транзистора тек ток в 50 ампер? Будет выброс в 5000 вольт?
Аноним 11/04/17 Втр 09:44:20  279556
>>279549
Это хорошо, когда ты в нормальном городе живёшь.
Я сейчас ходил воду искал. В аптеках нет, послали в другой конец города, приехал - у нас только со своей посудой - поехал домой за бутылкой, дома бутылок нет.
И покупать минералку, выливать и ехать опять, но мог сразу купить там. А сейчас снова ехать.

Аккумулятор, говорит, купи. Тут воду хуй достанешь.
Не факт вообще, что плата живая. Просто предохранитель не звонится. Может он там половину микросхем с собой забрал.
Аноним 11/04/17 Втр 10:11:08  279558
>>279556
за тяжелой водой ездил?
Аноним 11/04/17 Втр 12:18:10  279567
>>279480
На ютубчике чувак пробовал так соединять и через диоды и без, нет там удвоения. Максимум на 40-50% повышается мощность.
Аноним 11/04/17 Втр 12:58:16  279569
анон, все ли правильно на монтажной схеме ? если есть косяки покажи
Аноним 11/04/17 Втр 12:59:07  279570
14283252291514.png (6Кб, 706x353)
МСхема.png (42Кб, 1289x685)
анон, все ли правильно на монтажной схеме ? если есть косяки покажи
Аноним 11/04/17 Втр 13:08:40  279571
>>276268 (OP)
есть кусок ленты с микрухами. на микрухе значек TI и написано:1 строка 16cr1tkg4 ; 2 строка AC14. Корпус SOIC14, гугл ничего не говорит. Что это может быть?
Аноним 11/04/17 Втр 13:23:30  279572
>>279570
Можно сделать компактней. Это говно не влезет в стандартный корпус.
Под SMD компоненты будет сильно дешевле.
Слишком мелкие пятаки для пайки.
Слишком маленькое расстояние в районе разъёма USB, R1, R2, D1.

Кароч говно, переделывай.
Аноним 11/04/17 Втр 13:37:49  279574
>>279570
А что делает эта схема?
Аноним 11/04/17 Втр 13:46:58  279575
341235235235234[...].JPG (55Кб, 384x719)
>>279570
Аноним 11/04/17 Втр 13:55:37  279576
>>279570
Светодиоды я бы поменял местами: типа все нормально подключено - горит зеленый, переполюсовкакак? - горит красный.
Аноним 11/04/17 Втр 14:11:04  279577
>>279502
Компаратор же.
Аноним 11/04/17 Втр 14:13:24  279578
>>279480
Можно и бум получить. Но скорее всего один из бп будет очень сильно греться.
Аноним 11/04/17 Втр 14:21:59  279579
>>279571
СВЯТЫЕ ХУИ ИЗ ПРЕИСПОДНЕЙ!!11
ДА ЭТО ЖЕ 74AC14!!!!!11
Аноним 11/04/17 Втр 15:30:57  279587
Есть комп. наушники.
Подсоединяются: usb, микрофон, динамики.
Оторван штекер 3.5 для динамиков.
Зачистил - а там 2 провода. Это норм? Насколько я понял - левый и правый каналы. Но, испробовал все варианты (припаяв к новому штекеру) - работает только правый динамик.
Проводки: красный и зеленый. Зеленый прозванивается на минус обоих динамиков. Красный - ни к одному.
Чет я с таким не сталкивался, объясните?
Аноним 11/04/17 Втр 15:31:15  279588
Есть комп. наушники.
Подсоединяются: usb, микрофон, динамики.
Оторван штекер 3.5 для динамиков.
Зачистил - а там 2 провода. Это норм? Насколько я понял - левый и правый каналы. Но, испробовал все варианты (припаяв к новому ф) - работает только правый динамик.
Проводки: красный и зеленый. Зеленый прозванивается на минус обоих динамиков. Красный - ни к одному.
Чет я с таким не сталкивался, объясните?
Аноним 11/04/17 Втр 15:35:03  279590
>>279588
>Подсоединяются: usb, микрофон, динамики.
>Оторван штекер 3.5 для динамиков.
научись мысли внятно излагать.
Аноним 11/04/17 Втр 15:45:00  279592
>>279587
Если два, то значит моно звук. Как-то странно.
Лучше фотку приложи, анон быстрее поймет
Аноним 11/04/17 Втр 16:21:38  279596
20170411181642.jpg (3299Кб, 3264x2448)
20170411181747.jpg (2983Кб, 3264x2448)
20170411181814.jpg (2490Кб, 3264x2448)
Аноним 11/04/17 Втр 16:24:57  279598
Ананасы, скажите как стабильно и желательно энергоэффективно питать диоды от батареек? Притом главное чтоб без больших йоб типа импульсных DC-DC, надо минимум компонентов, маленький размер (смд норм) и не сильно дорого. Короче, максимально простое решение, в идеале на пассивыных компонетах.
Главная проблема в том что батарейки выдают нестабильное напряжение от 1.5 до поканесдохнет, а аккумуляторы - стабильное 1.2В и из тех и других (по три штуки) нужно получать стабильные 3.0 - 3.3.
Как это решается во всей электронике которая на батарейках работает?
Аноним 11/04/17 Втр 16:26:33  279599
>>279596
мне кажется, или ты не очень умный? Судя по первой фотке ты оторвал разъем у микрофона.
Аноним 11/04/17 Втр 16:32:46  279600
>>279598
>Как это решается во всей электронике которая на батарейках работает?
импульсные DC-DC
или по технологии "сверхмощный 1000000 люмен китайский фонарик за $1.99"
Аноним 11/04/17 Втр 16:48:54  279602
Зачем используют малоёмкие (<100мкФ) низковольтные (<25V) электролиты и танталовые конденсаторы? Ведь керамические зачастую дешевле, долговечней и лучше. Очень часто разбирая приборы вижу электролиты на 10мкФ, 4.7мкФ. Что мешает впихнуть вместо них керамику?
Аноним 11/04/17 Втр 16:51:24  279603
>>279602
ESR
Аноним 11/04/17 Втр 16:52:18  279604
>>279603
В смысле? У керамики он разве не меньше? Или иногда нужен большой ESR?
Аноним 11/04/17 Втр 17:07:00  279605
>>279604
Да, иногда нужен большой ESR. Особенно в обвязке всякой силовухи.
Может ещё какие причины есть. Надо смотреть конкретную схему чтобы сказать почему такое кондёры ставят.
Аноним 11/04/17 Втр 17:08:30  279606
>>279605
> Да, иногда нужен большой ESR.
Что тогда мешает использовать дискретный резистор?
Аноним 11/04/17 Втр 17:08:46  279607
>>279602
>малоёмкие (<100мкФ)
Под определенные задачи+дешевле высокоемких.
> низковольтные (<25V)
Дешевле и компактнее высоковольтных.
> электролиты
Очень большая емкость на еденицу объема.
>танталовые
Низкий ESR+большая емкость.
>Ведь керамические зачастую дешевле,
Но не всегда применимы.
>долговечней
Долговечней чего? Разве что электролитов.
>лучше
Не лучше, у керамики очень хуевый температурный коэффициент емкости и вообще разброс характеристик дерьмо.
>Что мешает впихнуть вместо них керамику?
Нет смысла и прибор может работать хуже.
>>279604
Не слушай его, он долбоеб

Аноним 11/04/17 Втр 17:15:28  279609
>>279602
погугли стоимость и размер керамического конденсатора с РЕАЛЬНОЙ емкость 100мкФ при напряжении 10-25В. Я думаю ты охуеешь.
Аноним 11/04/17 Втр 17:20:07  279610
>>279607
> Под определенные задачи
В каких именно задачах электролиты/танталы будут лучше керамики?
> Дешевле
Электролиты возможно.
> компактнее высоковольтных.
Учитывая, что танталы нужно брать с огромным запасом по напряжению (от двухкратной и выше), то их компактность по сравнению с керамикой сомнительна.
> Не лучше, у керамики очень хуевый температурный коэффициент емкости и вообще разброс характеристик дерьмо.
А разве у электролитов он не дерьмо?
Аноним 11/04/17 Втр 17:23:05  279611
>>279606
Это не ты делал транзистор из двух диодов?
Аноним 11/04/17 Втр 17:23:25  279612
>>279609
Брал на али кондёры. Все проверены и работают нормально.

0805 47мкФ на 6.3Вольта - 91 копейка за штуку.
1210 47мкФ на 16 вольт - 7 рублей штука

Дешевле танталов по крайней мере.
Аноним 11/04/17 Втр 17:28:09  279613
>>279612
а емкость ты их мерил? А ты поинтересуйся.
Только мерь под напряжением.
Аноним 11/04/17 Втр 17:29:31  279614
>>279613
Мерил. От 40 до 48. После пайки почему-то всегда увеличивается.
Аноним 11/04/17 Втр 17:30:42  279615
>>279614
опиши методику измерений.
Аноним 11/04/17 Втр 17:34:52  279616
>>279615
Измерял как мультиметром, так и связкой генератор прямоугольных импульсов + RC-цепь + осциллограф.
Аноним 11/04/17 Втр 17:41:55  279617
>>279616
Поздравляю. Китаец продал тебе за 3 копейки настоящее золото.
А посоны то и не знали, что у типичного 0805 X7R 1мкФ 50В при заряде до 25В емкость падает более чем в 10 раз. А у более емких падение и того больше.
Аноним 11/04/17 Втр 17:49:09  279621
>>279617
:\
Надо будет проверить вторые, которые на 16 вольт под напряжением 12 вольт. Я их на 5 вольтах тестировал.
Аноним 11/04/17 Втр 17:57:25  279625
blob (20Кб, 500x422)
>>279621
вот тебе в догонку график зависимости емкости от напряжения у хорошего, годного конденсатора от мураты. В среднем подобные стоят порядка 200-250р/шт. при партиях от ста штук. Учись читать даташиты, думать головой и используй компоненты производителей, которые хоть как-то тестируют свою продукцию.
http://psearch.en.murata.com/capacitor/product/KRM55QC71E476KH13%23.html
Алсо все детали уровня "10р за 1000шт" годны разве что в цепи питания махараек.
Аноним 11/04/17 Втр 18:20:55  279628
blob (246Кб, 604x525)
Отчего дорожки хуево лудятся? Просто беру припой дорогой, с флюсом уже встроенным ну и спокойно пытаюсь размазывать, в итоге получается на совсем так как в гайдах ютуберов. У них все четко и плавно размызывается как будто фломастером рисуют, а я 1000 раз веду по дорожке жалом и пытаюсь хоть как-то размазать. Хочется умереть
Аноним 11/04/17 Втр 18:24:18  279629
>>279628
Жиза, я припоя нахуяриваю ведро и не парюсь. По-идее жало нужно особое.
Аноним 11/04/17 Втр 18:24:53  279630
>>279628
БОльшая проблема это то, что дорожки отваливаются, когда припаиваешь. Чуть-чуть нажал и дорожка с хрустом отваливается.
Аноним 11/04/17 Втр 18:26:51  279631
>>279628
Крайне желательно делать это сразу после изготовления платы. Ну день-два максимум.
Потом уже да, хуйово.
Аноним 11/04/17 Втр 18:28:28  279632
>>279631
Вот кстати уже недели полторы не брался за свою вещицу, возможно ты прав
Аноним 11/04/17 Втр 18:30:10  279633
>>279629
>>279628
>>279630
>>279631
Вы чо, ебанутые? Мажешь ЛТИ-120 ушной ковырялкой и лудишь как Бог. Потом промываешь плату изопропанолом и всё.
Аноним 11/04/17 Втр 18:33:08  279634
>>279633
А если его нет под рукой? м? В моей мухосрани вообще все в дефиците, а заказывать что либо у китайцев крайне не люблю
Аноним 11/04/17 Втр 18:38:02  279635
>>279633
Да в пизду там ещё чёта мазать и мыть. Время + материалы = деньги.
Отпечатал, обсверлил, собрал, квиктест и нахуй! Ебал я в рот эти лишние технологические операции.
Аноним 11/04/17 Втр 18:43:50  279638
ейце.jpg (5Кб, 248x203)
56294e12284d96e[...].jpeg (19Кб, 400x400)
А вот если я накопаю ведро земли, притащу домой и воткну туда провод, это пойдет как заземление?
Аноним 11/04/17 Втр 18:52:31  279640
>>279600
Ну они же стоят дохуя, не верю что на них строят всякое говно типа пультов ДУ или лампочек-мигалочек.
Аноним 11/04/17 Втр 18:55:41  279642
>>279640
Стабилизатор, например есть крона 9в, ставится стабилизатор на 5 вольт. Когда крона разрядится до 5в, она уже всё.
Аноним 11/04/17 Втр 19:00:03  279643
>>279640
Мне попадались пульты ДУ с несколькими DC-DC преобразователями.
Аноним 11/04/17 Втр 19:03:25  279644
>>279640
>врёти
Аноним 11/04/17 Втр 19:09:28  279645
>>279640
15р за микросхему сильно дорого?
Аноним 11/04/17 Втр 19:10:09  279646
>>279645
ты забыл про обвязку для микросхемы, маня
Аноним 11/04/17 Втр 19:13:40  279649
>>279645
Какую например? Готовые модули воткнул-и-забыл стоят от по несколько долларов, микросхемы хотят какого-то ебанутого количетства обвеса, собирать это всё наверное в такую же сумму и выйдет.
Аноним 11/04/17 Втр 19:17:27  279650
>>279649
>>279646
Простите. Я забыл что большинство местных собирают что то только если в китае распродажа.
Баянные tl494/mc34063 хотя бы.
Аноним 11/04/17 Втр 19:17:40  279651
>>279649
Ну самые дешевые го повышалки-понижалки ~70 центов стоят на али.
Аноним 11/04/17 Втр 19:18:28  279652
>>279646
Ты забыл гринтекст и боевую картиночку, маня.
Аноним 11/04/17 Втр 19:20:23  279653
>>279651
>готовые
фикс
Аноним 11/04/17 Втр 19:24:47  279656
>>279651
Это ты AMS1117 с обвесом какой-нибудь наверно нашёл.
Аноним 11/04/17 Втр 19:24:50  279657
>>279650
>Баянные tl494/mc34063 хотя бы.
мань, схема с обвязкой выйдет рублей в 300 минимум, хотя можно взять готовую хуйню с алика за 50р
>>279652
хуя разорвало пердак)
Аноним 11/04/17 Втр 19:29:06  279658
etifuzzsc.gif (6Кб, 758x376)
Анон, расскажи, да покажи, как заземление делать на печатных платах? Есть схема пикрил, всё уже спаял всё заебись, только, вот, я хз, как землю делать. Знакомый сказал, что надо делать 2 отдельные земли для звука и для питания.
Аноним 11/04/17 Втр 19:29:38  279659
>>279656
Да нет, вот я на такие фапаю.https://ru.aliexpress.com/item/5PCS-Ultra-Small-Size-DC-DC-Step-Down-Power-Supply-Module-3A-Adjustable-Buck-Converter-for/32531438467.html
Аноним 11/04/17 Втр 19:32:21  279660

>>279579
ЖОПУ СТАВИШЬ?!?!
Аноним 11/04/17 Втр 19:33:23  279661
>>279536
>CD4066
Как можно с тобой связатся что бы поизучать эту шутку поподробнее?
Аноним 11/04/17 Втр 19:35:24  279662
>>279616
на каких частотах мерял?
Аноним 11/04/17 Втр 19:42:15  279663
>>279662
Там не в частоте дело. Я мерял 16 вольтовый кондёр напряжением 5 вольт. Сейчас померил 12 вольтами и вышло 11.2мкФ (вместо 47). Такая-то наёбка. :<
Аноним 11/04/17 Втр 20:29:06  279664
>>279658
Знакомый прав, но в данном случае хватит и одной. Разделение имеет смысл при разделении помех от преобразователей питания и ацп/цап/слабых сигналов.
Аноним 11/04/17 Втр 20:32:17  279665
>>279663
Да нет никакой наебки. Это свойства материалов. У разных керамик разные к-ты. Для простоты можно вывести правило - чем больше типоразмер конденсатора тем меньше падение емкости. Или подробно курить даташиты и не использовать китайский шлак в частотозадающих цепях.
Аноним 11/04/17 Втр 20:37:20  279666
>>279665
Наёбка в том, что номинальную ёмкость измеряют при напряжении 0.5 - 1 вольт, при котором эти конденсаторы никто использовать не будет.
Аноним 11/04/17 Втр 21:47:09  279668
1491936423410.jpeg (388Кб, 832x624)
Анон, купил мамке, вот такой вот yobа массажер. Отвалился БП. В комплекте шел 12/2, у меня только 12/1. На втором запустился, но я хз насколько это вообще можно и безопасно
Аноним 11/04/17 Втр 21:59:47  279669
>>279666
ну это не наебка, емкость большинства конденсаторов измеряется при подобном напряжении. По факту керамика с емкостями больше 4,7мкФ и использую при напряжениях ниже 5в. Там им и место. А вот маняфантази о сотнях микрофарад за 3 копейки увы рушатся.
Аноним 11/04/17 Втр 22:00:34  279670
>>279668
>со временем бп может издохнуть от перегрева. Поменяешь. Мамка еще поживет.
Аноним 11/04/17 Втр 22:09:35  279671
>>279669
> это не наебка
Не было бы наёбкой, если бы ёмкость не уменьшалась в пять и больше раз при достижении максимального допустимого напряжения. А так получается, что эта номинальная ёмкость ни о чём не говорит.
Аноним 11/04/17 Втр 23:07:38  279673
>>279669
а нахуя вообще нужна керамика с такими большими емкостями? На высоких частотах нахуй не надо. На низких есть электролиты.
Аноним 11/04/17 Втр 23:14:08  279678
>>279599
>>279596
У тебя на фотке штекер микрофона. И 2 провода от него же.
Аноним 11/04/17 Втр 23:22:30  279679
есть один rca штекер, полгода назад я его воткнул в разъем. сегодня попытался вытащить, а вот хуй там, не вытаскивается.
с огромными усилиями все таки вытащил плоскогубцами, чуть не разъебав штекер, в результате обнаружил какой-то белый налет на разъеме. видимо он и "скреплял" штекер с разъемом. что это за пакость такая?
Аноним 12/04/17 Срд 00:54:24  279682
Какие преимущества у пластинок перед цифровым звуком?
Аноним 12/04/17 Срд 01:13:21  279683
>>279682
Ими можно играть в фрисби.
Аноним 12/04/17 Срд 01:28:01  279684
>>279683
Ну есть же ценители винила, они же наверно как-то аргментируют свой выбор в пользу пластинок.
Аноним 12/04/17 Срд 01:30:01  279685
>>279682
С гармониками звук приятнее.
Чтобы это осознать, достаточно купить уши за 200-500$, ЦАП c <110-120дб шумов и КНИ и спаять усилок с <0.001% КНИ + ИМД.
В итоге винил рипы, снятые черте на чем, звучат приятнее сд, а в планах воткнуть на вход усилка лампу, ужаснуться с графиков/цифр и наконец-таки слушать.
Аноним 12/04/17 Срд 02:40:45  279688
>>279679
> что это за пакость такая?
Это вибраниум.
Аноним 12/04/17 Срд 07:48:30  279695
>>279684
Те же что и у ламп. Искажения звука и прочая эзотерика. Душевно звучит.
Аноним 12/04/17 Срд 08:22:16  279698
>>279553
В первом приближении - да.
Выброс можно уменьшить, уменьшив сопротивление резистора.
Аноним 12/04/17 Срд 08:23:51  279699
>>279556
В упсе аккумулятор работает в очень тяжелом режиме.
Не надо заниматься онанизмом, никакая дистиллированная вода пятилетнему трупу аккумулятора не поможет.
Аноним 12/04/17 Срд 08:28:00  279700
>>279598
Во всей электронике из элементов собирается батарея на нужное напряжение.
В большинстве фонариков светодиод просто питается от батареи через резистор.
Аноним 12/04/17 Срд 08:28:49  279701
>>279596
Что за наушники такие? Со встроенным USB DAC что ли?
Аноним 12/04/17 Срд 08:31:51  279702
>>279612
Это кагбэ ОООЧЕНЬ дорого по сравнению с типичными SMD конденсатороами (типа 0.1 uF)
Аноним 12/04/17 Срд 08:43:37  279703
>>279634
Берешь канифоль, разводишь в спирте - получаешь жидкий флюс.
Обмазываешь им свою плату и наслаждаешься красивой пайкой. А того флюса, что внутри припоя мало для лужения, он испаряется быстро.
Аноним 12/04/17 Срд 08:44:39  279704
>>279636
Ссать дальше.
Аноним 12/04/17 Срд 08:47:00  279705
>>279661
Пиши тут. Кидай ссылки на даташиты твоих микросхем.
Аноним 12/04/17 Срд 08:51:47  279706
>>279673
Керамика таки не имеет ограничения срока службы, в отличие от электролитов. В отдельных случаях решают габариты - керамические конденсаторы плоские и тонкие.
Аноним 12/04/17 Срд 08:53:07  279707
>>279682
Аналоговый звук, вестимо.
Аноним 12/04/17 Срд 08:56:09  279708
>>279706
>Керамика не имеет ограничения срока службы
как там на диване?
Аноним 12/04/17 Срд 09:46:53  279711
>>279241
Нет. 74НСТ08 для такого..
Аноним 12/04/17 Срд 09:56:02  279712
>>276268 (OP)
Кестер юзал кто-нибудь? Че скажете?
Аноним 12/04/17 Срд 10:02:01  279713
>>278239
>>278242
бамп, никто не знает как убрать 4 (8) квадрата?
Аноним 12/04/17 Срд 10:18:51  279717
IMG201606282324[...].jpg (1999Кб, 3264x1840)
>>278100
> так он будет читать 3.3в сигналы при питании от 5в или нет?
У меня читал от STM8L152
Аноним 12/04/17 Срд 10:19:56  279718
>>278239
> Что это за хуйня?
lcd.clear ебашь перед выводом писанины
Аноним 12/04/17 Срд 10:21:29  279719
>>279718
>>278242
Аноним 12/04/17 Срд 10:23:39  279720
>>278242
> никакие мои манипуляции
Какие производил манипуляции? Мы же тут не ясновидящие.
Аноним 12/04/17 Срд 10:39:12  279722
>>279720
Всякие разные. Очистить экран, вернуться домой, перезагрузить экран, еще раз очистить. Ничего не помогает. И никакие символы не пишутся в правые 4 квадрата. А 5-й наполовину отрезан
Аноним 12/04/17 Срд 10:46:01  279723
>>279722
Значит ему пиздос. Наверное. Либо антропоморфная резинка хуево контачит
Аноним 12/04/17 Срд 10:50:31  279726
>>279723
>Либо антропоморфная резинка
чо
Аноним 12/04/17 Срд 10:52:40  279727
>>279726
> чо
Анизотропная электропроводящая резинка, которая обеспечивает контакт между печатной платой и напылением на стекле индикатора.
Аноним 12/04/17 Срд 12:41:11  279746
.jpg (24Кб, 500x500)
>>279712
Бамп, блеать.
Аноним 12/04/17 Срд 13:09:23  279747
хмм, что за хуйня заказывал в чипдипе lm7805 за 20 рублей, а мне выписали в счете l7805ct за 190 рублей. это че новый вид наебалова???
Аноним 12/04/17 Срд 13:36:14  279750
>>279705
усел ns4158
http://www.chipsourcetek.com/Uploads/file/20151207194208_0761.pdf

Моя платка, которую я юзаю для своего звука ISD 1820
https://www.elecfreaks.com/wiki/index.php?title=Voice_Record_Module_-_ISD1820
Аноним 12/04/17 Срд 13:56:29  279751
>>279746
лень отмыть плату?
>>279747
>заказывал в чипдипе
ты бы еще в МММ поучаствовал
Аноним 12/04/17 Срд 13:59:57  279752
7b61f318f74bde4[...].jpg (44Кб, 599x449)
>>279751
>ты бы еще в МММ поучаствовал
Аноним 12/04/17 Срд 14:03:22  279753
>>279747
Счёт приходит ПОСЛЕ оплаты (или ты юрок?).
Если накладки какие - менеджер по почте утрясает.

Ну я хз, меня они ещё ни разу наебать не пытались. Правда я закупаюсь по третьей колонке.
Аноним 12/04/17 Срд 14:05:35  279754
>>279753
> Счёт приходит ПОСЛЕ
ЧО!?
Аноним 12/04/17 Срд 14:25:54  279759
>>279754
Ты юрок и тебе счёт на оплату выставляют? Ну там счёт, счёт-фактура, товарная накладная.
Или ты просто картоном на дропа заказываешь? Тогда счёт падает на почту после оплаты, типа кассового чека.
Аноним 12/04/17 Срд 14:29:57  279761
>>279759
У меня при оформлении заказа показывается табличка с перечнем заказываемого и ценой.
Аноним 12/04/17 Срд 14:33:03  279762
>>279761
И цена выше чем в прайсе? Тогда действительно что-то не так.
Напиши менеджеру типа чё за хуйня, исправят.
Аноним 12/04/17 Срд 14:44:40  279763
>>279762
> И цена выше чем в прайсе?
Не. Я не тот анон. У меня не было таких косяков. Раз не доложили ОУ из сотни, списался с менеджером и мне через день съездил и забрал.
Аноним 12/04/17 Срд 14:48:47  279764
>>279751
А ты чем паяешь, браток?
Аноним 12/04/17 Срд 14:58:12  279765
blob (141Кб, 350x285)
>>279764
хуйней с пика, стоит недорого, продается недалеко, смывается легко, не сильно воняет.
Аноним 12/04/17 Срд 15:02:33  279766
>>279765
>223
Это случайно не та ебола от мифического амтеча? Честно, хуйню с пика никогда не видел, возьму на заметку.
Аноним 12/04/17 Срд 15:08:50  279769
>>279753
Чет ты хуйню несешь, когда оформляешь заказ, счет высылают на почту. Потом приходишь в Евросеть, платишь. Тебе выдают товар.
Аноним 12/04/17 Срд 15:14:29  279771
>>279766
хрен его знает откуда эта ебола. Еще у них припой приятныйа раньше бы еще и дешевый.
Аноним 12/04/17 Срд 15:14:47  279772
>>279769
Я в душе не ебу что за евросеть и нахуя туда идти и кому-то платить. У меня есть карта и арендный почтовый ящик - этого достаточно.
Сука что за долбоёбы. Век услуг и технологий, а они всё ка диды, ходят и плотют.
Аноним 12/04/17 Срд 15:20:01  279773
sadfrog.jpg (6Кб, 316x202)
>>279772
>Век услуг и технологий
>рашка
Аноним 12/04/17 Срд 15:39:21  279776
>>279708
Твоя мамка сосет у меня просто отлично, а что?
Аноним 12/04/17 Срд 15:44:54  279778
>>279713
Заменить дисплей на исправный.
Аноним 12/04/17 Срд 15:46:45  279779
>>279712
Юзал кто-нибудь Yamaha? Чё скажете?
Аноним 12/04/17 Срд 15:49:27  279780
>>279779
Лол.
http://www.epic-decals.co.nz/flux-yamaha-series/
Аноним 12/04/17 Срд 15:57:09  279781
>>279780
Просто я использую Kester. Но только это почему-то припой.
То есть название фирмы не говорит о продукте почти ничего. Как и Ямаха, которая делает и мотоциклы и пианино и моторные лодки и дохрена еще всего.
Аноним 12/04/17 Срд 15:58:13  279782
>>279750
Кто будет включать звук? На платке для этого надо кнопки нажимать.
Аноним 12/04/17 Срд 16:02:48  279784
42341341.jpg (82Кб, 897x926)
>>279773
Аноним 12/04/17 Срд 16:08:15  279785
>>279773
>покупатель чипдипа хвастается тем что прочёл материал по ссылкам "как купить, доставка, оплата".
Аноним 12/04/17 Срд 16:19:06  279786
Да ладно, чип хороший. Я даже парсер под него написал для уценочных позиций.
Аноним 12/04/17 Срд 16:21:43  279788
>>279688
кто бля.
Аноним 12/04/17 Срд 16:22:40  279789
>>279788
Брат силикониума.
Аноним 12/04/17 Срд 16:33:17  279790
>>279786
Хороший в рамках оче ограниченного ассортимента. Если не знаешь что к чему - говна въебать как нехуй делать.
Аноним 12/04/17 Срд 16:38:06  279791
>>279772
>Я в душе не ебу что за евросеть
толсто
Аноним 12/04/17 Срд 17:06:14  279794
>>279790
Ассортимент и цены эт ладно, эт понятно.
Но раньше за эти деньги он хотя бы левотой не торговал, а теперь одни подделки китайские, транзистор блеать не купишь.
Аноним 12/04/17 Срд 17:08:54  279796
>>279794
Ага. При этом ещё бы писали что производитель - кетай мутный, а не известный бренд.
Аноним 12/04/17 Срд 17:27:35  279801
149197611313871[...].jpg (78Кб, 1600x1062)
20170412161802.jpg (142Кб, 1280x720)
Короч, давно купил я паяльник. Попаял им и жало постепенно стало обгарать (окисляться? Я зх). Кошга я хотел купить жало, оказалось, что паяльник вообще без указания марки или модели.
Как восстановить? Как в чипе искать жало по размерам? (Длинна-70, диаметр 3~4)
Няшу тебе, анон.
Аноним 12/04/17 Срд 17:38:01  279804
>>279801
>диаметр 3~4
Провод медный 10 мм кв, моножила.
Аноним 12/04/17 Срд 18:58:31  279814
5PCS-LOT-Integr[...].jpg (56Кб, 800x1071)
Друзья, привет. Подскажите чем можно заменить вот такую деталь.
http://docs-europe.electrocomponents.com/webdocs/12e2/0900766b812e255e.pdf
Живу в мухострани ждать из китая долго, магазов нет. Эта деталюха управляла водяным насосом в автоклаве. Нужно очень срочно. Есть куча радиорухляди, может можно скрафтить чегонибудь в замен?
Аноним 12/04/17 Срд 19:05:10  279815
>>279814
Да почти любой симистор. Можно найди в электроинструменте, диммерах...
Поищи в рухляди высоковольтные тиристоры и транзисторы, и там уже будем думать что делать.
Аноним 12/04/17 Срд 19:49:06  279821
>>279814
на материнских платах
Аноним 12/04/17 Срд 19:50:44  279822
>>279814
>>279814
>Подскажите чем можно заменить вот такую деталь.
Феном.
Аноним 12/04/17 Срд 19:52:41  279823
>>279801
Выкинь и купи нормальный
Аноним 12/04/17 Срд 19:55:43  279824
>>279814
Мелкобуква пиздит, не слушай его, он школьник.
Аноним 12/04/17 Срд 21:18:14  279826
>>279815
Блин, как назло, ни одной дрели! Завтра на работе гляну большую плату от рентген аппарата. На крайняк пойду куплю диммер в магазе. На материнках и в бесперебойниках, я так понимаю, искать даже нет мысла?
Аноним 12/04/17 Срд 21:22:42  279827
>>279826
В бесперебойниках иногда встречаются высокольтные мосфеты (но я хз как их втулить вместо тиристора).
В пылесосах регулятор скорости через симистор обычно сделан.

Ты покажи сломанную железяку, может там всё проще можно починить.
Аноним 12/04/17 Срд 21:22:47  279828
0211f9533bae57o[...].jpg (524Кб, 1195x761)
Посоны. А есть ли схемка хорошего терморегулятора для ньюфага? Хочу себе запилить подогрев в коробку которая парник и душит жаба покупать грелку от аквариума но есть паяльник и умение припаивать детали оным, а так же где то валяется макетка.
Аноним 12/04/17 Срд 21:27:54  279829
>>279828
Так на тиристорах же.
Аноним 12/04/17 Срд 21:45:11  279831
1.jpg (1595Кб, 1844x3277)
2.jpg (1307Кб, 1844x3277)
>>279827
Вот. Справа. Дам два ключа, один на клапан, второй выгоревший на насос. Еще есть на плате место под третий, но не задействовано. Беленькие микрушки это опторазвязки.
Аноним 12/04/17 Срд 21:53:55  279835
>>279831
По идее туда пойдёт вообще любой симистор, лишь бы по напряжению проходил. Так что ищи.
Оптопара скорее всего живая, при сильном желании можно туда залепить релюху с обвязкой.
Аноним 12/04/17 Срд 22:13:14  279838
>>279834
Существенная территориальная отдаленность от центральных городов. Проще говоря мухосрань.

>>279835
Я думал про релюху. Только да, придется ключ какой-нибудь для нее на транзюке слепить. Но диммер всетаки поищу.

Аноним 13/04/17 Чтв 01:18:24  279845
ledsredstrip.jpg (90Кб, 1000x847)
Как называется инструмент?
Аноним 13/04/17 Чтв 01:54:37  279846
>>279845
стриппер
Аноним 13/04/17 Чтв 03:36:55  279848
Объясните тупому в чем отличие между стабилизирующей микросхемой(кренка, 7805, 7808 и т.д.) и стабилитроном?
Аноним 13/04/17 Чтв 04:33:39  279849
>>279846
ОТ СЛОВА "ТРИППЕР"? АХАХА
Мой батя так пошутил, когда я такой с али получил.
Аноним 13/04/17 Чтв 05:58:19  279850
ws04a.jpg (54Кб, 700x437)
>>279845
Такой лучше (пик)
Аноним 13/04/17 Чтв 06:21:21  279851
>>279850
>>279845
Сорта говна. Попробуйте зачистить такими МГТФ.
Аноним 13/04/17 Чтв 06:21:47  279852
>>279850
Это смотря для чего. Твоим тонкий МГТФ на пару миллиметров не зачистишь. Наверное.
Аноним 13/04/17 Чтв 06:22:48  279853
>>279851
Зачищаю этим >>279845
Зависимость лютая. Правда пришлось подпилить губки на конце, чтоб плотнее сжималось.
Аноним 13/04/17 Чтв 06:49:59  279856
400pcs-Motherbo[...].jpg (107Кб, 800x800)
>>279851
>>279852
О, шарящие люди.
Анон, как делают пикрил? И как вручную таких сделать много и не заебаться?
Аноним 13/04/17 Чтв 07:41:23  279858
11063w.jpg (101Кб, 1000x1000)
>>279856
Пикрелейтед в помощь.

Мимо-электрик.
Аноним 13/04/17 Чтв 07:58:40  279859
jokari.PNG (353Кб, 1095x633)
>>279858
> Мимо-электрик.
Откуда вы лезете с таким уёбищным инструментом? Есть же нормальные стрипперы с выставлением длины снимаемой изоляции, резаком и прочими ништяками. Но нет, буду жрать говно и всем показывать какой я говноед.
Аноним 13/04/17 Чтв 08:53:00  279860
>>279859
Для своих задач - вполне. Не рвись, радикальный любитель прогресса.
Аноним 13/04/17 Чтв 08:53:01  279861
28pinMLPintegra[...].jpg (63Кб, 772x772)
IC-IC-DRV591VFP[...].jpg (12Кб, 200x200)
Есть ли у вас проблема в пайке мелких микросхем? Или научились их паять без проблем? Подскажите китайца который может мне их припаять за недорого.
Аноним 13/04/17 Чтв 08:56:26  279862
>>279858
По сравнению с >>279850 меркнет, ибо не способен сдёрнуть оболочку с ввг.
Сиё свойство невозбранно вызывает привыкание.
Аноним 13/04/17 Чтв 09:15:11  279864
>>279861
> Есть ли у вас проблема в пайке мелких микросхем?
NYET
> Или научились их паять без проблем?
DA
> Подскажите китайца
Иди к Васяну который телефоны ремонтирует. Он тебе и Аллаха припаяет.
Аноним 13/04/17 Чтв 09:16:41  279865
>>279801
Это норма.

Если медь, то напильником кончик можно подправлять по мере выгорания.
Аноним 13/04/17 Чтв 09:29:23  279866
>>279865
в сраку вставь себе напильник, даун
медные жала правятся МОЛОТКОМ и только им
на пике железоникелевое говно
Аноним 13/04/17 Чтв 09:30:43  279867
>>279864
>Иди
Я хикка. Мне бы с алиекспресса кого-нибудь. Что бы он плату сделал и заодно припаял туда пару мелких микрух.
Аноним 13/04/17 Чтв 10:58:25  279870
>>279848
Стабилитрон сливает в себя избыточный ток источника, поддерживая напряжение на своих выводах. Поэтому он не годится для работы с нагрузкой, которая сильно изменяется - ток через стабилитрон может оказаться или слишком мал или слишком велик.
Стабилизатор просто поддерживает напряжение на выходе, там внутри по сути источник опороного напряжения, операционный усилитель и регулирующий транзистор. Нагрузка может варьироватьс я от нуля до единиц ампер.
Аноним 13/04/17 Чтв 11:00:32  279871
>>279861
Лудишь ножки и брюхо, чтоб припой был бугорками. Мажешь плату флюсом, кладешь микросхему, греешь сверху феном до плавления припоя. Все.
Аноним 13/04/17 Чтв 11:20:18  279873
>>279850
>>279858
Какие-то совсем непонятные йобы, расскажите чем лучше?
Я в основном только средними проводами пользуюсь, как раз AWG22-26, ни МГТФ, ни силовые кабеля мне не нужны.
Ещё у меня в городе только сраный ProsKit и только похожие на первый (>>279845)
Аноним 13/04/17 Чтв 11:22:05  279874
>>279871
Какой самый дешевый (или один из самых дешевых) фенов мне стоит купить? На али лучше.
Аноним 13/04/17 Чтв 11:25:28  279875
>>279874
никакой. Паяй галогенкой.
Аноним 13/04/17 Чтв 11:31:38  279876
Аноны, что значит сила тока на бп для ноута? У меня есть несколько зарядок, на всех одинаковое напряжение, но разная сила тока. Можно безболезненно подключать ноутбук через них?
Аноним 13/04/17 Чтв 11:41:51  279877
>>279876
Да, главное напруга. Ток влияет только на скорость зарядки.
Аноним 13/04/17 Чтв 11:58:43  279881
Поясните, диаметр провода, например ПЭВ-2 0.25 указывается по меди или по изоляции?
Аноним 13/04/17 Чтв 12:04:30  279884
>>279873
Бери >>279845 зачищалку с фасонными ножами. Мгтф сносно острыми бокорезами чистится.
Вышеуказанные ёбы ориентированы на более толстые провода. Нет, можно найти >>279858
с ножами под тонкие, но это изврат.
Аноним 13/04/17 Чтв 12:05:52  279885
Безымянный.png (13Кб, 888x434)
Анона, как рассчитать необходимые емкость и индуктивность пикрелейтед, чтобы развязать два источника?
Источники высокого переменного и постоянного тока, необходимо на синусоиду дать смещение.
Переменка 27кГц, 2кВ, постоянка тоже 2кВ.
Аноним 13/04/17 Чтв 12:16:03  279887
>>279845
Называется WS-01

>>279850
WS-04

>>279858
WS-03

Wire Stripper
Аноним 13/04/17 Чтв 12:21:13  279888
yN1LrTJ1PM.jpg (390Кб, 1215x2160)
цц.JPG (96Кб, 825x660)
>>279835
Вот, друзья, я нашел такой симистор. BTA41-600B
http://pdf1.alldatasheet.com/datasheet-pdf/view/22042/STMICROELECTRONICS/BTA41-600B.html
Аж десятикратный запас по току! На плату естественно не лезет, хочу его вкорячить на проводах. Я правильно понимаю, что выводы так и подключаются: мт1 на а1, мт2 на а2, г на г? И еще нужен ли ему радиатор? Он сороковник, а работать будет не выше четырех.
Аноним 13/04/17 Чтв 12:23:52  279889
>>279888
Да, всё верно.
На всякий случай припаивай ОЧЕНЬ тонкими проводками, с волос толщиной.
И уже потом, если не ёбнет, паяй на постоянку.
Аноним 13/04/17 Чтв 12:26:22  279890
>>279888
А, и еще, Insulated обозначает что его радиаторная поверхность изолированна, и если ее трогать в работе то током не ебнет? Верно?
Аноним 13/04/17 Чтв 12:27:36  279891
>>279888
И насос ты надеюсь проверил?
Аноним 13/04/17 Чтв 12:27:41  279892
>>279889
Хорошо. Сейчас буду пробовать. Спасибо.
Аноним 13/04/17 Чтв 12:29:09  279893
>>279891
Да, насос есть новый. Старый даже расплавился. Видимо межвитковое замыкание и он за собой потянул симистор.
Аноним 13/04/17 Чтв 12:43:28  279895
>>279870
Спасибо за объяснение. Теперь еще один вопрос - к 555 таймеру обязательно ставить стабилизатор, или ему хватит и стабилитрона? Для микроконтроллеров, как я понял, стабилизатор это маст хэв.
Аноним 13/04/17 Чтв 12:49:59  279896
>>279895
Это все зависит от входного напряжения. У стабилизатора максимальное 40 вольт (у совковых 15), стабилитрон неограниченное, лишь бы ток стабилизации не превысил номинал. А это уже зависит от балластного резистора, при больших напряжениях и токах он превратится в печку.
Аноним 13/04/17 Чтв 13:21:32  279899
1a4109[1].jpg (90Кб, 660x484)
>>279875
Может сразу утюг перевернуть?
Аноним 13/04/17 Чтв 13:31:45  279900
xg.PNG (274Кб, 1194x628)
>>279899
> утюг
Пробовал нагреть на утюге кусок текстолита с нанесенной от такой пастой. Вроде спокойно оплавилась. С деталями пока не пробовал.
Аноним 13/04/17 Чтв 13:35:10  279902
>>279899
за такое мамка пизды даст шоб не портил утюг
Аноним 13/04/17 Чтв 13:37:34  279903
>>279870
>не годится для работы с нагрузкой, которая сильно изменяется - ток через стабилитрон может оказаться или слишком мал или слишком велик.
Зато он делает это быстро и точно.

> источник опороного напряжения, операционный усилитель и регулирующий транзистор
А эти - нет.
Аноним 13/04/17 Чтв 13:44:11  279907
>>279903
Источник опорного напряжения это и есть маломощный стабилитрон.
Аноним 13/04/17 Чтв 13:45:40  279908
>>279896
Ну про резистор и то что он греется как скотина при больших токах и напряжениях я знаю. Глянул по даташиту на таймер - можно ставить любой стабилитрон с Iст.min <= 2mA.
Аноним 13/04/17 Чтв 13:52:49  279910
>>279908
Щито? У таймера максимальный ток 250мА. Нужен стабилитрон с током стабилизации не меньше 300мА.
Аноним 13/04/17 Чтв 13:54:35  279911
радиоаноны, подскажите, правильно ли я понимаю, что в классическом гауссе не имеет смысла создавать магнитное поле сильнее 2 Тл (инд.насыщения стали) ? И нужно рассчитывать исходя из 2тл?
Аноним 13/04/17 Чтв 14:01:47  279914
>>279911
есть смысл, но выше ~5Тл уже совсем срань.
у меня было 3,8/4,3/4,2/4,5/4,5
на каждую ступень 330мкФ*450В, пуля ф8,8мм и 25мм длинна до 55м/с
Аноним 13/04/17 Чтв 14:09:14  279916
>>279900
>>279899
Я тупо в обычной духовке пастой смд компоненты паяю, всё збс.
В первый раз сидел с термопарой и пытался выдержать профиль оплавления, но щас забил и просто на глаз. Выше 200 моя печь не может всё равно, а разные стадии оплавления хорошо видно через стекло.
Аноним 13/04/17 Чтв 14:12:50  279917
А как паять СМД электролиты? Тоже в печь?
Аноним 13/04/17 Чтв 14:17:55  279919
>>279914
а не эффективнее ли снизить до 2тл, а высвободившиеся джоули отправить на новые ступени?
Аноним 13/04/17 Чтв 14:27:32  279921
Screen Shot 201[...].png (44Кб, 754x324)
>>279917
Смотри даташит.
Вот термический профиль из первого попавшегося в гугле, ничем не отличается от профилей почти любых других компонентов.
Аноним 13/04/17 Чтв 14:36:02  279922
>>279919
нет
Аноним 13/04/17 Чтв 15:02:50  279924
>>279875
>галогенкой
В чем профит?
Аноним 13/04/17 Чтв 15:12:20  279925
>>279922
а почему именно такое распределение?
>3,8/4,3/4,2/4,5/4,5
это из-за того что кпд в начале ускорения слишком низкое?
Аноним 13/04/17 Чтв 15:13:17  279926
>>279910
Так это же максимально возможный который он может выдать, зачем мне столько, если мне нужно просто открывать/закрывать 3 транзистора?
Аноним 13/04/17 Чтв 15:14:36  279927
>>279926
Да ты охуел.
Что за транзисторы? Если биполярные тогда да. Если полевые, то там все сложнее.
Аноним 13/04/17 Чтв 15:16:48  279928
>>279927
Ясное дело что биполярники а через них я уже управляю мощным полевиком.
Аноним 13/04/17 Чтв 15:21:08  279929
>>279928
Ты не забывай, что нужен ток для питания самого таймера и для зарядки времязадающей цепочки. Я бы взял с запасом минимум 50мА.
Аноним 13/04/17 Чтв 15:26:02  279931
>>279929
У меня стабилитрон на 12в 76мА.
Аноним 13/04/17 Чтв 16:20:33  279938
Реквестирую проверенный софт для расчета катушек.
Аноним 13/04/17 Чтв 16:34:42  279941
>>279938
coil32
Аноним 13/04/17 Чтв 17:29:43  279946
100 диодов - 57 рублей
https://ru.aliexpress.com/item/100PCS-Lot-sma-1n5819-smd-1A-40V-do-214ac-Schottky-diode-ss14/32625216643.html
100 диодов - 320 рублей
https://www.chipdip.ru/product/ss14-4
100 диодов - 424 рубля
http://platan.ru/cgi-bin/qwery.pl/id=2010078335
100 диодов - 476 рублей
https://www.elitan.ru/price/item8495213
100 диодов - 961 рубль
http://www.chipfind.ru/shop/?part=ss14
100 диодов - 372 рубля
https://dip8.ru/shop/poluprovodniki/diody/diody_shottki/diody_shottki_smd/diody_shottki_smd_prochee/ss14_dc/


В рашке вообще возможно заниматься электроникой не переплачивая при этом в 5-20 раз и не усираясь от многомесячного ожидания компонентов с Али?
Аноним 13/04/17 Чтв 17:33:32  279947
>>279946
> 100 диодов
Прочитал как 100 дидов.
> 100 диодов - 57 рублей
+ добавить 39,10 руб. за AliExpress Saver Shipping (безтреки ко мне совсем не доходят) в итоге получаем 96,87 руб.
Аноним 13/04/17 Чтв 17:34:35  279948
>>279947
Один хуй.
Аноним 13/04/17 Чтв 17:36:21  279950
>>279946
Необучаемый блядь.
Аноним 13/04/17 Чтв 17:45:01  279951
>>279950
пидарахен, что бугуртишь?
Аноним 13/04/17 Чтв 17:50:21  279952
>>279946
У меня в магазине через дорогу смд резисторы стоят по 10коп за штуку (продают десятками) - дешевле чем у китайцев.
Хз как они это делают.
Аноним 13/04/17 Чтв 17:57:55  279954
>>279952
Банальный демпинг. На этих резисторах все-равно практически ничего не заработаешь. Вот и заманивают покупателей. Мб ты вместе с парой резисторов купишь какой-нибудь силовой транзисторный модуль за 20000 руб.
Аноним 13/04/17 Чтв 18:04:43  279955
>>279881
По меди. По изоляции - провод толще.
Аноним 13/04/17 Чтв 18:06:07  279956
>>279954
Интересно, есть ли смысл открыть радиомагазин в моей 70к мухосрани? Или если мухосрань меньше 500к, то нет смысла?
Аноним 13/04/17 Чтв 18:06:17  279957
>>279890
Да, так.
Аноним 13/04/17 Чтв 18:08:42  279958
>>279903
Быстро но не точно. Динамическое сопротивление стабилитрона довольно ощутимое. И разброс тоже.
Аноним 13/04/17 Чтв 18:10:30  279959
>>279924
Цена галогенового прожектора - три копейки.
Аноним 13/04/17 Чтв 18:11:47  279960
>>279931
Не советую давать в стабилитрон больше 10-20 мА. Горяченький будет
Аноним 13/04/17 Чтв 18:16:34  279962
>>279871
я паяю такие обычным паяльником с клиновидным жалом и очень ядреным жидким флюсом. просто провел вжик и вся сторона запаялась
Аноним 13/04/17 Чтв 18:25:21  279963
>>279962
И как ты таким образом запаяешь QFN-корпуса, как на первом пике? А нижнюю часть микросхемы? Без неё она охлаждаться нормально не будет, а некоторые производители на неё ещё и уникальный пин выводят (зачастую землю), из-за чего не подключать её нельзя.
Аноним 13/04/17 Чтв 18:29:13  279965
>>279963
невнимательно посмотрел, я про вторые
Аноним 13/04/17 Чтв 18:31:32  279967
.png (142Кб, 320x262)
>>279965
Вторые тоже паяльником нормально не запаяешь. Вот эту штуковину тоже припаивать надо, иначе микросхема будет перегреваться.
Аноним 13/04/17 Чтв 18:33:52  279968
>>279967
мне такие не попадались. я паяю STM32 микроконтроллеры, там нет такого, только ноги.
Аноним 13/04/17 Чтв 18:34:32  279970
>>279963
В микроволновке, писали же.

Ну да, можно печку с управляемым профилем нагрева на ардуинке сделать, но это если трехсотногие FPGA паять.
Аноним 13/04/17 Чтв 18:36:39  279971
>>279968
Значит им ножек для охлаждения хватает.
>>279970
Я припаиваю феном. Мне норм.
Аноним 13/04/17 Чтв 18:40:06  279972
>>279971
Я пробовал феном QFN микроконтроллеры паять, но чето хуевенько у меня получается. Типа работает, но глючит при прошивке - видно непропой где-то. Я пробовал и пастой и обычным припоем.
Даже запилил температурный датчик на термопаре чтобы типа профиль соблюдать, но видно дело не в этом.
Аноним 13/04/17 Чтв 18:41:54  279974
>>279971
Когда немного ног у QFN еще ничего, больше - ну нахуй, лучше уж в микроволновке.
Аноним 13/04/17 Чтв 19:01:21  279977
>>279963
Можно дюрочку просверлить в плате и попытаться пропаять через нее с другой стороны.
Аноним 13/04/17 Чтв 19:03:11  279978
1352544003461.jpg (35Кб, 479x479)
>>279974
>в микроволновке
Аноним 13/04/17 Чтв 19:07:34  279979
>>279946
http://www.electronshik.ru/item/ss14-1006032
http://www.rct.ru/warehouse/other/1006032.html
Что-то ты не то смотришь.
У китайцев небольшие цены только на резисторы, конденсаторы и всякие 1n4148, AVR, STM32, но на почти все остальные микросхемы цены у них не меньше чем в российских магазинах. Можешь еще сравнить с ценами в крупных европейских и американских магазинах.
Аноним 13/04/17 Чтв 19:09:00  279980
>>279979
>Минимальная сумма заказа 1000 рублей
kek
Аноним 13/04/17 Чтв 19:15:30  279981
>>279980
http://www.electronshik.ru/page/how-to
>минимальная сумма заказа от 300р.

http://www.elekont.ru/catalog//ss14.html
>Минимальная стоимость заказа 500 руб

Но по моему даже 1000 рублей это нормально.
Аноним 13/04/17 Чтв 19:25:36  279984
14602770809760.png (92Кб, 500x422)
>>279970
> В микроволновке
Сука, пидр!!! Я stm32f429zit сжег с твоими советами. Он просто щелкнул и распался на части. И дорожки на плате поотгорали.
Ненавижу таких пидоров!111
Аноним 13/04/17 Чтв 19:28:13  279985
14883734378850.jpg (92Кб, 800x600)
>>279984
пиздец дебил
Аноним 13/04/17 Чтв 19:32:56  279986
Анон, быстро ли 3.2 светодиод подет по пизде от 3.3 напряж
Аноним 13/04/17 Чтв 19:33:28  279987
>>279960
Да это всеравно времянка, как в магаз пойду куплю на 5в 178мА.
Аноним 13/04/17 Чтв 19:36:14  279988
.png (12Кб, 574x167)
>>279972
>>279974
И почему тогда у меня всё normal'no? И qfn и 0402 и всякие микроскопические dfn'ки размерами 1.6мм и даже пик релейтед транзюки для всяких сигнальных линий (могут тащить 0.7 Ампер на мегагерцовых скоростях безо всяких драйверов).
Аноним 13/04/17 Чтв 19:36:28  279989
>>279986
Он пойдет по пизде в любом случае если резистор не ставить.
Аноним 13/04/17 Чтв 19:38:18  279990
>>279986
Светодиод работает от тока. Напряжение должно быть в любом случае больше номинального, чтобы он "пробился" и начал светиться (вообще светодиоды работают как стабилитроны). Просто поставь резистор с чуть большим номиналом и всё будет нормально.
Аноним 13/04/17 Чтв 19:40:29  279991
>>279916
Сколько держать в духовке примерно не скажешь?
Аноним 13/04/17 Чтв 19:43:07  279992
.png (5Кб, 327x172)
>>279987
Лучше ставь нормальный линейный регулятор. Алсо, стабилитроны имеют довольно нелинейную ВАХ на отрезке после пробития и если для преобразования вольтаж-ток ты используешь простой резистор, это значит, что выходное напряжение будет меняться в зависимости от входного (можно вместо резистора поставить источник тока на транзисторах, но ты тогда по сути будешь переизобретать линейный регулятор). В линейниках такого нет.
Аноним 13/04/17 Чтв 19:47:57  279993
>>279989
Ну це понятно.
>>279990
> Напряжение должно быть в любом случае больше номинального, чтобы он "пробился
Ну это, логично, так-то...
> с чуть большим номиналом и всё будет нормально.
Хорошо, спасибо!
Аноним 13/04/17 Чтв 19:49:44  279994
>>279989
Хуйню несешь.
Аноним 13/04/17 Чтв 19:50:40  279995
>>279994
Электротехнику учи.
Аноним 13/04/17 Чтв 19:53:14  279996
>>279995
Хуетехнику. Погугли хоть что такое ВАХ.
Аноним 13/04/17 Чтв 19:57:51  279997
>>279996
При чем здесь ВАХ, дауна ты кусок? У светодиода, как и у любого диода, довольно маленькое собственное сопротивление, поэтому без резистора ему довольно быстро наступит пиздец, в лучшем случае он просто оборвется, в худшем станет проводником, у меня так 8 атмега ногу потеряла.
Аноним 13/04/17 Чтв 19:59:52  279998
>>279997
>без резистора ему довольно быстро наступит пиздец
Не превышай его номинальный ток, питай от стабилизатора тока.

У меня другой вопрос - вредно ли светодиоду пониженный ток относительно номинала? Раньше учили что вреден и повышенный и пониженный.
Аноним 13/04/17 Чтв 20:01:28  279999
>>279996
Ну вот смотри вах стабилитрона на пике из >>279992 светодиод тоже самое.

Как видишь на графике даже при небольшом изменении напряжения стабилитрон (как и светодиод) может сожрать очень много тока и перегреться. Практически можно сказать, что ток будет ограничен внутренним сопротивлением источника питания.
Аноним 13/04/17 Чтв 20:02:34  280000
>>279998
> питай от стабилизатора тока.
При стабильном напряжении простейший стабилизатор тока это и есть резистор. Так-то!
Аноним 13/04/17 Чтв 20:03:52  280001
>>279999
>аже при небольшом изменении напряжения
Так ты не меняй его и все будет нормально.
Аноним 13/04/17 Чтв 20:05:02  280002
>>279998
>Не превышай его номинальный ток
Вот для этого то и нужен резистор, а стабилизатор тока ставить ради 1-2 свктодиодов это глупо, я еще понимаю если у тебя лента или ты светодиодный дисплей пилишь.
Насчет того вредно ли для светодиода пониженный ток я если честно хз.
Аноним 13/04/17 Чтв 20:05:42  280003
>>280001
Я про график говорю. Напряжение обычно выбирается стандартное 5/12/24 вольта, и без ограничения тока, светодиод может сожрать практически неограниченное количество тока.
Аноним 13/04/17 Чтв 20:06:58  280004
>>280003
>Напряжение обычно выбирается стандартное 5/12/24 вольта
Ну это если ты даун и не можешь регулировать входное напряжение.
Если у светодиода падение напряжения 2.6 вольта, то подаешь 2.6 и он нормально светится без резисторов.
Аноним 13/04/17 Чтв 20:08:50  280005
>>279992
Да мне изменение напряжения на +/-1 вольт роли не сыграет. Стабилитрон ставлю чисто для того чтобы таймер не сдох если я подам на схему 35 вольт.
Аноним 13/04/17 Чтв 20:09:02  280006
>>280004
> Ну это если ты даун и не можешь регулировать входное напряжение.
А его зачастую и не надо регулировать? Вот как это делать в светодиодных лентах? Легче замутить резистор для каждого диода и не мучаться.

Делать всякие импульсные преобразователи с ограничением по току имеет смысл только если важен КПД, как например в фонариках или лампах освещения. В остальных случаях достаточно резистора.
Аноним 13/04/17 Чтв 20:10:55  280007
>>280005
На нём напряжение будет меняться в зависимости и от потребляемого тока. А вообще что мешает поставить линейник? Какой-нибудь 7805 стоит копейки.
Аноним 13/04/17 Чтв 20:16:12  280008
>>280007
>что мешает поставить линейник?
Ограниченность места на плате. Да и как-то глупо мне кажется ставить линейник ради одного сраного таймера, когда можно поставить связку стабилитрон+резистор общей стоимостью в 3 рубля, я понимаю же если микроконтроллер питать у которого потребляемый ток может меняться в очень широком диапазоне.
Аноним 13/04/17 Чтв 20:18:14  280009
>>279991
Минут 5-10.
Хз на самом деле, не слежу уже, да и я думаю от плиты сильно зависит. На глаз понятней на самом деле - видно как сначала флюс плывёт, потом припой начинает блестеть. Когда компоненты расползаются и привой принимает няшную угловую форму, тогда и хорош.
https://youtu.be/FNNRoXZom30?t=2012
Аноним 13/04/17 Чтв 20:20:06  280010
>>280008
У меня сложилось впечатление, что ты не понимаешь как работает стабилитрон.
Можешь сказать, какой КПД будет у стабилизатора напряжения на стабилитроне?
Аноним 13/04/17 Чтв 20:20:29  280011
>>280008
Ты только про мощность резистора не забудь.

Вот у тебя на вход идёт 35В, на выход 12В, потребление 100мА, значит мощность нужна (35 - 12) * 0.1 = 2.3Ватта.
Аноним 13/04/17 Чтв 20:23:53  280012
>>279954
Ну у них и на остальные компоненты норм цены, заметно ниже конкурентов у которых всё как по тем линкам. Ассортимент правда так себе. Плюс единственные торгуют совковой хуйнёй. Искал недавно реостат мощный. Современные все дорогие пиздец, а у них за нихуя нашёлся новый производства 90-какого-то года в типичной совковой коробочке с типичной совковой маркировкой. Я аж потёк весь от его няшности.
Аноним 13/04/17 Чтв 20:25:15  280014
>>280010
>>280011
Ладно, убедили. Поставлю линейник.
Без радиатора от 35 вольт сильно греться будет?
Аноним 13/04/17 Чтв 20:26:55  280015
>>280002
>>Не превышай его номинальный ток
>Вот для этого то и нужен резистор
Ну да, переменник лучше, для регулировки. Ватт на 250 - посоветуешь?

>а стабилизатор тока ставить ради 1-2 свктодиодов это глупо
У меня, например, светодиоды 50-Ваттные.

>Насчет того вредно ли для светодиода пониженный ток я если честно хз.
А вот интересный же вопрос.
Аноним 13/04/17 Чтв 20:27:10  280016
>>280014
Без радиатора to-220 как раз 2 ватта рассеять и сможет. Что хватит (при преобразовании 35 -> 12) на ~100мА.
Аноним 13/04/17 Чтв 20:27:20  280017
>>280009
Всегда проигрываю с его манеры произношения и голоса. Кто посмотрел хотя бы 10 его выпусков уже никогда не будет прежним.
Аноним 13/04/17 Чтв 20:29:07  280018
>>280017
Я тут на YouTube еще чувака находил, вполне кстати дельно излагает, и не так по-мудацки как Дэйв, с голосом и произношением как у Михалева - если кто помнит такого переводчика из перестроечных времен. APLab называется или похоже.
Аноним 13/04/17 Чтв 20:30:55  280019
>>280015
> У меня, например, светодиоды 50-Ваттные.
Вот для таких целей пилить импульсник имеет смысл. А вообще что ты хочешь доказать? Что кроме резистора существую другие преобразователи напряжение -> ток? Я думаю многие уже в курсе этого.
Аноним 13/04/17 Чтв 20:33:20  280020
>>280019
Вообще не факт что всегда стоит. ЛБП на 50 Ватт в общем собирается на детальках с любой помойки, и мало того что мерцать ничего не будет, но еще и срать вокруг себя ЭМИ как высокочастотные ШИМы - тоже (не будет).
Аноним 13/04/17 Чтв 20:40:08  280021
Есть мысль запилить настольный рабочий светильник на одном 35-ваттном светодиоде - у Edison есть таковые с CRI>90, на 36 Вольт.
Поставить его на старый кулер от CPU, например. И все это в корпус от светильника настольного с лампой накаливания который на струбцине регулируемый - с круглым рассеивателем.
Но полная мощь нужна не всегда - в обычном состоянии от нее слишком светло. Но иногда очень нужна - когда мелкое что-то разглядываешь или паяешь.
Как правильно регулировку сделать - тупо воткнуть ППБ-25?
Хочется сделать хорошо - и чтоб не мерцало, желательно совсем не мерцало, и чтоб не начинало мерцать при снижении яркости (ШИМов в мониторах все уже анелись с этим косяком).
Или может перед трансформатором тиристоров поставить, и ими регулировать?
Аноним 13/04/17 Чтв 20:46:30  280022
>>280018
Есть еще вот этот парень https://www.youtube.com/watch?v=6Maq5IyHSuc
Аноним 13/04/17 Чтв 20:49:16  280023
>>280022
да много кого есть. например перфекционист который на токарном станке и хрен еще знает чем делал идеальные кельвиновские щупы. в трех частях.
Аноним 13/04/17 Чтв 20:52:58  280024
пидораская моча шоб ты сдох сука.
тебе трудно что ли падла почаще треды создавать
хули тянуть до 2000 постов.
Аноним 13/04/17 Чтв 20:56:24  280025
>>280019
Причем тут преобразователи?
Преобразователи нужны когда мы хотим передавать (обычно это упрощенно называется, например, "усиливать") сигнал формой тока или формой напряжения - и входной сигнал у нас в виде формы одного, и мы его преобразуем в форму другого. На входе от головки звукоснимателя, например, или от микрофона, или на токовом выходе микросхемы ЦАП, или на выходе на головку громкоговорителя.
И лучшим, конечно, является трансформатор.
Аноним 13/04/17 Чтв 20:58:25  280026
1408543297950-5[...].png (28Кб, 633x758)
блять, да что же такое. кусок фольги упал и коротнул 300 вольт на затвор транзистора. сгорел блять дорогущий транзистор падла
Аноним 13/04/17 Чтв 20:59:35  280027
>>280026
Что за транзистор?
Аноним 13/04/17 Чтв 21:00:19  280028
Существует ли какая-нибудь таблица рекомендуемых номиналов резисторов для светодиодов?
Аноним 13/04/17 Чтв 21:02:29  280029
14916753742150.jpg (85Кб, 800x800)
>>280026
Сука уебак нахуя ты фольгу на схемы кидаешь?
Аноним 13/04/17 Чтв 21:03:29  280030
>>280025
При том. Ты уже начинаешь приёбываться к словам.
>>280028
Берёшь даташит на светодиод. Смотришь какой ток он потребляет и рассчитываешь сопротивление резистора по формуле R = U / I, где U - напряжение, I - нужный ток.
Аноним 13/04/17 Чтв 21:03:58  280031
13.PNG (33Кб, 348x448)
>>280026
13/04/17
Аноним 13/04/17 Чтв 21:04:17  280032
14822644698410.jpg (47Кб, 800x522)
>>280027
https://www.chipdip.ru/product/irg4pc50ud
>>280029
Я не кидал, она блять сама упала от ветра.
Аноним 13/04/17 Чтв 21:05:16  280033
>>280032
> 210р
> дорогущий
кек
Аноним 13/04/17 Чтв 21:06:10  280034
>>280033
Фрилансер что ли, мразь?
Аноним 13/04/17 Чтв 21:06:43  280035
>>280032
Где применял, в импульснике?
Аноним 13/04/17 Чтв 21:06:51  280036
>>280034
NYET
Аноним 13/04/17 Чтв 21:07:32  280037
>>280032
Почему именно этот решил использовать? Вот я в свое время набрал себе нахаляву кучу К2611 и теперь везде их тыкаю.
Аноним 13/04/17 Чтв 21:07:58  280038
Ragecopy.png (235Кб, 582x600)
МОЧА ЕБАНАЯ БЛЯДЬ ПЕРЕКАТ ПИЛИ У МЕНЯ БРАУЗЕР ВИСНЕТ СУКА
Аноним 13/04/17 Чтв 21:14:58  280039
images.jpg (6Кб, 223x169)
>>280038
Аноним 13/04/17 Чтв 21:16:13  280040
>>280037
Ток
Аноним 13/04/17 Чтв 21:18:02  280041
>>280030
Нет даташита, есть только то что диод на 3 вольта, а питать его буду от 5. 470ом норм будет?
Аноним 13/04/17 Чтв 21:23:33  280043
>>280040
Это я понял, не проще ли было халявные из телека вытащить или у дедов на рынке за 10 копеек за штуку приобрести?
Аноним 13/04/17 Чтв 21:33:53  280046
>>279979
У китайцев надо покупать их, китайские микросхемы и всякое такое. Не перемаркировку и отбраковку, под видом настоящих.
Они уже для внутреннего рынка довольно много всего штампуют - и оно работает значительно лучше чем левота с красивой надписью NXP, например, или ST.
Аноним 13/04/17 Чтв 21:40:36  280048
>>279984
Это не мне, это >>280012
>единственные торгуют совковой хуйнёй. Искал недавно реостат мощный. Современные все дорогие пиздец, а у них за нихуя нашёлся новый производства 90-какого-то года в типичной совковой коробочке с типичной совковой маркировкой
А где это?
Аноним 13/04/17 Чтв 21:41:17  280049
>>280043
Где ты в телеке видел такие мощные
Аноним 13/04/17 Чтв 21:43:35  280050
>>280034
хобби не для тебя тогда если 200р это тяжелая утрата
Аноним 13/04/17 Чтв 21:45:10  280051
Не пойму что-то, чувак в статье пишет
>Частота следования импульсов определяет быстроту с которой сервомашинка будет вращать валом. Минимальный интервал, выше которого скорость перестает возрастать, а дребезг усиливается это порядка 5-8мс. Ниже 20мс серва становится задумчиво тормозной. ИМХО оптимальная пауза около 10-15мс.
Т.е. если интервал ниже 20 мс, то движок начинает тупить, но сам при этом советует 10-15мс. Где логика?
Аноним 13/04/17 Чтв 21:46:15  280053
>>280049
Вот эти http://paratran.com/2paratranKRFET.php?tr=1217 например.
Аноним 13/04/17 Чтв 22:00:23  280056
>>280053
дохлые слишком
Аноним 13/04/17 Чтв 22:20:30  280057
>>280041
Найди похожий с даташитом.
Аноним 13/04/17 Чтв 22:26:09  280059
>>280051
> ниже
Читай как дольше. Тогда все логично.
Аноним 13/04/17 Чтв 22:27:54  280060
>>280059
Ну да. Но все таки хотелось бы ясности
Аноним 13/04/17 Чтв 22:38:21  280061
>>280060
Прочитай в другом месте мнение другого человека, найди даташит (лучше несколько). Купи эту серву и проверь на всех вариантах. После этого ты можешь экспертно оценить проблему и решить её в том виде, в котором оно тебе нужно.
Аноним 13/04/17 Чтв 22:53:25  280062
>>280048
В Томске это: http://trigger.ru
Хз чем тебе это помочь может.
Аноним 13/04/17 Чтв 23:37:07  280065
>>276268 (OP)
У меня есть огромное количество девайсов работающих от батареек. Но батарейки не вечные, меня заебало их менять. Можно ли завести все мои няшности от 220? Это реально вообще?
Аноним 13/04/17 Чтв 23:42:15  280066
>>280065
Реально. БП купи.
Аноним 13/04/17 Чтв 23:43:30  280067
>>280066
У меня полно старых зарядников, я ими пк-кулера запитывал. Они подойдут? Как понять какие конкретно нужны?
Аноним 13/04/17 Чтв 23:45:05  280069
>>280065
Да.
Сони выпускает фирменные адаптеры которые вставляются вместо батареек. https://mysku.ru/blog/ebay/24761.html
Если у тебя какое-то говно, то сам колхозь.
Аноним 13/04/17 Чтв 23:47:34  280070
>>280067
Подойдут. Только глянь чтобы напряжения соответствовали. Т.е. например если у тебя девайс работает от 3 АА/ААА(4.5в) то бери любые на 5 вольт, их как говна. + к +, - к -, смотри не перепутай! Желательно припаять.
Если на 2 АА/ААА то можешь взять зарядник на 3.3/3.5 вольта.
Аноним 13/04/17 Чтв 23:54:46  280071
>>280070
Минимальное что я смог найти это 8в. Никак?
Аноним 13/04/17 Чтв 23:58:08  280072
>>280071
Cтабилизатор ставить надо. Вот вроде такого https://www.chipdip.ru/product/l7805acv-dg
Аноним 14/04/17 Птн 00:29:10  280073
Вопрос такой. В мк у ацп максимальное значение преобразования 1023. Чтобы получить реальное значение напряжения, мне надо 5 вольт разделить на 1023 или на 1024?
Аноним 14/04/17 Птн 00:50:46  280076
>>280073
>1024
this
Аноним 14/04/17 Птн 02:36:24  280080
.png (78Кб, 915x808)
Схему начертить пока не умею, накидал так. Не обоссывайте, я вообще ньюфаг.
Это фонарик на котором я тренируюсь.
Хочу переделать так, чтобы:
1. Нельзя было включать его во время зарядки (чтобы светодиоды не сгорели).
2. Чтобы красный светодиод, сигнализирующий о зарядке, гаснул, когда акум заряжен.
Вангую, для этого нужно выкинуть всю эту требуху и переделать под литий + контроллер заряда?
Алсо, буду признателен, если подскажете как научится конвертировать в голове такую картинку в сухую схему.
Аноним 14/04/17 Птн 02:42:33  280081
>>280080
Это что за синяя хуета внизу? Это типа кондюк, который реактивный сопротивлением уменьшает напряжение 220 вольт до нужного? А не боишься, что ебанёт? Хоть бы суппрессор с предохранителем для приличия перед диодным мостом поставил.
Аноним 14/04/17 Птн 03:50:55  280083
.png (54Кб, 1429x451)
.png (65Кб, 1613x451)
>>280080
Нарисовал приближённо схему фонарика (кроме преобразователя 220 -> нужное напряжение).

(2) делается элементарно p-мосфеткой, например AO3401 или подобной. См второй пик.
Аноним 14/04/17 Птн 03:52:06  280084
>>280083
> (2) делается элементарно
Точнее (1). Для (2) нужно пилить контроллер заряда.
Аноним 14/04/17 Птн 03:55:06  280085
>>280061
Серва управляется ШИМом. Он регулирует частоту, но говорит о длительности. Чем выше частота - тем отклик сервы быстрее. Чем ниже, тем медленнее (поскольку в серве стоит контроллер, который должен некоторое каоличество импульсов усреднить).
Аноним 14/04/17 Птн 04:50:42  280086
Как на заводе делают BGA пяточки?
Там ведь не просто медный пяточек, там проволочка от каждого пяточка идёт куда-то внутрь платы. Как это делают?
Аноним 14/04/17 Птн 07:48:57  280092
14445428601791.jpg (26Кб, 396x385)
>>280086
> пяточек
Уебать?
Аноним 14/04/17 Птн 08:33:23  280098
>>280028
http://cxem.net/calc/ledcalc.php
Аноним 14/04/17 Птн 08:36:40  280099
>>280092
Аноним 14/04/17 Птн 08:38:07  280100
>>280028
>>280098
Там заранее надо знать ток светодиода. Подаёшь через мультиметр нужное напряжение, смотришь ток, высчитываешь в онлайн калькуляторе нужный резистор.
Аноним 14/04/17 Птн 08:49:05  280101
Есть несколько литиевых аккумуляторов от мобил.
Хочу для начала один использовать в светодиодном фонарике вместо 3 батареек ААА, думаю 3.7 вольт нормально потянут, и заряжать зарядкой-лягушкой.
Защита от сильного разряда и контроль тока обычно встроенны в аккумулятор или они в телефоне и аккум отдельно использовать нельзя?
Аноним 14/04/17 Птн 09:03:14  280105
1483753917-283c[...].jpeg (43Кб, 457x522)
>>280099
И что ты мне этим хотел сказать? Пяточки у няши, а пятачки у свиней и на плате. А лучше называй их падами.
Аноним 14/04/17 Птн 09:14:10  280106
Какой мультиметр лидирует в номинации "выбор радача 2017"?
Аноним 14/04/17 Птн 09:35:36  280107
>>280016
Не сможет. Даже 500 мВт для ТО-220 уже палец обжигает, а при 2 Вт он отпаяться от перегрева может.
Аноним 14/04/17 Птн 09:37:36  280108
>>280086
Сверлится отверстие, металлизируется изнутри.
>Вонни и Пяточек
Аноним 14/04/17 Птн 09:41:41  280110
>>280106
самый дешевый за 200р
Аноним 14/04/17 Птн 09:45:04  280111
IMG9065.jpg (183Кб, 1024x768)
IMG9066.jpg (169Кб, 1024x768)
>>280101
Можно конечно. Я так переделал все свои фонарики и забыл про покупку этих сраных ААА.
В качестве встроенного зарядника использовал платки на TP4056 с DX.com. Только ток заряда уменьшил резистором до 300 мА, чтоб щадяще было по отношению к аккумулятору.
Аноним 14/04/17 Птн 10:48:16  280116
>>276268 (OP)
Как стать мастером электроники?
Аноним 14/04/17 Птн 10:50:41  280117
>>280081 Хз.
cbb22
0.75uf
250v
>>280083
>>280084
Спасибо.
Аноним 14/04/17 Птн 11:14:10  280122
Как узнать время восстановления диода шоттки? Где-то пишут что 500нс, где-то что 2нс, в даташитах вообще ничего не пишут. Так как узнать?
Аноним 14/04/17 Птн 11:14:35  280123
>>280101
В мобилах обычно есть защита.
В бескорпусных и круглых по разному (обычно видно плату защиты).
Аноним 14/04/17 Птн 11:24:15  280125
>>280017
Неприятно из-за австралийского акцента?
Аноним 14/04/17 Птн 11:35:05  280127
двач, у меня сугубо практический вопрос.
как пронести катушку обмоточного провода весом 5кг через проходную?
Аноним 14/04/17 Птн 11:50:54  280132
>>280127
два человека. один тянет начало провуда второй подаёт. Вризультати через праходную проходит сам провуд без человек.
Аноним 14/04/17 Птн 11:57:21  280134
>>280132
лол, там километров 10 провода
Аноним 14/04/17 Птн 11:59:17  280135
>>280134
> там километров 10 провода
Нахуя тебе столько?
Аноним 14/04/17 Птн 12:00:17  280136
>>280134
Ды к это проще ешё!
Аноним 14/04/17 Птн 12:03:09  280138
>>280135
про запас
Аноним 14/04/17 Птн 12:58:42  280145
>>280132
ЛОлшто?
Аноним 14/04/17 Птн 13:02:23  280146
>>280145
Школьнег?
Аноним 14/04/17 Птн 13:11:35  280148
>>280146
Поясняй давай за свой профессиональный юмор.
Аноним 14/04/17 Птн 13:15:20  280149
>>280148
Блэт. Ты дебил. Это не йюмор. не можешь пиздуй в мусарню здаваться.
Аноним 14/04/17 Птн 13:42:02  280150
>>280116
Как завещал великий Ленин:
Учиться
учиться
и учиться.

Не только теоретически, большинство начинали с повторения чужих конструкций.
Аноним 14/04/17 Птн 13:55:02  280151
>>280125
Он как инопланетянин или ящерик. Все излагается с какой-то одной единственной дурашливой эмоцией, сомневаюсь, что именно это и есть "австралийский акцент".
Аноним 14/04/17 Птн 13:58:22  280152
>>280151
Он кайтавый прост)
Аноним 14/04/17 Птн 15:15:25  280160
>>280111
>В качестве встроенного зарядника использовал платки на TP4056 с DX.com.
Вот это поподробнее. Что за встроенный зарядник? То есть, просто подать 5В на клеммы недостаточно, надо в фонарик ставить плату?
>ток заряда уменьшил резистором до 300 мА
Резистор подбирать экспериментально?
Аноним 14/04/17 Птн 15:21:34  280162
>>280160
> То есть, просто подать 5В на клеммы недостаточно, надо в фонарик ставить плату?
Это если заряжать хочешь не вынимая батарейку.
Аноним 14/04/17 Птн 15:30:15  280165
>>280122
Самый проверенный способ это подпаять и глянуть.
Аноним 14/04/17 Птн 16:05:01  280168
14686708666540.jpg (10Кб, 200x218)
Я создал
https://2ch.hk/ra/res/280133.html
https://2ch.hk/ra/res/280133.html
https://2ch.hk/ra/res/280133.html

Аноним 14/04/17 Птн 16:12:07  280170
>>280162
Понял. А плата готовая, ничего к ней дополнительно не надо паять?
Вот эта? Их там 4 варианта, почему именно она?
http://www.dx.com/p/tp4056-1a-li-ion-battery-charging-module-blue-4v-8v-215797
Припаять просто + и -?
Аноним 14/04/17 Птн 19:47:36  280237
1dyenl.jpg (14Кб, 369x345)
кварцц.jpg (6Кб, 476x346)
Анон, можно ли использовать керамический фильтр вместо кварцевого резонатора для мк?
Методом втыка вроде работает, но может я чего-то не знаю?
Аноним 14/04/17 Птн 19:52:09  280239
>>280237
Смотря для чего. У кварцевых резонаторов меньше отклонение от номинала и меньше чувствительность к температуре.

Если особая точность не нужна, то керамический пойдёт.
Аноним 14/04/17 Птн 20:59:38  280254
>>276268 (OP)
Имеется 2 усилителя и колонки:
Колонки:
25 ват 4 ом 0 класс
Амфитон 25 У - 101 С - 1 - звук в одном канале оче тихий, менял колонки местами, с колонками все норм, это на выходе с усилителя.
и
Вега 10 У - 120 С Все норм со звуком.
Звукошнур с компа к усилителю проверил, все норм.
Кароч че делать, разбирать усилок и свотреть выходной каскад или что? Давно не колупался в технике, уже лет 15 как. Че делать то?
Аноним 14/04/17 Птн 22:41:53  280272
14747391111960.jpg (73Кб, 800x920)
Приветствую, посоветуйте какую отвёртку брать - в компах болты крутить, а то на сайте понаписано PH1x100
PH2x100
PH3x150

http://www.eldorado.ru/cat/229358888/?sort=price&type=asc

Нихуя не понятно.

Подскажите пожалуйста кто шарит в этих обозначениях.

Основной объект использования - стандартные болтики в компах, которыми корпус закручен, прикручиваются платы и тд.
Аноним 14/04/17 Птн 22:49:42  280274
>>280272
РН2, и РН1 для совсем мелких.
Аноним 14/04/17 Птн 22:55:08  280276
>>280274
Тогда поясни мимокроку, в чем отличие ph и pz
Аноним 14/04/17 Птн 23:09:30  280284
>>280276
Читай про профиль PHillips и PoZydrive
Аноним 14/04/17 Птн 23:12:21  280287
>>280276
https://ru.wikipedia.org/wiki/%D0%9A%D1%80%D0%B5%D1%81%D1%82%D0%BE%D0%BE%D0%B1%D1%80%D0%B0%D0%B7%D0%BD%D1%8B%D0%B9_%D1%88%D0%BB%D0%B8%D1%86
Аноним 15/04/17 Суб 01:15:43  280298
>>280272
Отбой, разобрался сам.
Аноним 15/04/17 Суб 02:35:05  280301
1482008177803.gif (972Кб, 271x200)
Обмотал ЮСБ-шнур вокруг кабеля питания и вставил, чтобы не оторвать юсбшник в случае чего. И мышка иногда пропадала и тут же появлялась, оповещая характерными звуками в ОС про отключение и резкое подключение устройства. Размотал и сделал все по дефолту - это прекратилось. Я весьма далек от таких электронных штучек-дрючек, но что это была за магия?
Аноним 15/04/17 Суб 05:43:24  280302
>>280301
Индуктивность.
Аноним 15/04/17 Суб 06:24:09  280303
T-9-500.jpg (105Кб, 1152x768)
1e634adf9b36694[...].jpg (163Кб, 1425x975)
Проебал зарядку (БП) ноута в универе. На ноуте написано 19в 2А.
Есть куча адаптеров от телнфонов(включая стационарных, домашних), модемов и т.д., среди них нашел пикрелейтед. Есть даже трансформаторные. Можно юзать?

1 - Могу ли я использовать пик 1 вместо утерянного (пик 2), в чем у них разница?

2 - Насколько допустима разница силы тока моего адаптера и ноута?

3 - Как определить полярность разъема В НОУТЕ (обозначений нету)? Мультиметром потыкать при включенном ноуте?

4 - Камни?

Аноним 15/04/17 Суб 09:38:56  280308
>>280303
>
> 1 - Могу ли я использовать пик 1 вместо утерянного (пик 2), в чем у них разница?
Там же 9 Вольт... Да и еще пол Ампера
Аноним 15/04/17 Суб 09:39:07  280309
>>280303
нет, напряжение разное
меньше - не желательно, если не хочешь потом возвращаться сюда с вопросом "хули оно не работает?"
найди в интернете картинку своего адаптера, обычно на нем нарисована полярность.
>Камни?
для тебя - целый сад. Купи новый адаптер за косарь и не еби голову.
Аноним 15/04/17 Суб 09:58:53  280310
>>280308
>>280309
Блять, очевидно это рандомпик адаптера был. С первого анона вообще подгорело, ты что, школьник что-ли?
Аноним 15/04/17 Суб 10:45:09  280314
Так в чём проблема? Ты не знаешь что такое вольты и амперы? Или не можешь нагуглить адаптер к своему ноутбуку?
Аноним 15/04/17 Суб 10:48:02  280315
>>280310
Нахуй пиздуй в /б, школяр охуевший. Задал ньюфажский вопрос, да еще и ответы ему не нравятся.
Аноним 15/04/17 Суб 11:15:57  280316
Под ноутом написано, что ему надо:
19В и 2.1А

Родное (утерянное) зарядное устройство:
19В и 3.6А

Новое (купил) зарядное устройство:
19В и 3.1А прозрачная, белой не было

Подключил - все работает и заряжется, но что-то очкую за ноутбук. Развейте сомнения, молю. Судя по моим недознаниям - зарядное устройство имеет мощность большую, чем требуется, и ноут берет ровно столько, сколько ему надо - а на превышающие амперы ему похуй - верно?
Аноним 15/04/17 Суб 11:18:26  280317
Достал из старого телефона моторчик - как сделать вибратор?
Алсо, накопилось несколько литий-ионных батарей. Увы, разные по всем параметрам - что можно из них сделать?
Выкидываю нахуй через 20 постов, если не будет годной идеи
Аноним 15/04/17 Суб 11:24:34  280318
>>280316
Да, ты всё сделал правильно. Твои недознания верны.
Аноним 15/04/17 Суб 11:47:35  280320
>>280318
А почему родная зарядка сделана с таким большим запасом?
Аноним 15/04/17 Суб 12:03:33  280321
На мобилке потух светодиод (вспышка).
Есть несколько доноров - как определить, какой мне подходит, а какой - нет?

Как его выпаять из донора без фена?



Так уже получилось что вспышка у меня выведена на "гибкой ленте" (всего две дорожки, + и - ). Думаю - что капну припоя и все будет держаться. Халп
Аноним 15/04/17 Суб 12:03:49  280322
>>280320
Запас для питания внешних (USB) устройств, унификация модельного ряда, упрощение логистики, сброс неликвидов...
Причин может быть много.
Аноним 15/04/17 Суб 12:09:03  280323
>>280322
То есть я уже соснул? Я обычно подключаю монитор к ноутбуку... И телефон заряжаю. Пиздец, я так и знал.
Аноним 15/04/17 Суб 12:14:06  280324
Привет, радиоанон.
Подскажи годных и простых схем для сервоприводов на базе NE555 ? Желательно - управление поненциометром? На ютубе есть кое-какие уроки, но муть. Или хотя бы ткни меня, где искать? В гугол я уже много раз ходил.
Аноним 15/04/17 Суб 12:44:37  280326
>>280160
Нет, конечно. Литиевый аккум требует четкого контроля тока и напряжения при заряде, чтоб заряжать - нужен внешний контроллер заряда, коим и является TP4056. Там на плате стоит резистор на 1.2к (для 1А), который я меняю на 3.3к или 3.6к для 300 мА
>>280170
Бери любую, они отличаются формой и разъемами. Ну и есть с микросхемой защиты, для использования с голой банкой (в телефонных аккумах она встроена).
Аноним 15/04/17 Суб 12:45:49  280327
>>280254
Электролиты меняй все скопом на новые. Это 90% проблем старой аппаратуры.
Аноним 15/04/17 Суб 12:46:52  280328
>>280301
Помехи.
Аноним 15/04/17 Суб 13:46:25  280333
Анон, нужен стабилизатор на 70 В, который може выдавать ток 600 мА. Подскажи из чего сделать.
Аноним 15/04/17 Суб 16:37:13  280351
Радач, посоветуй 3,5мм штекеры для наушников с поддержкой микрофона. Наушники обычные, с одной землей для левого и правого каналов
Аноним 15/04/17 Суб 16:39:55  280352
>>280351
И да, чтоб занидорага, а то я полуркал на али и нашел только по двести рублей за десять штук
Аноним 15/04/17 Суб 18:11:37  280356
.jpg (101Кб, 1000x1000)
Ребзя, объясните простым языком, что такое усилитель (в контексте аудиосистем).

Что хочется понять:
- Зачем они нужны, что они усиляют? мощность
- Почему когда я втыкаю в ноут наушники или настольные колонки мне не нужны ни какие усилители?
- Что мне нужно сделать чтобы подключить к ноуту динамик с торчащими красным и черным проводом, на котором написано 25w 4ohm? Очевидно нужен усилитель, но хочется понять в чем суть и как подобрать оптимальное устройство.
Аноним 15/04/17 Суб 18:29:12  280359
>>280356
>Зачем они нужны, что они усиляют?
Ничего они не усиляют, это слово такое, для упрощения.
Усилитель берет сигнал от источника питания (из розетки, от батареек, например) и модулирует его в соответствии с входным сигналом. То есть копирует форму входного сигнала "накладывая" её на электричество, которое в ём циркулирует. Делает он это с помощью, грубо говоря, увеличения и уменьшения своего сопротивления (электричеству из розетки) в соответствии с входным сигналом. Проще всего это на лампе продемонстрировать - напряжение входного сигнала прикладывается к сетке, и в зависимости от того растет или снижается это напряжение- тока лампа пропускает больше или меньше.

>Почему когда я втыкаю в ноут наушники или настольные колонки мне не нужны ни какие усилители?
Потому что в них уже есть усилители.

>Что мне нужно сделать чтобы подключить к ноуту динамик с торчащими красным и черным проводом
Впаять эти провода в коннектор 3.5мм.

>как подобрать оптимальное устройство
Сначала разберемся что такое "оптимальное". В аудиофилию тебе еще рано, поэтому посмотрим на вопрос электротехнически. Тогда оптимально будет означать "работающее в номинальном режиме, и обеспечивающее заданные характеристики".
Этими характеристиками минимально можно считать
- уровень входного сигнала
- входное сопротивление
- уровень выходного сигнала
- выходное сопротивление

Входное и выходное сопротивления - это те сопротивления, при которых усилитель работает нормально, как задумывал его автор - не ломается и не сыпет искажениями, в частности. Входное - это сопротивление, которое создает источнику сигнала сам усилитель (он же для него является нагрузкой, как наушники являются нагрузкой для уже твоего усилителя) - так что это вопрос согласования с источником (у источника сигнала это же самое сопротивление будет называться уже выходным - понятно почему). Если входное сопротивление твоего усилителя будет больше чем надо, ничего плохого не произойдет, источнику сигнала будет даже комфортней - только вот мощности он выдаст меньше. Если меньше - то может и произойти, потому что мощности он выдаст больше чем то на что его рассчитывали.
Аноним 15/04/17 Суб 18:52:29  280371
>>280359
Спасибо, первую часть примерно уложил в голову.
А дальше не особо понял.
Можешь объяснить, что происходит на пути

|notebook| --> |amplifier| --> |speaker|

и как это связано с формулой?
P = V I = I^2 R = V^2 / R.
Аноним 15/04/17 Суб 19:26:40  280382
>>280371
Ну вот каждый кто правее является нагрузкой для того кто левее. Этот кто левее выдает на него напряжение, и в том кто правее начинает протекать ток - ему тот кто правее сопротивляется. И вот очень желательно чтобы он сопротивлялся не сильно больше того на что рассчитан тот что левей него, и строго не меньше - потому что от "меньше" тому кто левее плохеет - а вместе с этим начинает плохеть и качеству сигнала и состоянию всего что может греться в том что левее.

Вся цепочка "усиления" сигнала это цепь так называемых каскадов усиления. На самом деле это независимые в определенном смысле контуры протекания тока, к каждому из них прикладывается напряжение предыдущим каскадом, а также питание - и он модулирует из питания сигнал, стараясь сделать его похожим по форме на входной сигнал (приложенный к его входу) - но по мощности побольше. Причем это "побольше" может быть разным - есть каскады, которые формируют напряжение побольше чем приложено к их входу, а есть такие что напряжение на выходе будет точно таким же как на входе но тока они на свой выход могут отдать больше. А есть например буферные каскады, которые сигнал на выходе формируют точно такой же как на входе, но для того кто левее их, например, меньше меняют свое сопротивление и поддерживают его побольше - и тому кто левее работать становится получше.
Как именно каскады делятся по устройствам, по логическим блокам, по цепям питания - это вопрос уже третий.

Полностью твоя схема на самом деле примерно такова
|ЦАП| --> |преобразователь ток-напряжение (внутри микросхемы ЦАП)| --> |выходной каскад ЦАП| --> |буферный каскад после ЦАП| |входной каскад усилителя| -> |каскад усиления напряжения усилителя| --> |еще несколько каскадов усилителя| -->|каскад усиления тока усилителя| --> |speaker|
Аноним 15/04/17 Суб 19:32:38  280384
>>280382
> каскад усиления тока усилителя
А можно сказать проще, что это и есть та штуковина, которая задаёт выходное сопротивление усилителя (или иными словами согласует его с динамиками), поскольку в предыдущих каскадах оно обычно слишком большое, а усилитель тока его уменьшает.
Аноним 15/04/17 Суб 19:47:02  280386
4.jpg (37Кб, 480x480)
>>280382
Спасибо, анон, так намного яснее.

А что с мощностью на выходе? То есть вот я смотрю самый дешевый усилитель в мвидео, там написано:
Мощность
>Каналов усиления 2 каналов
>Номинальная мощность (4 Ом) 60 Вт/канал
Мощность при мостовом соединении
>Мощность при мостовом соединии (4 Ом) 200 Вт
Усилитель
>Частотный диапазон 15 Гц - 20 кГц
>Соотношение сигнал/шум 90 дБ
>Сопротивление нагрузки 4 Ом

Вот у меня динамик как раз 4Ом - то есть не меньше сопротивления усилителя слева. А мощность на нем написана 25w кстати, это как понять. А у усилителя мощность типа 60вт. И что будет, усилитель не подойдет, динамик испортится?
Аноним 15/04/17 Суб 19:58:29  280388
>>280386
Смотря что ты туда будешь пускать.

Музыкальный сигнал или тестовый синус постоянной амплитуды.

Я так понел ты соседей хочешь шатать или сделать табуретку-сабвуфер.
Аноним 15/04/17 Суб 20:02:58  280391
>>280388
Ну, первое хочу, да
А в чем подвох? Почему есть разница, что пускать?
Не знаю, но хотелось бы чтобы ничего не вышло из строя в случае чего.
Аноним 15/04/17 Суб 20:12:33  280393
>>280391
Тестовый с непрерывной амплитудой требует более пиздатых приборов, у музыки есть определённый пиковый коэффициент.

То есть усиливать какой-нибудь бытовой хуитой 20кГц синус на максимальной мощности в течении суток может оказаться хуёвой идеей. А музяку крутить - вполне.

По поводу согласования динамика с автоусилителем этим - до упора не выкручивай да и всё, если хочешь какую-то определённую границу - посчитай её.

Ящитаю для такой штуковины проще будет собрать какой-нибудь лапотный усилитель ровно требуемой мощности на микрухе чем покупать готовую ёбу с риском спалить нагрузку.
Аноним 15/04/17 Суб 20:14:10  280394
>>280393
Какие-то взаимоисключающие параграфы лезут.
Аноним 15/04/17 Суб 20:18:21  280395
>>280384
Это тебе так понять проще, а обычному человеку, не разбирающемуся в электронике, термины типа "входное сопротивление" обычно непонятны вообще.

>>280386
>А что с мощностью на выходе?
Это максимальная мощность, обычно у усилителя - в смысле готового устройства - коэффициент усиления (gain) фиксированный, то есть любой сигнал который ты подашь ему на вход, он усилит в N раз (но более своей максимальной выходной мощности на выход он не выдаст всё равно, даже если ты подашь ему на вход ооочень большой сигнал - либо просто сломается, либо будет обрезать сигналу верх и низ, либо разными другими образами будет пороть фигню).
Номинальный размер входного сигнала (в Вольтах) у усилителей обычно указывается в ТТХ. Это сигнал при котором он выдаст свою максимальную мощность. Если подать ему на вход меньше - то и выдаст меньше.
То есть ты всегда можешь это регулировать, даже если в самом усилителе регулятора громкости нет - в ноутбуке значит покрутишь.

>Мощность при мостовом соединении
Мостовое - это когда объединяют несколько усилителей вместе для увеличения их общей мощности. Тебе это не нужно вроде.

>Частотный диапазон 15 Гц - 20 кГц
>Соотношение сигнал/шум 90 дБ
Это можно не читать, к качеству звука эти замеры никакого отношения не имеют, особенно указанные в таком виде.

>Сопротивление нагрузки 4 Ом
Вот это важно. Усилитель рассчитан на номинальное сопротивление нагрузки (неважно что это будет - динамик, наушники, или другой усилитель) в 4 Ома. Если к нему подключить нагрузку меньшего сопротивления - ему станет нехорошо. Если больше - ему станет слишком хорошо, и мощности он выдаст меньше.
Это и есть выходное сопротивление этого усилителя - 4 Ома.

>Вот у меня динамик как раз 4Ом - то есть не меньше сопротивления усилителя слева
Верно, сопротивление нагрузки точно соответствует выходному сопротивлению усилителя.

>А мощность на нем написана 25w кстати, это как понять
Это значит что он не должен испортиться если на него подать 25 Ватт электричества.
Тут, кстати, есть важный момент - обычно путают максимальную мощность динамика с громкостью, которую тот выдает. Это неверно, за громкость отвечает такой параметр динамика как чувствительность.
>Согласно ГОСТ 16122-78 характеристическая чувствительность АС – отношение среднего звукового давления, развиваемого АС в заданном диапазоне частот, приведенное к расстоянию 1 м и подводимой электрической мощности 1 Вт. Конечно, если мы имеем динамик с более высокой чувствительностью, то подводя 1 Вт мы получим большее звуковое давление, чем от динамика с низкой чувствительностью

>А у усилителя мощность типа 60вт. И что будет, усилитель не подойдет, динамик испортится?
Если ты подашь на усилитель его номинальную (а не меньше, регулируя это в ноутбуке) входную мощность, он ее честно усилит и на динамик пойдет 60 Ватт, и тот может испортиться, верно.
Но можно на вход усилителя подавать сигнал поменьше, чтобы на выходе было не более 25 Ватт.
С другой стороны, случайно можно и выкрутить когда-нибудь на полную - так что риск есть.
Можно просто поставить между выходом с ноутбука и входом усилителя резистор соответствующего сопротивления - и риск этот убрать.

Аноним 15/04/17 Суб 20:19:19  280396
>>280310
Так на хуя ты на эти пики ссылаешься? Ебанулся что ли?
Аноним 15/04/17 Суб 20:19:36  280397
>>280333

бамп
Аноним 15/04/17 Суб 20:22:18  280399
>>280393
Не-не-не, только не спалить. Да и как я на глаз рассчитаю насколько выкручивать.
То есть я так понял в идеале мне нужно чтобы цифры 4-25 совпали или были меньше?
Аноним 15/04/17 Суб 20:23:31  280400
>>280393
Это смотря какую музыку.
Какие-нибудь мегабасы, да еще хорошенько ужатые продюсером (гугли loudness wars) - может и сильно мощнее в среднем получиться чем синусоида.
Если ламповые скрипочки с бубенцами - то конечно всё так.
Аноним 15/04/17 Суб 20:24:35  280401
>>280399
Для того чтоб сохранить динамик - да, мощность усилителя должна быть меньше чем паспортная мощность динамика.
Аноним 15/04/17 Суб 20:26:02  280402
>>280399
Тебе нужно чтобы эти 25 ватт усилитель мог выдавать на нагрузку в 4 ома. Если хочешь полностью использовать мощу. Меньше - можно, больше - на твой риск.
Аноним 15/04/17 Суб 20:26:38  280403
>>280333
> стабилизатор на 70 В, который може выдавать ток 600 мА
А на вход сколько вольт?
Аноним 15/04/17 Суб 20:29:27  280404
>>280400
Про лауднесс вар знаю, разница от воспроизведения синуса на пределе против прессованых басов укладывается в какие-нибудь черезчур изъёбские случаи обосрамса на сложном сигнале.

Я же имел в виду тупо недовес питания и радиаторов на выходниках и все подобные случаи, когда разработчик знал о том что прибор для музяки и не удифильский и намеренно усугубил в целях экономии.
Аноним 15/04/17 Суб 20:31:20  280405
>>280395
Большое спасибо, анон, все встало на свои места.

Похоже, что не найду я усилителя под динамик. Вот этот резистор который можно поставить перед усилителем это что-то самодельное?
Аноним 15/04/17 Суб 20:35:20  280407
practice002-lds[...].jpg (59Кб, 610x471)
>>280405
Аноним 15/04/17 Суб 20:36:23  280408
>>280405
Гугли делитель напряжения. Хуль не найдёшь? Формулы же знаешь - можешь посчитать делитель для твоего автоусилителя из эльдорадо.

Или какой-нибудь радевоконструктор усилителя купи.
Аноним 15/04/17 Суб 20:40:00  280410
>>280407
Или вот тот же самый переменный резистор, но в коробочке и с разъемами http://www.smproaudio.com/index.php/en/products/monitor-controllers/nano-patch-plus
Только цена.
Аноним 15/04/17 Суб 20:41:16  280411
>>280408
А делитель действительно лучше будет чем просто резистор в цепи сигнала?
Аноним 15/04/17 Суб 20:45:35  280413
>>276268 (OP)
Нарыл серебряной проволоки. Где она может пригодится?

Например из медной проволоки плющил и напаивал контакты там, где другой металл обгорал и приходилось разбирать и чистить. Теперь норм.
Аноним 15/04/17 Суб 20:48:10  280415
>>280413
Цифровые аудио-кабели делать.
Или кабели к фонокорректору - ну и внутри тонарма тоже, везде где очень маленький сигнал.

А где нарыл? Нам всем тоже хочется.
Аноним 15/04/17 Суб 20:49:10  280416
>>280411
Делитель ты посчитаешь один раз для конкретной нагрузки и конкретного усилителя, подключишь и забудешь о нём.

Регулятор можно крутить. Это тоже самое что делитель, просто подключен иначе и можно крутить-шатать.
Аноним 15/04/17 Суб 20:58:29  280418
>>280416
Не, падажжжи.
Смысл делителя же в чем - чтоб не появлялось дополнительного сопротивления в пути сигнала на усилитель.
То есть, грубо говоря, ток делится на две части - одна продолжает идти на усилитель как шла и до этого, а другая часть "отщипывается" по пути и возвращается в источник через резистор. В самом простом случае это резистор параллельно с нагрузкой и такого же сопротивления что и входное усилителя - тогда до усилителя дойдет вдвое меньше и до динамика соответственно тоже.
Аноним 15/04/17 Суб 21:10:10  280421
>>280415
Под диваном, лол. Ещё в школьные годы какую-то старую технику разбирали. Тогда всё думал продать или кольцо сделать. Теперь вот с медной поупражнялся, облегчил себе жизнь, и вспомнил про то серебро.
Аноним 15/04/17 Суб 21:33:10  280422
>>280418
Перед усилителем такой делитель смысла нет. Есть смысл между усилителем и динамиком. На динамике напряжение не изменится, а тока пойдет вдвое меньше, и не спалит его. Динамики горят от тока, катушка перегревается и перегорает.
Аноним 16/04/17 Вск 00:41:41  280438
1275847700897.jpg (49Кб, 214x262)
>>280397
>пост без картинки
>бамп
Аноним 16/04/17 Вск 05:55:33  280447
>>280333
Из транзистора, резистора и нескольких стабилитронов.
Аноним 16/04/17 Вск 08:46:37  280451
>>279859
Потише, братишка, в этой ситуации.
Я поделился тем чем работаю, читаю ответы и понимаю, что этому анону такие стрипперы не подойдут.
Jokari - хорошо, но они же пластиковые, хлипкие и они немного под другие задачи.
Аноним 16/04/17 Вск 12:42:08  280504
cob.jpg (87Кб, 1280x960)
Помогите ньюфагу. Не могу припаять ебаные провода к L и N. Зачищал, с канифолью - 0 реакции. Капельки на L и N должны расплавиться, ведь так? Я уже минут 5 грел их, но ничего не выходит.

Паяльник китайский из фикспрайса, 40w. Дело в нем?
Аноним 16/04/17 Вск 12:51:00  280505
>>280403
>А на вход сколько вольт?

Либо 220 В переменка, либо 12 В постоянка. Желателен второй вариант, при котором придется делать step-up преобразователь, но на какой микросхеме его делать я не знаю. Всякие 33063 здесь нет годятся.
Аноним 16/04/17 Вск 12:58:19  280507
Поясните ньюфагу как работают изменялки голоса.
Например на входе есть 500гц синусоида, а на выходе 200гц, но при этом её скорость как-то не изменяется.
Ведь так?
Голос становится ниже, но он не звучит дольше.
На какой магии и как это работает?
Аноним 16/04/17 Вск 13:11:36  280508
>>280504
Жало паяльника залужено?
Видно, что припой на контактах есть.
Тебе нужен паяльник на 60-100Вт с широким жалом и припой с флюсом/канифолью внутри.
Температуру поставь 350 градусов.
Говнопаяльниками из фикспрайса пользоваться не нужно. Даже любой старый советский паяльник без регулятора температуры работает лучше.

Аноним 16/04/17 Вск 13:18:27  280509
IMG1960.JPG (355Кб, 750x750)
>>276268 (OP)
Это же резистор? Какой номинал?
Аноним 16/04/17 Вск 13:22:47  280510
>>280509
На катухе этикетке нету чтоли?
Аноним 16/04/17 Вск 13:27:25  280511
>>280510
>>280510
У меня такой выгорел это в интернете нашёл.
http://www.yoycart.com/Product/540452633742/
Что-то всякие онлайн калькуляторы по маркировке хрень какую-то выдают.
Аноним 16/04/17 Вск 13:31:09  280512
>>280505
>Всякие 33063 здесь нет годятся.
Почему ты так считаешь? Не подходят по напряжению или току? Так к ним можно более высоковольтный транзистор приделать.

>>280507
https://ru.wikipedia.org/wiki/Тригонометрические_тождества
>Формулы преобразования произведения функций
Аноним 16/04/17 Вск 13:45:34  280513
>>280511
Сразу почему ссылку не прикрепил?
Там же всё написано:
0.0035R - 0.0035 Ом
3R5M - 3.5 мОм
3.5MR - 3.5 мОм
2512 - тип корпуса
1% - допуск сопротивления
Аноним 16/04/17 Вск 13:46:40  280514
>>280504
Положи эту хуергу на утюг или конфорку, и паяй с подогревом (градусов до 100-200)
Иначе тепла от твоего паяльничка просто не хватит прогреть алюминий.
Аноним 16/04/17 Вск 13:48:06  280515
>>280509
3,5 Ома на фото.
Аноним 16/04/17 Вск 13:49:42  280516
>>280515
НЕТ!
Аноним 16/04/17 Вск 13:55:58  280517
>>280513
Спасибо.
Аноним 16/04/17 Вск 14:44:48  280524
https://www.youtube.com/watch?v=JhOzsFfG1rc
Где можно взять такой сердечник?
Аноним 16/04/17 Вск 15:12:38  280527
>>280524
В НИИ пиздануть
Аноним 16/04/17 Вск 15:33:18  280530
>>280524
Сделать.
Аноним 16/04/17 Вск 15:34:54  280531
>>280511
>>280513
>>280517
Как, блядь, мог выгореть резистор на 3.5МОм?
Аноним 16/04/17 Вск 15:42:36  280532
>>280531
3.5МОм это 3 500 000 Ом
У ОПа резистор на 3.5 мОм = 0.0035 Ом.
Ебани туда сотни ампер и сгорит как нехуй делать.
Аноним 16/04/17 Вск 15:44:42  280533
>>280524
Читаю заголовок. Photonicinduction? Открываю видео. Yep. Кто ж ещё.

>Где можно взять такой сердечник?
>«Don't try this yourself» для кого написано? Старый сварочник разобрать, по объявлению купить, выменять у дяди Васи.
Аноним 16/04/17 Вск 16:28:42  280536
>>280527
>>280530
>>280533
Ахуительные ответы. Поищу сам на металоприемках, советчики хуевы.
>«Don't try this yourself» для кого написано?
А ты точно осознаешь где ты находишься? Или мне надо было создать новый тред для этого вопрос чтобы меня не посчитали нюфаком?
Аноним 16/04/17 Вск 17:28:09  280550
Купил китайскую ардуину, запрограммировал мигать светодиодом, при подключении к компу все ок мигает, при включении в телефонную зарядку просто горит светодиод питания и все, почему не работает программа?
Аноним 16/04/17 Вск 17:38:53  280553
>>280550
а все разобрался надо кнопку ресет нажать, только почему от компа сразу работает?
Аноним 16/04/17 Вск 18:36:12  280560
>>280504
Паяльник хуйня
Теплоотдачи нехватает
Аноним 16/04/17 Вск 18:37:14  280561
>>280516
Съеби.
Аноним 16/04/17 Вск 18:37:38  280562
>>280509
3.5 Om
Аноним 16/04/17 Вск 18:59:07  280564
>>280561
>>280562
На катушке написано - 3.5 мОм, долбоёбы.
Аноним 16/04/17 Вск 19:44:09  280570
ХРИСТОС ВОСКРЕСЕ !вообще-то
Аноним 16/04/17 Вск 20:37:44  280576
>>280570
Нахуй иди. Мы тут в науку веруем.
Аноним 16/04/17 Вск 22:32:20  280591
LP12-8.5w.jpg (17Кб, 318x227)
Если при параллельном соединении герметичных свинцовых АКБ один из них малость греется в отличии от остальных то ему пизда или нет?
Аноним 16/04/17 Вск 22:42:58  280592
>>280531
Гироскутер погруженный в воду помогает выгореть чему угодно.

У меня ещё вопрос. Эти резисторы распространены и можно ли их найти в мухосрансках?
Аноним 16/04/17 Вск 23:04:52  280594
>>280592
Узнай непосредственно в мухосранске.
Аноним 17/04/17 Пнд 01:44:21  280599
>>280591
Нет, это значит что ему уравнивающие токи.
Понаставь диодов и избавься от них.
Аноним 17/04/17 Пнд 02:19:12  280601
>>280576
Подыхай от рака жопы и веруй в науку питух
Аноним 17/04/17 Пнд 07:12:28  280608
Я ничего не понимаю. Резистор должен же ток уменьшать, то есть часть его уходит на рассеивания тепла, здесь все понятно. А каким образом напряжение-то падает после сопротивления, если U=IR
Аноним 17/04/17 Пнд 07:17:32  280609
>>280608
Это зависит от того как подключать резистор. Если параллельно с нагрузкой, то на резистор нагревает ток, а напряжение, что на нём, что на нагрузку одинаковое. Если соединить последовательно, то резистор будет греть падающее напряжение, а ток будет одинаковый

https://ru.wikipedia.org/wiki/Правила_Кирхгофа
Аноним 17/04/17 Пнд 07:49:39  280610
>>280609
То есть напряжение падает при последовательном соединении? Тогда почему? Напряжение же действует между потенциалами источника, как оно уменьшается от сопротивления если это как бы "давление" на ток все равно слабо понял плохо помню физику
Аноним 17/04/17 Пнд 08:14:06  280611
Sup /r/aдач, как на один из выводов логической микросхемы (2И-НЕ) подать логичеческую единицу, а на другой логический ноль, чтобы на выходе микрухи был переменный сигнал?
Аноним 17/04/17 Пнд 08:25:59  280612
>>280564
Таки да. 3R5m - это 3.5 (m)milliOhm.
Аноним 17/04/17 Пнд 08:30:06  280613
>>280611
Никак.
Аноним 17/04/17 Пнд 08:30:19  280614
>>280611
NEEQAQUE
Если сигналы на входах постоянны, выход тоже будет постоянен.
Аноним 17/04/17 Пнд 08:37:00  280615
>>280614
А если с генератора давать переменку?
Аноним 17/04/17 Пнд 11:24:54  280628
universalnaya-z[...].jpg (29Кб, 300x179)
Анон, я тут снова со своим ебаным светодиодным фонариком и Li-батареей.
Вопрос - батарея в фонарике точно не бомбанет? Просто припаял ее вместо батарейного отсека. Были 3 батарейки ААА.
Для зарядки еще припаял разъем 3,5 аудио, потому что это то что уже есть под рукой и не надо покупать.
Заряжать я ее буду пикрелейтедом, прицепившись проводом от наушников с крокодилами. Сечение жил там достаточное?
Аноним 17/04/17 Пнд 12:57:28  280635
>>280628
хосспаде ну купи фонарь нормальный
Аноним 17/04/17 Пнд 13:49:03  280644
Сап, радач. Помоги с выбором светильников. Есть два помещения, там говно стоит типа сушилок газовых. Одно размером 882.6, второе 217,56 (все в метрах). Нужно выбрать кол-во светильников для каждого помещения.
Аноним 17/04/17 Пнд 13:50:01  280645
>>280644
макаба съела размеры:
8х8х2.6
21х7.5х6
Аноним 17/04/17 Пнд 13:53:11  280646
>>280635
Животное, пройдите пожалуйста в /b/.
Аноним 17/04/17 Пнд 13:55:42  280647
>>280646
Животное, сьебите в /b
Он тащемта все правильно написал
Аноним 17/04/17 Пнд 14:10:25  280648
>>280628
> Сечение жил там достаточное?
Ой хер его знает...
Аноним 17/04/17 Пнд 14:25:21  280649
>>280646
но ведь создание, пытающееся сделать из фонарика за 100р и сраного аккума от мобильника нормальный свет, и есть животное. Оно даже закон Ома понять не может.
Аноним 17/04/17 Пнд 15:22:55  280664
>>280649
Ты дебил ебаный? При чем тут закон Ома?
Аноним 17/04/17 Пнд 15:43:03  280665
>>280664
что на завтра задали?
Аноним 17/04/17 Пнд 15:47:56  280666
>>280665
Твою мамку выебать.
>>280648
>Ой хер его знает...
Да вот же, потому и спрашиваю - может кто заряжал так уже.
Разборного разъема у меня нет, можно было бы припаять пару от UTP которая точно держит.
Аноним 17/04/17 Пнд 16:38:17  280670
139966173816584[...].jpeg (19Кб, 320x240)
Если на первичку импульсного транса подать постоянку без шима ему пизда?
Аноним 17/04/17 Пнд 16:56:02  280671
>>280670
>picabu
выпиливайся
с пруфами
Аноним 17/04/17 Пнд 17:05:03  280675
>>280628
Не бомбанет, делай.
Аноним 17/04/17 Пнд 17:30:38  280680
>>280670
Я, кстати, удавиваю вопрос.
Там медь, которая коротит 220 в розетке. Почему от такого короткого замыкания не сгорает трансформатор?
Ведь если я просто кусок медной проволоки вставлю в розетку, ебанёт же.
Аноним 17/04/17 Пнд 19:09:59  280688
>>280599
А заряжать тогда как, если я диоды поставлю? Он же не будет принимать зарядный ток.
Аноним 17/04/17 Пнд 19:12:05  280689
>>280670
Да
>>280680
https://ru.wikipedia.org/wiki/Реактивное_сопротивление
Аноним 17/04/17 Пнд 20:06:03  280697
>>280688
Диоды ставь так, что он только принимал и не отдавал
>>280671
Анус себе выпили
>>280689
> Да
Значит ли это что если он до сих пор не пизданул, то шимка работает? Ослика нету, хуй знает как проверить.
Аноним 17/04/17 Пнд 20:23:09  280702
>>280697
Какого еще ослика, пикабушный выблядок?
Аноним 17/04/17 Пнд 20:44:49  280705
Безымянный.jpg (16Кб, 510x253)
Помогите неосилятору. Нихуа не понимаю.
Поясните на словах, пожалуйста, не отправляйте читать букварь и рисовать схемы в симуляторах.
Аноним 17/04/17 Пнд 20:48:17  280706
lc.gif (4Кб, 460x167)
Ананасы, пилю lc генератор на логике как на пике. Есть несколько вопросов:
1) Достаточно будет только подать напряжение питания на микруху или еще на вход надо будет уровень давать.
2) Что делать с оставшимися входами выходами?
Аноним 17/04/17 Пнд 21:21:01  280708
>>280706
1) Достаточно.
2) Входы - на землю, выходы не трогать. Не использованные элементы можешь использовать в качестве буфера.
Выходы ТТЛ/КМОП, кроме тех что с открытым коллектором/стоком, нельзя подключать к другим выходам и земле/питанию (любым источникам напряжения).
Для КМОП входы желательно подсоединить к земле. В некоторых микросхемах входы могут быть подтянуты резисторами к земле или питанию, в таком случае входы можно оставить в воздухе.
Не подключенные входы ТТЛ соответствуют лог. 1 и их можно оставлять не подключенными.
Аноним 17/04/17 Пнд 21:23:16  280709
>>280708
Премного благодарен
Аноним 17/04/17 Пнд 22:00:39  280712
Поясните непонимающему.
Почему на всяких подсветках и автомобильных фарах принято делать ШИМ 50-100 гц?
Я не знаю как вы, но я его вижу. Это сильно бесит. А на машинах это вообще по моему опасно. Дорога освещается 50-100 раз в секунду, в промежутках водитель ничего не видит.
Почему не делают ШИМ в 1000+ гц?
Светодиодам от этого хуже будет?
Аноним 17/04/17 Пнд 22:30:38  280717
>>280702
Лолблять иди нахуй диодами мигай.
Аноним 17/04/17 Пнд 22:34:48  280718
>>280712
Это где такое написано про принято? Если там прям написано про герцовку, то наверняка за это должны и пояснять.
Аноним 17/04/17 Пнд 22:40:48  280719
>>280717
Намигал тебе за щеку.
Аноним 17/04/17 Пнд 22:57:48  280722
>>280718
Ну вот если я хочу взять светодиодную ленту и контролировать её яркость, я могу сделать ШИМ на 1000+ герц? Ничего не сломается?
Аноним 17/04/17 Пнд 23:06:43  280723
>>280712
сомнительно про 50-100 Гц. С другой стороны, чем меньше частота, тем меньше ключ греется
Аноним 18/04/17 Втр 00:55:58  280729
>>280722
Все что ниже 20кГц будет доебывающе пищать. Все преобразователи делают на 30 и больше кГц, ну кроме тех что для EL провода, там 1кГц и никуда не денешься, терпи этот пидорский писк
Аноним 18/04/17 Втр 00:58:11  280730
>>280722
Да вроде как в нормальных импульсниках юзают частоты от 20КГц, так что думаю ничего плохого не будет, но как писал антон выше, будет бОльшая нагрузка на ключевой транзистор, но это уже по даташиту нужно подбирать подходящий. По хорошему лучше делать на полевике в линейном режиме, тогда пульсациий вообще хуй заметишь
Аноним 18/04/17 Втр 01:08:00  280731
>>280730
Только КПД будет никакой и полевик гореть будет, а так норм, да
Аноним 18/04/17 Втр 02:06:07  280736
DSC002321.JPG (108Кб, 1120x840)
Подскажите супер бюджетный(100р) контроллер для организации динамической однозонной белой подсветки монитора.
Аноним 18/04/17 Втр 03:12:53  280738
>>280706
только питание. оставшиеся хз, попробуй ничего
Аноним 18/04/17 Втр 03:24:10  280739
>>280736 Что еще за контроллер? Китайский диммер можно купить за полбакса. Рабочих же эмуляторов phillips hue я не встречал. Хочешь управлять подсветкой от brilliance или f.lux то изволь купить как минимум hue bridge с единственным в своем роде совместимым с ним диммером https://www.amazon.com/Wireless-electronic-ballast-interface-certified/dp/B00NMSQ4QQ
Аноним 18/04/17 Втр 03:51:45  280741
>>280722 Лента эта нихуевая такая антенна. Получишь кучу помех на аудио оборудование. Так что или делай шим 100-300гц или 30-100кгц с LC фильтром. Фильтровать 1кгц занятие безблагодатное, номиналы и паразитные параметры LC слишком велики. Кпд/цена/габариты - все будет хуево.
Аноним 18/04/17 Втр 04:53:53  280746
>>280697
>Диоды ставь так, что он только принимал и не отдавал
>
Нарисуй, как.

P.S. Дебил, блять. Школосоветчик.
Аноним 18/04/17 Втр 04:55:32  280747
>>280705
Что тебе непонятно? Что диод не дает сигналу уйти в минус больше чем на напряжение открытия диода?
Аноним 18/04/17 Втр 04:57:57  280748
>>280712
Ну таки не в фарах, а в фонарях. Да, это уёбищно, заметно, отвлекающе и думаю, что это запретят рано или поздно.
В фарах я видел ШИМ только у велосипедистов, но их никто не любит и не жалко.
Аноним 18/04/17 Втр 05:00:20  280749
>>280718
"Герцовка", "ослик" - ты из какой клоаки вылез? Хочу знать какие дебилы и где на таком языке разговаривают.
Аноним 18/04/17 Втр 05:06:40  280750
>>280722
На самом деле подняв частоту ШИМ и добавив после ключа всего по 3 детальки - диод, дроссель и конденсатор - ты получишь топологию BUCK без обратной связи и полное отсутствие мигания.
Собственно экономия этих 3 копеек и приводит к тому, что светодиоды везде мерцают. "Типа не видно". Поднятие частоты до 1000+ Гц просто приведет к миганию на 1000+ Гц, это тоже заметно при движении глаз.
Аноним 18/04/17 Втр 07:29:50  280768
>>280731
Ой бля, для метра ленты хватит и какого нибудь irf640 c запасом.
Аноним 18/04/17 Втр 08:06:38  280780
>>280739
я про:
http://www.lightpack.tv/promo/lightpack1.php#
ambibox.ru
и аналоги: Paintpack HD, Paintpack HID, Paintpack DMX, Adalight, Atmolight, Atmoduino, AtmoDMX, amBX, Amblone, SEDU board, Cat's Eye 4, LiveLight, AmbiLED

Там для RGB светодиодов и много зон. А мне одну белую зону подключить чтобы в фильмах и играх затемнялась автоматически в темных сценах.
Аноним 18/04/17 Втр 11:17:12  280811
>>280747
Почему в максимуме на выходе напряжение выше, чем на входе?
Аноним 18/04/17 Втр 12:52:54  280816
>>280811
Размах одинаковый, поскольку это переменная составляющая и конденсатор ее пропускает. А постоянная на выходе сдвинута, поскольку при отрицательной волне имеет опору на диод.
Если на входе сигнал идет от +10В до -10В, то на выходе - от +19.4 до -0.6В.
Аноним 18/04/17 Втр 15:19:17  280822
Поясните как работают стабилизаторы в блоках питания?
Вот есть 220 в розетке, есть трансформатор, есть 5 вольт на выходе блока питания.
Но 220 скачут, на выходе трансформатора может быть 5.5, а может быть 4.5
Как это стабилизировать до 5?
Ведь в одном случае надо повышать, в другом понижать.
На али есть понижающие модули, есть повышающие. В блоках питания стоят сразу оба?
Аноним 18/04/17 Втр 15:28:08  280823
>>280822
В современных импульсных блоках питания это может решаться двумя способами:
1) Активный PFC (в относительно мощных питальниках). Он повышает напряжение из сети до строго заданного постоянного и заодно уменьшает нагрузку на сеть. Благодаря ему (если он изначально такое поддерживает) можно подключать блок питания как к 110, так и к 220 вольт не меняя ничего внутри. PFC всё поднимет до нужного вольтажа.
2) Обратная связь после понижения. В ИБП выходящее напряжение можно регулировать в некотором пределе, что практически не влияет на КПД. Обратная связь позволяет держать напряжение постоянным, сверяя его с эталоном и намекая микросхеме, которая управляет понижение, что есть перебор или недобор.
Аноним 18/04/17 Втр 16:06:04  280824
>>280822
В серийных ТРАНСФОРМАТОРНЫХ БП сначала с запасом делается после выпрямителя, скажем 8-9 Вольт, потом линейным стабилизатором понижается до 5. Линейный стабилизатор роняет на себе часть напряжения, рассеивая его в тепло.
В ИМПУЛЬСНЫХ (Switched) происходит сначала преобразования переменного тока в постоянный 310В (выпрямителем), потом ключевым транзистором-трансформатором-выпрямителем преобразование непосредственно в низкое напряжение, которое стабилизируется регулировкой ширины управляющих импульсов (ШИМ).
Аноним 18/04/17 Втр 17:13:28  280828
>>280824
Во, этот понятно оъяснил. Спасибо.
Аноним 18/04/17 Втр 17:37:28  280830
>>280824
Почему в импульсных бп такой маленький трансформатор? Можешь объяснить на пальцах?
Другой анон
Аноним 18/04/17 Втр 17:54:03  280834
>>280830
потому что рабочая частота выше.
Аноним 18/04/17 Втр 18:23:01  280837
kulonus-front.jpg (241Кб, 820x1400)
kulonus-back-new.jpg (155Кб, 682x1200)
Учитесь, бичи, бизнес делать.
Говно на тиньке за 4500 продавать надо.
https://www.artlebedev.ru/kulonus/1/
Аноним 18/04/17 Втр 18:30:05  280838
>>280837
Пиздос, корпус где? Он охуел.
Аноним 18/04/17 Втр 18:31:18  280839
.jpg (260Кб, 1000x1000)
.jpg (74Кб, 1000x691)
Анусы, подскажите, почему когда я замыкаю 1 и 5 пины звук не меняется? Если я правильно понял китайца, то должен включаться TPA6132.

https://www.aliexpress.com/item/BTA-RX-A-CSR-Bluetooth-4-0-4-2-Audio-Receiver-Module-aptx-CSRA64215/32751945488.html
Pin description
1) SPK_EN, control the external amplifier to enable, when the audio transmission output high (high level is 1.8V), usually low.
5) 1V8, module 1.8V output pin, mainly for the use of keys (only for the use of the module button, do not do other power supply).

И еще вопрос - прикрутил в машину, на заведенной немного шумит, что можно сделать? Запилить кондер 470мкФ, как на картинке, поможет?
Аноним 18/04/17 Втр 18:31:25  280840
>>280837
Трижды охуеть.
ЗАЧЕМ МНЕ КОРПУС - У МЕНЯ НЕТ ВРЕМЕНИ ЕБАТЬСЯ С НИМ
Аноним 18/04/17 Втр 18:32:13  280841
>>280837
Шоэта?
Аноним 18/04/17 Втр 19:23:15  280849
>>280841
Восьмибитный аудиовизуализатор «Кулонус-1»
Аноним 18/04/17 Втр 19:23:57  280850
>>280837
>>280838
>>280840
Хуле вы от Татьяныча хотите? Проходите мимо. Это ваши имена гроша ломаного не стоят. А у него и за 45000р купят, скажут спасибо, и еще попросят.
Аноним 18/04/17 Втр 19:26:10  280852
649669.jpg (42Кб, 600x407)
>>280850
Это норма.
Портить махарайку без корпуса коротышом тоже норма.
Напомню что татьяныч на радаче никто, хуже анонима.
Аноним 18/04/17 Втр 20:04:15  280856
>>280839
Прозвонил, почитал даташит - походу это вообще какой то режим работы блютуза, что то вроде включение динамика телефона.
Теперь вот не понял 2 вещи - почему земля с выхода усилителя на наушники соединена с землей на входе - вроде совсем не хорошо для звука, и почему на EN вход усилителя подается 3в, когда по даташиту logical high - 1.8в. Китайцы что ли напутали.
Ну и остается актуальным предыдущий вопрос - как избавиться от помех при работающем двигателе авто?
Аноним 18/04/17 Втр 20:23:55  280862
>>280837
Исполнение слабое очень.
Часть платы с тинькой и микрофоном портят всю картину.
Идеально - отсутствие граней и экран во весь корпус.

Чоорт! Пора сделать такой девайс!
Аноним 18/04/17 Втр 20:28:43  280865
>>280862
Плагин G-Force на дроид портируй, больше пользы будет.
Аноним 18/04/17 Втр 21:57:27  280872
.jpg (117Кб, 720x720)
Подскажите максимально маленькую плату БП - вход 100-240V / выход 5V.
Это для поделок я интересуюсь, например чтобы соединить с платой контроля заряда (лития).
На алиэкспресе выбор что-то не очень большой, и размеры не указаны.
Оптимальный размер платы, я думаю, как у вилки.
Такой, например, у фирменного БП от Амазон, пикрил.
Брал в офлайне какое-то говно для старых нокий, аналогичное по размеру, оно из коробки не работает.
Аноним 18/04/17 Втр 22:05:47  280873
>>280872
Их много и они сильно отличаются по устройству.
От примитивных схемок на одном транзисторе до полноценных блоков питания с на чипе с полным набором фильтров.
Если нужно качество в таких габаритах - это будет дорого.
Аноним 18/04/17 Втр 22:29:51  280877
>>280872
http://lygte-info.dk/review/Power%20Mains%20to%205V%200.6A%20Hi-Link%20HLK-PM01%20UK.html
Вот такие на али продают за 2-3$
Аноним 18/04/17 Втр 23:03:42  280883
>>280873
>>280877
Вроде годнота, спасибо за наводку.
Аноним 19/04/17 Срд 09:31:50  280942
>>280816
А, ну что-то немного проясняется. Спасибо, анон.
Аноним 19/04/17 Срд 10:35:34  280945
ttl-232r-5v-we.jpg (29Кб, 640x480)
/ra/ поясни в джвух словах ха паяльную пасту.
Это типа такой припой, обмазываешь контакты, греешь, оно хуяк и припаялось ?
Как по умному называется провод типа как на пике ?
Аноним 19/04/17 Срд 10:45:34  280950
>>280945
Паяльная паста - это измельченный в порошок припой + флюс + какая-нибудь хрен для стабильности, чтобы не паста не разделялась на компоненты со временем и медленнее старела. Поэтому да, наносишь на плату дозатором, расставляешь резисторы, в печку ИК хуяк (или феном аккуратно) и все припаялось.

Как по-умному я хз, но наверно как "usb pigtail".
Аноним 19/04/17 Срд 10:57:30  280954
>>280950
> или феном
А потом собираешь все свои ебаные резисторы по полу.
Аноним 19/04/17 Срд 10:58:24  280955
>>280954
Кто-то не умеет регулировать скорость потока воздуха?
Аноним 19/04/17 Срд 11:39:43  280964
Парни, а работу микроконтроллерщику реально найти? В университете была схемотехника и программирование микроконтроллеров по полгода, мне нравилась.

А то от веба тошнит уже пиздец.
Аноним 19/04/17 Срд 11:46:28  280967
Нахуя провода бывают посеребренные, а контакты позолоченные?
Аноним 19/04/17 Срд 11:47:29  280968
>>280964
В wrk есть тред асушников. Но там платят мало пиздец
Аноним 19/04/17 Срд 11:48:18  280969
>>280967
У золота сопротивление меньше. Серебро вроде не окисляется. Школьная программа жи
Аноним 19/04/17 Срд 12:00:49  280976
>>280969
Серебро окисляется.
Но гораздо лучше проводит.
На высоких частотах особенно заметно, когда большая часть заряда сосредоточена по поверхности проводника (скин-эффект).
По той же причине в совсем бюджетных случаях (типа например китайского сетевого кабеля Cat5) используют вместо меди омедненный алюминий или еще какое-нибудь говно.
Аноним 19/04/17 Срд 12:03:31  280977
>>280964
Хорошему реально, плохому нет - как обычно, для всех специальностей.
Выучи что-то нибудь полезное и близкое - расширишь горизонты. DSP, например, современные программировать, а также ПЛИС (Verilog и VHDL).
Аноним 19/04/17 Срд 12:05:03  280978
2000 постов
вы офигели тут совсем?
Аноним 19/04/17 Срд 12:28:09  280983
>>280978
Это 1961-ый.
Аноним 19/04/17 Срд 13:01:53  280988
>>280964
В дс вполне реально, и за неплохие деньги.
Аноним 19/04/17 Срд 14:02:33  280990
На сколько сложно сделать металлоискатель?
Аноним 19/04/17 Срд 14:04:50  280991
>>280990
если для поиска крышек люков, закатанных под асфальт - то совсем не сложно.
Аноним 19/04/17 Срд 15:36:01  281000
>>280950

>это измельченный в порошок припой + флюс + >какая-нибудь хрен для стабильности, чтобы не >паста не разделялась на компоненты со >временем и медленнее старела. Поэтому да, >наносишь на плату дозатором, расставляешь >резисторы, в печку ИК хуяк (или феном >аккуратно) и все припаялось.

Ок. А провода ей можно паять ? Типа обмазал скрутку, погрел и поимел профит. Мне провода типа усбшных сращивать просто, иногда хвосты на них припаивать, с припоем возиться чот совсем туго получается.
Аноним 19/04/17 Срд 15:51:39  281005
>>281000
>с припоем возиться чот совсем туго получается.
тогда и с пастой будет аналогичный результат.
Аноним 19/04/17 Срд 18:11:19  281014
2342344.jpg (59Кб, 500x500)
>>276268 (OP)
Сап /ra. Вы - моя последняя надежда. Вот задание, нужно как-то сделать до завтра. В физике не шарю от слова совсем. Можете расписать, как что получить? Знаю, что должно получится 3v, 1.5v, 0.75v, но хуй знает как считать. Спасибо
Аноним 19/04/17 Срд 18:49:48  281018
>>281014
> как считать
Методом контурных токов.
Аноним 19/04/17 Срд 19:26:42  281019
>>281014
Никак не считать, ты же студент.
Аноним 19/04/17 Срд 19:28:56  281020
1.png (99Кб, 1674x684)
>>281018
Для такой задачи это лишнее.

>>281014
>В физике не шарю от слова совсем.
Что уж проще числа в формулу подставить.
А методы контурных токов и узловых потенциалов даже не предполагают наличия фантазии для решения задачи - всего лишь тупо составить систему линейных уравнений по графу схемы и решить ее. Программу, делающую все это, напишет даже начинающий программист, а ты тут...
Аноним 19/04/17 Срд 20:06:16  281024
Анон, напомни, чем сейчас чоткие посаны мигают светодиодами, и где это занидорага купить
Аноним 19/04/17 Срд 20:11:11  281025
>>281024
Для самых бескомпромиссных мигаторов некоторое время назад силами авангарда науки были придуманы мигающие светодиоды.
Аноним 19/04/17 Срд 20:12:18  281026
>>281025
Ну вообще я планировал кроме мигания светодиодами выполнять еще некоторые задачи мигать двумя светодиодами без мультивибратора
Аноним 19/04/17 Срд 20:56:45  281033
>>281026
Для двух светодиодов надо что-то с оптической обртнй связью, мультивибратор оставим дидам.
Аноним 19/04/17 Срд 21:19:03  281036
>>281024
Конденсаторами мигай. Видел помню ролик на ютубе про безтранзисторную мигалку.
Аноним 19/04/17 Срд 22:16:00  281043
>>281036
неужто люди лет 50 назад были такими тупыми, что не могли придумать простую кондесаторную альтернативу громоздким мультивибраторам на транзисторах? И при этом запускали корабли в космос
Аноним 19/04/17 Срд 22:18:29  281044
>>281043
не тупые просто пидоры были. посмотри на старые учебники и поймешь
Аноним 19/04/17 Срд 22:42:27  281055
image.jpg (5374Кб, 3264x2448)
image.png (352Кб, 640x1136)
Есть один акб от шуруповерта, пик1, он ОТКАЗАЛ.
Планирую купить пик 2 и вьебать 3х18650. И емче, и легче.
Годно, взлетит, камни?

Алсо, как прикреплять пластинки к банкам? В заводском виде там что то вроде контактной сварки. А паять вроде нельзя. Купить холдер и захуярить в старом корпусе на термоклей все?
Аноним 19/04/17 Срд 22:46:28  281059
>>280990
На пердуине есть пример, неплохой кстати.
Аноним 19/04/17 Срд 22:53:13  281065
>>281055
купи банки с припаянными выводами или припаяй сам. Взял ебучее НЕПЕРЕГРЕТОЕ паяло, помазал флюсом банку и за 3-4 секунды припаял уже залуженный проводрекомендую оплетку от коаксиального кабеля. Быстро и аккуратно. Балансир и банки бери на длительный ток порядка 20А.
Аноним 19/04/17 Срд 22:56:31  281069
>>280990
http://fandy.ucoz.org/publ/metalloiskatel_quot_kvazar_quot_quot_quasar_quot/metalloiskatel_quot_quasar_arm_quot/2-1-0-5
Уже два таких сделал. Сделать плату и припаять детальки не сложно, намного сложнее сделать нормальный датчик.
Аноним 19/04/17 Срд 22:58:05  281072
>>281065
Про длительный ток не понял.
Аноним 19/04/17 Срд 23:00:20  281074
>>281072
ну если не хочешь чтобы это говно сгорело синим пламенем юзай банки, способные давать длительноа не пять секунд хотя бы 20А тока. Хилый балансир тоже будет постоянно уходить в защиту или сгорит нахуй.
Аноним 19/04/17 Срд 23:04:52  281077
>>281055
Модуль на 10А маловато будет. Ищи на 30-40А.
Аноним 20/04/17 Чтв 01:59:03  281094
>>281074
>>281077
Спс
Аноним 20/04/17 Чтв 06:50:07  281097
>>276268 (OP)
Сап! Имеется дозиметр. Имеется счетчик CБТ-11а для него. Напруга для работы составляет 400 вольт.
Подскажите, какой кабель можно применить для удлинения счетчика примерно за полметра от схемы?
Аноним 20/04/17 Чтв 07:34:35  281099
>>281097
любой гостовский сетевой монтажный провод.
Аноним 20/04/17 Чтв 08:43:34  281104
>>281097
Обычно ля таких целей используют коаксиальный кабель. Практически пофигу какой, главное чтоб со сплошной полиэтиленовой изоляцией. Толще лучше - меньше емкость, иначе скорость счета упрется в скорость зарядки кабеля.
Аноним 20/04/17 Чтв 10:36:24  281106
>>281099
Че то проиграл с этого тренда пропасти между гостом и ту на сегодняшний день.
Аноним 20/04/17 Чтв 11:03:01  281108
.jpg (55Кб, 640x360)
Радач, хочу заменить ламповый телевизор на старый монитор 19 дюймов. Из задач - проигрывание радиопередач и фильмов с флешки. У меня есть два направления - либо впаивать в монитор плату преобразователя, либо приставку. Что выбрать? Какие подводные у каждого из стульев?
Аноним 20/04/17 Чтв 11:04:30  281109
>>281108
> проигрывание радиопередач
Я имел в виду телерадиоэфир с антенны, поэтому было бы неплохо воспроизводить еще и цифровое ТВ.
Аноним 20/04/17 Чтв 11:19:26  281112
1345041672667s.gif (3Кб, 150x111)
>>281109
>телевизор
>2017
Аноним 20/04/17 Чтв 12:08:45  281115
>>281106
Да пиздец.
В два раза по сечению наебать - просто норма.
При Сталине за такое расстреляли бы через 2 часа.
Аноним 20/04/17 Чтв 12:21:49  281116
Блджад, да где моча уже с перекатом. Доколе?
Аноним 20/04/17 Чтв 12:25:49  281117
>>281020
Вот кстати ищу задачник по методам контурных токов, узловых поетнциалов, суперпозиция, активный двухполюсник, вот это вот всё, чтобы набить руку. Сап.
Аноним 20/04/17 Чтв 12:55:13  281120
>>281115
расстреляли бы сразу. Для наеба нужен всеобщий сговор.
Аноним 20/04/17 Чтв 13:33:31  281122
Soup, есть пикрилейтед, опытным путем было выявлено что подключая красный\желтый и черный в розетку мотор крутится стоит ли добавить что я нихуя не понимаю что делаю?, отрезал разъем проверяю снова - мотор дымит, но крутится. Что я сделал неправильно? Или это у меня розетка непарвильная?
Аноним 20/04/17 Чтв 13:34:21  281123
QpyDe1H.jpg (1169Кб, 2048x1686)
>>281122
А пикчу то я и проебал, мдем.
Аноним 20/04/17 Чтв 13:59:07  281126
Поясните за магнитную проницаемость и удельную проводимость относительно меди. Нужно определить эффективность экранирования какого-нибудь экрана, а значений этих не найти... Пикрелейтед.
Аноним 20/04/17 Чтв 14:00:52  281127
>>281123
покажи нормально двигатель торчащие с него провода.
Аноним 20/04/17 Чтв 14:05:36  281128
3fF2wuJ.jpg (614Кб, 1681x1681)
>>281127
Аноним 20/04/17 Чтв 14:11:07  281129
>>281128
хуевертие какое-то. От чего двигатель?
Аноним 20/04/17 Чтв 14:20:36  281132
>>281129
Отвертка. Там собсна только выбор вперед-назад и микрик на включение.
Аноним 20/04/17 Чтв 17:46:06  281151
>>281132
Зачем в разъеме столько проводов? Что к нему подключается?
Аноним 20/04/17 Чтв 17:50:32  281152
>>281128
В общем, красный-черный ротор, белый синий - статор (или наоброт, не разобрать).
Включаешь их последовательно и в розетку. Красный-черный реверсируются переключателем.
Похоже у него есть 2 варианта сетевого кабеля с параллельным и последовательным соединением ротора и стартера, на 110 и 220 В, отличаются распайкой.
Аноним 20/04/17 Чтв 18:12:51  281154
>>281109
А кстати можно ламповый телек на цифровое ТВ перестроить? Каких туда нужно схем добавить? Или есть готовые ламповые телеки которые могут в цифровое ТВ?
Аноним 20/04/17 Чтв 18:18:37  281155
>>281154
> Каких туда нужно схем добавить?
Можно купить приставку для цифрового телевидения
Аноним 20/04/17 Чтв 18:57:26  281161
Решил "восстановить" маленький (как спичечный коробок) свинцово-кислотный (sealed lead acid) акум. 4V, 0.4Ah.
Не держит ёмкость. Долил в банки дистиллированной воды, разрядил до 2V, поставил на зарядку его родным ЗУ (30 mA)
Он сейчас "закипел" и выплюнул пробки из банок.
Напряжение на клеммах 5.46V. Вставить пробки и продолжать зарядку?
Аноним 20/04/17 Чтв 19:50:48  281165
>>276268 (OP)
Пацаны непонятная хуйня с двухбаночным ли-по акком, между чёрным и красным 0 вольт. а между белым и чёрным или красным по 4, ведь должно быть ещё между чёрным и красным напряжение, что за хуйня?
Аноним 20/04/17 Чтв 20:03:56  281169
>>281165
Красный режь
Фотку давай, на словах непонятно.
Аноним 20/04/17 Чтв 20:57:04  281170
TFLCf12eKk[1].jpg (900Кб, 2560x1920)
MeZYQBKvhYg[1].jpg (722Кб, 2560x1920)
>>281169
Это балансный Ли-по, белый провод - середина между аккумами, красный с чёрным не показывают потенциала.
Аноним 20/04/17 Чтв 23:39:04  281181
image.png (64Кб, 640x1136)
image.png (63Кб, 640x1136)
>>281170
Я думаю китайцы перееблись с полярностью.
Аноним 20/04/17 Чтв 23:39:19  281182
Есть диплом с темой - "Разработка цифрового анализатора спектра для обнаружения узкополосных помех", нужно реализовать математическую модель в матлабе для различных методов спектрального анализа, кто может сделать за донат? Фейкопочта - wuyomine@doanart.com
Аноним 20/04/17 Чтв 23:44:19  281183
>>281152
Вот поясни. Все время тоже так делал с двигателями от стиралок - взлетало.
Затем хотел поменять направление вращения двигателя пылесоса, перекрестил провода щеток и соснул хуйца - гудит, греется, воняет и еле крутиться. Чяднт?
Аноним 21/04/17 Птн 01:53:38  281187
sup, ra. Не уверен по адресу ли я пришел со своим вопросом, но надеюсь, что кто-то знающий тут найдется.
Вообщем, купил я бу плеер hifiman 601, продавец уверял, что плеер рабочий и у него просто нет на руках зарядника
от него сия гавнюлина заряжается только через отдельный порт
И того повевшись на развод, имею на руках кирпич, который не включается.
Батарея изначально была отключена, на плате не отмытый флюс возле неопознаной смд в сот корпусе.
Без батареи плеер не включился, плеер жрал 500мА с просадкой до 2.5в на галимом кабеле усб, при попытке включить его кнопкой включения.
Подключив батарею и зарядку через самопальный переходник на усб, плеер не включился, но весело жрал 200мА.
При попытке включить кнопкой питания ток потребления был около 600мА и если ее отпустить - моментально падает. Не включается.
Однако, раза с 7го он включился, но подсветка не работала.
После перезагрузки подсветка заработала, но меня ожидал белый экран и нагрев проца.
После этого иных признаков жизни кроме заряда и потребления 500-700мА при нажатии кнопки включения он не подавал.
Стыкался ль кто с подобным и как сего гавнюка реанимировать?
Извиняюсь за ошибки. Спасибо за внимание и помощ.
Аноним 21/04/17 Птн 04:53:00  281189
>>281183
>двигателями от стиралок
что с ним можно сделать? я один такой спас и он у меня мертвым грузом валяется. я хотел бабу с сиськами сделать по пояс, и руку ей в боксерской перчатке. и когда ты ее лапаешь, сенсор срабатывает и рука тебя бьет по еблу. но шаговой двигатель слишком слаб. хочется удар как у тайсона, килограмм 500. может движок от стиралки такое обеспечить?
Аноним 21/04/17 Птн 09:11:26  281194
m6357ACnInU[1].jpg (35Кб, 501x553)
Анон, помоги найти библиотеку для DipTrace с посадочными местами и 3Дэ модельками резисторов установленных перпендикулярно плате. Няшу тебе, анон.
Аноним 21/04/17 Птн 09:31:26  281197
>>281189
Я делал гончарный круг прям из стиралки, например. Диммил мотор. Шлифовалку делал еще.

Тебе с бабой проще всего сделать мощную пружину, а спускалась чтоб она с собачки сервой или соленоидом. Правда каждый раз заряжать надо обратно.
Аноним 21/04/17 Птн 11:40:26  281198
86a144d2.jpg (78Кб, 750x552)
12333.png (3Кб, 426x148)
Здравствуйте.

Так паять нужно? Провод для внешнего HDD.
Аноним 21/04/17 Птн 12:25:43  281201
>>281198
Да.
Аноним 21/04/17 Птн 14:16:29  281205
Как подключать диоды параллельно?
LD1117 кипятильник
Токовое зеркало на БЖТ тоже греется и в случае отключения одной из нагрузок поджаривает все остальные.
Стабилизатор на ОУ и мосфете для каждой полоски диодов слишком сложно.
Какие есть еще варианты?
Аноним 21/04/17 Птн 14:37:12  281206
>>281205
через резисторы
Аноним 21/04/17 Птн 18:27:49  281227
Здравствуйте Аноны, такая проблема, нужно заменить зарядное устройство на машинку для стрижки. Так вот на заряднике указанна выходная мощность 3.5V 1200mA 4.2VA, можно ли его заменить телефонным зарядником 5V 1-2A, или батарее машинки придет пиздец?
Аноним 21/04/17 Птн 21:17:35  281240
Паяч, я тупой, помоги найти аналог немецкого B511n
Аноним 21/04/17 Птн 22:14:15  281244
>>281240
Вопрос не актуален. Я правда тупой.
Аноним 21/04/17 Птн 22:21:01  281245
>>281194
Библиотеку сам сделай, там делов максимум на полчаса
3D модели не нужны
Аноним 21/04/17 Птн 23:26:02  281250
>>281227
Уточню что блок с штекером micro usb, аналогичный по характеристикам не нашел, если и попадаются на 3.5в с почти такими же амперами, то под другой разъем.
Аноним 22/04/17 Суб 00:43:10  281260
>>281250
Надо знать как устроена машинка внутри. Что то мне намекает, что там 2ni/cd по 1,2в и никаких контроллеров заряда. Поэтому ей, вероятно будет хуево от 5в.

Самое надежное - найти соответствующий блок питания и переделать штекер.
Аноним 22/04/17 Суб 05:19:40  281263
У BiMos opamp входное сопротивление порядка тероом. Зачем такое безумие? Видел входной каскад какого-то радиоприемника что ли на них. Зачем тероомы??
Аноним 22/04/17 Суб 06:01:14  281264
>>281183
Песъ его знает.
Может он несимметричен, заточен под вращение в одну сторону.
Стиралочные конкретно сделаны для реверса.
Аноним 22/04/17 Суб 12:09:14  281265
>>281264
>заточен
Я просто не догоняю как он может быть заточен? Что там можно изменить? Градус между положением контактов коллектора и плоскостью соответствующей обмотки?
Аноним 22/04/17 Суб 13:30:06  281270
>>281265
Тебе не надо этого понимать.
Аноним 22/04/17 Суб 15:37:30  281278
.jpg (897Кб, 2048x1536)
По каким тегам искать подобное? Разъём для подсоединения шлейфа матрицы к плате.
Аноним 22/04/17 Суб 15:50:04  281279
>>281278
FPC 40pin
Аноним 22/04/17 Суб 19:53:23  281301
>>281108
Есть варианты без мозгоебства.
1. Покупаешь на авито ноут, старый, с дохлой батареей и разбитым экраном.
2. Цепляешь ноут к монитору.
3. На ноут торрентокачалку с управлением с телефона, медиацентр типа kodi
4. К ноуту - пульт с али, рублей за 500
5. …
6. Фильмы, тв, радио с пульта.

[Назад][Обновить тред][Вверх][Каталог] [Реквест разбана] [Подписаться на тред] [ ] 2031 | 285 | 412
Назад Вверх Каталог Обновить

Топ тредов
Избранное