Главная Юзердоски Каталог Трекер NSFW Настройки

Хобби

Ответить в тред Ответить в тред
Check this out!
<<
Назад | Вниз | Каталог | Обновить | Автообновление | 354 112 193
Сварки тред Аноним 08/06/18 Птн 10:28:15 444153 1
welder7-1024x682.png 940Кб, 1024x682
1024x682
0142fcb397a21fd[...].png 713Кб, 960x642
960x642
pw4.jpg 132Кб, 1000x750
1000x750
Почему у кузнецов и станочников есть свои треды, а у сварных- нет?
Давайте вместе варить мангалы и хвастаться швами полуавтоматом.
Аноним 08/06/18 Птн 21:54:58 444244 2
welders-welding[...].jpg 101Кб, 640x640
640x640
Вверх
Аноним 10/06/18 Вск 11:35:46 444394 3
maxresdefault.jpg 579Кб, 2100x1400
2100x1400
Ну ебана, неужели никому не интересно?
Помогите ММА инвертор выбрать.
Аноним 10/06/18 Вск 18:27:34 444450 4
>>444153 (OP)
А Ресанта норм для дачи? Если опыта как такового нет, для личной варки мангалов, не более того.
И обязательно ли электросеть с заземление или похуй?
Аноним 10/06/18 Вск 19:24:51 444458 5
66348e53bce5f71[...].jpg 98Кб, 724x650
724x650
>>444450
Говорят новая ресанта- лотерея.
Для дачи, насколько я понял, стоит брать аппарат с устойчивостью к перепадам напряжения, например серию "ПН" у ресанты.
Ну и да, отечественные аппараты стоит брать только если в твоем городе есть официальный сервисный центр, ИМХО.
Аноним 10/06/18 Вск 19:28:50 444459 6
>>444153 (OP)
> Почему у кузнецов и станочников есть свои треды, а у сварных- нет?
Потому что сварщеги в домаче сидят.
Аноним 11/06/18 Пнд 01:44:12 444497 7
>>444459
Нет там никого. Лето все заборы да мангалы хуячат
Аноним 11/06/18 Пнд 12:48:08 444530 8
>>444153 (OP)
Потому что ебаная сварка - не хобби.
Аноним 11/06/18 Пнд 14:16:39 444538 9
>>444530
Да в этом разделе многие хобби- не хобби. Но в домаче полтора анона варят мангалы и подваривают ворота не оббивая шлак, нахуй их.
Можно, например, обсудить ускоренные курсы сварки и последующее трудоустройство, есть тут такие?
Аноним 12/06/18 Втр 11:09:30 444636 10
2016506194743.jpg 3558Кб, 3264x2448
3264x2448
>>444153 (OP)
Мой мангал, варил года два как. Качество сварки видно на ребре, сварщик я тот еще. Кто только меня не учил, и видео дохуя смотрел ничего не помогло так, как дохуя практики. Сейчас немного лучше получается.
>>444538
>ускоренные курсы сварки и последующее трудоустройство
Нахуй тебе это? После курсов тебя возьмут всякую хуету варить и платить будут соответствующе(мало), а работа вредная и хуевая.
Аноним 12/06/18 Втр 13:00:44 444662 11
>>444636
Покрасил бы хоть
Аноним 12/06/18 Втр 14:10:12 444670 12
8cca602s-960.jpg 153Кб, 960x720
960x720
fubag-ir-200-vr[...].jpeg 57Кб, 679x701
679x701
>>444662
Лол ты в глаза долбишься? Он же КРАШЕНЫЙ!
Ну а серьезно, так руки не доходят, да и термокраску нужно купить. Там еще с правой стороны столик нужно приварить, чтобы тарелки миски с шашлыком ставить.
Хочу себе полуавтомат брать Аврору,160 ампер. По отзывам просто пиздец какой охуенный апарат, даже странно.
Ну и для ММА такой фубаг, только 220 ампер из того что пробовал, он лучше чем ресанта.
Аноним 13/06/18 Срд 21:47:14 444915 13
>>444670
Почему именно аврору?
На самом деле глаза очень разбегаются, сам даже инвертор выбрать сейчас не могу
Аноним 13/06/18 Срд 23:20:27 444935 14
>>444915
>Почему именно аврору?
Видел много положительных отзывов, да чуть ли не все отзывы положительны, редко такое бывает. Ну и аппарат позиционируется как профессиональный, горелка сменная, есть регулировка жесткости дуги, правда не знаю нахуй она нужна, никогда не пользовался даже на оч профессиональных аппаратах.
Раньше хотел фубаг инмиг 160-180, он может и электродом варить и проволокой. но что-то не вижу восторга в коментах. Ресанты, интерсколы и свароги не рассматриваю вообще, блювельд дохуя дорогой. Аврору кстати можно за 16-17к урвать, но нужно выжидать скидки, так 23к стоит.
>инвертор выбрать сейчас не могу
Бери фубаг как на пикче, не пожалеешь, на работе такой был, только на 180 ампер года два им весь завод варил, все ок. Стоит копейки видел весной за 5500. сейчас вроде 7к.
Сам сейчас варю ресантой на 190 ампер, варит нормально, но не нравится как дуга зажигается, часто гаснет, хер знает с чем это связано, но на фубаге такого не было.
Аноним 13/06/18 Срд 23:35:41 444939 15
>>444935
Если смотреть на фубаг- есть смысл в IN линейке?
С одной стороны возможность ТИГ сварки, а с другой- выше цена и сенсорные кнопки.
Аноним 13/06/18 Срд 23:54:00 444941 16
>>444939
Разве у них есть аппарат MIG/TIG?
Обычно MMA/MIG или TIG/MMA.
>сенсорные кнопки
Зачем тебе сенсорные кнопки, перед друзьями-сварщиками выебыватся? На проф аппаратах практически всегда православные крутилки.
Смысл есть, удобнее/универсальнее, но я для себя решил - лучше два отдельных аппарата. MMA для черновой работы(электродами варить значительно дешевле) и толстого металла и MIG для мелких деталей и тонкого металла.
Аноним 14/06/18 Чтв 00:11:37 444943 17
img65682.jpg 424Кб, 1024x683
1024x683
>>444941
Имел ввиду ММА/ТИГ
Почитал интернеты, пишут, что этими аппаратами получится сваривать только нержу, и поджигаться буду только чирканьем.
Аноним 14/06/18 Чтв 00:25:55 444945 18
>>444943
Ну на TIG бывает высокочастотный поджиг(искра сама проскакивает), а вообще подумай нужна ли тебе такая сварка. Я не спорю она очень крута, но больше для всяких мастерских/заводов.
Так то ничего удобнее MIG сварки я не видел. Кнопку нажал - варишь, отпустил - не варишь. Швы практически всегда как на картинке, единственный минус это то, что нужно за собой баллон таскать.
Аноним 14/06/18 Чтв 09:24:33 444983 19
>>444450
У меня самый днищевый 140-й инвертор евойный. Брал за 4500 2 года назад, пашет норм, четверкой уже варит с трудом, но я больше для развлекаловки брал, поэтому за 24/7 сварку ничего сказать не могу, максимум варил 20-и минутными заходами раз по 5-6
Аноним 15/06/18 Птн 21:53:19 445265 20
82549261w800h64[...].jpg 70Кб, 640x640
640x640
LIN-K2603-2.jpg 132Кб, 800x800
800x800
А20А30-1.jpg 328Кб, 1151x1565
1151x1565
А кто в какой маске варит? Сейчас выбираю, бюджет до 4к. Сперва смотрел на младшие модели ESAB- а20/а30, но потом где- то прочел, что это китайский хлам под брендом. Может анон посоветует что- нибудь?
Аноним 16/06/18 Суб 10:07:34 445291 21
Вангую, что все варят в дешманских масках за 2к
Сентел выглядит как шлем космонавта, лол.
Аноним 16/06/18 Суб 12:30:42 445298 22
>>445291
Стоит примерно так же. Но все равно раза в полтора дешевле чем спидглас
Аноним 17/06/18 Вск 02:30:09 445378 23
>>444935
Там же белым по черному написано: "индуктивность". Больше индуктивности - плавнее перенос металла, меньше брызг, валик менее выпуклый. Но на чистой углекислоте почти не работает, на смесях разница сразу видна.
мимо overman 250
Аноним 17/06/18 Вск 03:03:04 445379 24
image.png 199Кб, 461x415
461x415
>>444943
>>444945
Ну начнем с того, что есть источники постоянного и переменного тока. MMA/TIG аппараты - источники постоянного тока, если не навороченные. На постоянке варится не только нержа, но и титан, например. Алюминий варится переменным током, для поджига нужен осциллятор. Ну и про форму импульса тоже забывать не стоит.
>>445265
Fubag panoramic - попробуй, не пожалеешь.
>>445291
Скорее космодесантника
Аноним 17/06/18 Вск 10:58:29 445392 25
initiativehelmet.png 239Кб, 484x596
484x596
Аноним 17/06/18 Вск 11:19:02 445396 26
8zopWoQBX58.jpg 105Кб, 800x800
800x800
>>445379
Выглядит громоздкой, и раскраски у них вырвиглазные. Я присматриваюсь сейчас к Fbag optima 4-13, она вроде покомпактнее
Аноним 17/06/18 Вск 12:57:19 445407 27
>>445396
Так только кажется, по размерам она как обычная маска. Хорошо фиксируется на голове и регулируется положение щитка. Я свою отрегулировал так, что низ "стекла" чуть ниже кончика носа, а верх - надбровных дуг. Зона обзора, кстати, почти 100х100.
Аноним 26/06/18 Втр 19:15:29 446545 28
MaskaGEFESTsiny[...].jpg 448Кб, 606x671
606x671
>>445265 -анон снова в треде.
Присматривался к Fubag optima, но нигде в городе не нашел, поэтому взял foxweld gefest, тоже 5-13, большая зона обзора, 4 сенсора, все Дела. Завтра тестить буду

Аноним 29/06/18 Птн 20:16:50 447000 29
>>444538
Есть. Я прошел курсы ЦЗН и прокачался до электрогазосварщика 3-го разряда.
Аноним 30/06/18 Суб 13:43:58 447053 30
Pipe-welding.jpg 41Кб, 640x360
640x360
>>447000
И как с трудоустройством?
Расскажи кстати за курсы- сколько практики, чему учили.
МАСКА Аноним 30/06/18 Суб 13:56:05 447054 31
Правильно понимаю, что фильтром в маске тупо ч/б ЖК матрица с полной заливкой + обвязка??
Аноним 30/06/18 Суб 17:54:48 447089 32
IMG201806302148[...].jpg 345Кб, 2756x642
2756x642
IMG201806302149[...].jpg 1189Кб, 3246x1361
3246x1361
IMG201806302149[...].jpg 1562Кб, 4088x1465
4088x1465
>>447053
> как
Да никак. Кому ты нужен с 3-м разрядом? Нужны минимум 4 р., НАКС, стаж работы 3-5 лет и умение варить трубы.
> расскажи
Рассказываю. Осенью встал на учет в Центре Занятости тот еще геморрой и попросился на переквалификацию.
Выбрал профу электрогазосварщика, подождал, пока сформируют группу и в конце ноября вкотился на обучение.
Обучение длилось 6 месяцев: 3 теории в технаре и 3 производственной практики.

В техникуме писали конспекты, слушали байки и ходили на местную, технарскую практику - катали валики, пытались варить конструкции из обрезков металла. Варили там РДС, полуавтомат был, но всего один, и к нему постоянно была очередь.

В марте началась произв.практика, которую нужно было искать самому, но кому, нахуй, нужны студенты-распиздяи? В общем, поиск практики был немного напряжным, пришлось побегать.

Но когда нашли и устроились, нам показали, почём фунт лиха.
Варили швы во всех положениях, а под конец обучения - еще и трубы.
Обучали на РДС, п/а и аргоне.
Иногда привлекали к погрузке-разгрузке баллонов, привозу нарезанного металла и т.д.
В конце мая практика кончилась, мы сдали одежду, уволились и поехали в технарь за документами. Всё.

Вощемта, можно было там остаться - спецодежду выдали, коллектив нормальный был, если бы не одно но: на момент завершения нашей практики мужикам-работягам не выплатили з/п за февраль
Т.е., с деньгами там конкретный пиздец был. Как нам сказал один работающий там парень, это из-за того, что "цех не приносит прибыли" - по факту работы нет, деньги получают только вахтовики, а цеховые бесплатно шаманят все подряд для начальства, что слесаря, что сварщики.
Аноним 01/07/18 Вск 14:57:32 447182 33
>>447089
Читаю часть про не выплаченную зарплату, думаю, ну у меня в регионе, надеюсь, всё немного по-другому. Открываю первую пикчу — ёманарот, я же рядом живу.

тоже-хотел-в-цзн-выучиться-на-сварщика-кун
Аноним 01/07/18 Вск 16:49:37 447206 34
>>447182
В ЦЗН платят пособие, пока ты сидишь без работы (но только первые полгода) около 4к, кажется. Два раза в месяц отмечаешься у инспектора, и через пару дней перечисляют деньги на карту.
А если ты учишься по направлению, то платят стипендию в течение всего времени обучения - у меня было 6к, плюс единовременная "помощь" около 1к. Но там есть нюансы, хз от чего зависящие. Так, некоторые парни из нашей группы получали стипуху в размере 1-1,5к, т.е. минимальную.
Так что, в принципе, эта идея годная - обучение бесплатное, получаешь стипендию и скиллы (не ахти какие, но все равно).

Если все-таки решишься вкотиться, то вот тебе советы:
1)для постановки на учет приезжай ДО открытия Центра, примерно за час. Это совсем не шутки, по утрам очередь к терминалу с талонами просто ебическая. Если придёшь туда в 8-9 утра, то до обеда, скорее всего, никуда не попадешь, будешь 100500-м в очереди.
2)документы: уже не помню, что нужно точно, на всякий случай бери всё что есть. Паспорт, военник, трудовая, аттестаты, СНИЛС, мед.полис. Обязательно нужно будет взять справку с последнего места работы (если работал, спросишь в бухгалтерии) и бумажка из банка, типа, данные о твоем счете. Это нужно для того, чтобы ЦЗН перечислял тебе стипендию.
3)когда будешь писать заявление о постановке на учет, заполняй его СТРОГО ПО ОБРАЗЦУ, но дату не ставь (хотя она есть в образце), они ее сами поставят.
4)к инспектору нужно приходить в определенное время и день (напишут, когда именно). Проебланишь день - досвидули, бан в ЦЗН на месяц, а потом повторная постановка на учет.
По времени - можно приходить немножко раньше назначенного, ничего страшного.
5)после выбора профессии нужно будет пройти тест и если наберешь проходной балл - велком. У нас это были задачки на физику и логическое мышление, лол.
6)во время обучения отмечаться не нужно, а после прохождения практики тебя автоматически выпилят из списков Центра.
Аноним 01/07/18 Вск 19:53:30 447228 35
659KibuvdUU.jpg 25Кб, 387x429
387x429
Аноним 02/07/18 Пнд 02:57:57 447264 36
>>447228
Вспомнил, еще ИНН нужен.
Аноним 06/10/18 Суб 18:13:30 459057 37
Тред окончательно мертв?
Аноним 06/10/18 Суб 20:07:20 459074 38
>>459057
А чего хотел?

мимо-MMA-нафаня
Аноним 07/10/18 Вск 17:39:53 459180 39
DSC00113.JPG 251Кб, 813x1024
813x1024
>>459074
Хотел обсудить полуавтоматы с синергетическим управлением, например.
Аноним 08/10/18 Пнд 07:59:34 459252 40
>>459180
А я бы не прочь поговорить о самодельных полуавтоматах на базе обычного инвертора MMA.
Аноним 08/10/18 Пнд 11:33:28 459266 41
>>459252
А зачем? Теоретически возможно, но при цене полуавтоматов от 15к- целесообразно ли?
Аноним 08/10/18 Пнд 11:42:23 459269 42
>>459266
Ну, если электронику купить тыщи за полторы, клапан, подавалку и рукав еще за пару тыщ, то получится вполне себе целесообразно.
Аноним 08/10/18 Пнд 12:05:47 459272 43
>>459269
Прибавь к этому стоимость самого ММА-инвертора, как раз и выйдет цена готового ПА
Аноним 08/10/18 Пнд 12:39:46 459278 44
>>459272
Инвертор у меня, ясное дело, уже есть.
Аноним 14/10/18 Вск 09:35:12 460342 45
Товарищи сварные, не тонем!
Аноним 14/10/18 Вск 10:09:20 460346 46
23.jpg 46Кб, 640x347
640x347
>>459278
Уж скока раз твердили миру, нельзя из ММА инвертора сделать полуавтомат, ВАХ неподходящая, падающая, а нужна жоская.
Аноним 20/10/18 Суб 09:16:56 461473 47
im-book-1967.jpg 31Кб, 314x500
314x500
Из литературы кто что считал, не поделитесь? Или все по видосикам на ютубе учились?
Аноним 20/10/18 Суб 21:01:33 461539 48
2.jpg 252Кб, 1280x960
1280x960
3.jpg 224Кб, 1280x960
1280x960
4.jpg 353Кб, 1280x960
1280x960
1.jpg 258Кб, 1280x960
1280x960
Аноны, подскажите бестолковому - в чем тут ошибка?
Ютубы смотрел ванну не вижу, немного читал ошибки начинающих, нигде такой ошибки не встречал.
Аноним 20/10/18 Суб 21:55:43 461544 49
>>461539
Ты корень шва не проварил. Сначала надо было середку проварить, ванну медленно переносить, чтоб говно всплыло.
А ты что, просто водил туда-сюда поперек, перемещаясь вдоль?
Аноним 20/10/18 Суб 22:11:31 461548 50
Кстати не со всеми электродами хорошо видно ванну. Например у мр3 вместо ванны видно такое себе "облако" шлака, светящееся. и все.
Аноним 20/10/18 Суб 22:15:29 461549 51
>>461544
Спасибо анон.
Да, водил зигзагом, как показывают в инструкциях. Получается нужно сначала провести просто вдоль?
И ванну я не вижу, только расплавленную жижу и искры, что из этого ванна я не знаю.
Аноним 20/10/18 Суб 23:07:22 461555 52
>>447206
Вопрос - если безработный, есть образование, но не хочешь идти на вакансии, предлагаеме ЦЗН, а хочешь пройти курсы электрогазосварщика, то там не развернут?
Аноним 21/10/18 Вск 03:24:19 461577 53
image.png 54Кб, 650x197
650x197
image.png 43Кб, 331x238
331x238
>>461549
Расплавленная жижа и есть сварочная ванна. Разгляди ее уже наконец. Возьми железяку, зажги дугу и смотри. Попробуй передвигать ее с разной скоростью (лучше на каком-нибудь листе без окалины - так по цветам побежалости можно представить себе поле температур). Попробуй разную длину дуги etc. Копи данные, проще говоря.
Теперь к делу. Твоя задача расплавить кромки обеих деталей и заполнить пространство между ними мелаллом, а не шлаком.
1. Оставляй зазор. Раздвинь детали на пару-тройку мм. Так расплавленный металл сможет туда затечь и расплавить кромки.
2. Не тяни дугу. Длина дуги 0.5-1 диаметр электрода.
3. Наклони электрод в направлении сварки (см картинку 1). Так шлак будет оттесняться назад, за сварочную ванну.
4. Не спеши, когда делаешь свои зигзаги. Твоя задача не накидать сверху металла, а расплавить и перемешать.
5. Зачем, черт подери, ты сделал такой широкий шов? Мне кажется, что толщина заготовок меньше, чем его ширина. Ширина шва обуславливается глубиной провара, т.е. толщиной деталей. (для наглядности картинка 2)
Аноним 22/10/18 Пнд 00:00:26 461690 54
>>461577
Благодарность за развернутый ответ. Спасибо.
Аноним 22/10/18 Пнд 01:32:46 461693 55
>>461539
По ходу, в видосах, по которым ты учился, варили намного более тонкий метал, поэтому зигзаги водили быстро. А у тебя металл толстый, надо было помедленнее водить.
Аноним 22/10/18 Пнд 13:05:43 461733 56
Аноним 22/10/18 Пнд 13:36:23 461736 57
>>461539
Те же детали закрепи немного под наклоном, градусов 30.Добавь бля току не ссы Начни варить в нижней части сборки. Поперечных движений не делай.Они здесь нахуй не нужны Просто зажги дугу и прижми горящий электрод поплотнее в зазор между своими детальками.Хули залипает? Я же сказал:"Накинь току.Медленно веди горящий кончик электрода вдоль разделки вверх.Дугу короче.Еще короче.Раз в две секунды поднимай дугу вверх и немного назад.Откидывая давлением дуги липкий пенистый шлак. И вот тогда ты и увидишь егоклиторЗеркало ванны.
Аноним 22/10/18 Пнд 20:12:47 461798 58
Дороу, сварщики, я тот анон, что интересовался курсами. В общем отучился таки, получил корочку 2 разряда, сейчас работаю на сборке металлоконструкций. Задавайте свои ответы, если интересно- позже расскажу подробно.
Аноним 23/10/18 Втр 09:32:30 461852 59
>>461798
Сколько ЗП? Регион? Какие условия?
Аноним 23/10/18 Втр 12:49:10 461877 60
>>461852
1.2к в день, Крымчик, по условиям- неофициальное трудоустройство, с 8до5, час на обед. Вроде все хуево, но повторюсь, я студент, едва получивший второй разряд, и рассматриваю работу скорее как продолжение обучения, ребята из бригады реально многому научили за время работы.
Аноним 24/10/18 Срд 07:53:26 462040 61
>>461555
Не развернут, я именно так и сделал.
Аноним 26/10/18 Птн 17:19:52 462503 62
>>462040
Бля, позвонил, действтильно взяли бы, если бы не ебал кукушку с 13 отказами на собеседованиях и сразу к ним пошел два месяца назад. Теперь только после НГ
Аноним 28/10/18 Вск 11:51:39 462687 63
11.jpg 253Кб, 800x1067
800x1067
22.jpg 236Кб, 800x1067
800x1067
33.jpg 232Кб, 800x1067
800x1067
>>461736
Спасибо анон, думаю нужно больше практики, в теории вроде все понятно.
Попробовал еще разок, не получается. Буду еще пробовать.
Аноним 28/10/18 Вск 14:30:51 462707 64
Как сварить две железки под 90 градусов? Сколько не пытался - уводит. Может сделать что-то типа монтажного стола: взять фанеру самую толстую, насверлить дырок, и прицеплять железки к этой фанере и закреплять струбцинами.
Поможет?
Аноним 28/10/18 Вск 17:01:26 462725 65
magnet.jpg 56Кб, 640x451
640x451
>>462707
Магнитный угольник используй, если конечно у тебя не нержавейка.
Аноним 28/10/18 Вск 18:10:41 462733 66
>>462725
он не удержит стягивание металла. Плюс эта штука очень неточная
Аноним 28/10/18 Вск 22:42:10 462782 67
>>462707
Думаю фанера обгорит очень быстро.
Аноним 29/10/18 Пнд 15:35:33 462881 68
>>462707
Та куча способов же. Зависит от толщины металла, ну и от твоих возможностей. Думаю фанеру так или иначе согнет. Можно хуячить прихватками с двух сторон по очереди, тогда не поведет. Можно сварить как есть, потом нагреть шов газом и выгнуть как тебе нужно.

Аноним 29/10/18 Пнд 15:44:27 462884 69
>>462881
>Можно хуячить прихватками с двух сторон по очереди
сделал прихватку - повело. Сделал прихватку с другой стороны - повело обратно на больший угол. Заварил со стороны первой прихватки - снова увело на этот раз в эту сторону.
Нахуй такое гадание и цирк
Аноним 29/10/18 Пнд 19:33:32 462914 70
>>462884
Значит ебош жесткий кондуктор и вари в нем. И нет, я не про фанеру.
Аноним 30/10/18 Втр 14:03:43 462999 71
204big.jpg 55Кб, 768x768
768x768
ARGONREDUKTORM5[...].jpg 120Кб, 800x800
800x800
Сварщики, а поясните за баллоны и редукторы. Планирую покупать себе полуавтомат, варить собираюсь в сварочной смеси. Но нигде не могу найти в продаже 20л баллоны именно под смесь. Потерплю ли я неудачу купив баллон под углекислоту и попросив на заправочной станции залить мне туда смесь?
И по поводу редукторов- брать с манометром или с ротаметром?
Аноним 31/10/18 Срд 15:52:38 463178 72
>>462999
Эх, не стоило мне вскрывать эту тему!

Ну вот скажи мне анонимный анонимус - нахуя тебе смесь? Ну вот нахуя? Ты что, собрался спецсталь варить, нержавейку? У тебя еще нет оборудования, навыков; ты не понимаешь что манометром меряют давление, а ротаметром - расход а использовать надо оба и тебе сразу нужна смесь? не нужна
Купи 40 литровый баллон углекислоты, не выебывайся.
Продажа готовой аргонно-углекислотной смеси в баллоне это почти всегда развод лохов ушастых, которые плохо учились в школе и не знают что аргон внутри баллона - газ, а углекислота - жидкость; кто их там тебе перемешает, демон Максвела?
Аноним 31/10/18 Срд 16:08:26 463181 73
>>462687
Слушай, у меня так то руки под держак заточены, не под клавиши.
Кому я набирал парился верхний текст? Давай попробую еще раз.
ТОКУ!!! БОООЛЬШЕ!!!
Так понятнее?
Аноним 01/11/18 Чтв 13:20:41 463314 74
>>462884
Я обычно ебашу одну прихватку побольше, чтоб у нее тепловая инерция была больше, а потом, пока первая не остыла, ебашу с противоположной стороны.
Аноним 01/11/18 Чтв 19:07:29 463369 75
image.png 209Кб, 512x488
512x488
Аноним 01/11/18 Чтв 19:13:03 463370 76
>>463178
Ну, например, в смеси очень сильно меняется значение такого параметра как индуктивность. И настроить ток для струйного переноса проще.
Аноним 04/11/18 Вск 14:37:53 463664 77
>>463370
Ааа, БЛЯ! Чуяло попой мое сердце: - не стоит мне сюда лезть. И вот теперь на анонимном, блядь, форуме в разделе, блядь, "Хобби" меня втягивают в дискуссию с употреблением слов "индуктивность" и, блядь, "струйный перенос".
"Индуктивность" это параметр источника, в современных источниках регулируется микропроцессорами, управляющими мощными быстродействующими ключами.
Стоимость оборудования, обеспечивающего "струйный перенос", может сильно превышать стоимость твоего б/у "Форд-фокуса". Мы точно говорим о хобби?
Аноним 04/11/18 Вск 17:25:18 463684 78
Аноны, нуждаюсь в помощи. В общем, мне надо трубу к пластине приварить. Труба 22 мм, примерно, в диаметре снаружи, толщина стенки около 2мм, может 3мм, в лучшем случае, пластинка толщиной 3-4мм. Собственно, трубу мне надо приварить плашмя к пластинке. Попробовал сегодня, нихрена толкового. Куча шлака, шов весь, как ебаный швейцарский сыр.
Я вот думаю, может мне стоит завтра попробовать просто электрод воткнуть между трубой и пластинкой, провести шов ровно без вихляний влево-вправо, вверх-вниз, а потом уже дополнительными швами зазор заполнить? Электрод пробовал 2мм с током 50А и 3мм с током 70А. Тонким электродом еще более-менее получалось, а вот толстый хуячил во все стороны дугой и плевался металлом.
Аноним 05/11/18 Пнд 17:03:07 463780 79
>>463664
На овермане 200 вполне себе регулируется, но я им деньги зарабатываю, да.
У меня бу форд-фиеста
>>463684
В нижнем положении варишь?
Аноним 05/11/18 Пнд 19:09:32 463800 80
Варил СпецЭлектродами ок 46 производство москва липнут, плохо зажигаются это у меня руки такие кривые или электроды не очень?
Аноним 06/11/18 Втр 06:20:30 463849 81
>>463780
>В нижнем положении варишь?
Да, в нижнем. Сейчас на работе начальник не профессиональный сварщик, но варить немного умеет посоветовал сначала на край навесить "соплю", а потом уже от нее отрывами наваривать шов, заполняя промежуток металлом. Попробовать смогу только к вечеру. Еще думаю попробовать полярность поменять. Варил обратной полярностью, электрод горит пиздец быстро, на мой взгляд. Как посмотрю видосы на ютубе - у всех горение электрода комфортной скоростью, ничего не плюется и все заебись, а у меня все, блядь, во все стороны летит и горит быстро.
Аноним 06/11/18 Втр 07:19:08 463851 82
IMG201808041508[...].jpeg 169Кб, 1040x780
1040x780
Аноны кроме тех кто зарабатывает сваркой расскажите как часто вы варите и что обычно делаете?
А то есть желание купить аппарат чтобы не терять навык, но не могу придумать как его использовать. Живу в квартире, гаража и дачи нет, машина новая.
Пикрандом
Аноним 06/11/18 Втр 07:36:13 463853 83
>>463851
> гаража и дачи нет
Ну и нахуй, собственно, он тебе тогда нужен?
>машина новая
Ты полуавтомат, что ли, собрался брать?
Аноним 06/11/18 Втр 12:35:43 463892 84
SXn1ZGm54CA.jpg 710Кб, 1536x2048
1536x2048
Аноны, можно ли сварить сломанные чугунные тиски, а если можно то стоит ли?
Аноним 06/11/18 Втр 12:42:24 463893 85
>>463892
почти невозможно и не стоит. Особенно если это китай
Аноним 12/12/18 Срд 13:01:32 468467 86
>>463892
есть электроды по чугуну, но лучше варить в среде защитного газа, сварить можно но надо потом отпускать металл, и все равно он не будет таким прочным как раньше.
Аноним 20/03/19 Срд 15:05:30 481806 87
IMG201903191939[...].jpg 216Кб, 675x1200
675x1200
IMG201903191936[...].jpg 186Кб, 675x1200
675x1200
IMG201903191939[...].jpg 214Кб, 675x1200
675x1200
10-50-60A-HHO-RC.jpg 148Кб, 1000x999
1000x999
Сап титанам сварки, нужен совет новичку вкатывающемуся с нетрадиционного ракурса. Есть литиевый аккумулятор от велосипеда 14s12p и он делится на две штуки 7s12p с напряжением 25,2в. Можно подключать половинки вместе, либо по отдельности ток при этом составит 72А/144А соответственно, при этом батарейки не грозят устроить аллах-бабах даже при кз, но сами спаяны проводом 2мм, 2мм х2 для двух половинок.
Короче думаю попробовать поварить немного, раз такая возможность есть, но в первую очередь интересует резка арматуры. Что для этого нужно? Вчера был в бауцентре и видел держатели электродов, получается нужно взять две штуки для электрода и детали. Электроды, 2мм подойдут? Как я понимаю для резки нужны неплавящиеся. Потом нужен ещё провод тоже пока не ясно какой брать... Я видел как kreosan варил от литиевого аккума через провод от переноски, и использовал его для регулировки тока. У меня токи больше, но я не могу брать провод больше 2мм на половину, тк иначе спайки получатся слабым местом.
В итоге думаю что надо пробовать резать от одной половинки через провод 2мм х 5м чтобы чуть сбросить ток и чувствовать нагрев. От залипания поставлю автомат на 63а либо 100а, но возможно он будет сбрасывать просто от дуги. Самая вишенка, есть ещё шим на 60а как на пикче, есть ли смысл использовать? Можно ток ограничить. Короче посоветуйте что нибудь.
Аноним 20/03/19 Срд 15:13:53 481808 88
>>481806
Ещё по поводу защиты, прокатят ли хозперчатки и тёмная лыжная маска из детского мира? В бауцентре очков не нашёл, там только маски что как бы намекает что можно обварить ебальник брызгами. так ли это или очки всё таки подойдут?
Аноним 20/03/19 Срд 15:23:44 481811 89
>>481806
>>481808
Купи за $40 самый простой инвертор, сумасшедший.
Аноним 20/03/19 Срд 17:21:05 481825 90
>>481808
> тёмная лыжная маска из детского мира?
Лол, только если ты ослепнуть нахуй хочешь.
Аноним 20/03/19 Срд 17:30:33 481828 91
Аноним 21/03/19 Чтв 11:16:07 481913 92
>>481811
Ты не понял. Суть взять с собой этот аккумулятор в рюкзаке и где нибудь на залазе разрезать решётку или замок

Я ориентировался вот на это видео, аккумы такие же, но 84 штуки. Насчёт тока пиздит, там было 20а максимум.
https://www.youtube.com/watch?v=uTAKqQBw18E

>>481825
Насчёт защиты понятно, ну спасибо хоть не сразу нахуй. Мне просто пил буквально на разок, а тратиться влом.
Аноним 21/03/19 Чтв 11:24:04 481917 93
Посоветуйте электроды хоть, звери.
Залаз на чердак всмысле, а не медведем
Аноним 21/03/19 Чтв 12:53:38 481930 94
>>481913
Вали отсюда, черт красный.
Аноним 22/03/19 Птн 11:40:46 482018 95
>>481806
Школу зря прогуливал. У того провода, которым спаяны аккумы какая длина? А у того, что ты к держаку хочешь скрутками на изоленте приделать? Дальше сам разовьешь мысль.
Аноним 26/03/19 Втр 23:44:20 482680 96
>>462687
Это ручки для концевого крана?
Аноним 24/04/19 Срд 20:47:45 486597 97
20070423a2000wa[...].jpg 420Кб, 1600x1200
1600x1200
Суп, котаны.
Достал я из сарая старый дедов жигуль и прихуел слегка от того, какое он решето.
Ставить в сервис не хочу - опасаюсь, что сделают через жопу, а не как для себя. Да и денег наверняка захотят столько, что можно второй жигуль купить.
Соответственно, выход один: покупать себе сварочник и долгими летними вечерами варить-варить-варить.

В общем, суть такова: дайте советов мудрых по выбору сварочного аппарата.
Аноним 05/05/19 Вск 10:07:29 488762 98
>>481806
Резать можно любыми электродами, главное тока побольше выкрутить.
Но это будет максимум неаккуратно, вот прям пиздец как.
Аноним 05/05/19 Вск 10:56:00 488764 99
>>486597
Донор дешевле сварочника может обойтись.
Аноним 05/05/19 Вск 11:48:45 488770 100
>>488762
Но хотя двойкой не получится - электрод быстрее сгорит, чем ты разрежешь свой металл. Вот тройкой - да. Я на балластнике ставил 240 ампер, кажется, и успешно резал скорее - плавил железяки 3 мм электродами.
Аноним 05/05/19 Вск 14:58:39 488782 101
P90504-124506.jpg 897Кб, 1504x2000
1504x2000
Май мастерпис. Достался от бати в наследство новый инвертор и гора электродов. Последний раз "варил" в школе на трудах лет эдак 15 назад. Буду осваивать.
Аноним 06/05/19 Пнд 19:12:46 488873 102
ДиодКруп.JPG 1303Кб, 2048x1536
2048x1536
ТиристорКруп.JPG 1316Кб, 2048x1536
2048x1536
Кому-нибудь нужны вот эти элементы ? Чтобы мосты и выпрямители делать ?
Аноним 23/06/19 Вск 17:46:07 495161 103
>>463849
Когда тонкие пластины или трубки варишь нужно оттягивать дугу, чтобы раскидывало металл. Это наловчиться надо, просто так не получится.
Аноним 24/06/19 Пнд 13:13:22 495238 104
>>461539
слишком длинная дуга, слишком быстрое перемещение электрода, в итоге металл не прогревается и нет хорошей ванны, капли оседают по бокам, а в центре шлак. Накладывай в одном месте активнее и медленно веди, не бойся разогревать металл, он толстый у тебя, не прогорит. Так же скажи какой диаметр электрода, какая полярность, какой ток?
Аноним 24/06/19 Пнд 13:15:03 495239 105
>>461577
как Боженька все рассказал! лучи добра аннонче! другой анон сварсчег
Аноним 24/06/19 Пнд 13:18:30 495241 106
>>462707
сделал прихватку, проверил угол, подправил кувалдометром, опять прихватил, если можно с другой стороны, опять кувалдометр и так до окончания. А вообще при проектировании сварочных конструкций это надо учитывать, и делать укосины там где нужно соблюдать углы.
Аноним 24/06/19 Пнд 13:22:07 495242 107
>>481806
от аккумуляторов варить и резать не получится нормально, источники тока ддля сварки имеют особые характеристики, у них напряжение и ток находятся в особой взаимосвязи для наиболее удобного зажигания и поддержания дуги, от акумулятора ты только КЗ будешь устраивать с искрами.
Аноним 24/06/19 Пнд 13:26:04 495243 108
>>481913
видео говно, получившийся шов он не показал, а поискрить это ерунда
Аноним 17/07/19 Срд 19:50:21 498407 109
IMG-839e1501261[...].jpg 222Кб, 960x1280
960x1280
Что скажете по фирме им харкатиристикам ? Какой спектр работ смогу осилить ? И как оно будет для начинающего криворука ?
Аноним 24/08/19 Суб 01:05:40 503406 110
Есть кто живой в треде? Вопрос у меня платиновый, но тем не менее насущный. Постоянная работа сварщиком будет наносить неизбежный урон здоровью, конкретно глазам или нет? Даже если носить 24/7 маску, а под маской еще защитные очки, урон глазам все равно будет наноситься или его все таки можно нейтрализовать на сто процентов за счет маски и очков?
Аноним 24/08/19 Суб 01:47:33 503408 111
>>503406
Гугли профессиональные заболевания сварщиков, там не только глаза страдают.
Аноним 25/08/19 Вск 13:04:16 503518 112
>>503408
Ну меня интересуют именно глаза. То есть маска таки их не защищает полностью? А если под маску еще сварочные очки надеть?
Аноним 27/08/19 Втр 15:37:12 503849 113
>>503406
На задней стороне коробки с электродами прямым текстом пишут, что идёт урон по ЦНС и лёгким.
>>503518
Глаза защищает не маска, а стекло/светофильтр. По-моему, там есть разные классы затемнения, т.е., если будешь жарить электродами, а стекло будет под аргон - конец немного предсказуем.
Очки не помогут, т.к. там стекло рассчитано на пламя от газосварки ты варил ацетилен-кислородом, видел как они глушат яркость газовой струи?, слишком темно будет.
Аноним 18/10/19 Птн 12:08:35 511367 114
Братья, может тут кто шарит, нужна ваша помощь. Хочу с aliexpress заказать вещь из стали 316L, спросил у продавца по поводу магнитности, тот ответил, что магнитится, но во всех ресурсах написано, что магнитися не должна. Продавец меня наебывает? Причем все китайские 316L магнитятся. Помогите разобраться.
Аноним 13/11/19 Срд 09:35:28 515174 115
Вкатываюсь в сварку, нужен полуавтомат для любительской сварки кузовни, уголков, иногда забора, летом тренировался с соседским дешманским полуавтоматом, но там не было крутиллк, а только лишь тумблеры и скорость подачи проволоки. Короче помогите выбрать сварочник и что там к нему ещё нужно : редуктор, расходомер какой-то?
Аноним 17/11/19 Вск 22:59:35 515792 116
p0192.jpg 4567Кб, 4169x3184
4169x3184
>>463892
Держи. Схема рабочая, только накладки лучше из полосы делать. Электроды ЦЧ-4 по 3шт продаются на всехинструментах цена ПИЗДЕЦ 500р, но на раз это лучше чем 5000 за пачку
Аноним 17/11/19 Вск 23:03:01 515793 117
>>515792
Забыл добавить, ЦЧ-4 только наплавляется на чугун, остальное стальными электродами заполняется. Про это наверху страницы вкратце написано.
Аноним 17/11/19 Вск 23:17:41 515794 118
>>515174
>любительской сварки кузовни
Это как?
>что там к нему ещё нужно : редуктор, расходомер какой-то?
В первую очередь баллон. Это, кстати, усложняет сварку заборов.
Короче, бери инвертор самый дешевый и не выебывайся.
Аноним 25/12/19 Срд 16:46:26 520771 119
бамп нахой!
Аноним 08/01/20 Срд 14:52:29 522058 120
Бамп посоны.
Решил себе взять полуавтомат для дома (ну и чуть-чуть для работы), чё по брендам, какой расклад? Что зашквар, а что заебок? Русско-китайский фубаг, косящий под немцев, норм или говно? Чё вообще норм, чтобы недорого и хорошечно?
Аноним 09/01/20 Чтв 10:42:42 522171 121
Без названия.jpg 6Кб, 267x189
267x189
Аноним 20/01/20 Пнд 14:59:44 523329 122
image.png 1581Кб, 810x1080
810x1080
Итак, анончики, обругайте-ка меня быстро. ЧЯДНТ?
Аноним 29/01/20 Срд 01:12:14 524302 123
>>523329
Ну ёбана, тред совсем умер что ли?
Аноним 02/02/20 Вск 21:14:46 524910 124
>>523329
для чайника нормально у нас 2/3 "мастеров" так варят
Аноним 04/02/20 Втр 15:29:14 525172 125
бамп
Аноним 09/03/20 Пнд 06:10:09 529470 126
UP
Аноним 10/04/20 Птн 17:12:56 534311 127
Свараны еще здесь ? Ввариваю патрубки в бочки (чтоб по осени с ведрами не ебстись,выливая перед зимой),вроде прерывисто завариваю а все равно потеет.С одной стороны потеет - не ссыт,со временем ржавчиной затянется,а с другой хоцца чтоб сходу "красиво и эффективно" было.Как их правильно вваривать ?
Аноним 15/04/20 Срд 01:23:35 535108 128
>>534311
Что за бочки, жд цистерны чтоли? Мне просто интересно, толщина металла у бочки какая? Все что я встречал я бы в крайнем случае паял, а не варил, а скорее всего тупо стандартный кран через резиновые прокладки поставил
Аноним 18/04/20 Суб 16:34:18 535582 129
>>535108
обычные 200-литоврки.Сталь разная,от 0,5 до 1 мм - есть "толстые" старые,есть новые "эффективные" с тонкими стенками.
Аноним 18/04/20 Суб 18:07:06 535591 130
>>535582
Так может аргоном надо, не? Ты даже тройкой нахуяришь неаккуратного говна с непроваром.
Аноним 19/04/20 Вск 17:09:19 535721 131
>>535591
ажи бы он у меня был да кабы я им умел - таки конечЬно.А у меня токмо инвертор да трансформатор китайский.Щас вроде доперло - гайку на 32-34 (что по размеру к сантехпатрубку на 15 подходит) прикорячитваь и обваривать по "впадине" между гайкой и бочкой.
Аноним 20/04/20 Пнд 14:27:46 535874 132
>>535721
Да запаяй ты эту поеботу припоем без свинца и всё.
Аноним 21/04/20 Втр 13:59:44 536082 133
>>463369
где такой купить ?
Аноним 21/04/20 Втр 18:25:05 536146 134
Аноним 10/05/20 Вск 10:14:47 539460 135
shopping.png 164Кб, 809x1080
809x1080
Суп аноны.
Подарили мне тут irmig180 syn вместе с проволокой и баллоном.
До этого только трансом варил.
Короче, как его настраивать?
Вот на пике его ебало.
Слева Регулятор скорости подачи сварочной проволоки в режиме MIG
посередине Регулятор сварочного напряжения в режиме MIG
справа регулятор индуктивности.
Пробую варить 1 -1.2мм от ржи почищено. Пока что не получается добится нормального провара.
Добавляет баттхерта то, что нет таблиц для хотя бы примерной настройки, нет индикаторов что бы посмотреть какой ток/напряжение выставлено. Всё что есть это шкалы от 1 до 10 и некий магический режим SYN который что то где то сам регулирует. Никакой конкретики. Письмо накатал даже в фубаг но им походу похуй. Ебаться с продажей не хочу.
Аноним 10/05/20 Вск 10:16:37 539461 136
>>539460
Добавлю, что в инструкциями есть чудесная фраза по настройке: - >При выполнении сварки, пожалуйста, отрегулируйте сварочный ток и сварочное напряжение в соответствии с установками.
Какими блядь установками? Ссука пиздец ебанутые
Аноним 10/05/20 Вск 18:17:17 539518 137
>>539461
>>539460
Добавлю, что в инструкциями есть чудесная фраза по настройке: - >При выполнении сварки, пожалуйста, отрегулируйте сварочный ток и сварочное напряжение в соответствии с установками.
>Какими блядь установками? Ссука пиздец ебанутые
Книжки читай, если тупой видоски смотри.
Аноним 10/05/20 Вск 21:45:16 539546 138
>>539518
Двачую видосики, на ютубе полно таких.
Аноним 12/05/20 Втр 14:41:03 539811 139
>>539546
>>539518
Да идите вы оба нахуй. на аппарате нет индикаторов блядь. В ваших видосиках, на которые вы дрочите вприпрыжку, выставляют конкретные значения напряжения и силы тока, ебаный вас по голове. Если было всё так просто, я бы сюда не пришёл.
Аноним 12/05/20 Втр 15:01:23 539815 140
>>539811
Тогда ОПЫТНЫМ ПУТЁМ
Аноним 12/05/20 Втр 15:16:14 539821 141
Аноним 12/05/20 Втр 21:46:37 539876 142
Посоны чёзанахуй? После зимы достал свою масочку - не хамелеонит нифига. Ну думаю не выдержала морозов. Достаю батарейки, их там 2 штуки CR2032, одна как и положено 3 вольта, а вторая около нуля. Это как блять? Китаец одну из них неправильно установил штоле?
Аноним 12/05/20 Втр 22:29:30 539882 143
>>539876
Ты ни разу разряд одной батареки из двух не встречал что ли? Просто поменяй батарейки на новые и все.
Аноним 13/05/20 Срд 03:09:09 539906 144
>>539882
Как-то вот не встречал, да. В фонариках, пультах ДУ итп консьюмерской электронике разряжаются обе, а тут вторая вообще была незадействована получается. Ну как бы сдохшую заменил, все ок, просто странно.
Маска кстати вот такая >>445379, вроде норм, только немного давит на виски, как ты ее не регулируй.
Аноним 28/05/20 Чтв 00:56:13 542584 145
>>522058
Бери wert mig 200. Но для дома и 160 хватит с головой. Это я такой ебанутый что у меня на 240 ампер. И аргон. И плазморез.
Аноним 28/05/20 Чтв 00:57:15 542585 146
>>522171
Фубаг ультима 5-13 панорамик тру колор. Полет нормальный. Глаза кайфуют.
Аноним 15/06/20 Пнд 00:00:45 545082 147
434b2fe4210e871[...].jpg 248Кб, 800x600
800x600
Заказал аппарат Aurora pro inter tig 200 AC/DC
Уже едет ко мне
Насколько я гей?
Аноним 17/06/20 Срд 00:53:35 545382 148
image.png 128Кб, 908x784
908x784
Сколько примерно будет стоить нарезать, сварить, отшлифовать и покрасить вот такую вот хуйню из уголков? (хотя бы просто нарезать, сварить от отшлифовать) Учитывая, что нужно сделать это качественно

Примерный вес - 90кг. По моим подсчетам здесь где-то 80 метров
Аноним 17/06/20 Срд 08:05:11 545401 149
>>545382
Ты бы хоть материал и его толщину назвал.
Аноним 17/06/20 Срд 08:14:49 545403 150
>>545401
25х25х3 стальной уголок
Аноним 12/07/20 Вск 19:46:24 549480 151
1 (1).jpg 439Кб, 3060x417
3060x417
1 (3).jpg 251Кб, 734x1314
734x1314
1 (4).jpg 327Кб, 1131x610
1131x610
Аноны сварочные помогите советом,пробовал варить первый раз в жизне.
Может не все так плохо? особенно 1(4).jpg сам не понял как так получилось.
а на первой и второй видно что шов гуляет это значит я быстро веду? но вроде вижу что заполнилось и веду и если дольше держать то прожигает.
понятно что трубы варить мне не понадобиться ну хотя бы научиться ровно шов класть и чтобы провар был
а как понять что проварил а не просто накидал я так и не понял
Аноним 15/07/20 Срд 22:07:06 549905 152
>>549480
Почему вокруг швов чернота? Думаю неправильно настроил аппарат, слишком сильный ток и электрод неподходящий. На 4 шве видны отверстия и оплыв металла - пережег. Шов должен быть с валиком, а не проваливаться. Кури теорию. Есть переводы видео на ютубе. Или смотри с русскими субтитрами, можно влючить автоперевод если нет русских.
Аноним 01/08/20 Суб 13:35:03 552533 153
>>545403
Я бы 8к взял. При материале заказчика. Полуавтомат, ленточная пила. Покрасил бы в два слоя ещё за 1к
Аноним 05/08/20 Срд 19:00:25 553504 154
>>444636
Джва года прошло, а тут никто не восторгается моим монгалом. И ладно бы там хуйня какая-то была, но это же распиздастый мангал из 3мм мяталла!11один
Аноним 05/08/20 Срд 22:26:32 553555 155
>>552533
>Я бы 8к взял
С таким отношением к себе ты бы и в рот взял. Ебанутая ебанушка!
Ты блядь проволоки и газа сожжешь резать и варить эту хуйню будешь 3-4 дня. Бизнесмен мамкин!
>Покрасил бы в два слоя ещё за 1к
Сука, почему ты свой труд не ценишь, уебок?

Как же вы заебали, из за таких вот демпингопидоров люди сосут хуи и работают за копейки.
Ломите цены, сука, ломите!
Аноним 06/08/20 Чтв 10:01:26 553591 156
>>444153 (OP)
Ребята, извините за нубский вопрос.
Тем такая. Хочу в подарок челику преподнести сварочный аппарат.
Начиная с какой суммы начинаются неплохие? И смогу ли я выбрать сам его или все таки непосредственно с именинником надо будет консультироваться чего хотелось бы избежать, потому что сюрприз будет испорчен? Он, если что, ремонтом авто и техники занимается, для этих целей оно и нужно.
Аноним 06/08/20 Чтв 14:24:58 553642 157
Аноним 18/08/20 Втр 21:14:01 555611 158
>>553591
Если полуавтомат, то цена начинается с 20к, если MMA, то цена от 5к.
Аноним 19/08/20 Срд 10:46:55 555660 159
>>549480
Слишком большой ток, не тот диаметр электрода, не почистил металл от ржавчины.

Когда варишь, веди электрод "ёлочкой" или "зигзагом" - это самый изи способ сварки. Долго на одном месте не держи, но и сильно торопиться не надо.
Поджигать электрод лучше чиркая, как спичку о коробок, а не тыкая в пластину.
Аноним 04/09/20 Птн 11:24:55 558134 160
Как научиться варить тонкий металл электродом? Я чего только не делал уже: видосов посмотрел сотни, полярность менял, ток уменьшал/увеличивал, варил с отрывом. Ничего не получается - либо сопли, либо дуга не горит, либо прожигаю насквозь.
Аноним 04/09/20 Птн 12:44:46 558152 161
>>558134
Чем варишь? Насколько тонкий металл?
Аноним 04/09/20 Птн 12:58:16 558155 162
>>558152
>Чем варишь? Насколько тонкий металл?
Чем - в смысле какими электродами? Электроды 2мм в красной обмазке, вроде рутиловые. Варю инвертором Калибр MICRO СВИ-205. Металл 0.7 мм.
Аноним 04/09/20 Птн 13:25:03 558161 163
>>558155
> Металл 0.7 мм.
> Электроды 2мм
Жирные, под такое 1-1.6 мм нужны, а по хорошему вообще ТИГом варить.
Аноним 04/09/20 Птн 13:33:18 558164 164
>>558161
>1-1.6 мм
Они не будут при такой толщине плавиться раньше, чем конструкция?

Не знаю, я видел буквально сотни видосов, как васяны варят 2мм электродом металл 0.7-0.8.
Аноним 04/09/20 Птн 14:03:37 558174 165
>>558164
И тем не менее васяны могут, а ты почему-то нет.
Аноним 04/09/20 Птн 14:11:21 558179 166
>>558174
Так и я об этом. Как смочь? Что не так?
>>558161
>1-1.6 мм
Кстати, меньше 1.6 я никогда не видел, разве что для цветного металла бывают меньше.
>вообще ТИГом варить
Ну какой ТИГ, камон. Это не нержавейка и не цветмет, обычная черная сталь. Его прекрасно варят полуавтоматом, а при должных навыках - и электродом.
Аноним 19/11/20 Чтв 19:28:40 571709 167
Что делать с залипанием клавиши на ктр8, масло?
Боюсь, всего боюсь, я макака
Аноним 21/11/20 Суб 23:56:03 571976 168
Так, блэт, аноны! Поясните за газ. У меня есть транс, по ощущениям на 10-15квт, диодный мост из 200а диодов и радиаторы к ним. Но Внезапно! я встретил у себя в гараже грелку от газосварки и задумался, а нахуй мне транс если можно ебашить газом? Даже нашёл комплект за 5к и баллоны ещё по 3к, но останавливает незнание, я так и не понял в чем прикол газосварки
23/11/20 Пнд 18:52:05 572226 169
24/11/20 Втр 11:05:09 572305 170
Аноним 25/11/20 Срд 08:52:09 572472 171
>>571976
Весь смысл газосварки - необходимость электричества отсутствует, и все. Ну, и можешь еще резать и паять, с одного аппарата.
ТОлько баллоны заебешься таскать за собой.
Аноним 28/11/20 Суб 06:38:26 573068 172
Анон, помогай, а то я заебался! Занялся сваркой полуавтоматом. И меня трижды наебывают с заправкой балона сварочной смесью, везде блядский недолив. Сука 50 атмосфер вместо 150! Где в ДС нормально можно заправить баллон 10 л.?
Аноним 29/11/20 Вск 18:13:57 573337 173
>>573068
Баллон поверен? Свидетельство о поверке им показывал?
у нас если нет свидетельства так и качают до 50атм, на полную только с бумажками ибо ссут (если ты взорвешься ебать будут их)
Аноним 30/11/20 Пнд 08:15:39 573436 174
>>573337
Хз о чем ты ща, каое свидетельство поподробнее можно? Приехал и поменял баллон.
Аноним 30/11/20 Пнд 09:09:43 573442 175
Сука, ну почему олах дал мне зрение за -6 и толстые очки? Разве с этим можно вкатиться или только нахуй сьездить?
Аноним 10/12/20 Чтв 23:05:45 575531 176
>>573442
а лазерную коррекцию слабо сделать или астигматик?))

сварка-анонам когда забудут какие электроды покупать

elektrod-3g.ru/sitemap.php
Аноним 11/12/20 Птн 18:01:40 575698 177
Здрастье! Подскажите где занидораха купить электроды для нержи? Ванадиевые для чугуна урвал по 33р\шт, а нержа уже в районе сотки, мне не потянуть
27/01/21 Срд 23:21:28 584941 178
Где купить дешевые электроды? Как переделать мой трансформатор на 20квт в что-то пиздатое? 200а диоды есть, но без радиаторов
27/01/21 Срд 23:22:18 584943 179
>>584941
алсо, мнея не интересуют всякие АНО итд, мне нужны дешевые специальные электроды, по чугунине, люминю и нержи
Аноним 07/02/21 Вск 18:21:44 587401 180
15306109140571.png 1292Кб, 1080x1080
1080x1080
Живой кто есть? Совет нужен.
Аноним 09/02/21 Втр 14:08:40 587822 181
Аноним 11/02/21 Чтв 20:02:41 588937 182
>>587822
Насколько стрёмно варить в гараже без заземления ? Аппарат у меня не особо мощный, такой себе "бытовой" вариант.
Аноним 04/03/21 Чтв 19:35:40 594306 183
>>539460
О. Вспомнил про тред. Короче освоил полностью аппарат. 10 из 10, варит заебись. Сначала вник в ручные регулировки, теперь надрочился в синергетической режиме. Варил от 0.5 (сушилка одежды) до 9 мм за несколько проходов (рама для откатных ворот). С газом двачую анона выше, не доливают. Две катушки ушло за лето-осень.
Ещё варил электродом. 2мм, 3мм. Но не много. Тиг не пробовал.
Годная машина короче. Проблем не было.
Аноним 13/04/21 Втр 22:35:42 602384 184
Бамп
Аноним 15/04/21 Чтв 18:34:40 602937 185
Bump
Аноним 20/04/21 Втр 10:42:01 603882 186
Батя хочет себе Solaris MMA-250, но его в наших краях надо под заказ месяц ждать. Зато есть MMA-256 в ту же цену. Я правильно понимаю, что это по сути одна хуйня и отличия между ними минимальны?
21/04/21 Срд 12:29:32 604096 187
>>603882
А спецификацию почитать мозгов не хватает? Надо на двач высраться?
Аноним 23/04/21 Птн 11:06:59 604461 188
Аноним 13/05/21 Чтв 19:43:35 608895 189
Как вкатиться? Хочу каркас сарая сварить, чтоб качественно было. Ну и вообще, хочу иметь возможность что-нибудь варить и пользоваться. Как обучиться этому самому без наставника? По книжкам?
Аноним 13/05/21 Чтв 20:03:22 608897 190
Аноним 16/05/21 Вск 05:07:19 609443 191
>>608895
Ютуб и практика. Всё. Можешь курсы сварщика чекнуть в цз. Это ьесплатно
Аноним 18/06/21 Птн 18:33:50 615907 192
image.png 19Кб, 432x662
432x662
Я правильно понимаю, что если прикоснуться голой рукой к железке которую варишь, то отъедешь от поражения электротоком?
Аноним 18/06/21 Птн 18:48:47 615909 193
>>615907
Да, но только если будешь варить не заземлившись.
Аноним 18/06/21 Птн 19:01:40 615913 194
>>615909
А чем заземляться надо?
Аноним 18/06/21 Птн 19:26:55 615917 195
>>615907
>прааильно
Нет.
>как отъехать
Ну разве что попытаться взять в одну голую руку держак, в другую голую руку крокодайл на холостом ходу. И то, от 80 вольт %%да и редкий инвертор столько выдаст% помереть - нужно обладать "охуенной" удачей.
Аноним 18/06/21 Птн 19:54:29 615922 196
>>615917
Там же ампер дохуя, а как известно, УБИВАЕТ НЕ НАПРЯЖЕНИЕ, А ТОК
Аноним 18/06/21 Птн 20:24:23 615927 197
>>615922
>Там же ампер дохуя
"Там" - это где? Инвертор - всего лишь мощный блок питания, он может отдать пару сотен амер, но только тогда, когда сопротивление в цепи будет соответствующее. Допустим, сопротивление твоей тушки между ладонями 2 кОм, при напряжении 30 вольт по закону Ома это всего лишь 15 миллиампер. Даже при 80 вольтах это всего 40 миллиампер. Этого очень мало, чтобы ты крякнул. Но, в любом случае, не нужно целенаправленно пропускать через себя такие токи, это может быть небезопасно.
Аноним 18/06/21 Птн 22:58:51 615952 198
>>615913
Специальным браслетом для самозаземления. Спрашивать в электротоварах, там знают что это.
Аноним 18/06/21 Птн 23:32:22 615956 199
>>615927
Надо использовать изолирующую перчатку, если держишь железк, которую варишь?
Потому что хбшная может же пробить через материал, не?
Аноним 19/06/21 Суб 02:18:02 615970 200
>>615922
Жир одобряю, но мож там анон серьёзно интересуется.
>>615956
Ты тралишь/или мне показалось? Я же спецом написал
>на холостом ходу
Когда у тебя дуга горит - дай бох вольт 30 максимум будет.
И, блять, ты не туда воюешь - опасность не со стороны "выхода" инвертора, а со стороны "входа". Т.е. его эксплуатация без заземления - равносильно эксплуатации той же микроволновки без заземления, либо любого другого говна, у которого вилка/гнездо имеет "заземляющий" контакт.
Аноним 29/06/21 Втр 20:19:14 617385 201
Свараны,у кого-нибудь получалось приварить новое днище к ведру - чтоб не протекало ?
Аноним 01/07/21 Чтв 12:34:04 617626 202
Аноним 13/07/21 Втр 00:21:12 619191 203
Привет аноны.
Жизнь распорядилась, что мне нужно купить полуавтомат, и у меня возник вопрос - бывают ли такие полуавтоматы, которые могут в том числе и в TIG? Насколько дорого это стоит? Насколько целесообразно искать такой комбо-аппарат? На авито?
Знаю что есть три основных типа сварки - MMG, MIG и TIG.
Знаю в чём основное отличие MMG - электрод с флюсом, MIG - полуавтомат с проволокой, обычно проволока без флюса, для работы в среде инертного газа, и TIG - чем-то похоже на пайку, электрод нагревает материал в среде инертного газа, туда рукой подаётся присадочная проволока - MMG используют для толстого металла, MIG для металлов потоньше, TIG - для люмини, титана и нержи.
Это пожалуй весь имеющийся бэкграунд, горелку в руках не держал.

MIG мне нужен, чтобы восстановить машину (сталь от 0.5 до 3мм), TIG интересен в перспективе, чтобы варить велосипедные рамы тонкая сталь или люминь.
Аноним 13/07/21 Втр 01:31:45 619198 204
image.png 232Кб, 974x912
974x912
>>619191
>хачу камбайн
Пикрил. Может еще что-то есть, но это говно точно из всех щелей пиарили.
>Знаю
>tldr т.к. бред
Я те раскрою секрет, но gmaw как раз и разрабатывался для сварки люминя и прочего цветного сейчас это и именуется mig-ом. А потом уже стали варить стали с co2 в качестве защитного газа mag
>mig
Для титана точно есть спец проволоки. У дайдо видел в каталоге. Про хачество шва ничего не скажу.
Аноним 13/07/21 Втр 01:58:12 619201 205
>>619198
Прошу учесть, что в этом инструменте я нихуя не разбираюсь, и конкретные параметры которые мне от него нужны - не знаю.
Поэтому всё ещё актуален вопрос
>Насколько целесообразно искать такой комбо-аппарат?
"MIG" полуавтомат на авито можно взять за 10к, и им можно будет "что-то" делать. Условный TIG стоит от 15 (за комплект с горелкой). Что им можно будет делать, что нельзя?
Аноним 13/07/21 Втр 15:14:11 619266 206
>>619201
>я нихуя не разбираюсь
И поэтому уже решил что нужен tig
>Насколько целесообразно искать такой комбо-аппарат?
Ну откуда я могу знать, насколько тебе целесообразно.
>тиг за 15к
Ага. Dc. А потом узнаешь, что для сварки люминя нужен ac. меня, конечно, могут поправить, что на постоянке тоже возможно, но там столько но
Лучше бы не ебал себе голову и взял mag-mig с pulse/double pulse. Я просто не понимаю, чего ты рогом в тиг упёрся.
Аноним 13/07/21 Втр 16:51:00 619284 207
изображение.png 466Кб, 957x803
957x803
>>619266
>И поэтому уже решил что нужен tig
Не решил ещё, потому и спрашиваю. Ок, я поясню почему подумал про ТИГ.
Я видел как можно люминь полуавтоматом заварить, к этому вопросов не имею. Регулируешь ток, подачу, подаёшь аргон, варишь "также" как тигом.
Вопрос у меня пока в том, можно ли MIG/MAGом варить алюминиевые диски проваривается ли? там до сантиметра металла, и можно ли варить швы в труднодоступных местах (углах), как на пикрил. Подлезешь ли горелкой полуавтомата?
Аноним 13/07/21 Втр 16:56:33 619285 208
6c3Nt9XbQkg.jpg 459Кб, 1200x1600
1200x1600
Z5gzrcrepXE.jpg 777Кб, 1200x1600
1200x1600
EylAK4msC5A.jpg 642Кб, 1200x1600
1200x1600
Сварщики, нужна ваша помощь!
Объясните каким инструментом и какой технологией сделана сварка на этой ебалушке?
По сути к кусочку металла толщиной 4 мм нужно приварить еще несколько кусочков металла тощиной 0.2 мм. Как максимально качественно и без швов это сделать, чтобы получилось как на прикл?
Аноним 13/07/21 Втр 17:24:43 619289 209
>>619284
>та все просто
Ага. Потом расскажешь.
>алюминиевые диски
Лол. Теперь уже варим диски, а не велопидорские рамы.
Да и глубина от аппарата зависит, а не от вида сварки.
>Подлезешь ли горелкой полуавтомата?
Как раз тиговской хуй куда подлезешь.
Аноним 13/07/21 Втр 17:39:09 619293 210
>>619289
>та все просто
>Ага. Потом расскажешь.
Ты какой-то агрессивный. Не понимаю, зачем это тут.
Я спрашиваю что мне нужно, уточняю что подходит или не подходит, а ты приписываешь мне какие-то вещи, которые ко мне отношения не имеют.
Не надо так.
>Лол. Теперь уже варим диски, а не велопидорские рамы.
А теперь перечитай написанное ниже.
>Вопрос у меня пока в том, можно ли MIG/MAGом варить алюминиевые диски и можно ли варить швы в труднодоступных местах (углах)
Я пытаюсь понять, какие возможности предоставляет тот или иной тип инструмента, об этом я говорил выше. Спросить о возможностях инструмента в сообществе, которое этот инструмент использует - кажатся, норамально.
Поэтому и ты, отвечай нормально, пожалуйста. Спасибо.
Аноним 13/07/21 Втр 18:10:18 619297 211
>>619293
>Я спрашиваю что мне нужно
Тебе уже написали.
>Ты какой-то агрессивный.
>а ты приписываешь
Так это ты мне приписываешь, что я тебе приписываю. Не надо так.
>А теперь
У тебя изначально итт вот что было
>MIG мне нужен, чтобы восстановить машину (сталь от 0.5 до 3мм), TIG интересен в перспективе, чтобы варить велосипедные рамы тонкая сталь или люмин
А потом уже вылезли
>диски
Я вот и недоумеваю.
А ты мне сразу приписывать начинаешь.
Поэтому и ты, спрашивай нормально, пожалуйста. Спасибо.
Аноним 13/07/21 Втр 19:49:57 619308 212
>>619285
точечная/лазерная.
Аноним 14/07/21 Срд 09:19:01 619377 213
изображение.png 94Кб, 198x198
198x198
Аноним 14/07/21 Срд 09:44:29 619385 214
>>619377
Ты какой-то агрессивный. Не понимаю, зачем это тут.
Аноним 14/07/21 Срд 10:02:12 619386 215
Аноним 14/07/21 Срд 10:30:43 619397 216
Аноним 14/07/21 Срд 13:09:44 619411 217
аноны подскажите как понять что например две пластины сварил?
Я к чему,зажег дугу,вижу сход нагретого электрода,но как понять что я соединил части поверхностей?
Как нужно правильно:
делаю ванную расплавленного электрода,оплавляю края двух частех,мешаю это все?
или оплавлять не нужно (прожигает) а нужно варить поверхности в этой ванне?
У меня бывает получается,бывает нет,как бы сказать,типа набрасал электрода а связи между поверхностями нет.
1 поверх\металл электрода\2 поверхность
не допру как сделать монолитную жижу чтобы при остывании и например разрезке шва было как надо?
Шов идет но он какбы сам по себе,и если сильно ебнуть то детали расходятся
Аноним 14/07/21 Срд 15:22:44 619422 218
>>619411
>как понять
Тебе - посмотреть с обратной стороны.
>как нужно правильно
Посмотри на ютабе, и это серьезно.
>У меня
Пруфай что варишь (свои обрезки), чем варишь (сварочник/електрод).
Аноним 14/07/21 Срд 19:32:50 619483 219
>>619411
>и если сильно ебнуть то детали расходятся

прихватки с обеих сторон не делоаешь что-ле ?

- если шов не "заполненный" а какашки по краям - сильно больщой зазор между деталями
Аноним 14/07/21 Срд 22:14:39 619525 220
TheresaFrostadE[...].jpg 335Кб, 1333x2000
1333x2000
Какой сварочник выбрать, если опыта 0 и варить буду не хардкорно, на даче, по выходным?
На весь комплект с защитами и длинными проводами есть 20к
Аноним 14/07/21 Срд 22:51:46 619531 221
>>619525
>модель
Менеджеров тут нет или есть?
>общая не очевидная инфа
В закрепе уже писалось >>615575 →
Аноним 24/07/21 Суб 11:04:28 620923 222
>>619531
Какой смысл что-то писать, если не советуешь конкретное устройство? Очевидно, что ньюфаг не сможет выбрать в таком случае.
В твоем закрепе кстати нет ни слова про выбор сварочника.
Аноним 24/07/21 Суб 11:23:54 620924 223
>>620923
Поридж, ты совсем в буквы не можешь?
Аноним 26/07/21 Пнд 19:46:00 621381 224
>>620924
Из-за таких как ты тред и помер, уебина зеленая.
Аноним 26/07/21 Пнд 21:33:53 621395 225
>>444153 (OP)
Тема хорошая, напиши фак какой нибудт чтоле, выбор сварки для новичка, по целям там итд
Я тоже хочу вкатитсья, чтобы дома всякую хуйню делать мелкую.
Аноним 03/08/21 Втр 22:47:02 622754 226
>>444153 (OP)
видел как лайфхакеры угольным стерженьком из батарейки варят медные провода. Бывают ли фабричные графитовые электроды для мма сварки для такого, чтобы не столь колхозно все было?
Аноним 03/08/21 Втр 23:39:50 622763 227
0.jpg 2954Кб, 1768x2226
1768x2226
1.jpg 3320Кб, 1798x3717
1798x3717
2.jpg 1594Кб, 1741x2339
1741x2339
попробовал поварить электродом 3мм на 12мм стали ток 68А.
Анон,что скажешь по швам?
при этом две пластинки по 5мм внахлест тем же электродом не очень получаются (ток уменьшал)
Слышал что сначала учат на толстых кусках,хотя я сначала начинал на 3мм кусочках,не очень.Вот раздобыл такие кусочки потолще,тренируюсь на них.
Аноним 04/08/21 Срд 05:47:56 622774 228
>>622763
Слишком быстро ведешь электрод, давай помедленнее. И "раскачивай" его как бы, чтобы этих горбов не было.
Аноним 04/08/21 Срд 09:40:49 622801 229
>>622763
>3мм на 12мм стали ток 68А.
Ммм.
>что скажешь по швам?
Ты просто металл наплавил.
>при этом две пластинки по 5мм внахлест тем же электродом не очень получаются (ток уменьшал)
Ммм. А теперь 110а-140а выставь.
>Слышал что сначала учат на толстых кусках
Нет.
>тренируюсь на них.
Наплавлять металл? "Интересное" занятие.
Аноним 04/08/21 Срд 10:32:28 622807 230
>>622801
В шарагах так и учат - дают пару пластин и ебись с ними как хочешь.
Аноним 04/08/21 Срд 11:32:03 622813 231
>>622801
ок согласен.
да просто наплавлял
второй раз держу держак в руках и хотелось просто ровно вести и выработать скорость по плавлению электрода.
но как? я чувствую что электрод сплавился и надо опустить немного и веду а оказывается быстро веду,но если медлить прожгу ведь на месте?
а про 110А не понял это сарказм был на 5 мм или совет по 12мм? а анон?
>занятие
да просто хотелось правильно вести\держать а о проваре еще рано говорить
такую толщину с 3мм наверно мой аппарат не возьмет

Аноним 04/08/21 Срд 18:00:43 622859 232
>>622763
>при этом две пластинки по 5мм внахлест тем же электродом не очень получаются (ток уменьшал)

если правильно помню,на 1 мм электрода 30 А тока,для тройки это 90А будет,чтоб 5мм прожечь - это надо специально долго жарить.ТАк что увеличивай до штатного и смотри чего получится.
Аноним 04/08/21 Срд 18:09:20 622861 233
>>622813
>но как? я чувствую что электрод сплавился и надо опустить немного и веду а оказывается быстро веду,но если медлить прожгу ведь на месте?
Что ты "прожгешь"? 12мм стальную плиту? Ну попытайся)
>а про 110А не понял это сарказм был на 5 мм
А как ты собрался "слепить" в нахлест две 5мм пластины? 110-140а зависит от инвертора на обратной полярности, какими-нибудь там массовыми ок 46. Получиться за один проход.
>или совет по 12мм?
В нахлест? Я хз сколько тут проходов придется делать, если по нормальному. Два - тройкой, затем два четверкой.
Аноним 04/08/21 Срд 21:19:32 622877 234
>>622859
и не внахлесмт а встык
Аноним 07/08/21 Суб 13:10:25 623447 235
2020-01-0420-24[...].jpg 142Кб, 1080x1080
1080x1080
Стоит ли идти на курсы сварщика? Стоит вроде не дорого, 16к
Работать сварщиком не планирую, просто для себя хочу научиться.
Аноним 07/08/21 Суб 13:22:58 623456 236
>>623447
>Стоит ли идти на курсы сварщика?
Если у тебя нету места хараж/etc, где можешь попердолиться сам, то, наверное, стоит.
>16к
Это же не только мма? Там еще что-то будет? Тогда, наверное, тоже стоит.
>просто для себя хочу научиться
Ну если нет желания покупать >>615575 → и потом это еще хранить у себя, то стоит.
Аноним 08/08/21 Вск 08:29:19 623548 237
>>623456
>Это же не только мма? Там еще что-то будет? Тогда, наверное, тоже стоит.
Че такое мма?

В программу обучения на курсах сварщиков включено:

знакомство с техникой безопасности
обучение работе с материалами и инструментами, ручная дуговая и электродуговая сварка
полуавтомат
аргонная и газовая сварка
резка
холодная сварка
изучение возможных дефектов в работе и контроля качества
Аноним 08/08/21 Вск 10:52:39 623579 238
Аноним 08/08/21 Вск 14:08:19 623607 239
>>623447
>Работать сварщиком не планирую, просто для себя хочу научиться
Учись по гайдам из интернета, та же самая инфа, только за 0к. Я вот собираюсь на курсы идти ради разряда, потому что гайды с ютуба предъявить потенциальному работодателю врядли получится.
Аноним 08/08/21 Вск 14:37:05 623616 240
>>623548
>Че такое мма?
Вот это
>ручная дуговая сварка
Смотри, тебе дадут поиграть еще с полуавтоматом и
>аргонная
и
>газовая сварка
Если ты туда собрался по типу как на экскурсию для расширения кругозора, то почему бы и нет.
Короче, дело твое.
Аноним 08/08/21 Вск 22:24:12 623675 241
>>623607
>Учись по гайдам из интернета
Их еще найти надо и понять какие норм, какие нет. Алсо, видосу вопрос не задашь. Ну и очевидно, что практика под наблюдением живого сварщика будет лучше в общем случае.
Аноним 08/08/21 Вск 23:53:14 623681 242
>>621395
Да собственно че там описывать.
Электродная сварка она же мма - варить толстый метал, самая дешевая. меньше 2мм по началу будешь прожигать, меньше 1.5 мм обычно ей не варят.
Полуавтомат - подает проволку, только на кнопку нажимай - самая простая в освоении, швы аккуратнее, меньше прожигает. Стоит дороже (500 баксов и более)
Хочешь клепать нержу 300 микрон - тарь точечную (контактную).
Это все что надо знать новичку. Все эти аргонно-дуговые и прочее уже более высокий уровень для людей со скилом
я и сам новичок, лол. Жду говна из катапульты, ща набегут диды
Аноним 09/08/21 Пнд 14:52:17 623786 243
cd24-600x800.jpeg 47Кб, 600x800
600x800
Пикрелейтед удлиннитель не охуеет, если через него сварочник подключать? 50м, 3.5кВт, 16А макс, 2.5мм сечение провода. И правда, что эти катушки при сварке надо полностью разматывать, чтобы индукция-хуюкция не образовывалась?
Аноним 09/08/21 Пнд 15:14:33 623791 244
>>623786
Так исходя из потребления сварочника сечение подбирать надо, еще лучше при возможности само сечение провода замерить, а то могут наебать с более тонким.
Аноним 09/08/21 Пнд 15:21:53 623792 245
>>623791
По какому алгоритму сечение подбирается? Сварочник SOLARIS MMA-256, есличо. У него, емнип, сами сварочные кабеля по 2мм в сечении, значит 2.5мм в удлиннителе с большим запасом будут, не? Если там честные 2.5, конечно...
Аноним 09/08/21 Пнд 15:29:14 623795 246
Screenshot 2021[...].png 22Кб, 446x627
446x627
Screenshot 2021[...].png 22Кб, 948x696
948x696
>>623792
> SOLARIS MMA-256
> По какому алгоритму сечение подбирается?
Либо по макс входному току, либо по мощности. Этот кальк https://kabel-s.ru/info/calc-kabel-sechenie/ 6мм2 сечение выдает
Аноним 09/08/21 Пнд 15:31:36 623798 247
>>623795
Отоноче. А если в удлинителе 3 жилы по 2.5мм - это имеет значение? Или каждая жила по 6мм должна быть?
Аноним 09/08/21 Пнд 15:33:54 623800 248
>>623798
> Или каждая жила по 6мм должна быть?
Каждая.
Аноним 09/08/21 Пнд 15:36:53 623801 249
>>623800
Что-то я таких удлинителей и не видел даже...
Аноним 09/08/21 Пнд 15:39:57 623803 250
>>623801
Сам сделай, в принципе, если варишь кратковременно можно и поменьше сечением обойтись.
Аноним 09/08/21 Пнд 18:32:14 623874 251
>>623786
>2.5мм сечение провода
А ты уверен?
>50м
А нахуя зачем так много?
>чтобы индукция-хуюкция не образовывалась
Смотри куда токи текут. Взаимная индуктивность отрицательна. Так что, если принять коэффициент связи за 1 в идеальном мире то для дифф тока L = 0.
А разматывают для того, чтобы охлаждался и все.
В принципе, пойдет, но если не наебали с сечением.
Аноним 11/08/21 Срд 01:27:19 624120 252
>Полуавтомат (500 баксов и более)
Это правда, аноны?
Аноним 11/08/21 Срд 10:19:28 624151 253
>>624120
Нет.
Дешевый с флюсовой можешь за 10к дерева взять.
Аноним 14/08/21 Суб 14:27:41 624748 254
изображение.png 213Кб, 800x800
800x800
Аноним 14/08/21 Суб 15:34:45 624760 255
>>624748
Тебе для скруток?
Воспользуйся щеткой от коллекторного двигателя.
Аноним 14/08/21 Суб 23:10:04 624805 256
>>624760
я попробовал медную проволку в полосу сварить, и понял, что обосрался. это труднее, чем я думал, надо дальше курить тему, смотреть какие флюсы, потому что происходит все не как на видосиках даже на токе выкрученным в ноль
Аноним 22/08/21 Вск 19:37:38 625949 257
>>624151
А за 20к (мой бюджет) это будет примерно как за 10к или лучше?
Аноним 04/09/21 Суб 17:09:29 628178 258
Анон, хочу сделать из металла форму для литья пластика, но немного пизданутого профиля. Если выложу эскиз, дадите совет как это лучше сделать? Я прост понимаю как оно должно выглядеть, а вот порядок действий не особо.
Аноним 05/09/21 Вск 13:42:17 628320 259
Аноним 14/10/21 Чтв 14:38:48 635220 260
>>623675
Тебе сказать, или уже не надо? Ок, я скажу. Внимание.
Велдингтипсандтрикс
Тхефабрикаторсериес
Велдком
6061
Тупо лутши. Смотришь и повторяешь. И повторяешь. И повторяешь. Баллона три газа, килограммов 5 проволоки и 50-100 кг лишних железок перепортишь - проблеснет понимание процесса. На курсах тебе знаний не дадут, и столько материала испортить не дадут. Зато дадут счёт. Выше сказали суть курсов, и мудро: получить документ, когда ты уже научился из "нелегальных" источников.
Если суваешься в алюминий - сразу бери педаль. Безпедальникам в алюминии приходится тяжело.
Аноним 14/10/21 Чтв 14:46:57 635221 261
>>624120
200 уе начинаются достаточные для хоббийных целей и производств/мастерских где не надо варить более 3-4 часов подряд ежедневно. Будет и миг и маг в таком, и порошковая проволока, и возможность варить алюминий. Главное чтобы проволоку можно было не только 0,8 сувать, а хотя бы до 1,2. Потому что 1-1,2 будет твоим основным размером, а 0,8 это до 1,5мм и менее. И регулировка индуктивности обязательно. Чтобы ты ее выставил в 33-35% и больше не трогал до прихода высшего скилла в мозговину, ок? Ок.
Не бери китаески Хв1. Миг это миг, тиг это тиг. Да, всегда в китайцах есть функция ММА, но корчулисы миг/тиг/мма не годятся. Ничто из всего что там есть не будет работать правильно.
Маг тоже можешь сразу забыть, только аргоноуглекислая смесь. 21-й век, все уже, приехали. Тем более, что нюфагу миг будет проще.
Аноним 14/10/21 Чтв 22:04:06 635298 262
>>635220
А я видел что и без газа варят.
Аноним 14/10/21 Чтв 23:24:35 635310 263
>>635298
Это порошковая проволока. Сильно брызгает и не так красиво, но например корабли варят только таким способом (не везде), так как шов крепкий выходит, и глубокий. Ну и на выезде в поле - незаменимая вещь. Или на крыше. Потому что баллон весит килограммов 80, а маленький хрен где заправишь.
Аноним 14/10/21 Чтв 23:30:20 635313 264
>>635310
Да не, мужик принес какую-то коробку, накинул контакт, включился в розетка и начал варить. Газа с собой у него не было
Аноним 15/10/21 Птн 00:59:34 635335 265
>>635313
Может ММА. Полуавтомат с порошковой проволокой это то же самое, грубо говоря, просто электрод бесконечный. Ну не совсем бесконечный, метров 150.
Аноним 15/10/21 Птн 22:19:51 635537 266
>>635335
А зачем нужен газ, если можно ММА в розетку вокнуть и варить?
Аноним 25/10/21 Пнд 22:38:38 638125 267
У всех в слесарке инструмент вес черный? Или ухаживаете?
Аноним 28/10/21 Чтв 12:59:32 638770 268
Ну что, господа сварные, пол года продаваном отработал возле нлмк в липецке в магазие сварки, можите задавать вопросы, проводил хуем по губам всяким эталонам.
Краткий гайд для вката в мма - берёшь редбо за 5к, пачки 2 мр3 от арсенала и сизы, хамилион, краги, всю хуйню, больше ничего и не надо, вкатываешься в сварку уголков, когда намастыришься - остановись, это дачный эндгейм.
Брать рисанту 190 за 7к смысла не вижу, китайцы щас делают ту же начинку в 250 за 5к.
В общем для мангала и прочей хуеты этого хватит, на оставшиеся лучше взять болгарку получше и щётки к ней, зачищать швы. Золотое правило - отблей окалину, пидор.
Удачи сварные, берегите руки и шиворот от окалины, а то видел пожжёных как угольков сварных, ужасное зрелище.
Аноним 28/10/21 Чтв 21:46:46 638880 269
>>638770
>Краткий гайд для вката в мма - берёшь редбо за 5к, пачки 2 мр3 от арсенала и сизы, хамилион, краги, всю хуйню, больше ничего и не надо, вкатываешься в сварку уголков, когда намастыришься - остановись, это дачный эндгейм.
Переводи на русский язык, долбоёб.
Если для знающего твой комментарий абсолютно бесполезен, то новичку твой зоновский продаванский новояз нахуй не упёрся.
Аноним 30/10/21 Суб 21:28:11 639355 270
>>638880
Металлург обьебенился, мне стыдно за земляка...
Аноним 12/12/21 Вск 00:55:54 647824 271
>>444153 (OP)

Хочу варить стальные трубы герметично. Самым ебаным китайским обдрыганым инвертором без газа и прочего. Я знаю что все нормальные люди варят герметику полуавтоматом. Мне похуй. Я хочу варить так, как деды. Чувствовать себя жэковским сантехником в 1975 году. Какие подводные?
Аноним 14/12/21 Втр 15:13:43 648297 272
Screenshot2021-[...].jpg 425Кб, 1080x1920
1080x1920
T94i-Up-Right-2[...].jpg 22Кб, 400x400
400x400
Хотет!
Аноним 15/12/21 Срд 09:27:16 648448 273
>>647824
>Я знаю что все нормальные люди варят герметику полуавтоматом
>Мне похуй
Всем тоже похуй. Полуавтоматом проще научиться будет, вот и все. Всякие нефте и газопроводы как варили электродом, так и варят. Удобно, быстро, дешево.
Аноним 16/12/21 Чтв 21:43:39 648897 274
>>648448

Вот этого кстати не понимал никогда. Нахуя дрочить электродом там где нужно гарантированое качество шва, где огромные объемы и нужна скорость, где газ просто маст хэв. Не хочу. Хочу электродом чиркать. И это сварщики? Это сварщики?! Говно!
Аноним 17/12/21 Птн 03:11:30 648928 275
p0077-sel.png 43Кб, 838x1631
838x1631
p0078-sel.png 4Кб, 844x193
844x193
>>648897
> там где нужно гарантированое качество шва, где огромные объемы и нужна скорость, где газ просто маст хэв
сасай-кудасай
Аноним 17/12/21 Птн 03:17:21 648929 276
image.png 47Кб, 1154x549
1154x549
>>648897
Хотя видимо я не так твой пассаж про газ понял. Сварка в среде газа там тоже используется.
Аноним 17/12/21 Птн 03:19:34 648930 277
>>648928

Естественно имелась ввиду сварка в аргоне или углекислоте с подачей проволоки.
Аноним 17/12/21 Птн 15:51:41 649001 278
>>648897
такое же качество, но дешевле и мобильнее. Единственный минус - требование к скиллу выше.
Аноним 04/01/22 Втр 10:06:55 653341 279
Как отрезаете ровные заготовки пасаны? Я задумался может направляющую сделать какую для болгарки.
Аноним 05/01/22 Срд 01:06:09 653543 280
>>444636
Это ж почти 4 года прошло, а как вчера было. Мангал уже не так охуенен и я поседел и лысею. бля...
Аноним 20/01/22 Чтв 09:06:40 656182 281
Двачаны, на производстве учусь работать на аппарате лазерной сварки. Всякие медицинские штуковины мелкие варим. Посоветуйте может какую-то литературу по лазерному свариванию
Аноним 23/01/22 Вск 01:03:53 656689 282
Tigvneshall.jpg 1197Кб, 3120x2705
3120x2705
Tigvnutall.jpg 487Кб, 2255x2725
2255x2725
>>656182
>лазерную сварку
не знаю,варил только обычным электродом и немного аргоном
тут литературы полно,а вообще ищи может по фирме аппарата
www.chipmaker.ru/files/category/17/

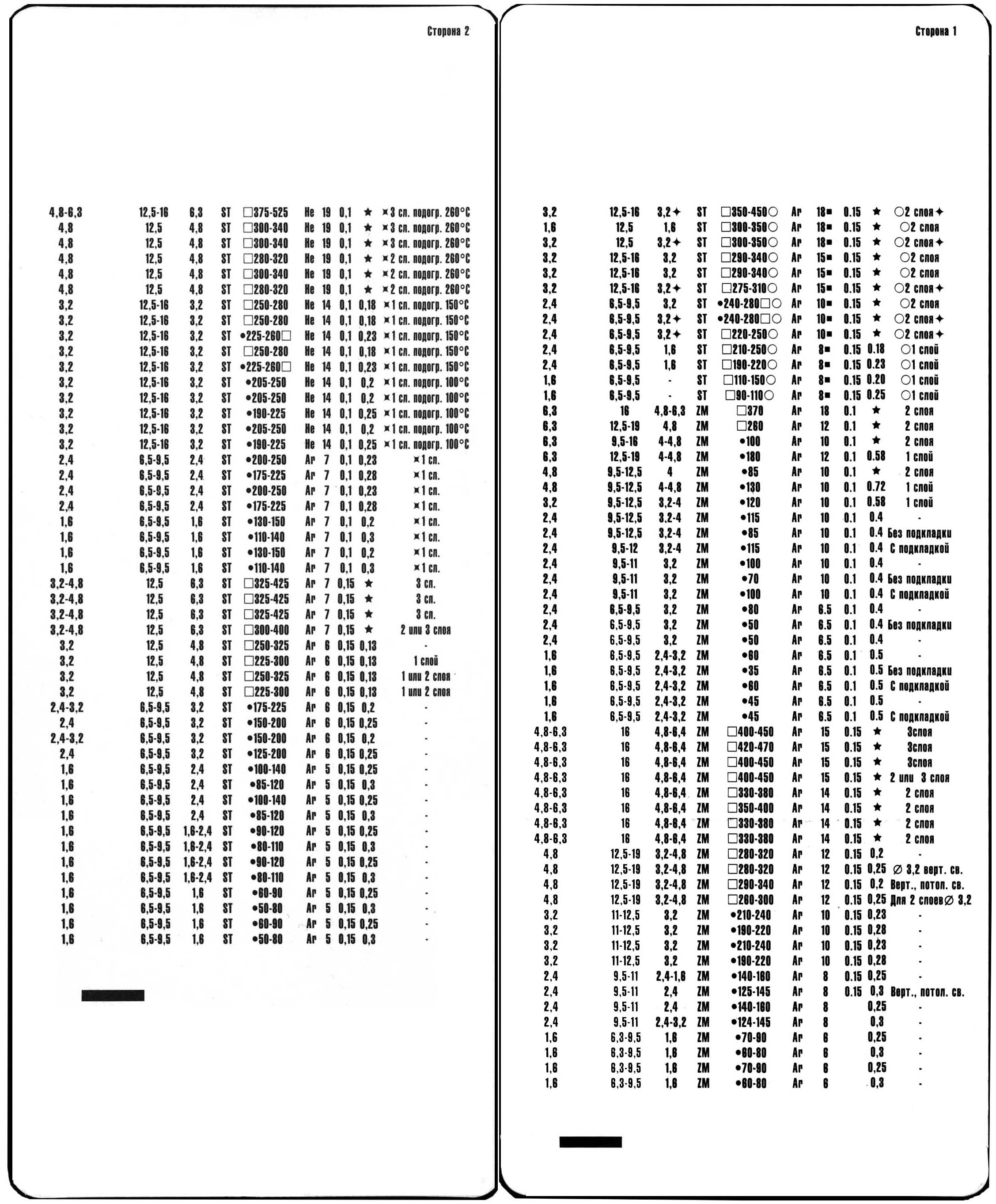
Инструкция по изготовлению "Линейки для расчета сварных швов при аргоно-дуговой сварки"
----------------------------------------------------------------------------------------------------------------------


1) Распечатать оба файла: Tig_vnesh_all.jpg и Tig_vnut_all.jpg на принтере (лучше лазерном)
на плотной бумаге, соблюдая одинаковый габарит по вертикали для внешней оболочки и вкладыша.

2) вырезать по контуру оболочку и вкладыш, а также окна в оболочке, Они залиты черным цветом.
При этом из файла Tig_vnesh_all.jpg должно получиться две детали. Из файла
и Tig_vnut_all.jpg - одна деталь, которая имеет одну линию сгиба.

3) Согнуть деталь вкладыша из Tig_vnut_all.jpg по линии сгиба таким образом, чтобы белые стороны
в дальнейшем склеить между собой. Нанести на них клей и склеить. Вкладыш готов.

4) На одной из деталей из файла Tig_vnesh_all.jpg, которая имеет с двух сторон линии сгиба согнуть по
линиям сгиба. Нанести на них клей и приклеить вторую деталь из этого файла. Таким образом получим внешнюю оболочку
линейки.
5) Вставить вкладыш в оболочку, соблюдая надпись "Сторона 1" и "Сторона 2"

Линейка готова!!
Аноним 23/01/22 Вск 10:15:41 656731 283
>>647824
А в чем проблема? Вари. Работал в управляйке какое-то время, там везде так трубы варят. Герметично научился только поворотные швы делать, с потолком пока еще непровары бывают
Аноним 25/06/22 Суб 15:21:46 682123 284
250px-MannGlasw[...].jpg 20Кб, 250x194
250x194
Да, я ахуел бампать тред. И хуле ты мне сделаешь?
злые звуки сварщика
Аноним 25/06/22 Суб 15:29:40 682125 285
cyborgweldinghe[...].jpg 440Кб, 2048x1038
2048x1038
Mannglas
Если кому интересно.
Аноним 25/06/22 Суб 16:28:05 682130 286
1558437708164.jpg 81Кб, 742x722
742x722
бамп
Аноним 25/06/22 Суб 18:03:25 682153 287
Аноним 25/06/22 Суб 19:42:49 682165 288
>>682130
>Access denied
Сарямба я с бедаруси не могу попасть.
Аноним 25/06/22 Суб 20:01:09 682170 289
High Dynamic Ra[...].webm 19395Кб, 850x480, 00:05:41
850x480
Аноним 25/11/22 Птн 22:41:58 706329 290
.jpeg 206Кб, 717x960
717x960
чет глухо в сварко тренде,мои ножки после сварочки,чем помочь беднм ножкам?
Аноним 25/11/22 Птн 22:59:47 706341 291
image.png 260Кб, 842x1026
842x1026
>>706329
> мои ножки после сварочки
Пиздобол
> чем помочь беднм ножкам?
Надо было раньше думать. Енджой твой рак кожи в будущем.
Аноним 28/11/22 Пнд 14:13:37 706663 292
>>444670
>Хочу себе полуавтомат брать Аврору,160 ампер
Это опять я, спустя столько лет все таки взял себе аврору правда 180-ю.
А мангал так и не покрасил.
Аноним 03/12/22 Суб 23:30:32 707353 293
image.png 249Кб, 2445x2000
2445x2000
image.png 1066Кб, 2000x2000
2000x2000
>>452629
В общем, не знаю куда спрашивать, планирую сделать промышленный стол.
Как на пикрил, длинной 2.5 метра. Металл, думаю возьму 35х35х2мм т.к. эта труба хорошо вставляется в трубу 40, для соединений, посередине сделаю еще 2 поперечных ребра жесткости, прикреплю все это дело к крышке, вес примерный 40кг. сверху будет стоять оборудование, компьютер, монитор ну и прочая поебистика. Ну скажем вес еще 50кг.
Интересует, будет ли сильный прогиб стола или нет? Не хочу делать дополнительных ног посередине, т.к. в этом вся идея - свободно кататься на стуле и работать.

Официально промышленные столы делают не более 2м., но там тоже используют металл 35х35.
Аноним 15/12/22 Чтв 09:44:24 708501 294
Анон, хочу купить какой-нить недорогой полуавтомат, чтобы учиться варить и чинить всякую бытовую штуку. А еще лучше 3 в 1, пусть с фуфлыжным, но ТИГом. До этого сварку в руках не держал.
На какую сумму рассчитывать, чтобы купить приличный китайский мусор? Что на алике посоветуете?
Аноним 27/02/23 Пнд 11:28:58 719583 295
>>708501
>недорогой полуавтомат
Это в рублях сколько?
Аноним 12/04/23 Срд 17:25:04 724982 296
Салют, котаны!
Пришел с платиной.
Нужно выбрать сварочный аппарат товарищу в подарок. Аппарат нужно для сварки труб и листового металла 1-3мм толщиной.
Как я понял, немного погуглив, нужен сварочный инвертор. Но детали мне абсолютно не ясны, а потом пришел просить советов:
1. За какой бюджет можно купить нормальный инвертор для гаража? Какая минимальная сумма, чтобы получить адекватное соотношение цена/качество?
2. Какой положняк по производителям?
3. Что там с не обходимым током и прочими показателями?
4. Что нужно взять в комплект, кроме электродов, перчаток и маски?
5. Товарищ не умеет варить, хочет научится.
Аноним 12/07/23 Срд 12:36:00 732682 297
Посоветуйке книжку или видево для вката, планирую варить несложные металлоконструкции из труб.
Аноним 12/07/23 Срд 14:42:11 732688 298
Аноним 12/07/23 Срд 18:08:08 732694 299
Аноним 02/08/23 Срд 14:49:44 734769 300
IMG202307292042[...].jpg 124Кб, 1152x864
1152x864
IMG202307292040[...].jpg 145Кб, 864x1152
864x1152
IMG202307292042[...].jpg 106Кб, 1152x864
1152x864
image.png 86Кб, 1204x325
1204x325
Тред сдох? Ананасы, посоветуйте нормис электроды нубу. Купил вот такое говнецо, вообще не смог с ними нихуя сделать. Пиздец просто, прилипает, дугу не зажигает, какой-то блять кошмар был. Пачка новая не сырая, что за нахуй был?
Аноним 02/08/23 Срд 15:25:40 734772 301
>>734769

а ты их прокалил как на коробке написано?
Аноним 03/08/23 Чтв 04:52:08 734837 302
>>734772
Нет. Полиэтилен был без дыр. Лежали в магазе минимум месяц, пылью покрылись даже. Да и везде пишут про рутиловые: "лежали 5 лет дома, достал, сварил забор, все ок без прокалки". ХЗ, в общем. Но попробую прокалить, потом отпишусь.
Аноним 04/08/23 Птн 02:21:21 735005 303
image.png 27Кб, 670x31
670x31
Сап анон, хуй знает где спросить поэтому тут. Я не давно вкатился в пайку твердыми припоями, получается так себе, и загорелся идеей починить когда наебнувшийся, об мою тупость, швейцарский ювелирный надфиль ебейшего качества, с еще более ебейшей твердостью, если производитель не пиздит 72HRc, лопнул пик рилейтед. Vallorbe Valtitan.

Вопрос каким припоем его паять 56% серебром или чистой латунью?

inb4 закалка пойдет по пизде, знаю и попробую обеспечить охлад.
Аноним 04/08/23 Птн 10:35:38 735027 304
>>444153 (OP)
Анунаки, хочу в скором времени вкатываться в энту вашу сварку (хобби, не на завод). Вижу свою работу как сваривание углеродистой + нерж стали. Что-то типа лофт-говна, только скорее из нержи, а не крашенная чернуха. Если с угл. сталью все понятно - бери бигмак миг-маг и вари, то с нержой вопросик: собственно что брать, чтобы и по финансам наименее тяжело, и по скилу, и по качеству.

Варианты, которые вижу:
- Просто миг? Вроде качество сварки нерж так себе (хотя что именно я так и не понял)
- Тиг? сложно для новичка и в качестве единственной сварки наверное не очень удобно для больших объемов
- Миг с импульсом? - Видится мне наиболее балансным усредненным вариантом, но смущает очень малый выбор на рынке. Плюс те, что я видел - это миг+тиг+мма+плазменный резак+соус для пельменей в одной коробке. При чем такой комплектный тиг совсем плох, насколько знаю, те. пользоваться им не буду, но заплатить за функцию придется. В итоге дорого
- Бескомпромиссный вариант из миг + тиг отдельных сварочников? Ну совсем дорого.

Какие-то мысли, идеи на этот счет?
Аноним 04/08/23 Птн 12:47:43 735056 305
>>735005
Гильзой ГМЛ подходящего сечения не проще обжать?
>>735027
Есть же комбинированные сварочники МИГ+ТИГ
Аноним 04/08/23 Птн 18:00:05 735093 306
>>735056
Это рабочий вариант, но мне он не интересен по ряду причин. Надфиль был кривой, т.е. рабочая часть не была соосна хвостовику и я хотел спаять ее выровняв в двух плоскостях, как это сделать при обжимке я не горю желанием разбираться, а после в спец рукоять его не вставить будет, плюс эстетика проебется.
Аноним 07/08/23 Пнд 13:04:10 735468 307
>>444153 (OP)
Продолжаю изучать вопросики перед вкотом, я теперь непониманя по поводу втыкания в розетку. Мощность у них +- 8квт, что как-бы дохера, под 40 ампер, а обычные бытовые розетки выше 16А не видел. Плюс многие сварки продаются без вилки, что как бы намекает, что все не так просто и нужны какие-то супер-высокотоковые контакты типа. Собственно, а как их подключать то? Брать провод питания и прям в автомат заталкивать, безо всяких вилок-розеток? Но многие другие сварочники продаются с самыми обычными вилками под самые обычные розетки. Поясните в 2х словах плез.
Аноним 07/08/23 Пнд 14:15:58 735476 308
>>735468
Идешь и смотришь в свой электрощиток на сколько ампер у тебя вводной автомат и автоматы на розетки стоят, исходя из этого уже выбираешь сварочник.
Аноним 07/08/23 Пнд 14:23:24 735479 309
>>735468
И еще, если тебе варить на даче/в СНТ каком, то по идее можно подять заяву для подведения к дому 3х-фазной сети, там как-раз и мощи хватит, и другие 3х-фазные устройства можно подключать будет.
Аноним 07/08/23 Пнд 14:47:32 735483 310
>>735479
>>735476
Я варить планирую в гараже, но гаража у меня пока тоже нет. Поэтому всю электрику надо будет проводить исходя из своих потребностей. Хотя перед этим бы как-то сначала проверить, что электросети гаража не поплохеет от таких нагрузок, насколько я знаю не все всё так замечательно с этим
Аноним 07/08/23 Пнд 20:16:22 735556 311
Насколько опасно варить оцинкованные детали? Я вот сейчас 1 гайку попытался присрать, запашку дало нормально так. Рукой махнул, чет напряжения вечером нет нихуя, электрод липнет. А ща чет призадумался, башка немножко гудит, но вроде норм. Может это самоубеждение. Гайки завтра на воздухе горелкой окуратно обожгу, чтоб уж совсем долбоебом не быть, но мне просто нужно знать для себя, с цинком это как с силкозом - когда дохуя и долго, или прям сразу кладбище-гроб-пидор?
Аноним 07/08/23 Пнд 20:30:13 735561 312
>>734769
Вообще зажигание дуги не про сырость. Я видел как мужик в ведро воды опускает электрод тройку, и варит как ни вчем не бывало. Вся разница - пару маленьких рытвинок внутри шва, которые даже герметичности не нарушили. А сам процесс вообще не отличить. Попробуй ток поменьше выставить, скорее всего в розетке просела напруга, и инвертор просто не тянет. В розетке вместо положенных 220, может быть и 180 и 160 и даже 140, как нехуй делать.
Аноним 07/08/23 Пнд 21:25:48 735578 313
>>734769
А, ну и по электродам, помимо ано-21 нестареющая классика, можешь еще поискать монолит - коричневая пачка с зеленым листиком, дешевые и при этом довольно пиздатые.
Аноним 09/08/23 Срд 00:31:26 735734 314
>>724982
>1-3мм
инвертором варят от 1.5 мм. И то скил надо иметь, когда варишь профильную трубу со стенкой 1.5.
1 мм толщина самая проблематичная. Дешевые точечные сварки их не берут, элетрод и полуавтомат прожигают, а подходящие аппараты для такой толщины стоят овердохуя.
Аноним 27/08/23 Вск 19:17:04 737606 315
>>735556
ГГКП. Нахуй оцинковку варить, помрёшь. Страшная вещь, все сварщики подтверждают. Сам издалека видел, цинк как нити испаряется. Кто вдыхал хуёво было.
Аноним 27/08/23 Вск 19:27:03 737607 316
>>735734
Схуяли полуавтомат прожгёт 1 мм?
Полуавтомат конечно подороже, но проще в освоении в разы.
На улице самозащитной проволокой (без газа) варил профильную трубу 1,5 мм - шикарно! Жестянку на тачке (тачка садовая, жесть 0,8 наверное) сложновато, ржавая, но прихватил, с минимум опыта. С электродами сплошной гемморой.
Аноним 27/08/23 Вск 20:55:03 737615 317
naruseshirohasu[...].jpg 39Кб, 555x555
555x555
>>444153 (OP)
Очень хочу вкатиться в сварку. Посоветуйте как по фасту получить скиллы и корочки? Можно ли в РФ получить аккредитацию или как это называется, международного или европейского образца, чтобы была возможность варить где угодно?
Аноним 28/08/23 Пнд 13:03:43 737655 318
>>737606
А как правильно быть если надо что-то оцинкованное присрать? Обжигать - тоже цинк парит, если только по ветру с горелкой встать. Удалитель ржавчины не канает? Там вроде фосфват цинка должен образовываться нерастворимый, который осядет на детали.
Аноним 12/09/23 Втр 19:06:20 739477 319
>>737655
Правильно надо ободрать этот цинк шлифкругом или стравить кислотой, хоть бы и электролитом аккумуляторным.
Аноним 31/12/23 Вск 09:13:55 751404 320
>>573068
>>573337
Углекислота внутри баллона - жидкость, находящаяся под давлением насыщенных паров (при нормальной температуре 50 атм). Кислоту в баллон наливают не по давлению, а по весу на 2/3 объема баллона.
Аноним 30/01/24 Втр 20:57:38 754664 321
Поцоны, что даёт ролик для полуавтомата с насечками?
Уже полтора года варю порошковой проволокой с обычным роликом. Стоит его покупать?
Аноним 20/04/24 Суб 14:03:22 764758 322
Как выбрать респиратор для автосварщика? Резать, чистить, варить, мб и красить. Любой ffp2 норм? Фильтры универсальный расходник?
Аноним 20/04/24 Суб 16:20:52 764787 323
Расширенная таб[...].jpg 1858Кб, 3508x2480
3508x2480
Disposable-Resp[...].jpg 289Кб, 1333x780
1333x780
>>764758
Под красить используются сочетание противогазового фильтра типа А1 (или А2, А3) и противоаэрозольного предфильтров Р1 (Р2 или З) или же сразу комбинированные.
Вот для 3М таблички есть, по другим производителям тоже наверно что-то такое же можно найти
Аноним 20/04/24 Суб 17:12:40 764795 324
>>764787
Спасибо.
3м, судя по всему, популярный вариант.
Получается, по второй пикче, если просто пилю метал или дерево мне хватит 2071, а если че по-сложнее 6003 так?
Аноним 20/04/24 Суб 17:15:27 764797 325
PXL202404201557[...].jpg 1201Кб, 1920x1440
1920x1440
>>764787
Эти обозначения а1, р1 это на один фильтр описание? В смысле надо такое сочетание брать?
Аноним 20/04/24 Суб 17:24:25 764799 326
6962997095.webp 30Кб, 500x500
500x500
А, все ясно, фильтры конструкторы
Аноним 22/04/24 Пнд 07:32:31 764960 327
На фоне предстоящих задач лета, необходимо получить сварочный аппарат (ММА достаточно для тех объемов и количества). Возникает вопрос того что выбирать из ныне существующего. Сам видел из массово существующего и контентного только РЕСАНТА и АВРОРУ. Общий бюджет в такие веще до 15к максимум. Ну и как я понял, всякие интерактивные функции типа "синергии" и пр. полная хуйня и настраивать перед использованием на практике лучше самому....
Ну и второй вопрос, при электродке или полуавтомате очки газосварщика подойдут или же стоит все же маску нормальную брать?
Аноним 22/04/24 Пнд 17:09:38 765032 328
Zatemnenie.jpeg 97Кб, 610x601
610x601
image.png 119Кб, 601x340
601x340
>>764960
> при электродке или полуавтомате очки газосварщика подойдут
Нет, у них степень затемнения ниже (4-7, а у электросварочных масок 9-15)
> стоит все же маску нормальную брать?
Да
Аноним 24/04/24 Срд 07:14:55 765232 329
Аноним 08/06/24 Суб 18:56:01 769690 330
Хочу сварить за лето лодку из алюминия

Навыков - 0, только общие сведения

Можно ли начать учиться самостоятельно сразу со сварки алюминия?

Какой аппарат порекомендуете с учётом небольшой толщины деталей, а также где взять список того что ещё понадобится?
Аноним 08/06/24 Суб 21:54:53 769703 331
свастика из кот[...].jpg 47Кб, 600x450
600x450
>>769690
>Какой аппарат порекомендуете с учётом небольшой толщины деталей, а также где взять список того что ещё понадобится?

Сварка будет TIG
Аноним 17/06/24 Пнд 22:46:17 770692 332
Здорова, мертвотред. Тут возникла нужда сварить стойку под боксерскую грушу и брусья заодно. Пока придумал сделать толлько П образную херовину. Аппарат есть, металл есть, навыков нет, идей нет. Советуйте
Аноним 17/06/24 Пнд 22:57:15 770693 333
>>770692
Пососи хуйцов, сделай бочку.
Аноним 17/06/24 Пнд 23:47:24 770695 334
>>770693
Пошел на хуй, кловун
Аноним 20/06/24 Чтв 19:27:17 770987 335
>>735483
Кстати, есть такой прикол что во многих ГСК сварка запрещена.
Аноним 29/06/24 Суб 13:29:36 771872 336
>>770692
крестообрасные лапы по низу вертикалов П-образки,причем н е Х-образные а конкретно крест прямоугольный.
Аноним 24/09/24 Втр 22:57:46 780286 337
1727207829618.jpg 181Кб, 4000x2248
4000x2248
Анончик, подскажи годную литературу/блог/влог/канал по азам ТИГ сварки.

Буду ковыряться в гараже ДЛЯСИБЯ в свободное время, варить хочу алюминий+легированные стали. Матерьялы тоненькие 0.5-2мм, алюминий потолще.
Аноним 13/10/24 Вск 16:09:23 782032 338
Всем привет, надеюсь есть хоть кто-то живой, мне нужно:
1) Сварить циклонный теплообменник из медной фольги М1 толщиной 0.1 ... 0.15 мм. Увеличивать толщину нельзя тк каждый грамм на счету, а вот денег немеренно. Пайка крайне не желательна.
Врядли за такую хуйню хоть кто-то возьмется даже за гору денег, так что варить придется самому.
Варить думаю лазером (ОООчень дорого) или ультразвуком (дорого)
Какой аппарат взять для домашнего использования? Есть видеопособие или литература для чайников?

2) Можно ли дюралюминий приварить ультразвуковой сваркой к карбиду бора? С предварительным нагревом? (один из самых твердых материалов, используется для сопел пескоструев и в очень дорогих брониках)
Аноним 13/10/24 Вск 18:29:44 782042 339
c1ed9c30991d2af[...].jpg 79Кб, 680x810
680x810
>>780286
>варить хочу алюминий+легированные стали
>Матерьялы тоненькие 0.5-2мм
>Буду ковыряться в гараже ДЛЯСИБЯ
Аноним 17/10/24 Чтв 14:51:11 782332 340
Есть вопрос
Как обычно организована работа в Москве по объектам?

Есть где переодеться?

Есть где поесть, погреть еду?
Аноним 28/11/24 Чтв 00:15:40 786345 341
.webp 12Кб, 1000x905
1000x905
Ну наконец-то наскроллил тред, где мне могут помочь.
Есть один душевой поддон, который я хочу установить в П-образную нишу, которая образует собой душевую.
Так как я трясусь - я хочу выполнить монтаж поддона условно-съемным, то есть иметь возможность открутить сифон, прорезать герметик и вынуть его нахуй присосками чтобы добраться до сливной канализации.
Для этого мне нужно сделать раму, на которую я положу поддон, а сама рама должна регулироваться по высоте.
Но у меня нет сварочного аппарата, негде варить и не у кого попросить выполнить такую раму, которая помимо прочего должна еще учитывать проходящие мимо коммуникации. Поэтому для рамы я возьму алюминиевый конструкционный профиль за многоденег и соберу его как конструктор по месту. Вопрос в ногах - мне нужны регулируемые по высоте опоры, которые я могу купить в масс-маркете онлаен, минимально переделать и присрать к раме из конструкционного профиля. Где такие ноги взять или из чего собрать? Нужно что-то сорт оф релейтед со шпилькой М10-М12 и достаточно большим диапазоном регулировки, примерно от 15 до 20см. Ну и может быть у вас будут мысли про раму - из чего еще можно сделать так, чтобы это максимум резалось и сверлилось, а на месте собиралось на резьбовые соединения, и при этом чтобы сверху нихуя не торчало чтобы поддон лежал на плоскости, а не на шляпках крепежа например.
Аноним 28/11/24 Чтв 20:42:20 786409 342
>>786345
хрен тебя знает чего ты там нагородил,мы когла деду поддон ставили - под него же сразу и раму брали,регулирующуюся по высоте.
Аноним 07/02/25 Птн 09:28:31 792452 343
бамп
Аноним 29/03/25 Суб 20:57:18 798086 344
>>789419
Напруга в сети прыгает, выставляешь условно 80 а по факту прыгает от 20 до 80, а диаметр электрода не под этот ампераж, не хватает силы сплавить электрод как надо но хватает для сплавки по чуть чуть для образования "большой капли", сварочная дуга как раз таки должна доставить эту самую каплю в сварочную ванну, но из за прыжков ампеража капля висит на конце
Такое бывает когда источник твоего тока то бишь сеть к которой ты подключился суперебучее говно которое будет выключаться от эл.чайника+стиральной машинки одновременно, ну или в нее уже дохуя подключенно всякого или всяких
Если это цех то скорее всего на эту фазу подключилось уже 100500 сварных со своими сварочниками или с этой фазы питается прожорливое оборудование, например петрович на тысячном токарнике
Попробуй подключаться через удлинитель , ну или найти другую фазу
Гораздо реже причина в инверторе, настолько реже что даже не буду про это говорить
А вообще если у тебя по электротехнике проблемы и ты эту проблему решить не смог, то скорее всего сварочное дело не для тебя и тебе надо идти в механики, но еще скажу что даже ПРОСТО механик умеющий пользоваться головой должен был щелкнуть эту проблему как орешек, так что тебе скорее всего в офис или ДНС консультантом
Аноним 30/03/25 Вск 06:59:35 798121 345
1743307169662.jpg 2483Кб, 3280x1476
3280x1476
1743307169770.jpg 2431Кб, 3280x1476
3280x1476
1743307169832.jpg 2588Кб, 3280x1476
3280x1476
1743307169898.jpg 4219Кб, 4000x1800
4000x1800
>>653543
>>553504
>>444636
Нормальный у тебя мангал.

Вот я себе сделал из балкона
Аноним 31/03/25 Пнд 09:06:28 798285 346
>>798086
Чел, я на даче варю. СНТ.
Аноним 05/04/25 Суб 23:13:23 798956 347
Screenrecorder.mp4 17295Кб, 1080x2400, 00:00:14
1080x2400
не допонимаю,что правда можно варить лазером в трусах и ливчике и без щитка???
Аноним 06/04/25 Вск 14:04:47 798996 348
>>798956
очков отсекающих длину волны лазера достаточно (обычно идут в комплекте к аппарату)
Аноним 13/04/25 Вск 20:02:44 799583 349
Screenshot.jpg 594Кб, 1080x1826
1080x1826
такой приблудой ктонибудь варил?
Аноним 14/04/25 Пнд 09:36:49 799628 350
>>799583
выглядит как кал
Аноним 15/04/25 Втр 10:30:52 799691 351
>>623786
Такие же только китайские въебывают на ура, оставляя после себя сплавленный провод(если никто не размотал)
Аноним 07/05/25 Срд 16:53:07 801814 352
Добрый день, товарищи работяги, дана деталь литья я ее в САПРе разделил на несколько простых деталей под сварку, но по заданию нужно чтобы во время сварки детали не пидорасило, поэтому в них должны быть пазы которые будут один в другой вставляться и типа не давать разъезжаться, так вот вопрос в том есть ли какие-то стандартные инженерные решения для такой хуйни?
Аноним 16/05/25 Птн 20:50:28 802685 353
кароч такая история: варю чужим говноаппаратом с хуй пойми какими электродами хуямболу из арматуры десятки, и провариваю каждый шов по четыре раза потому что после того как собью шлак и пройду щеткой, каждый раз оказывается что весь металл расползся по деталям - а между ними один шлак

нихуя не держится конечно

что я не так делаю?
Аноним 17/05/25 Суб 12:13:32 802739 354
>>802685

эх двач, толку от тебя...
кароч я варил на 90 А, а рекомендованный ток для 10 мм - 120 А
прибавил, и норм стало
Настройки X
Ответить в тред X
15000
Добавить файл/ctrl-v
Стикеры X
Избранное / Топ тредов