Главная Юзердоски Каталог Трекер NSFW Настройки

Радиотехника

Ответить в тред Ответить в тред
Check this out!
<<
Назад | Вниз | Каталог | Обновить | Автообновление | 13 2 5
LG CD 323 Модернизация? 16CM_GIGANT 25/10/25 Суб 11:50:08 584304 1
image.png 153Кб, 1125x731
1125x731
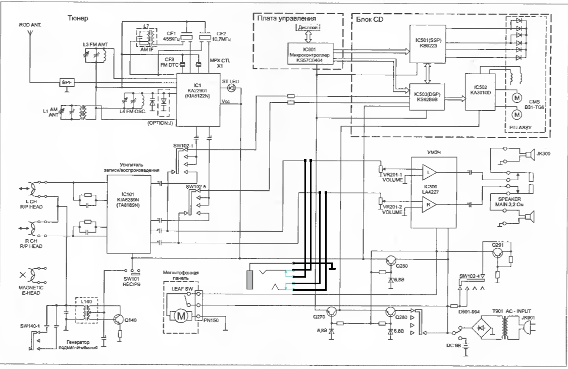
В общем имеется девайс под кодовым названием LG CD 323
И имеется желание приколхозить к нему разъем 3.5 Jack.
Так, чтобы он звучок с этого разъема воспроизводил.
Воплотима ли эта идея в жизнь, и куда, собственно колхозить то?
Паять-то я умею, а мозгов маловато.
Аноним 25/10/25 Суб 17:10:09 584311 2
image.png 162Кб, 1125x731
1125x731
>>584304 (OP)

Вот сюда в разрыв воткнуть джек с переключением.
Аноним 27/10/25 Пнд 00:58:13 584343 3
Аноним 27/10/25 Пнд 18:23:22 584358 4
>>584343

Кондеры разделительные только нарисовать забыл.
Аноним 28/10/25 Втр 08:48:14 584369 5
>>584358
Ну главная сама идея верная, дальше разберемся
Аноним 28/10/25 Втр 11:00:30 584371 6
>>584304 (OP)
>Паять-то я умею, а мозгов маловато.
То что мозгов маловато это самокритичное замечание-верное. Зачем ты создал отдельный тред? В шапке раздела написано-если такой темы нету и мозгов маловато добро пожаловать в ньюфаг тред. Получается ты балбес который топит действительно важные треды в которых обсуждаются вещи связанные с электроникой которые интересуют больше чем одного человека. Паять ты умеешь максимум блесны и то качество под вопросом, говорить о умении паять можно когда человек спокойно перекатывает хотя бы небольшую BGA, знает в каких ситуациях какой флюс и температуру использовать и в какой последовательности действовать при решении задач по монтажу/демонтажу элементов. Это значит что ты можешь сработать на свинце/бессвинце не подорвав пятаки и пистоны, не ужарив элементы сработать на плате, отмыть за собой дочиста, а там где вымыть флюс невозможно применить правильный флюс который будет не агрессивен и не токопроводен.
Аноним 28/10/25 Втр 14:15:13 584375 7
>>584371
нет, для монтажника знание электроники не является обязательным багажом знаний. Тред в целом достаточно глубокий и интересный. Достаточный для того, чтобы обделенные какими-либо реальными знаниями университетского уровня двачеры начали строчить памятники своему разочарованию в себе же на 8 строчек. В любом случае в треде приветствуется только РЕАЛЬНАЯ помощь и идеи по МОДЕРНИЗАЦИИ. Радоаппаратуры.
Аноним 28/10/25 Втр 16:47:19 584381 8
>>584375
>для монтажника знание электроники не является обязательным багажом знаний
Ну так-то да, на советских заводах паяли в основном монтажницы, девичья работа. Дальше уже регулировщики, с знаниями, изделия заставляли работать.
>>584375
>чтобы обделенные какими-либо реальными знаниями
Мои знания это мои знания, сколько ни есть-все мои. ОП вовсе декларирует дефицит мозга сам у себя.
>>584375
>РЕАЛЬНАЯ помощь и идеи по МОДЕРНИЗАЦИИ. Радоаппаратуры.
Ага, модернизация. Патент не забудь получить и авторское свидетельство на модернизацию своей балалайки.университетского уровня.
Аноним 28/10/25 Втр 17:02:45 584382 9
>>584381
Ну декларирует и декларирует, вам то что? Завидуете? Или вы можете реально дельный совет дать? Изучить, например характеристики радиоэлементов в "балалайке" дабы параметры входного сигнала были для неё подходящими? Или вы только в иронии детсадовского уровня упражняться мастер?
Аноним 30/10/25 Чтв 09:15:31 584429 10
>>584382
Вот в ньюфаг треде я сейчас чудаку который пилит китайский приемник-конструктор помогаю, и насколько мне позволит время буду подсказывать пока он не заработает у него. А этот тред не стоит и выеденного яйца. Вы если решили ко мне обращаться на "Вы", то пишите с большой буквы это самое "Вы", а то у Вас из под элегантного пальто лапти торчат. Да, я отчасти завидую людям у которых половина мозга отсутствует, им жить проще. Но ровно до момента когда они начинают свой традиционный забег по граблям жизни. Чел не в состоянии прочесть шапку раздела, вломился, высрал тред своей личной балалайки, а ему место в ньюфаг треде.
Аноним 31/10/25 Птн 11:54:05 584471 11
>>584311
Громкость не будет работать? Вроде обычно делают - вместо динамиков через резисторы.
Аноним 01/11/25 Суб 12:51:39 584500 12
Аноним 02/11/25 Вск 14:09:18 584541 13
>>584371
Паять уметь нужно только руками. А все твои бы-гыгы-а - это уже хуйня-работа тупо по шаблону на термо станции.
А если ты подобное паяешь не на спец-оборудовании по нормам и профилям, то ты - простофиля и нищук. И всем поебать как ты там изгалялся. Ты в любом случае уже не молодец, а лох, потому что так делать не следует.

Заметь, я не говорю что невозможно. Я говорю не следует и не правильно.
А то щяс прибежит быгыгыа нищук и будет с пеной у рта визжать какой он умелец-долбоёб.
Настройки X
Ответить в тред X
15000
Добавить файл/ctrl-v
Стикеры X
Избранное / Топ тредов